无刷电机正确接线方法
无刷电动车控制器接线方法

无刷电动车控制器接线方法无刷电动车控制器接线说明1.电源输入粗红色线为电源正端黑色线为电源负端细橙色线为电门锁2.电机相位(u、v、w输出)粗黄色线为U 粗绿色线为V 粗蓝色线为W 3.转把信号输入细红色线为+5V电源细绿色为手柄信号输入细黑色线为接地线4.电机霍耳(A、B、C输入)细红色线为+5V电源细黑色线为接地线细黄色线为 A 细绿色线为 B 细蓝色线为 C5.刹车(柔性EABS+机械刹)细黄色线为柔性EABS;细蓝色线为机械刹(高电平刹车:+12V)细黑色线为接地线(低电平刹车)6.传感器细红色线为+5V电源细黑色线为接地线细绿色线为传感器信号输入7.仪表(转速):细紫色线8.巡航:细棕色线9.限速:细灰色线10.自动识别开关线:细黄色线PIC16F72智能型无刷电动车控制器使用方法和注意事项1、在接线前先切断电源,按接线图所示连接各根导线;2、该控制器应安装在通风、防水、防震部位。
3、控制器限速控制插头应放置容易操作的地方。
4、控制器接插件应接插到位,禁止将控制器电源正负极反接(即严禁粗红、细橙和粗黑;细红和细黑接反)。
5、电机模式自动识别:正确接好电动车控制器的电源、转把、刹把等线束,,将电机识别模式开关线(细黄)短接,打开电门锁,使电机进入自动识别状态,若电机反转则按一下刹车即可使电机正向转动,在控制器识别电机模式10秒后将电机识别模式开关线(细黄)直接断开即可完成电机模式自动识别。
6、1+1助力方向调整:在通电状态,将调速电阻从最大值调到最小值,再回到原始状态后,可将1+1助力的方向从正向模式切换到反向模式,再调整一次可从反向模式切换到正向模式,并将最终的模式存入单片机。
更多关于电动车维修请点击下面的链接电动车整车电气原理图电动机车故障维修手册电动车检测仪制作电动车综合检测仪制作电动车故障维修资料电动车三合一喇叭接线图电动车电机霍尔更换图解电动车维修电动车维修技术电动车故障维修无刷电机相角的判断无刷电机的接线方法电动车报警器(防盗器)的接法无刷电动车不能行走的故障检修控制器限流的检测方法怎样检测电机的霍尔好坏控制器缺相的检测电动车空载电流的测法怎样检测无刷控制器好坏无刷控制器的原理与维修无刷控制器好坏的测量方法无刷电动车控制器接线方法电动车闪光器电路图电动车电源转换器电路图电动车电源转换器接法电动车控制器维修电动车仪表维修电动车充电器维修三档变速控制器接线方法有刷电动车不能行走的故障检修电动车线路图大全#电动车故障维修。
电动车无刷控制器电机线和霍尔线常规接法

针对目前控制器普通版本和标准版本需要对相序给出常规接法(本公司智能自学习版本无需对相序),无刷电机为3相6拍控制,因此3根霍尔状态对应3根电机线6种输出状态,不同组合有36种接法,其中有6种接法能让电机运转正常,且这6种接法里有3种接法是正转另3种接法是反转。
所以我们有必要掌握接线规则。
一:首先我们得让电机正常转起来,通常是霍尔插头直接插上,调整电机线。
以下给出6种规律接法,必定有1种能让电机运转正常1》电机线蓝色对控制器蓝色电机线绿色对控制器绿色电机线黄色对控制器黄色2》电机线蓝色对控制器蓝色电机线绿色对控制器黄色电机线黄色对控制器绿色3》电机线黄色对控制器黄色电机线蓝色对控制器绿色电机线绿色对控制器蓝色4》电机线绿色对控制器绿色电机线蓝色对控制器黄色电机线黄色对控制器蓝色5》电机线蓝色对控制器黄色电机线黄色对控制器绿色电机线绿色对控制器蓝色6》电机线黄色对控制器蓝色电机线蓝色对控制器绿色电机线绿色对控制器黄色总结以上规律我们可以编出一套顺口溜方便记忆一般控制器是放在上方的,电机是放在下方的,我们可以这么记忆1》颜色对颜色2》蓝对蓝,其它2色对调3》黄对黄,其它2色对调4》绿对绿,其它2色对调5》上蓝对下蓝,其它2色对调6》上黄对下蓝,其它2色对调霍尔有正有反,说明该电机是60°相位角,没有正反就是120°相位角。
你可按原样放入(可稍稍用502瞬间胶固定)将三个霍尔的正极和负极分别并联后与电机引出线中细的红、黑线相连焊接(注意绝缘)将三个霍尔的信号线分别与电机引出线中细的黄、绿,蓝线相连焊接(注意绝缘)。
二:以上接法能让电机运转正常,但不一定是正转,如果你要调成正转可将电机线A相C相对调,霍尔线A相B相对调。
无刷电机相角的判断无刷电机的相角是无刷电机的相位代数角的简称,指无刷电机各线圈在一个通电周期里面线圈内部电流方向改变的角度。
电动车用无刷电机常见的相位代数角有120°与60°两种。
无刷电动机的接线方法

无刷电动机的接线方法
无刷电动机的接线方法
(1)在维修中,若需更换的电动机或控制器是原厂配件,只需按插接器的方向插好即可。
若插接件插错,根本就插不上。
(2)在维修中,若需要更换的电动机或控制器不是原厂配件.而插接器有时无法一一对应插接好,这时只有按下述方法处理。
一般无刷电机与控制器相连接的导线有8根,其中包括3根较粗的电动机绕组相线、3根较细的霍尔相线、l 根霍尔电源线和l根霍尔接地线:电动机的8根导线必须和控制器相对应的引线对接,电动机才能正常工作。
60°或120°相位角的控制器只能控制60°或120°相位角的电动机。
两种不同相位角的控制器不能直接互换。
无刷电动机接线方法如下:
(1)保证电动机霍尔电源的红线(+5V)和黑色地线与控制器相对应的线插接好。
(2)电动机中3根较细的霍尔相线和3根较粗的绕组相线与控制器的连接共有36种接法,其中最简单的方法是每种状态一一试验。
(3)换接导线时可带电进行,但要细致、有序,每次转动调速转把的转角不得过大,以免损坏控制器。
若电动机出现抖动或噪声较大等不正常现象,则表明该状态不对。
若在某一状态下电动机反转,在知道控制器的相序时,只需要将控制器的霍尔线a、b互换,电动机绕组相线A、B互换,即可使电动机正转。
无刷电机接线方式 六线C型-博源传动无刷电机接线资料

Pin
信号
No.
电机供电端口 1 (Vcc)
2 接地(GND)
正反转 输入电压
3 (CW/CC 高电平(VIH)
W)
低电平(VIL)
脉冲信 高电平(VOH)
号发生 低电平(VOL)
4器
信号电流
(FG) 脉冲输出数
输入电压
脉冲调 高电平(VIH)
5制
低电平(VIL)
(PWM)
脉冲频率
6 刹车
红色引线,电机供电输入
黑色引线,接地 白色引线,电机转向转换 反转,高电平=CCW 正传,低电平CW
黄色引线,这是集电机开路输出 (NPN),可根据移相使用FG输出 检测转速
蓝色引线 电机停止,高电平=电机停止 电机运行,低电平=电机运行
建议脉冲使用范围20KHz30KHz
0-5v Min 1.5v Max 0.6V
绿色引线 电机启动,高电平=电机启动 电机刹车,低店铺=电机刹车
备注:
1.Vcc与GND 端口不可交换使用(接反电机烧毁)。 2.请在马达停止状态下进行CW/CCW切换,在运转过程中切换有可能造成内部电子原件损坏。 3.电机启动方法:红色引线接正极电源,黑色引线为GND及蓝色引线端口为低电平时,电机启动,电机初始 转向通常为CCW; 当需要切换转向时,将蓝色引线,白色引线同时为低电平时,即切换电机转向。
Байду номын сангаас
输入电压 高电平(VIH) 低电平(VIL)
I/O
规格
备注
输入(IN) 输入(IN) 输入(IN) 输出 (OUT)
输入(IN)
输入(IN)
DC 12V (8-15V) DC 24V (8-26V) 接地 0-5v Min 1.5v Max 0.6V 1.5V≤U≤5.0V,at5V 0.6V max 3mA max 6个脉冲,可定制 0-5v Min 1.5v Max 0.6V
无刷电机驱动器接线说明

无刷电机驱动器接线说明RVGND 接蓝线(电位器短线)ALMSPEEDAVI 接黄线(电位器短线)接5VDC 电压BRKENBL 拖出来的黑线粗线,一头接ENBL 插口,一头接速显装置的②接口F/RREF- 黑线(电机上面的细线) HW 蓝线(电机上面的细线) 拖出来的红线(粗线)一头接HW 插孔,一头接速显装置上面的①接口 HV 绿线(电机上面的细线) HU 黄线(电机上面的细线)REF+ 红线(电机上面的细线) 红线(电位器短线)DC-DC+U 黄线(电机上面的粗线)V 绿线(电机上面的粗线)W 蓝线(电机上面的粗线)一, 电机和驱动器接线:1,电机三根粗线,黄线,绿线,蓝线分别接驱动器上面的U,V,W 插孔。
2,电机的五根细线:黄线,绿线,蓝线分别接驱动器上面的HU,HV,HW 插孔;红线接REF+插孔,黑线接REF-插孔。
二,驱动器和电位器接线:蓝线(电位器短线)接驱动器上面的GND插孔黄线(电位器短线)接驱动器上面的AVI插孔红线(电位器短线)接驱动器上面的REF+插孔三,驱动器和速显装置:拖出来的红线(粗长线)一头接驱动器上面的HW插孔,另一头接速显装置的①接口拖出来的黑线(粗长线),一头接驱动器上面的ENBL插孔,另一头接速显装置的②接口。
速显装置电压设为220V,驱动器设为24V的电源。
速度快慢对应的是103接口。
另外,上位机接F/R这个接孔,便可实现电机正反转。
1)无刷电机驱动器GND端子与ENBL端子已经短接,这个相当于是一个模拟电压,通过RV端子就可以调节转数,顺时针旋转变大,逆时针变小。
(2)调节电机的正反转,把GND端子与F/R端子短接即可。
短接之后电机反转。
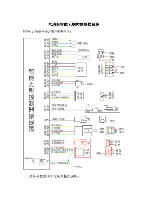
电动车智能无刷控制器接线图

电动车智能无刷控制器接线图下图所示为高标科技动控制器接线图:一、高标科技电动车控制器接线说明:1.电源输入:粗红色线为电源正端,黑色线为电源负端,细橙色线为电门锁。
2.电机相位(u、v、w输出):粗黄色线为U,粗绿色线为V ,粗蓝色线为W。
3.转把信号输入:细红色线为+5V电源,细绿色为手柄信号输入,细黑色线为接地线。
4.电机霍耳(A、B、C输入):细红色线为+5V电源,细黑色线为接地线。
细黄色线为 A,细绿色线为 B,细蓝色线为 C。
5.刹车(柔性EABS+机械刹):细黄色线为柔性EABS,细蓝色线为机械刹(高电平刹车:+12V),细黑色线为接地线(低电平刹车)。
6.传感器 : 细红色线为+5V电源,细黑色线为接地线, 细绿色线为传感器信号输入。
7.仪表(转速):细紫色线8.巡航:细棕色线9.限速:细灰色线10.自动识别开关线:细黄色线二、高标科技电动车控制器如何接线:分清楚每根线的作用,给控制供电的电源线(一般三根线用一个朔料插销弄在一起,其中最粗的两根是给控制器供电的、红+级、黑的-级,还一根细的红色的是电源锁线)2.转把(控制速度的),一般是三根细线、红、蓝、黑。
也是用朔料插销弄在一起的。
3.仪表线、速度线、刹车断电线。
一般仪表线和刹车断电线也是在一起的。
4.还有两个线,它们可以互相连接在一起的,那可以调节角度。
(60度和120度)5.三跟主相线,5跟细的(和电机里面霍尔连接的)一、高标科技电动车控制器接线说明:2.电源输入:粗红色线为电源正端,黑色线为电源负端,细橙色线为电门锁。
2.电机相位(u、v、w输出):粗黄色线为U,粗绿色线为V ,粗蓝色线为W。
3.转把信号输入:细红色线为+5V电源,细绿色为手柄信号输入,细黑色线为接地线。
4.电机霍耳(A、B、C输入):细红色线为+5V电源,细黑色线为接地线。
细黄色线为 A,细绿色线为 B,细蓝色线为 C。
5.刹车(柔性EABS+机械刹):细黄色线为柔性EABS,细蓝色线为机械刹(高电平刹车:+12V),细黑色线为接地线(低电平刹车)。
电动车无刷控制器电机线和霍尔线—接法
电动车无刷控制器电机线和霍尔线—接法针对目前控制器普通版本和标准版本需要对相序给出常觃接法 本公司智能自学习版本无需对相序 无刷电机为3相6拍控制 因此3根霍尔状态对应3根电机线6种输出状态 不同组合有36种接法 其中有6种接法能让电机运转正常 且这6种接法里有3种接法是正转另3种接法是反转。
所以我们有必要掌握接线觃则。
一 首先我们得让电机正常转起来 通常是霍尔插头直接插上 调整电机线。
以下给出6种觃律接法 必定有1种能让电机运转正常1》电机线蓝色对控制器蓝色电机线绿色对控制器绿色电机线黄色对控制器黄色2》电机线蓝色对控制器蓝色电机线绿色对控制器黄色电机线黄色对控制器绿色3》电机线黄色对控制器黄色电机线蓝色对控制器绿色电机线绿色对控制器蓝色4》电机线绿色对控制器绿色电机线蓝色对控制器黄色电机线黄色对控制器蓝色5》电机线蓝色对控制器黄色电机线黄色对控制器绿色电机线绿色对控制器蓝色6》电机线黄色对控制器蓝色电机线蓝色对控制器绿色电机线绿色对控制器黄色总结以上觃律我们可以编出一套顺口溜方便记忆一般控制器是放在上方的 电机是放在下方的 我们可以这么记忆1》颜色对颜色2》蓝对蓝 其它2色对调3》黄对黄 其它2色对调4》绿对绿 其它2色对调5》上蓝对下蓝 其它2色对调6》上黄对下蓝 其它2色对调霍尔有正有反 说明该电机是60°相位角 没有正反就是120°相位角。
你可按原样放入 可稍稍用502瞬间胶固定 将三个霍尔的正极和负极分别并联后与电机引出线中细的红、黑线相连焊接 注意绝缘 将三个霍尔的信号线分别与电机引出线中细的黄、绿 蓝线相连焊接 注意绝缘 。
二 以上接法能让电机运转正常 但不一定是正转 如果你要调成正转可将电机线A相C相对调 霍尔线A相B 相对调。
无刷电机相角的判断无刷电机的相角是无刷电机的相位代数角的简称 指无刷电机各线圈在一个通电周期里面线圈内部电流方向改变的角度。
电动车用无刷电机常见的相位代数角有120°与60°两种。
无刷电动车控制器接线说明
无刷电动车控制器接线说明1.电源输入粗红色线为电源正端黑色线为电源负端细橙色线为电门锁2.电机相位(u、v、w输出)粗黄色线为U 粗绿色线为V 粗蓝色线为W3.转把信号输入细红色线为+5V电源细绿色为手柄信号输入细黑色线为接地线4.电机霍耳(A、B、C输入)细红色线为+5V电源细黑色线为接地线细黄色线为A 细绿色线为B 细蓝色线为C5.刹车(柔性EABS+机械刹)细黄色线为柔性EABS;细蓝色线为机械刹(高电平刹车:+12V)细黑色线为接地线(低电平刹车)6.传感器细红色线为+5V电源细黑色线为接地线细绿色线为传感器信号输入7.仪表(转速):细紫色线8.巡航:细棕色线9.限速:细灰色线10.自动识别开关线:细黄色线PIC16F72智能型无刷电动车控制器使用方法和注意事项1、在接线前先切断电源,按接线图所示连接各根导线;2、该控制器应安装在通风、防水、防震部位。
3、控制器限速控制插头应放置容易操作的地方。
4、控制器接插件应接插到位,禁止将控制器电源正负极反接(即严禁粗红、细橙和粗黑;细红和细黑接反)。
5、电机模式自动识别:正确接好电动车控制器的电源、转把、刹把等线束,,将电机识别模式开关线(细黄)短接,打开电门锁,使电机进入自动识别状态,若电机反转则按一下刹车即可使电机正向转动,在控制器识别电机模式10秒后将电机识别模式开关线(细黄)直接断开即可完成电机模式自动识别。
6、1+1助力方向调整:在通电状态,将调速电阻从最大值调到最小值,再回到原始状态后,可将1+1助力的方向从正向模式切换到反向模式,再调整一次可从反向模式切换到正向模式,并将最终的模式存入单片机。
将电机的相线和霍尔线与控制器接好,然后给控制器供电,将电压调至直流+20V 的万用表的黑表笔与霍尔的负线相连,用红表笔依次去测量电机另三根霍尔线SA、SB、SC的电压,在测量每个霍尔线时都需要轻微转动电机,看看万用表的电压是否有在0~5V的范围内变化,有则证明霍尔元件完好,反之,则说明霍尔元件已损坏。
无刷电动车控制器接线方法剖析
无刷电动车控制器接线方法无刷电动车控制器接线说明1.电源输入粗红色线为电源正端黑色线为电源负端细橙色线为电门锁2.电机相位(u、v、w输出)粗黄色线为U 粗绿色线为V 粗蓝色线为W 3.转把信号输入细红色线为+5V电源细绿色为手柄信号输入细黑色线为接地线4.电机霍耳(A、B、C输入)细红色线为+5V电源细黑色线为接地线细黄色线为 A 细绿色线为 B 细蓝色线为 C5.刹车(柔性EABS+机械刹)细黄色线为柔性EABS;细蓝色线为机械刹(高电平刹车:+12V)细黑色线为接地线(低电平刹车)6.传感器细红色线为+5V电源细黑色线为接地线细绿色线为传感器信号输入7.仪表(转速):细紫色线8.巡航:细棕色线9.限速:细灰色线10.自动识别开关线:细黄色线PIC16F72智能型无刷电动车控制器使用方法和注意事项1、在接线前先切断电源,按接线图所示连接各根导线;2、该控制器应安装在通风、防水、防震部位。
3、控制器限速控制插头应放置容易操作的地方。
4、控制器接插件应接插到位,禁止将控制器电源正负极反接(即严禁粗红、细橙和粗黑;细红和细黑接反)。
5、电机模式自动识别:正确接好电动车控制器的电源、转把、刹把等线束,,将电机识别模式开关线(细黄)短接,打开电门锁,使电机进入自动识别状态,若电机反转则按一下刹车即可使电机正向转动,在控制器识别电机模式10秒后将电机识别模式开关线(细黄)直接断开即可完成电机模式自动识别。
6、1+1助力方向调整:在通电状态,将调速电阻从最大值调到最小值,再回到原始状态后,可将1+1助力的方向从正向模式切换到反向模式,再调整一次可从反向模式切换到正向模式,并将最终的模式存入单片机。
更多关于电动车维修请点击下面的链接电动车整车电气原理图电动机车故障维修手册电动车检测仪制作电动车综合检测仪制作电动车故障维修资料电动车三合一喇叭接线图电动车电机霍尔更换图解电动车维修电动车维修技术电动车故障维修无刷电机相角的判断无刷电机的接线方法电动车报警器(防盗器)的接法无刷电动车不能行走的故障检修控制器限流的检测方法怎样检测电机的霍尔好坏控制器缺相的检测电动车空载电流的测法怎样检测无刷控制器好坏无刷控制器的原理与维修无刷控制器好坏的测量方法无刷电动车控制器接线方法电动车闪光器电路图电动车电源转换器电路图电动车电源转换器接法电动车控制器维修电动车仪表维修电动车充电器维修三档变速控制器接线方法有刷电动车不能行走的故障检修电动车线路图大全#电动车故障维修电工特种操作证全国各省安全监督厅官方网砋:北京市:/Zs/TzZy.aspx?nav=2天津市:/tj/index.html#上海市:/tzzy/重庆市:/Backstage/chaxun.aspx河北省:http://110.249.219.99:7700/RS22/pub/pubQuery.jsp山西省:/list/?136_1.html辽宁省:/zscx.html吉林省:http://221.8.56.235/db/tyzs.asp黑龙江省:/app/dataquery/index.jsp江苏省:http://58.213.157.106/zjcx/zgzscx.aspx浙江省:/安徽省:/views/template/cx/110104010103.htm 福建省:/tzzy_sel.aspx?t=&name=&idcard=江西省:/affair/200.aspx山东省:http://61.142.209.43:81/SearchCertificate.asp河南省:/cxxt/index.htm湖北省:/sample/CardSearch.asp湖南省:/zjcx/广东省:/海南省:暂无四川省:http://118.122.114.164:8069/QuerySys/Query.aspx贵州省:/bsdt/xgbssx/grbs/tzzy/index.shtml云南省:/aprz/inc/search.asp陕西省:/mainindex.do?method=getMenusForWebServicePage&type=1甘肃省:/index.html青海省:/广西壮族自治区:/Error.html内蒙古自治区:/西藏自治区:/宁夏回族自治区:/file/index.html新疆维吾尔自治区:/以上是各省级安监局官网查询电工特种操作证的真实网址.各位网友可以根据自己所发证件归属省份进入相应的省级安监局查询.其中部分网址因为特殊地区无法查询.请谅解.电工入网操作证(国家能源局电力监管局)南方监管局::8085/cas/login(验证省份包括:广东广西贵州去南海南深圳)华东监管局:http://220.248.24.213/load.loadPage.d?page=index.xml&siteCode=dzfwpt (验证省份包括:上海江苏浙江安徽福建)目前只收集了南方与华东两所监管局含九省两市查询网址.华北,华中,西北,东北暂无.敬请谅解.与此同时.向吧主和吧管申请加精置顶.在此先行铭谢.。
智能无刷电动车控制器接线图
智能无刷电动车控制器接线图下图所示为高标科技六管精细驱动控制器接线图:一、高标科技电动车控制器接线说明:1.电源输出:粗红色线为电源正端,黑色线为电源负端,细橙色线为电门锁。
2.电机增益(u、v、w输入):粗黄色线为u,粗绿色线为v,粗蓝色线为w。
3.转回把信号输出:细红色线为+5v电源,细绿色为手柄信号输入,细黑色线为接地线。
4.电机霍耳(a、b、c输出):细红色线为+5v电源,细黑色线为接地线。
细黄色线为a,细绿色线为b,细蓝色线为c。
5.刹车(柔性eabs+机械刹):细黄色线为柔性eabs,细蓝色线为机械刹(高电平刹车:+12v),细黑色线为接地线(低电平刹车)。
6.传感器:粗红色线为+5v电源,粗黑色线为接地线,粗绿色线为传感器信号输出。
7.仪表(转速):细紫色线8.航行:粗棕色线9.限速:细灰色线10.自动识别控制器线:粗黄色线二、高标科技电动车控制器如何接线:分后确切每根线的促进作用,给掌控供电的电源线(通常三根线用一个朔料螺丝搬在一起,其中最细的两根就是给控制器供电的、红+级、白的-级,还一根粗的红色的就是电源锁线)2.转把(控制速度的),一般是三根细线、红、蓝、黑。
也是用朔料插销弄在一起的。
3.仪表线、速度线、刹车割断电线。
通常仪表线和刹车割断电线也就是在一起的。
4.还有两个线,它们可以互相连接在一起的,那可以调节角度。
(60度和120度)5.三跟主相线,5跟粗的(和电机里面霍尔相连接的)一、高标科技电动车控制器接线说明:2.电源输出:粗红色线为电源正端,黑色线为电源负端,细橙色线为电门锁。
2.电机增益(u、v、w输入):粗黄色线为u,粗绿色线为v,粗蓝色线为w。
3.转回把信号输出:细红色线为+5v电源,细绿色为手柄信号输入,细黑色线为接地线。
4.电机霍耳(a、b、c输出):细红色线为+5v电源,细黑色线为接地线。
细黄色线为a,细绿色线为b,细蓝色线为c。
5.刹车(柔性eabs+机械刹):细黄色线为柔性eabs,细蓝色线为机械刹(高电平刹车:+12v),细黑色线为接地线(低电平刹车)。