初中化学中考模拟试卷
2024初中化学中考高频考点真题模拟测试卷 (2921)

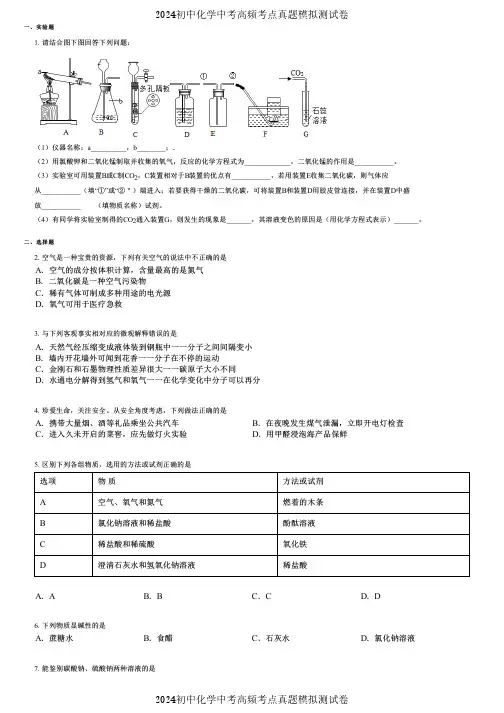
一、实验题二、选择题1.请结合下列实验装置,回答有关问题。
(1)写出图中仪器a 的名称:①_____。
(2)实验室用加热高锰酸钾制取并收集氧气,应选择的装置为②_____(填字母,下同),发生反应的化学方程式为③_____。
(3)实验室用石灰石与稀盐酸反应制取二氧化碳,应选择的发生装置为④_____。
有学生对此反应后的溶液感兴趣,他取适量反应后过滤的滤液,逐滴滴入碳酸钠溶液(碳酸钠溶液显碱性),并用pH 传感器连续监测,得到如图曲线图(纵坐标为pH,横坐标为时间)I .请分析图,写出AB 段内发生的化学反应方程式⑤_____。
Ⅱ.图中CD 段上升的原因你认为是⑥_____。
2. 中国芯片蚀刻技术国际领先。
NF 3进行硅芯片蚀刻时的产物均为气体,在蚀刻物表面不留任何残留物,该反应微观示意图如下。
下列说法正确的是A .上述四种物质均由分子构成B.该反应的化学方程式为C .反应前后各元素的化合价均不变D .空气中物质丁的质量分数为78%3. “中国高铁,世界第一”。
高铁列车车体材料使用了含镍不锈钢,工业上火法炼镍的原理之一是↑。
下列说法不正确的是A .含镍不锈钢的硬度大于纯铁B .火法炼镍不会对环境造成影响C .含镍不锈钢是一种铁合金D .该反应利用的是碳具有还原性4. 下列实验方案不合理的是选项实验目的实验方案A 除去氯化钠溶液中的氯化镁加入适量的氢氧化钠溶液、过滤B 稀释浓硫酸将浓硫酸沿器壁慢慢注入水中,并不断搅拌C用氯酸钾和二氧化锰制取氧气后,回收其中的二氧化锰将反应后的混合物溶解、过滤、蒸发结晶D 鉴别CO 、H 2、CH 4分别点燃,检验产物A .AB .BC .CD .D5. 节日期间的商场里顾客很多,有人会感觉到闷热缺氧,测定出氧气的体积分数可能是( )A .1%B .19%C .25%D .78%6. 甲、乙、丙有如图所示的转化(“→”表示反应一步实现,部分物质和反应条件已略去),下列不符合甲、乙、丙顺序要求的是( )A .硫酸、氢气、水B .碳酸钙、氧化钙、氯化钙C .过氧化氢、水、氧气D .碳、一氧化碳、二氧化碳7. 我国科学家最新研制出一种新型石墨烯-铝电池,手机使用这种电池,充电时间短,待机时间长。
2024初中化学中考高频考点必刷模拟卷 (720)

一、实验题二、选择题1. 如图1是实验室常用的装置,请根据要求回答问题:(1)实验室用氯酸钾和二氧化锰制取O 2的化学方程式为_____,选用的气体发生装置是_____(填装置序号),反应结束后,若要过滤分离出二氧化锰,除了玻璃棒外,还需要补充的玻璃仪器名称是____、____;(2)实验室可用氧化钙固体与浓氨水在常温下混合制取氨气(NH 3),选用的气体发生装置是_____(填装置序号);(3)如图2中的C 、D 、E 三种装置,均可用如图的F 装置代替。
若用图2中的F 装置进行排空气法收集CO 2、CO 2从F 装置的_____(填“a”或“b”,下同)口通入;若用F 装置进行排水法收集O 2,可先在F 装置中装满水,然后将O 2从F 装置的_______口通入;(4)将CO 2通入紫色石蕊溶液中,溶液变红色,加热后溶液又变成紫色。
用化学方程式表示加热后溶液又变成紫色的原因是__________。
2. 2020年世界环境日主题是“关爱自然,刻不容缓。
下列做法符合这一主题的是A .秸秆就地焚烧B .化肥大量施用C .废水任意排放D .垃圾分类回收3. 2017央视“3. 15”晚会曝光了部分企业使用对人体有致癌作用的喹乙醇(化学式C 12H 13N 3O 4)作为饲料添加剂。
下列关于喹乙醇的说法错误的是:A .由碳、氢、氧、氮四种元素组成B .碳、氧元素的质量比为3:1C .在氧气中燃烧可能生成COD .含量最多的元素是碳元素4. 学习化学的目的,就是善于用化学知识去分析解决生产生活中的问题。
从化学的角度看下列说法中正确的是A .夜晚发现液化气漏气立即开灯检查B .为了减少垃圾,将生活垃圾就地焚烧C .为提高粮食产量,大量使用化肥。
D .扑灭电器、图书档案着火,适宜的灭火器是液体二氧化碳灭火器5. 下列各组物质的溶液,必须另加其它试剂才能全部鉴别开来的一组是A .、、HClB .NaOH 、、C .、、D .、、HCl6. 将化学知识应用在生活中.其中建议正确的是A .洗发时.建议先用护发液.后用洗发液B .当炉具火焰黄色且冒黑烟,建议调小氧气门C .加油站防火,建议配用泡沫灭火器D .铁锅炖鱼后,建议涂食用油后放置7. 在一个密闭容器里放入四种物质,使其充分反应,测得数据如下:四种物质甲乙丙丁应前质量/g251515应后质量/g11未测122则下列表述正确的是( )A.未测值3gB.丙一定是催化剂C.乙全部发生了反应D.甲与乙反应的质量比为14:38. 归纳总结是学习化学的重要方法。
2024初中化学中考高频考点真题模拟测试卷 (3064)

一、实验题二、选择题1.请结合图下图回答下列问题:(1)仪器名称:a__________,b________;.(2)用氯酸钾和二氧化锰制取并收集的氧气,反应的化学方程式为_____________,二氧化锰的作用是___________。
(3)实验室可用装置B 或C 制CO 2,C 装置相对于B 装置的优点有___________,若用装置E 收集二氧化碳,则气体应从___________(填“①”或“②")端进入;若要获得干燥的二氧化碳,可将装置B 和装置D 用胶皮管连接,并在装置D 中盛放___________ (填物质名称)试剂。
(4)有同学将实验室制得的CO 2通入装置G ,则发生的现象是_______,其溶液变色的原因是(用化学方程式表示)_______。
2. 空气是一种宝贵的资源,下列有关空气的说法中不正确的是A .空气的成分按体积计算,含量最高的是氮气B .二氧化碳是一种空气污染物C .稀有气体可制成多种用途的电光源D .氧气可用于医疗急救3. 与下列客观事实相对应的微观解释错误的是A .天然气经压缩变成液体装到钢瓶中一一分子之间间隔变小B .墙内开花墙外可闻到花香一一分子在不停的运动C .金刚石和石墨物理性质差异很大一一碳原子大小不同D .水通电分解得到氢气和氧气一一在化学变化中分子可以再分4. 珍爱生命,关注安全。
从安全角度考虑,下列做法正确的是A .携带大量烟、酒等礼品乘坐公共汽车B .在夜晚发生煤气泄漏,立即开电灯检查C .进入久未开启的菜窖,应先做灯火实验D .用甲醛浸泡海产品保鲜5. 区别下列各组物质,选用的方法或试剂正确的是 选项物 质方法或试剂A 空气、氧气和氮气燃着的木条B 氯化钠溶液和稀盐酸酚酞溶液C 稀盐酸和稀硫酸氧化铁D 澄清石灰水和氢氧化钠溶液稀盐酸A .AB .BC .CD .D6. 下列物质显碱性的是A .蔗糖水B .食醋C .石灰水D .氯化钠溶液7. 能鉴别碳酸钠、硫酸钠两种溶液的是2024初中化学中考高频考点真题模拟测试卷A .酚酞试剂B .氯化钡溶液C .焰色反应D .硝酸银溶液8. 下列实验中,现象正确且可得到相应结论的是选项实验操作现象结论A把硫在空气中点燃,再伸进充满氧气的集气瓶里硫在空气中燃烧发出淡蓝色火焰,在氧气中燃烧发出蓝紫色火焰硫在空气中燃烧生成SO 2,在氧气中燃烧生成SO 3B将带火星的木条置于一瓶盛有氧气的集气瓶口上方木条不复燃O 2能支持燃烧C高温条件下,将CO 通入Fe 2O 3粉末黑色粉末变为红色可利用CO 的还原性来炼铁D 在电解器的玻璃管中加满水,接通直流电源正负两极玻璃管中产生气体的体积比是1:2水是化合物,可分解A .AB .BC .CD .D9. 光气(COCl 2)是一种重要的化工原料,与水反应前后分子种类变化的微观示意图如下:下列说法错误的是A .甲中碳与氯的原子个数比为1:2B .乙的相对分子质量为18C .甲、乙、丙、丁中有两种属于氧化物D .生成的丙与丁的分子个数比为1:110. 氮化镓(GaN )是第三代半导体材料的典型代表。
初中化学中考模拟试题1

化学模拟试题(一)班姓名座号总分一.选择题(将唯一正确答案序号填入下表,共40分)A.化合物B.氧化物C.单质D.混合物2.下列变化中,不属于化学变化的是A.铁生锈B.镁带燃烧C.空气液化D.火药爆炸3.下列性质中,不属于性质的是A.氢气具有可燃性B.二氧化碳能使澄清石灰水变浑浊C.氢气比氧气密度小D.碱式碳酸铜爱热分解4.下列物质中含氧分子的是A.二氧化锰B.二氧化硫C.高锰酸钾D.空气5.保持水的化学性质的最小微粒A.氧原子B.氢原子C.氧分子D.水分子6.空气的成分中,体积分数最大的是A.稀有气体B.二氧化碳C.氧气D.氮气7.下列操作正确的是A.先将试管直立,再投入锌粒B.用酒精灯的焰心给物质加热C.用剩的药品,放回原瓶D.称量干燥的药品前,两边托盘各放一张质量相同的纸8.硫在氧气中燃烧,火焰的颜色为A.蓝紫色B.浅蓝色C.红色D.黄色9.地壳中含量最多的金属元素是A.铁B.铝C.硅D.氧10.下列物质中属于氧化物的是A.H2SO4B.P2O5C.KClO3 D.O211.一种元素与另一种元素的本质区别是A.相对原子量B.电子数C.中子数D.核电荷数12.原子核外电子总数,等于原子核内A.中子数B.质子数C.相对原子量D.质子、中子数和13.下列物质排放到空气中,不污染空气的是A.氢气在空气中燃烧的产物B.一氧化碳C.二氧化碳D.二氧化硫14.下列反应不属于分解、化合、置换反应的是A.C+H2O=====H2+CO B.NH4HCO3=====NH3↑+H2O+CO2↑C.C2H5OH+3O2=====H2O+2CO2D.2Cu+O2=====2CuO15.下列关于过氧化氢(H2O2)的叙述正确的是A.过氧化氢是由氢气和氧气组成B.过氧化氢是由一个氢分子和一个氧分子组成C.过氧化氢是由氢元素和氧元素组成D.过氧化氢是由二个氢原子和二个氧原子构成16.某元素R氧化物的化学式为R2O3,该化合物中,R与O的质量比为9:8,则R 的原子量为:A.56 B.27 C.24 D.1317.氧化物的化学式为A x O y,式量为M,则A的原子量为A.yyM16-B.xyM16-C.xMy-16D.M-16y18.O2表示氧气,还可以表示①氧元素②一个氧分子③二个氧元素④氧气由氧元素组成⑤二个氧原子构成一个氧分子⑥二个氧原子A.①②③B.②④⑤C.②④⑥D.①④⑤19.要使Fe3O4与Fe2O3含有相同质量的铁元素;则它们的质量比为A.2:3 B.1:1 C.29:30 D.42:2920.某金属氧化物的式量为m,对应氯化物的式量为n。
2024初中化学中考高频考点真题模拟测试卷 (3690)

一、实验题二、选择题1. 过氧化氢在催化剂作用下可迅速分解成水和氧气,若再加入发泡剂按如图所示进行实验,量筒中涌出柱状的泡沫,可形象地称为“大象牙膏”。
实验一:小组想探究温度、过氧化氢的浓度分别对该反应速率的影响,设计了如下表格:实验序号温度过氧化氢浓度待测数据125℃10%255℃10%325℃30%(1)上述表格中待测数据可能是_________。
(2)比较实验1和2,可以探究_________对反应速率的影响。
实验二:小明提出用变质的食品干燥剂和厕所清洁剂也可以模仿“大象牙膏”实验。
查阅资料:食品干燥剂的主要成分是:氧化钙厕所清洁剂的主要成分是:盐酸(1)食品干燥剂变质后会产生碳酸钙与厕所清洁剂反应,才会有气泡产生。
氧化钙变质过程会_____(填“放热”或“吸热”)。
(2)实验结束后,需要检验溶液中是否还有盐酸存在,下列方案中能达到实验目的的是_________(填正确的序号)。
①向反应后的溶液中滴加紫色石蕊,观察溶液是否变红。
②向溶液中滴加硝酸银溶液,观察是否有_________。
③加入锌片观察是否有无色气泡产生,请写出相应的化学反应方程式_________。
2. 下列操作中不能达到实验目的是A .鉴别:硬水和软水加入肥皂水,振荡,观察现象B .除杂:NaCl 中混有 Na 2CO 3 加入适量稀盐酸C .检验:NaOH 是否变质一加水溶解,滴加酚酞,观察现象D .分离:MnO 2 和 KCl 固体加水溶解、过滤、洗涤、烘干、蒸发3. 亚硝酸钾(KNO 2)是常用的护色剂,适当添加可以使食物色泽亮丽。
亚硝酸钾中氮元素的化合价为A .-3B .+1C .+3D .+54. 将足量的稀盐酸、稀硫酸分别加入装有等质量CaCO 3粉末的容器中,相同条件下测得两者产生的CO 2体积(V )与反应时间(t )的关系如图所示。
下列判断正确的是A .两个容器内最终产生CO 2的量不相等B .100s 时,反应I 、II 中消耗的酸中氢元素的质量可能相等C.反应II中,0~100s内产生的CO2体积比100~200s内的少5amLD.实验室可以用一定浓度的稀硫酸与CaCO3粉末反应制备CO25. 2023年6月5日世界环境日中国主题是“建设人与自然和谐共生的现代化”。
中考化学模拟考试卷(有答案)

【实验探究】实验结束后,小华同学将试管丙中物质过滤,把所得滤液与试管丁中的溶液倒入一个干净的烧杯中混合,过一会儿先有气泡冒出,后有白色沉淀生成,从而确定混合前试管丁中溶液的溶质是______(填化学式)。
27. 实验室里现有高锰酸钾、石灰石、稀硫酸和稀盐酸,以及下列装置,请根据所学知识回答下列问题:
(1)仪器a的名称是______。
(2)请写出利用上述仪器和药品制取氧气的化学方程式______,若选用F装置收集氧气,应使气体从______(填“左”或“右”)端导管通入。
(3)利用A装置和上述药品制二氧化碳时,你选择的药品为______,长须漏斗末端要伸入液面以下的原因是______,选样的收集装置是______(填装置下方的字母),检验二氧化碳己收集满的方法是______。
C.化学与安全
D.化学与生活
①在加油站张贴“严禁烟火”的安全标志
②室内起火时,如果打开门窗,火反而会燃烧得更旺
①打开汽水瓶盖时,由于压强减小,气体 溶解度变大,汽水会喷出
②干冰作制冷剂,可用于食品冷藏保鲜
A. AB. BC. CD. D
10. 以下对实验的相关分析,错误的是( )
A. 过滤液体时发现滤液浑浊,可能的原因是滤纸破损
(1)2个汞原子______。
(2)碘酒中的溶剂______。
(3)标出硝酸中氮元素的化合价______。
17. 化学在保证人类生存和提高生活质量方面起着重要的作用。请回答下列问题:
(1)饺子是中国的传统美食之一,制作饺子的原料有小麦粉,小麦物中富含的营养素是______,馅料中常添加铁强化酱油,铁元素属于人体所需的______(填“常量”或“微量”)元素。
初中化学中考模拟试题一
中考模拟试题一一、选择题(每小题只有一个正确答案)1.下列变化中,属于化学变化的是[ ]A.用自来水制蒸馏水B.用木材制桌椅C.用液态空气制氧气D.用高锰酸钾制氧气2.下列物质中,属于纯净物的是[ ]A.稀硫酸B.胆矾C.碘酒D.空气3.根据常见元素的化合价,下列物质的化学式(括号内)书写错误的是[ ]A.氧化镁(MgO) B.氯化铝(AlCl) C.硫酸亚铁(FeSO4) D.氧化钠(Na2O)4.生活中处处有化学。
请你根据所学过的化学知识,判断下列说法中错误的是()A. 医疗上常用体积分数为70~75%的酒精作消毒剂B. 为防止流感传染,可将教室门窗关闭后,用食醋熏蒸进行消毒C. 氯化钠是家庭常用的防腐剂,可用来腌制食品D. 使用液化石油气可以杜绝厨房污染4.盐是一类物质,有的能食用,有的不能食用。
误作食盐使用会引起中毒死亡的是[ ]A.NaNO3B.Na2CO3C.KCl D.NaNO25.如果人体内的CO2不能顺利排出体外,人体血液的pH会[ ]A.变大B.变小C.不变D.先变大后变小6.下列情况中,会引起大气污染的是①燃烧氢气②燃烧烟煤③工业废气的排放④植物光合作用⑤燃放鞭炮⑥飞机、汽车尾气的排放[ ]A.①②③⑤B.②③⑤⑥C.②③⑤⑥D.②③④⑤7.下列说法中,正确的是[ ]A.复分解反应的产物都是化合物B.化合反应的反应物都是单质C.有单质生成的反应一定是置换反应D.化合物加热时才能发生分解反应8.下列叙述中,错误的是[ ]A.同种物质制取的方法不一定相同B.式量相同的物质不一定是同种物质C.同种元素组成的物质不一定是同种物质D.同种分子组成的纯净物,其化学性质不一定相同9.下列各组中的气体可以用同一种方法收集的是[ ]A.H2、O2、CO2B.H2、O2、CO C.CH4、CO2、CO D.H2、CH4、CO210.下列实验操作中,正确的是[ ]A.实验用剩的药品应放回原试剂瓶B.给烧杯加热时,要垫上石棉网C.向燃烧着的酒精灯里添加酒精D.给盛满液体的试管直接加热11.下列4种物质中,有1种物质能和其他3种物质发生反应,该物质是[ ]A.石灰石B.稀盐酸C.硝酸银溶液D.烧碱溶液12.用固体氢氧化钠配制50克20%的氢氧化钠溶液时,有①溶解、②称量、③计算、④量取等步骤。
中考化学模拟卷(带有答案)
—燃着的木条中考化学模拟卷(带有答案)相对原子量 C 12 H 1 O 16 N 14 S 32 Zn 65第I 卷(选择题 共40 分)一、选择题(本题包括12小题,共40分。
1至8每小题3分,9至12每小题4分,只有一个....选项符合题意)1.物质的变化无处不在,下列过程中有一种变化与其他变化不同的是( )A. 生石灰制熟石灰B. 由二氧化碳制干冰C. 高粱制成烧酒D. 百炼成钢2.实验是学习化学的主要手段,正确的实验操作对实验结果、人身安全十分重要,其中下列图示实验操作中,不正确...的是( )A. 检查装置的气密性B. 稀释浓硫酸C. 二氧化碳的验满D. 倾倒液体药品 3.物质的用途与性质二者密切相关,下列叙述中不正确...的是( ) A. 氮气常用作保护气,是由于氮气的化学性质不活泼B. 铁制栏杆表面常涂“银粉漆”(铝粉)防生锈,是由于铝的化学性质比铁稳定C. 用食醋浸泡可除去热水瓶内的水垢,食醋具有酸性D. 活性炭能够除去冰箱中的异味是因为活性炭具有吸附性4.2018年我市被评为首批“国际湿地城市”,为了让市民主动参与打造“城市,让生活更美好”。
下列叙述中不正确...的是( ) A. 处理废水时,利用明矾溶于水后生成的胶状物对杂质吸附、沉降 B. 利用可降解的“玉米塑料”替代一次性饭盒,可防止产生白色污染 C. 我市的地标性建筑物使用的钢筋混凝土属于有机高分子化合物 D. 为净化空气在汽车尾气处理中,用催化剂促进有害气体的转化5.“见著知微”是化学学科的重要特点,它是通过宏观现象的观察,思考,推理,建立 起对微观粒子的认识。
下列叙述不正确...的是( ) A. 电解水生成氢气和氧气,说明水是由氢分子和氧分子构成的。
B. 洗衣服一会儿能晾干,说明分子是不断地运动。
C. 盐酸和硫酸具有相似的化学性质,说明它们的溶液中都含有氢离子D. 碳酸钠溶液也能使无色酚酞溶液变为红色,说明它的溶液中也含有氢氧根离子6.2020年3月28日四川省木里发生火灾,在灭火过程中造成多名扑火英雄献出了宝贵的生命,下列说法不正确...的是( )A. 设立隔离带是为了清除可燃物B. 若林火爆燃可能是地表腐质层释放出大量可燃性气体所致C. 若山风带入冷空气,起不到森林灭火的作用D. 人工降雨是使可燃物的着火点降低7.2020突如其来的新冠病毒严重影响了我们的开学日期,医学界专家研究了多种治疗方案,如抗病毒治疗,就是建议利巴韦林(C8H12N4O5)与干扰素联合应用。
初中化学中考模拟试题(附参考答案解析)
初中化学中考模拟试题(附参考答案解析)本试卷分第Ⅰ卷(选择题)和第Ⅱ卷(非选择题)两部分,满分50分。
考试时间60分钟。
相对原子质量:H-1 C-12 N-14 O-16 S-32 Ca-40 Fe-56 Cu-64第Ⅰ卷(选择题共20分)一、选择题(本题包括20小题,每小题1分,共20分。
每小题只有一个选项符合题意)1.“关爱生命,拥抱健康”是永恒的主题。
下列做法不利于人体健康的是( )A.用甲醛溶液浸泡海产品,以防其变质B.多食水果和蔬菜,给人体补充维生素C.胃酸过多的人应少喝汽水D.向易变质食品的包装袋中充入氮气2.分类是一种行之有效,简便易行的科学方法。
下列物质的俗称、化学式、类别三者一致的是( )A.苛性钠、Na2CO3、盐B.干冰、H2O、氧化物C.生石灰、Ca(OH)2、碱D.水银、Hg、单质3.下列物质露置于空气中,因发生化学变化而使其质量增加的是( )A.浓硫酸B.烧碱溶液C.浓盐酸D.过氧化氢溶液4.关于分子和原子两种粒子的叙述正确的是( )A.同种原子可能构成不同分子B.物质只能由分子、原子构成C.化学变化中分子数目一定发生变化D.分子质量一定大于原子质量5.如图所示的密闭实验装置,当胶头滴管内的液体滴下与固体接触时,液面a比液面b高,但过一段时间U形管内的液面又回到持平的一组固体和液体组合是( )A.食盐和水B.石灰石和稀盐酸C.固体氢氧化钠和水D.硝酸铵和水6.下列化学反应中,属于分解反应的是( )A.S+O2 SO2B.3C+2Fe2O3 4Fe+3CO2↑C.2KMnO4 K2MnO4+MnO2+O2↑D.CuSO4+BaCl2 BaSO4↓+CuCl27.正确的实验操作对实验结果、人身安全非常重要。
下列实验操作错误的是( )8.下列化学肥料中,属于复合肥料的是( )A.NH4NO3B.NH4H2PO4C.KClD.K2SO49.下列生活用品所使用的主要材料属于有机合成材料的是( )A.真丝围巾B.陶瓷餐具C.塑料保鲜膜D.红木家具10.下列有关化合价的叙述正确的是( )A.化合价与原子最外层电子数无关B.氨气(NH3)中氮元素的化合价为+3C.氧气中氧元素的化合价为-2D.有些元素在不同条件下可表现出不同的化合价11.人们在工作、生活中的下列做法不安全的是( )A.液化石油气泄漏时,立即关闭气瓶阀门并开窗通风B.霉变的花生先用水漂洗,再煮熟后食用C.酒精灯内的酒精洒出燃烧时,立即用湿抹布盖灭D.燃放烟花爆竹时远离人群和可燃物12.下列物质的用途与性质对应错误的是( )物质用途性质A 二氧化碳作气体肥料二氧化碳既不燃烧也不支持燃烧B 熟石灰改良酸性土壤熟石灰能与酸发生中和反应C 氮气用于食品防腐氮气的化学性质较稳定D 洗洁精洗涤油污洗洁精具有乳化作用13.图A为镁原子的结构示意图,图B为镁元素在元素周期表中的部分信息。
2023年初中化学中考冲刺模拟试卷(含解析)
2023年初中化学中考冲刺模拟试卷(含解析)一、单选题1.下列属于非金属元素的是A.镁Mg B.铝Al C.硫S D.钛Ti 2.下列变化属于物理变化的是A.酒精挥发B.天然气燃烧C.牛奶变酸D.菜刀生锈3.强化安全意识,提升安全素养。
下列做法不正确的是A.珍爱生命,拒绝毒品,远离烟草B.过量使用食品添加剂对身体无害C.冬天用木炭烤火取暖时打开窗户保持空气流通D.如果遇到火灾,要用湿毛巾捂住口鼻,蹲下靠近地面或沿墙壁跑离着火区域4.建立模型是学习化学的重要方法下列建立的化学模型中正确的是()A.溶液的性质模型B.镁原子的结构模型C.物质的分类模型D.氧化反应与复分解反应的关系模型5.下列做法不会危害人体健康的是A.用甲醛溶液浸泡海鲜B.用75%的酒精给皮肤消毒C.用霉变的花生榨油D.用聚氯乙烯包装食品6.下列指定反应的化学方程式及化学反应类型都正确的是6HCl+ Fe O=2FeCl+ 3H O复分解反应A.用稀盐酸除铁锈:2332B .双氧水制取氧气:2222H O =H O ↑+↑分解反应C .不用铁桶配制波尔多液的原因:()42432Fe + 3CuSO = Fe SO 3Cu+置换反应D .磷在氧气中燃烧:525P2O P O 点燃+化合反应7.酒精和香水气味不同。
从分子性质的角度解释,其原因是A .分子不断运动B .分子不同,性质不同C .分子之间有间隔D .分子可以再分8.下列包含化学变化的是A .食盐蒸发B .甘蔗榨汁C .粮食酿酒D .白醋挥发9.水,滋润万物,与人们的生产生活息息相关,下列有关水的说法不正确的是()A .活性炭不能将硬水转化成软水B .电解水得到的氢气和氧气质量比约为2:1C .水能溶解很多种物质,是一种最常用的溶剂D .利用洗洁精的乳化作用可洗涤餐具上的油污10.下列区分物质的试剂或方法正确的是A .用水区分生石灰和硝酸铵固体B .用食盐水区分硬水和软水C .用石蕊溶液区分稀硫酸和稀盐酸D .用闻气味的方法区分氧气和一氧化碳11.“水华”现象使水体变绿。
- 1、下载文档前请自行甄别文档内容的完整性,平台不提供额外的编辑、内容补充、找答案等附加服务。
- 2、"仅部分预览"的文档,不可在线预览部分如存在完整性等问题,可反馈申请退款(可完整预览的文档不适用该条件!)。
- 3、如文档侵犯您的权益,请联系客服反馈,我们会尽快为您处理(人工客服工作时间:9:00-18:30)。
初中化学中考模拟卷第I卷(选择题)本试卷第一部分共有13道试题。
一、单选题(共13小题)1. 下列实验设计不能达到实验目的是(选项以表格内容为准)()A .实验设计:;实验目的:红磷燃烧测定空气中氧气的含量B .实验设计:;实验目的:探究石蜡中含有氧元素C .实验设计:;实验目的:验证氢气的密度比空气小D .实验设计:;实验目的:证明石墨具有导电性2. 某工地发生多人食物中毒,经化验为误食工业用盐硝酸钠(NaNO3)所致,NaNO3中氮元素的化合价是()A.+2B.+3C.+4D.+53. 对下列实验现象的描述中,与实验事实不相符的是()A.硝酸铵在水中溶解时溶液温度降低B.盐酸与铁锈反应后溶液呈浅绿色C.二氧化碳通入澄清石灰水中溶液变浑浊D.硫磺在氧气中燃烧发出蓝紫色火焰4. 关注健康,预防疾病。
下列叙述错误的是()A.人体胃液正常的pH范围在0.9—1.5B.人体缺乏维生素A会引起坏血病C.香烟的烟气中含多种对人体有害的物质D.人体缺碘会引起甲状腺肿大,碘过量也会引起甲状腺肿大5. 根据下图所示的实验现象,下列判断错误的是()A.①②说明物质燃烧需要氧气B.①说明白磷的着火点不高于80℃C.烧杯中的热水只起提高温度的作用D.①③说明两种可燃物的着火点不同6.下列有关氧气的说法正确的是 ( )A.氧气可用于炼钢 B.氧气难溶于水可用排水法收集C.氧气能燃烧有可燃性 D.同温同压下氧气密度比空气小7.国际互联网上报道“目前世界上约有20亿人患有缺铁性贫血”,这里的“铁”是指( )A.四氧化三铁 B.铁单质 C.氧化铁 D.铁元素8.市政府有关部门提醒大家,冬季燃煤要特别注意室内通风,以免造成人员中毒。
这里的有毒气体主要是指( )A.二氧化碳 B.氮气 C.一氧化碳 D.氧气9. 某同学梳理归纳了以下知识点:①用水灭火的原理是降低了可燃物的着火点;②红磷在空气中燃烧产生大量白雾;③“粗盐中难溶性杂质的去除”的实验中,当蒸发皿中出现较多固体时,停止加热;④防毒面具的原理是利用活性炭的强吸附性;⑤洗涤剂能去除油污是因为洗涤剂可以溶解油污;⑥日常生活中的塑料、合成纤维和合成橡胶都属于合成材料,其中正确的组合是()A .①⑤⑥B.②④⑤C.③⑤⑥D.③④⑥10. 某“塑化剂”的化学式为C24H34O4,下列说法正确的是()A.该“塑化剂”不属于有机高分子化合物B.该“塑化剂”中碳、氢、氧三种元素的质量比为12:17:2C.该“塑化剂”中碳的质量分数为24%D.该“塑化剂”由24个碳原子、34个氢原子、4个氧原子构成11. 如图是某元素的原子结构示意图和该元素在元素周期表中的单元格,下列说法不正确的是()A.该元素属于金属元素B.该原子在化学变化中容易失去电子C.该原子的大小主要决定于核外电子的运动空间D.该原子的质量由构成其原子的质子和电子决定12. 化学小组设计实验探究碳酸钠、碳酸氢钠与盐酸反应过程中的吸、放热情况。
操作步骤为:①向试剂1中加入试剂2,搅拌、测温②静置、测温③再加入试剂3,搅拌、测温、记录。
得到以下数据:下列说法中,不正确的是()A.碳酸钠溶水时放出热量B.碳酸氢钠溶水时吸收热量C.其它条件相同时,碳酸氢钠溶液与盐酸混合时放出的热量更多D.实验中,若同一列试剂的温度及所取的量不同,则实验结论的可信度降低13. 某同学对下列四个实验都设计了两种方案,其中方案1合理、方案2不合理的是()A.①B.②C.③D.④第II卷(非选择题)本试卷第二部分共有9道试题。
二、解答题(共1小题)14.(1)金属资源面临枯竭,保护金属资源的有效途径之一就是回收再利用,请说出回收废旧金属的好处.(答一点即可)(2)除回收再利用外,你还知道保护金属资源的有效途径有哪些?(答两点即可)三、填空题(共4小题)15.空气、水是人类赖以生存的自然资源。
(1)空气中含有氮气、氧气、稀有气体等,是一种(填物质类别),人类时刻都离不开空气,是因为空气中的氧气能;(2)天然水中含有许多杂质,将天然水变成纯水的方法是,利用蒸发原理可以从海水中提取食盐,实验室蒸发食盐水时用到的仪器有(填序号)。
①带铁圈的铁架台②酒精灯③漏斗④玻璃棒⑤量筒⑥蒸发皿16.南京青奥会组委会承诺,保证2014年8月有一个“符合国际赛事标准的环境”。
(1)防止“雾霾围城”主要控制空气中(填字母序号)的增加。
A.二氧化碳B.一氧化碳C.二氧化硫D.可吸入颗粒物(2)欲使燃料的充分燃烧通常考虑要有足够的空气和,化石燃料燃烧时排放出的或其在空气中反应后的生成物溶于雨水,会形成酸雨。
目前被认为是理想、清洁的高能燃料是。
(3)下图是自然界碳、氧循环示意图。
a.图中③表示自然界中消耗二氧化碳的主要途径,其名称为。
b.按序号和规定的反应类型完成下列化学方程式17.现有碳、二氧化碳、水、碳酸钙、稀盐酸、硫酸铜溶液、氢氧化钠溶液七种物质,请按下列要求写出相应的化学方程式。
(每种物质不能重复使用)(1)有碳单质参与的化合反应________。
(2)分解反应________。
(3)实验室制取氢气的反应________。
(4)有蓝色沉淀生成的反应________。
18.化合物A、B、C都含三种元素,其中两种元素的质量比均为1:2.它们之间有如图所示的关系,在图示的三个化学反应中(“→”表示转化关系):一个反应有沉淀生成,另一个反应有气体生产,还有一个反应既有沉淀又有水生成.请回答下列问题:(1)写出A的化学式________________;(2)写出B→C反应的化学方程式_______________________________________.四、计算题(共1小题)19.某化学研究小组为了测定一工厂废水中硫酸的溶质质量分数,取100克废水置于烧杯中,加入100克一定质量分数的硝酸钡溶液恰好完全反应(废水中其它成分不与硝酸钡反应)。
反应后过滤,将得到的沉淀洗涤、干燥、称重,称得质量为2.33克。
(化学反应方程式为:Ba(NO3)2+H2SO4=BaSO4↓+2HNO3)请计算:(1)完全反应后烧杯内剩余的溶液质量为克。
(2)100克废水中硫酸的溶质质量分数是多少?五、实验题(共2小题)20.现有下列仪器或装置,请回答下列问题:(1)仪器①的名称是____________,②的名称是_____________。
(2)用上图仪器组装成气体发生装置:用KClO3和MnO2制O2应选的装置是____(填字母);用废铁屑与稀盐酸反应制取H2,并控制产生H2的速率,应选_____(填字母)。
(3)若用右图装置进行“排空气法”收集制取的O2,氧气应从________(填“b”或“c”)端导入。
若瓶中装满水,用排水法收集氧气,氧气应从______(填“b”或“c”)端导入。
(4)若用F装置进行CO还原Fe2O3的实验,a处的现象为__________________;该装置中气球的作用是_______________________________。
21.有一种神奇的蜡烛,点一任你怎么吹也吹不灭,而且看上去和普通的蜡烛一模一样,那么到底是什么玄机能让蜡烛持续燃烧?请你一起参与探究.查阅资料:普通蜡烛由石蜡和蜡烛芯制成,而吹不灭的蜡烛是在蜡烛芯上包裹一层打火石的粉末,打火石是由某种金属掺入少量稀土元素制成的合金,它的着火点只有150℃,当蜡烛燃烧时,金属并不燃烧;但当蜡烛吹灭后,未冷却的金属接触到氧气就发生燃烧,从而使蜡烛复燃.老师告诉同学们,蜡烛芯内打火石中的某种金属可能是镁、铁或铜中的一种,为确定该金属的成分,大家设计了以下实验方案,请你填空和回答有关问题(注:不考虑打火石中稀土元素对探究金属性质的影响).反思交流:(1)实验2中反应的化学方程式为.(2)这种蜡烛燃烧时,蜡烛芯里的金属为什么不燃烧?.(3)这种“吹不灭”的蜡烛实际上也可以熄灭,你采用的方法是.六、推断题(共1小题)22.兴趣小组的同学对暗紫色固体A进行实验探究:(1)写出下列物质的化学式:A__________;C__________; G__________;E_________。
(2)写出B→E反应的化学式表达式___________________________________________;写出固体C和无色溶液混合后反应的化学式表达式___________________________。
其中固体C的作用是_______________。
答案部分1.考点:空气的主要成分及用途碳的结构、性质及用途质量守恒定律试题解析:A.红磷燃烧生成固体,消耗瓶内的氧气,所以瓶内产生压强差,冷却后打开止水夹,进入水的量即氧气的量,故A正确;B.把干而冷的烧杯罩在蜡烛火焰上方,收集到水雾,只能验证蜡烛中含有氢元素,氧元素有可能来自空气中的氧气,故B错误;C.充满氢气的肥皂泡上升,说明氢气的密度比空气小,故C正确;D.把石墨联在电路上,灯泡发亮,说明石墨能导电,故D正确。
答案:B2.考点:化合价试题解析:根据已有的知识进行分析,在化合物中,各元素正负化合价的代数和为零,钠元素的化合价为+1,氧元素的化合价为﹣2,设氮元素的化合价为x,则有(+1)+x+(﹣2)×3=0,解得x=+5,答案:D3.考点:常见的酸和碱试题解析:A.硝酸铵溶于水时吸热,使溶液温度显著降低,故A说法正确;B.盐酸与铁锈反应生成氯化铁和水,氯化铁溶液是黄色不是浅绿色,故B说法错误;C.二氧化碳与氢氧化钙反应生成碳酸钙和水,所以二氧化碳通入澄清石灰水中溶液变浑浊,故C说法正确;D.硫磺在氧气中燃烧现象:发出明亮的蓝紫色火焰,生成有刺激性气味的气体,放出热量,故D说法正确。
答案:B4.考点:化学物质对人体的危害人体的元素及营养素试题解析:A项,人体胃液正常的pH范围在0.9﹣1.5 之间。
B项,人体缺乏维生素A会引起夜盲症,不是坏血病。
C项,香烟的烟气中含一氧化碳、焦油等对人体有害的物质,所以吸烟对人体健康有害。
D项,碘是合成甲状腺激素的主要元素,缺乏会患甲状腺肿大,过量也会引起甲状腺肿大。
答案:B5.考点:燃烧和灭火、防爆燃烧条件探究试题解析:A项,①②说明物质燃烧需要氧气是正确的叙述;B项,①说明白磷的着火点不高于80℃是正确的叙述;C项,错误的叙述,烧杯中的热水即起提高温度的作用,又起到隔绝空气的作用;D项,①③说明两种可燃物的着火点不同是正确的叙述,因为二者所处的环境相同,只是物质的种类不同。
答案:C6.考点:质量守恒定律化合价物质的分类试题解析:A、在该反应中有一氧化碳、一氧化氮、二氧化碳三种氧化物,故A正确;B、由微观图可知,反应物的每四个分子变化成了3个分子,反应前后分子的数目发生了变化,故B错误;C、反应过程中有单质氮气生成,故C错误;D、由方程可知,生成物中有单质生成,反应前后一定有元素。