塔吊基础葛屿(拟报2)
格构柱塔吊基础施工方案

杭政储出【2009】108号地块商业金融兼教育科研用房东侧塔吊基础施工补充方案编制:审核:审批:浙江广诚建设有限公司二0一二年七月第一章编制依据塔基专项施工方案编写依据7.20下午专家论证意见地质勘察报告《钢结构设计规范》GB 50017-2003杭州新天地综合体E地块岩土工程勘察报告杭建监总(2012)13号文件“塔式起重机安全规程”GB5144-2006“塔式起重机技术条件”GB/T 5031-2008“建筑机械使用安全技术规程”JGJ33-2001“施工现场临时用电安全技术规范”JGJ46-2005“建筑桩基技术规范”JGJ94-2008“固定式塔式起重机基础技术规程”DB33/T1053-2008“建筑施工塔式起重机安装、使用、拆卸安装技术规程”JGJ196-2010“钢结构工程施工质量验收规范”GB50205-2001“钢筋焊接验收规程”JGJ18-2003“塔式起重机砼基础工程技术规程”JGJ/T187-2009“建筑施工安全检查标准”JGJ59- 2011)塔吊使用说明书“关于加强建筑起重机械租赁、安装拆卸和使用安全管理的若干意见”杭建监总[2010]33号第二章计算书基本参数1、塔吊基本参数塔吊型号:QT80A;标准节长度b:3m;塔吊自重Gt:449kN;塔吊地脚螺栓性能等级:高强10.9级;最大起重荷载Q:60kN;塔吊地脚螺栓的直径d:36mm;塔吊起升高度H:40m;塔吊地脚螺栓数目n:16个;塔身宽度B: 1.6m;2、格构柱基本参数格构柱计算长度lo:18.6m;格构柱缀件类型:缀板;格构柱缀件节间长度a1:0.5m;格构柱分肢材料类型:L140x12;格构柱基础缀件节间长度a2:1.5m;格构柱钢板缀件参数:宽400mm,厚12mm;格构柱截面宽度b1:0.48m;格构柱基础缀件材料类型:L140x12;3、基础参数桩中心距a:1.5m;桩直径d:0.8m;桩入土深度l:10.6m;桩型与工艺:泥浆护壁钻(冲)孔灌注桩;桩混凝土等级:C35;桩钢筋型号:HRB335;桩钢筋直径:20mm;钢平台宽度:1.98m;钢平台厚度:0.04m;钢平台的螺栓直径:36mm;钢平台的螺栓数目:16个;钢平台的螺栓性能等级:高强10.9级;4、塔吊计算状态参数地面粗糙类别:C类有密集建筑群的城市郊区;风荷载高度变化系数:1.13;主弦杆材料:角钢/方钢;主弦杆宽度c:250mm;非工作状态:所处城市:浙江杭州市,基本风压ω0:0.45 kN/m2;额定起重力矩Me:0kN·m;塔吊倾覆力矩M:1668kN·m;工作状态:所处城市:浙江杭州市,基本风压ω0:0.45 kN/m2,额定起重力矩Me:630kN·m;塔吊倾覆力矩M:1039kN·m;非工作状态下荷载计算一、塔吊受力计算1、塔吊竖向力计算作用在基础上的垂直力:N=Gt=449.00=449.00kN;2、塔吊倾覆力矩最大弯矩值M kmax=1668.00kN·m;作用于承台顶面的作用力:F k=449.00kN;M kmax=1668.00kN·m;V k=71.00kN;图中x轴的方向是随时变化的,计算时应按照倾覆力矩Mmax最不利方向进行验算。
格构柱塔吊基础方案

南京同仁康博花园—康雅苑9-12栋工程塔吊基础专项方案江西昌厦建设集团限公司二○一二年十一月○三日目录第一章工程简介 (1)一、编制依据 (1)二、工程概况 (1)三、地质、水文条件 (2)四、塔吊基础概况 (3)第二章施工部署 (4)一、技术准备 (4)二、人员准备 (4)三、材料准备 (5)四、现场准备 (6)五、施工进度计划 (7)第三章施工工艺及技术措施 (7)一、施工工艺 (7)(一)立柱桩施工 (7)(二)立柱桩格构柱制作与安装 (10)(三)混凝土浇筑 (11)(四)空孔回填 (11)二、施工保证措施 (12)(一)格构柱定位、固定与吊装 (12)第四章施工质量保证措施 (15)一、班组认真按图纸,按规程操作,建立自检、互检质量保证体系 (15)二、技术、质量、施工员应根据各分部分项的设计图纸及操作规程进行技术质量验收 (15)三、基础施工基本要求 (15)四、灌注桩施工 (16)五、加强措施及特殊要求 (16)第五章安全、消防、环保施工保证措施 (17)一、消防及用电安全 (17)二、格构柱加工、吊装过程中的安全措施 (18)三、格构柱施工安全措施 (18)四、管线保护安全措施 (18)五、环境保护措施 (19)第六章成品保护 (19)第七章塔机安拆作业安全事故应急救援预案 (20)一、本预案的适用范围 (20)二、组织机构和应急资源 (21)三、应急处理程序 (21)四、应急处理措施 (22)LOUQIULIANG 南京同仁康博花园—康雅苑9-12栋工程五、由于坠落或高空坠物造成的事故处理 (22)六、由于违反安全操作规程所造成的事故处理 (23)七、汽车吊倾覆伤人或损坏设备及建筑物的事故处理 (23)八、塔机安拆作业过程中其它事故的处理 (24)九、应急响应要求 (24)第八章矩形格构式塔吊基础计算书 (25)矩形格构式基础9#、11#楼计算书 (25)矩形格构式基础10、12楼计算书 (42)格构柱立面示意图1 (62)格构柱立面示意图2 (63)格构柱立面示意图3 (64)塔吊平面布置图4 (66)第一章工程简介一、编制依据本工程地质勘察报(编号:2011579),塔吊安装使用说明书。
塔吊基础沉降观测记录表

C
D
审核: 丈量: 记录:
时间:二O二一年七月二十九日
塔吊基础沉降不雅测记录表之樊仲川亿创作
时间:二O二一年七月二十九日
施工单位:中建七局第四建筑有限公司
工程名称
郑州市中原区大李-西岗(1-2组)棚户区改革项目KG07-1地块安顿房工程
丈量仪器型号
DS3
塔吊编号
2#塔吊
基准点高程(m)
112.400
不雅测点安插简图
不雅测点
编号JHMVUIV
不雅测日期
后视点
(m)
后视读数
(m)
前视读数
(m)
高程
(m)
本次沉降值(mm)
累计沉降值(mm)
A
B
C
D
A
B
C
D
A
B
C
D
审核: 丈量: 记录:
塔吊基础沉降不雅测记录表
不雅测点
编号
不雅测日期
后视点
(m)后视读数(m)Fra bibliotek前视读数
(m)
高程
(m)
本次沉降值(mm)
累计沉降值(mm)
A
B
C
D
A
B
C
D
A
B
C
D
A
B
C
D
A
B
C
D
A
塔吊基础Word 文档

塔吊基础设计方案编制审批目录编制依据 ............................................................................................................................................................. - 1 - 塔吊基础设计概况 ............................................................................................................................................. - 1 - QTZ40塔吊基础设计计算书............................................................................................................................. - 1 -一. 参数信息 .............................................................................................................................................. - 1 -二. 荷载计算 .............................................................................................................................................. - 2 -1. 自重荷载及起重荷载 ............................................................................................................................ - 2 -2. 风荷载计算 ............................................................................................................................................ - 3 -3. 塔机的倾覆力矩 .................................................................................................................................... - 3 -三. 桩竖向力计算 ...................................................................................................................................... - 4 -四. 承台受弯计算 ...................................................................................................................................... - 4 -1. 荷载计算 ................................................................................................................................................ - 4 -2. 弯矩的计算 ............................................................................................................................................ - 5 -3. 配筋计算 ................................................................................................................................................ - 5 -五. 承台剪切计算 ...................................................................................................................................... - 6 -六. 承台受冲切验算 .................................................................................................................................. - 7 -七. 桩竖向承载力验算 .............................................................................................................................. - 7 - QTZ63塔吊基础设计计算书............................................................................................................................. - 8 -一. 参数信息 .............................................................................................................................................. - 9 -二. 荷载计算 .............................................................................................................................................. - 9 -1. 自重荷载及起重荷载 ............................................................................................................................ - 9 -2. 风荷载计算 .......................................................................................................................................... - 10 -3. 塔机的倾覆力矩 .................................................................................................................................. - 10 -三. 桩竖向力计算 .................................................................................................................................... - 11 -四. 承台受弯计算 .................................................................................................................................... - 11 -1. 荷载计算 .............................................................................................................................................. - 11 -2. 弯矩的计算 .......................................................................................................................................... - 12 -3. 配筋计算 .............................................................................................................................................. - 12 -五. 承台剪切计算 .................................................................................................................................... - 13 -六. 承台受冲切验算 ................................................................................................................................ - 14 -七. 桩竖向承载力验算 ............................................................................................................................ - 14 - 承台基础图及平面布置 ................................................................................................................................... - 15 -编制依据《塔式起重机混凝土基础工程技术规程》(JGJ/T 187-2009)。
自升式塔吊基础桩基础荷载验算

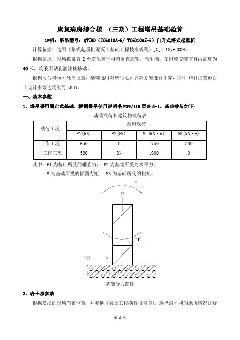
康复病房综合楼(三期)工程塔吊基础验算1#机:塔吊型号:QTZ80(TC6010A-6/ TC6010AZ-6)自升式塔式起重机计算依据:选用《塔式起重机混凝土基础工程技术规程》JGJT 187-2009。
根据需求,现场拟部署2台塔吊进行材料垂直运输,带附墙,在附墙安装前自由高度为40米,均采用钻孔灌注桩基础。
根据两台塔吊所处的位置,基础选用对应的地质参数分别进行计算,其中1#机位置的岩土设计参数选用孔号ZK33。
一、基本参数1、塔吊采用固定式基础,根据塔吊使用说明书P39/118页表5-1,基础载荷如下:基础载荷和建筑物载荷表其中:P1为基础所受的垂直力; P2为基础所受的水平力;M为基础所受的倾覆力矩; MK为基础所受的扭矩。
基础受力简图2、岩土层参数根据塔吊的现场布置位置,并参照《岩土工程勘察报告书》,选择最不利的地质情况进行验算。
塔吊基础的采用钻孔灌注桩,灌注桩有效桩长13.0m ,桩顶黄海高程为6.10m ,参照该处的地质剖面图,灌注桩穿过土层的地质工程特性指标标准值一览表如下(孔号ZK33参数):桩穿入的土层厚度及工程特性指标标准值一览表3、基础参数根据施工现场的情况以及地质状况,塔吊基础拟采用矩形承台钻孔灌注桩基础。
(1)钻孔灌注桩桩径600mm ,桩间距为3.80m ,有效桩长13.0m 。
(2)矩形承台尺寸a ×b ×h=5000×5000×1350mm 。
(3)灌注桩、承台混凝土强度等级为C35,轴心抗压强度设计值fc =16.7N/mm 2,轴心抗拉强度设计值 ft =1.57N/mm 2;钢筋采用Ⅲ级,f y =360N/mm 2,保护层厚度: 50mm 。
尺寸如图:塔吊基础平面尺寸图二、荷载计算塔吊在非工作状态下,其弯矩最大,为最不利状态,故选用塔吊非工作状态的荷载进行验算。
1、自重荷载及起重荷载1) 塔机自重标准值F k1=580kN2) 基础以及覆土自重标准值G k=5×5×1.35×25=843.75kN2、风荷载计算非工作状态下塔机塔身截面对角线方向所受风荷载标准值(1)塔机所受风均布线荷载标准值 (本地区 Wo=0.80kN/m 2)W k=0.8×2.31×1.95×0.65×0.80=1.87kN/m2q sk=1×1.87×0.35×1.6=1.05kN/m(2)塔机所受风荷载水平合力标准值F vk=q sk×H=1.05×40.00=41.97kN(3)基础顶面风荷载产生的力矩标准值M sk=0.5F vk×H=0.5×41.97×40.00=839.49kN.m3、塔机的倾覆力矩非工作状态下,标准组合的倾覆力矩标准值M k=1900+839.49=2739.49kN.m三、桩竖向力计算图中x轴的方向是随机变化的,设计计算时应按照倾覆力矩M最不利方向进行验算1、桩顶竖向力的计算依据《建筑桩基技术规范》GJ94-2008的第5.1.1条其中 F k──作用于承台顶面的竖向力;G k──桩基承台和承台上土自重标准值;M xk,M yk──荷载效应标准组合下,作用于承台底面,绕通过桩群形心的 x、y 轴的力矩; x i,y i──单桩相对承台中心轴的XY方向距离(m);N ik──荷载效应标准组合偏心竖向力作用下,第i基桩或复合基桩的竖向力(kN)。
塔吊桩基础加固施工方案

######项目工程塔吊桩基钢支撑施工方案1.编制依据1.1天津市勘察院提供的本工程《岩土工程勘察报告》1.2《K40/26塔式起重机使用说明书》1。
3设计研究院设计的本工程施工图纸1.4《建筑桩基技术规范》JGJ94—941。
5《建筑地基基础设计规范》GB50007—20021.6《混凝土结构设计规范》GB50010—20021。
7以下除说明外,标高值均为相对标高值(±0。
000=3.150m)2.工程概况本工程设置二台K40/26型号的塔式起重机作为垂直和水平运输机械.塔式起重机位于基坑内,塔吊基础采用钢筋混凝土浇筑,塔吊基础底标高为绝对标高3。
15m.在每只钢筋混凝土塔吊基础下设置四根钢筋混凝土钻孔灌注桩,钢筋混凝土钻孔灌注桩直径800mm,桩长47。
8m,桩和桩之间采用钢管、铁板和灌注桩上的钢箍焊接,钢管为Φ219×10mm,钢板厚20mm,钢箍直径为800mm,壁厚20mm.3.塔吊基础设计及定位塔吊选用K40/26型塔吊,最大工作半径为70m,最大起重重量为16t,最大工作半径时起吊重量为2。
6t,选用2000×2000×3000mm标准节。
塔吊基础采用C35钢筋混凝土浇筑,平面尺寸为4600×4600mm,厚度1500mm,塔吊基础底标高为3。
150m.塔吊基础钢支撑的安装具体做法见《塔吊基础施工方案详图》。
1#塔吊位于N9、N10与Na、NY轴之间,靠近N10、Na轴的塔吊桩基距定位点2的距离为46.36m.2#塔吊位于S5、S6与SA、SB轴之间,靠近S6、SA轴的塔吊桩基距定位点4的距离为50.35m。
每台塔吊基础下均采用四根钢筋混凝土钻孔灌注桩,塔吊定位及具体布置见下图。
4.钢支撑材料设备准备4。
1 塔吊桩基钢支撑所用材料及机械设备钢箍(d=800mm,t=20mm,l=1150mm)、钢板(t=20mm)、钢管(Φ219×10)、锚件、锚固螺栓、交流电焊机、气焊机械设备等。
塔吊基础计算(格构柱)
塔吊基础计算(格构柱)八、基础验算基础承受的垂直力:P=449KN 基础承受的水平力:H=71KN 基础承受的倾翻力矩:M=1668KN。
m(一)、塔吊桩竖向承载力计算:1、单桩桩顶竖向力计算:单桩竖向力设计值按下式计算:Q ik=(P + G )/n ±M/a2式中:Q ik—相应于荷载效应标准组合偏心竖向力作用下第i根桩的竖向力;P-塔吊桩基础承受的垂直力,P=449KN;G—桩承台自重,G=(4。
8×4.8×0.4+4。
8×4.8×1。
3)×25=979。
2KN;P+G=449+979.2=1428。
2KNn—桩根数,n=4;M-桩基础承受的倾翻力矩,M=1668+71×1.3=1760.3KN。
m;a—桩中心距,a=3.2m。
Q ik=1428。
2/4±1760.3/3。
2×2单桩最大压力:Q压=357.05+389.03=746。
08KN单桩最大拔力:Q拔=357.05—389.03=-31.98KN2、桩承载力计算:(1)、单桩竖向承载力特征值按下式计算:R a = q pa A P+u P∑q sia L i式中: R a-单桩竖向承载力特征值;q pa、q sia—桩端阻力,桩侧阻力特征值;A P—桩底端横截面面积;u P—桩身周边长度;L i—第i层岩土层的厚度.5号塔吊桩:对应的是8-8剖的Z52。
桩顶标高为—6。
8m,绝对标高为-1。
9m,取有效桩长52m,桩端进入6-1粘土层2。
19m.52R a = 0.8×3。
14×(4×12.51+16×3。
8+14×14。
4+18×19.1+30×2。
19)=1813。
51>746.08KN 满足要求3、承台基础的验算(1)承台弯矩计算Mx1=My1=2×(746.08—979.2/4)×(3。
塔吊基础钢格构柱及案例
穿底板的止水处理。
8、分层开挖。 随着基坑土方的分层开挖应在格构式钢柱外侧
四周及时设置型钢支撑将各格构式钢柱连接为整 体。型钢支撑的截面积不宜小于格构式钢柱分肢的 截面积,与钢柱分肢及缀件的连接焊缝厚度不宜小 于6mm,绕角焊缝长度不宜小于 200mm。每下挖 2m,凿除桩身混凝土,对四根格构式钢柱进行水平 撑、斜撑的电焊连接。视格构柱的长度增加水平剪 刀撑。 9、塔机基础沉降观察。 塔机安装后,对基础进行定 期垂直度观察,应有记录。
下沙塔机事故 2012年11 月27日上午 8点多,在杭州下沙 某工地,一台 QTZ5710 新塔机( 5月份安装) 在吊钢筋约 2t重、幅度约 53m。施工现场钢 筋堆场距塔机回转中心大于 40m。 事故初步原因: 1、严重超载。 2、格构柱与钢平台设计不合理,无加径板、 电焊质量差(点、薄) 3、塔机回转中心至钢筋堆场、钢筋加工场的 距离不符合该塔机起重特性曲线表的规定。 (布局不合理,实际需要 120t.m 以上塔机 )
平台塔机基础节直接连接形(式示之意图
成品座整体焊接
单柱顶面
承重钢板厚40度毫米 单柱图形
顶板预制(意示图)
筋板
模具
塔机固定支脚
组合式基础 (型钢平台和混凝土承台) 型钢平台的设计应符合现行国家标准《钢结构 设计规范》 GB50017 的有关规定,由厚钢板和型钢 主次梁焊接或螺栓连接而成,型钢主梁应连接于格 构式钢柱,宜采用焊接连接。 1、设计与制作资质要求。 组合式基础中的格构式 钢柱、型钢平台等构件设计、制作,应由塔机生产 厂家承担(或委托生产厂家设计制作)或由具有钢 结构设计制造资质的单位承担。格构式钢柱与钢筋 笼搭接电焊过程、吊放过程和格构式钢柱上端过渡 钢基础的定位安装电焊钻孔过程,施工和监理单位 应实行旁站监督。
格构柱塔吊基方案
杭政储出[2009]11号地块项目方正·荷塘月色工程塔吊基础专项施工方案广源建设集团有限公司二0一0年十一月塔吊基础专项施工方案编制:日期:审核:日期:批准:日期:目录一、工程概况二、编制依据三、塔吊的选型和布置四、塔吊基础设计五、施工中应注意事项六、塔吊避雷措施七、主要安全技术措施八、塔身与砼结构防水处理办法九、多塔作业注意事项十、多塔作业措施十一、承台土方开挖技术措施十二、塔吊的沉降、垂直度测定及偏差校正十三、附图一、工程概况工程名称:方正·荷塘月色工程建设单位:浙江柏盛置业有限公司设计单位:浙江工业设计研究院本工程为方正·荷塘月色工程,由1~8#共八栋二十三~二十五层的高层住宅和一幢二层会所,1#、3~5#,8#楼底部与一~两层商铺相连,1~8#楼下均设一层地下室,平时为地下车库及自行车库,战时为二等人员掩蔽所。
本工程为框架剪力墙结构,地上建筑面积为103503㎡,地下建筑面积为32386㎡。
本工程室内设计标高士0.000相对于绝对标高2-7#楼4.50米,1#、8#楼4.70米,9#楼4.90米。
根据工程平面位置,总共布置6台塔吊作为结构施工期间是垂直运输机械,分别安装在:1#塔吊:1#楼的D-9轴/S-C北3.8米;2#塔吊:2#楼的D-V轴/D-27西4.1米:3#塔吊:3#楼的3-8轴/S-D南2.84米;4#塔吊:4#楼的4-21轴/4-Q北3.8米;5#塔吊:5#楼的S-D轴/D-7西4.1米;6#塔吊:7#楼的D-9轴/7-J北3.3米。
二、编制依据1、方正·荷塘月色工程施工总平面图;2、方正·荷塘月色工程岩土工程勘察报告;3、QTZ60、QTZ80自升式起重机使用说明书;4、GB5144—2006《塔式起重机安全规程》;5、GB 50007—2002《建筑地基基础设计规范》。
6、GB/T5031—2008《塔式起重机》;7、JGJ196—2010《建筑施工塔式起重机安装使用拆卸安全技术规程》;8、DB33/T1053—2008浙江省工程建设标准《固定式塔式起重机基础设计规程》;9、建设部建质2009(87)文件。
杭州某工程塔吊基础(格构式)施工方案
杭州某⼯程塔吊基础(格构式)施⼯⽅案1 ⼯程概况1.1 ⼯程基本情况杭州铁路东站枢纽位于杭州市江⼲区下宁路与天成路新塘路交汇处,是杭州东站和城东新城核⼼区进⾏交通联结的重要枢纽,包括国铁、城际交通和城市公共交通等多种不同层⾯的交通⽅式。
东⼴场由地上4栋主楼(11F、13F、15F、16F)及地下三层建筑组成,屋⾯檐⼝最⾼处⾼度标⾼为69.60m,具体概况见下表:建筑⾯积总建筑⾯积370800m2,地下建筑⾯积211900 m2,地上建筑⾯积158900 m2地下室标⾼地下⼀层-3.900m,地下⼆层-9.650,地下三层-13.850地上建筑⾼度A座裙房地上3F 16.60m A-1座地上13F 54.80m A-2座地上16F 65.60m B座裙房地上3F 16.60m B-1座地上11F 47.80m B-2座地上15F 63.40m结构形式框架—剪⼒墙钢筋混凝⼟结构基础筏板、承台及地梁基础,基础⾯标⾼13.850⼯程桩钻孔灌注桩,桩径800,持⼒层为(8)-3中风化凝灰岩基坑尺⼨基本为矩形,南北长约670m,东西宽约125m,场地地表标⾼约-0.650m,坑底标⾼-14.550m(局部-10.350m)基坑围护基坑围护采⽤φ1000围护桩及2道钢筋混凝⼟⽀撑组成,第1道⽀撑⾯标⾼-4.650m,第2道⽀撑⾯标⾼-10.350。
施⼯场地东边紧临下宁路,西侧为在建铁路主站房⼯地、北侧为拆迁⼚房,整个⼚区周边⽆民房。
1.2 编制依据序号依据依据编号1 施⼯图纸2 地质勘察报告K09080353 《特种设备安全监察条例》国务院第373号令4 《塔式起重机安全规程》GB5144-20065 《建筑施⼯⾼处作业安全技术规范》JGJ80-916 《建筑施⼯⽤电安全技术规范》JGJ46-20057 《建设⼯程安全⽣产条例》国务院第393号令8 《起重机⽤钢丝绳检验和报废实⽤规范》GB/T5972-20069 《建筑机械使⽤安全技术规程》JGJ33-200110 《建筑起重机械安全监督管理规定》建设部第166号令11 《塔式起重机使⽤说明书》 12 《施⼯结构计算⽅法与设计⼿册》13《施⼯⼿册》第四版备注:本⽅案所有⾼程均为相对标⾼。
- 1、下载文档前请自行甄别文档内容的完整性,平台不提供额外的编辑、内容补充、找答案等附加服务。
- 2、"仅部分预览"的文档,不可在线预览部分如存在完整性等问题,可反馈申请退款(可完整预览的文档不适用该条件!)。
- 3、如文档侵犯您的权益,请联系客服反馈,我们会尽快为您处理(人工客服工作时间:9:00-18:30)。
葛屿新苑Ⅰ期塔吊基础施工方案福建联美建设集团有限公司2014年12月目录1 工程概况 (3)2 工程地质情况 (3)3 塔吊选用与布置 (4)4 塔吊基础设计 (4)5 施工注意事项 (4)6 塔吊定位平面图及节点附图 (5)7 附计算书 (8)1 工程概况本工程位于福州市仓山区葛屿村,地处洪湾路与凤冈路南侧交叉处。
由中城建(福建)建筑设计研究院有限公司设计;包括:8栋28-32F住房(剪力墙结构)及1栋5F集中配套用房(框架结构),1栋2F社区卫生服务中心,建筑物占地面积约11020.67m2,总建筑面J 积约202450 m2,地下室面积约31000 m2。
本方案对拟建一期工程编制,一期项目共3栋,为1号楼29层建筑高度86.3米,2号楼29层建筑高度86.3米,3号楼30层建筑高度87.7米,地下室一层高度5.4米,一期上部建筑面积59815.19 m2地下室面积8794.49 m2。
2 工程地质情况现场场地根据勘察报告《福州市葛屿新苑工程1#~3#项目岩土工程勘察报告》钻孔揭露的地质资料,场地内各岩土层具体特征描述如下:根据野外钻探揭示岩土芯鉴别,场地岩土层按其成因、力学强度不同划分工程地质层,现将各岩土层特征分述如下:①杂填土:灰黄,湿,松散为主,局部为稍密、中密。
以粘性土为主,含较多的建筑垃圾、碎石等杂物,层厚度约0.70~8.50m,层顶标高6.82~12.87m,层底标高2.47~6.96m;②粘土:局部为粉质粘土,灰黄、褐黄色,可塑为主,局部为硬塑、软塑,湿,含少量腐殖质,铁锰结核、氧化物等,局部含少量细中砂,粘性一般,无摇振反应,稍有光泽,捻面较光滑,干强度及坚韧性均为中等。
该层在拟建场地绝大部分钻孔揭示,层厚度约0.80~5.70m,层面标高4.25~6.96m,层底标高-1.45~4.77m;③淤泥质土:局部为淤泥,深灰色,流塑,饱和,含腐殖质,局部夹少量细中砂,有腥臭味。
摇振反应慢,捻面较光滑,稍有光泽,干强度及坚韧性均为中等。
该层在拟建场地绝大部分钻孔分布,层厚度变化较大,约为0.60~8.60m,层顶标高-1.46~-4.77m,层底标高-5.64~1.91m;④(含泥)细中砂:灰黄、褐黄、灰色,稍密为主,局部松散、中密,饱和,含少量细粒石英砂颗粒、粘性土,局部含泥,级配较差。
该层在拟建场地所有钻孔均有揭示,层厚约4.20~18.70m,层顶标高-5.64~3.36m,层底标高-19.98~-6.82m。
⑤淤泥质土:深灰色,流塑,饱和,含腐殖质,局部夹少量细中砂,含少量碎末状贝壳,有腥臭味。
摇振反应慢,捻面较光滑,稍有光泽,干强度及韧性均为中等。
该层在拟建场地大部分钻孔分布,层厚度变化大,约在1.00~17.20m,层顶标高-15.54~-6.81m,层底标高-24.01~-13.03m;⑥粉质粘土:局部为粘土,灰黄、褐黄色,可塑为主,局部为硬塑,湿~稍湿,含少量腐殖质,铁锰结核、氧化物等,局部含砂量较大,粘性一般。
无摇振反应,稍有光泽,捻面较光滑,干强度及坚韧性均为中等。
该层在拟建场地钻孔均有揭示,层厚度约2.50~12.50m,(5)未尽事宜按有关规范施工。
6 塔吊定位平面图及节点附图1#塔吊定位图2#塔吊定位图3#塔吊定位图总体平面定位图底板上下层钢筋四周各延伸2m穿过塔吊基础的底板预留钢筋及止水带平面大样图底板上下层钢筋四周各延伸2m穿过塔吊基础的底板预留钢筋及止水带立面大样图承台配筋图桩基布置图高出底板面50mm桩及承台图说明:本塔吊承台基础采用冲孔灌注桩(非主楼或副楼工程桩),桩配筋按地下室桩基图配筋,上部加密箍沿桩身自上而下垂直长度要求≥6米。
7 附计算书1#塔吊四桩基础的计算书依据《塔式起重机混凝土基础工程技术规程》(JGJ/T 187-2009)。
二. 荷载计算1. 自重荷载及起重荷载1) 塔机自重标准值F k1=1033.9kN2) 基础以及覆土自重标准值G k=5×5×1.10×25=687.5kN承台受浮力:F lk=5×5×1.10×10=275kN3) 起重荷载标准值F qk=80kN2. 风荷载计算1) 工作状态下塔机塔身截面对角线方向所受风荷载标准值a. 塔机所受风均布线荷载标准值 (Wo=0.2kN/m2)W k=0.8×1.77×1.95×0.99×0.2=0.55kN/m2q sk=1.2×0.55×0.35×1.8=0.41kN/mb. 塔机所受风荷载水平合力标准值F vk=q sk×H=0.41×110.00=45.47kNc. 基础顶面风荷载产生的力矩标准值M sk=0.5F vk×H=0.5×45.47×110.00=2500.58kN.m2) 非工作状态下塔机塔身截面对角线方向所受风荷载标准值a. 塔机所受风均布线荷载标准值 (本地区 Wo=0.70kN/m2) W k=0.8×1.89×1.95×0.99×0.70=2.04kN/m2q sk=1.2×2.04×0.35×1.80=1.54kN/mb. 塔机所受风荷载水平合力标准值F vk=q sk×H=1.54×110.00=169.92kNc. 基础顶面风荷载产生的力矩标准值M sk=0.5F vk×H=0.5×169.92×110.00=9345.38kN.m3. 塔机的倾覆力矩工作状态下,标准组合的倾覆力矩标准值M k=356.86+0.9×(733.7+2500.58)=3267.71kN.m非工作状态下,标准组合的倾覆力矩标准值M k=356.86+9345.38=9702.24kN.m三. 桩竖向力计算非工作状态下:Q k=(F k+G k)/n=(1033.9+687.50)/4=430.35kNQ kmax=(F k+G k)/n+(M k+F vk×h)/L=(1033.9+687.5)/4+Abs(9702.24+169.92×1.10)/5.09=2373.05kNQ kmin=(F k+G k-F lk)/n-(M k+F vk×h)/L=(1033.9+687.5-275)/4-Abs(9702.24+169.92×1.10)/5.09=-1581.10kN 工作状态下:Q k=(F k+G k+F qk)/n=(1033.9+687.50+80)/4=450.35kNQ kmax=(F k+G k+F qk)/n+(M k+F vk×h)/L=(1033.9+687.5+80)/4+Abs(3267.71+45.47×1.10)/5.09=1102.11kNQ kmin=(F k+G k+F qk-F lk)/n-(M k+F vk×h)/L=(1033.9+687.5+80-275)/4-Abs(3267.71+45.47×1.10)/5.09=-270.16kN四. 承台受弯计算1. 荷载计算不计承台自重及其上土重,第i桩的竖向力反力设计值:工作状态下:最大压力 N i=1.35×(F k+F qk)/n+1.35×(M k+F vk×h)/L=1.35×(1033.9+80)/4+1.35×(3267.71+45.47×1.10)/5.09=1255.82kN最大拔力 N i=1.35×(F k+F qk)/n-1.35×(M k+F vk×h)/L=1.35×(1033.9+80)/4-1.35×(3267.71+45.47×1.10)/5.09=-503.94kN非工作状态下:最大压力 N i=1.35×F k/n+1.35×(M k+F vk×h)/L=1.35×1033.9/4+1.35×(9702.24+169.92×1.10)/5.09=2971.59kN最大拔力 N i=1.35×F k/n-1.35×(M k+F vk×h)/L=1.35×1033.9/4-1.35×(9702.24+169.92×1.10)/5.09=-2273.71kN2. 弯矩的计算依据《塔式起重机混凝土基础工程技术规程》第6.4.2条其中 M x,M y1──计算截面处XY方向的弯矩设计值(kN.m);x i,y i──单桩相对承台中心轴的XY方向距离(m);N i──不计承台自重及其上土重,第i桩的竖向反力设计值(kN)。
由于非工作状态下,承台正弯矩最大:M x=M y=2×2971.59×0.90=5348.87kN.m承台最大负弯矩:M x=M y=2×-2273.71×0.90=-4092.68kN.m3. 配筋计算根据《混凝土结构设计规范》GB50010-2010第6.2.10条式中α1──系数,当混凝土强度不超过C50时,α1取为1.0,当混凝土强度等级为C80时,α1取为0.94,期间按线性内插法确定;f c──混凝土抗压强度设计值;h0──承台的计算高度;f y──钢筋受拉强度设计值,f y=360N/mm2。
底部配筋计算:αs=5348.87×106/(1.000×16.700×5000.000×10502)=0.0581ξ=1-(1-2×0.0581)0.5=0.0599γs=1-0.0599/2=0.9701A s=5348.87×106/(0.9701×1050.0×360.0)=14587.3mm2顶部配筋计算:αs=4092.68×106/(1.000×16.700×5000.000×10502)=0.0445ξ=1-(1-2×0.0445)0.5=0.0455γs=1-0.0455/2=0.9773A s=4092.68×106/(0.9773×1050.0×360.0)=11079.2mm2五. 承台剪切计算最大剪力设计值: V max=2971.59kN依据《混凝土结构设计规范》(GB50010-2010)的第6.3.4条。