手套箱采购项目询价文件
手套箱采购项目询价文件

手套箱采购项目询价文件一、项目编号:材料与能源学院2018003-4【010】号二、项目名称:手套箱采购项目三、采购预算:四、采购设备清单与技术参数五、基本要求1.本询价文件要求中,凡标有“★”的条款为“不允许负偏离的条款”,报价文件对这些条款的任何负偏离,将导致其成为无效报价。
报价人在响应询价文件中对这部分内容应尽量列出具体参数或作出详细应答。
2.报价人应提供已注册品牌制造商原装、全新的、符合国家及用户提出的有关质量标准的设备。
设备在正确安装后,能确保在正常的使用过程中安全、可靠,并达到有关规定的要求。
设备应符合中国政府颁布的产品、质量、技术、安全标准及环保标准3.所有货物及设计、制造、测试和安装都应符合采购时已颁布的现行中国国家或国家认可的(部颁、行业)标准和国际标准化组织以及等效或更优的其他国家的权威性标准和规范的有关条文六、交付使用时间及地点1. 交货时间:合同签订后15天内。
2. 交货地点:用户指定地点。
七、质量保证和售后服务★1.设备免费保修期限:验收合格后3年,保修期自双方代表在货物安装调试后的验收证明文件上签字之日起计算。
2.质保期内,如货物或零部件因质量原因出现故障而造成短期停用时,则质保期和免费维修期相应顺延。
如停用时间累计超过60天则质保期重新计算。
3.在保修期内,如货品非因采购人的人为原因而出现的问题由中标人负责包修、包换或包退,并承担修理、调换或退货的实际费用。
4.保修期内,中标人负责对其提供的货物整机进行维修和系统维护,不再收取任何费用,但非中标人责任的人为因素、自然因素(如火灾、雷击等)造成的故障除外。
5.货物故障报修的响应时间为2小时,且在8小时(连同前面时间计算)内处理完毕。
规定时间内未处理完毕的,中标人在24小时内提供不低于同等档次货物供用户使用至故障货物能正常使用为止。
6.保修期间,同一硬件一个月内连续2次出现同一故障,中标人须无偿更换同一档次货物。
八、评审方法在满足用户需求的前提下,按“价低者得”的原则确定成交供应商。
设备耗材采购询价文件

设备耗材采购询价文件某某县某某医院对信息科计算机设备、耗材进行询价采购,邀请有相应资质和具有相应供货能力的供应商根据询价文件要求参加本次采购活动,并提供满足要求的货物。
采购项目要求如下:一、项目名称:信息科设备、耗材二、项目编号:三、报价人须知1、询价文件要求:询价响应文件递交截止时间为:2022年5月9日12:00前。
所有材料加盖单位公章,发送电子版(PDF格式和M)RD各一份),至招标办邮箱。
(不按要求制作及逾期递交的恕不接受。
)2、响应文件封面注明:项目名称、项目编号、供应商、联系人、联系方式。
3、报价人根据询价文件要求进行报价,每个品目和每种货物仅允许提供一个报价,否则,该报价将视为无效。
报价应包括安装及运输、调试、维护、售后、培训、税金等所有费用。
4、报价人提供的设备必须是全新、原装、正宗的产品,并随机附与产品生产厂家有关证件复印件(营业执照副本、税务登记证、产品原产地证书、合格证、序列号等)及其他相关的资料。
5、报价人必须免费提供硬件三年以上质保期(质保期起始日期以我院验收单签署日期为准计算)。
6、交货地点和时间:采购周期内,医院以订单式进行采购,中标人接到订单后二个工作日内送达采购人约定地点。
7、验收:由采购人组织验收。
8、付款方式:验收合格后分批次,隔月付款;采购周期:24个月。
9、供应商应按照询价文件的具体要求编写报价文件,供应商应对询价文件要求的所有项目进行完整报价,如有缺项则报价文件无效。
报价人相关资质证明材料:(1)参加此次询价活动的法人、询价人身份证复印件。
如询价方代表不是法人代表,须持有《法人代表授权书》;(2)询价公司的资质;(3)功能介绍、操作手册等;(4)询价供应商售后服务承诺(包括质保时间、服务内容及服务方式)。
四、询价标书文件内容1、询价文件的组成: (1)目录;(2)询价报价一览表(可参考附件一); (3)报价人须知第9条要求的资质证明材料; (4)供应商关于反商业贿赂声明函(见附件二)。
询价文件模板

询价文件模板
尊敬的各位供应商:
感谢您对我们公司的关注和支持!为了更好地了解贵公司的产品和服务,我们诚挚邀请您提供以下商品的最新价格和相关信息。
我们希望与您建立长期稳定的合作关系,共同发展,共创美好未来。
一、询价产品及要求。
1. 产品一,(产品名称、规格、型号、数量、质量要求等)。
2. 产品二,(产品名称、规格、型号、数量、质量要求等)。
3. 产品三,(产品名称、规格、型号、数量、质量要求等)。
二、询价要求。
1. 请将产品的最新价格及相关信息以电子文档形式发送至我司邮箱(邮箱地址);
2. 请在报价单中注明有效期,以便我司及时参考;
3. 如有相关资质证书、检测报告等,请一并提供;
4. 如有其他优惠政策或配套服务,请详细说明。
三、报价截止时间。
请于(截止日期)前将报价单发送至我司邮箱,逾期恕不受理。
四、联系方式。
如有任何疑问或需要进一步了解我司采购需求,请随时与我司采购部联系,联系方式如下:
联系人,(姓名)。
联系电话,(电话号码)。
电子邮箱,(邮箱地址)。
五、其他事项。
1. 我司将严格按照《中华人民共和国招投标法》执行采购程序,绝不泄露贵司商业机密;
2. 我司将根据贵司的报价情况,选择合适的供应商进行洽谈,并最终确定合作对象;
3. 感谢贵司对我司的关注和支持,期待与贵司合作共赢,共创美好未来!
请您尽快将相关信息发送至我司,我们期待您的回复!
谢谢!
此致。
敬礼。
(公司名称)。
日期,(年月日)。
中科院青岛能源所手套箱设备招标文件

中科院青岛能源所手套箱设备招标文件(单位内部招标)一、说明1、本部分内容是根据招标项目的实际情况制定的。
2、投标人必须仔细阅读本招标文件的全部条文。
对于招标文件中存在的任何含糊、遗漏、相互矛盾之处,或是对于招标范围的界定和招标内容的要求不清楚,认为存在歧视、限制的情况,投标人应向招标人寻求书面澄清。
3、本技术部分如果涉及到品牌、型号等,并不表明该标的被指定,而是仅供投标人参考,投标人所投报的货物只要性能、质量达到或超过都将被视为对招标文件作出了实质性的响应。
4.招标完毕,招标人根据需要可能进行货物内容的增加或减少,或者分批签定合同,但合同总额浮动范围不超过投标额的(+/-)10%。
5、招标方将采用综合打分法进行评标。
评审因素包括:评标价格、产品质量性能、企业资质和产品销售业绩、售后服务及交货时间。
其中价格分统一采用低价优先法计算,即满足招标文件要求且投标价格最低的投标报价为评标基准价,其价格分为满分。
其他投标人的价格分统一按照下列公式计算:投标报价得分=(评标基准价/投标报价)x 35;6、投标人应提供投标产品的详细技术资料,和企业简介、资质和荣誉等材料等。
7、招标程序:1)投标方提交投标文件(密封,正本一套;副本四套)2)所内专家评标3)根据招标结果向中标人发送中标通知书8、招标方认定招标过程存在恶意围标或其他影响招标顺利进行的行为时有权废标重招。
9、具体打分标准注:#表示重要指标二、技术要求货物名称、数量及要求:货物名称:手套箱试验设备货物数量:1套设备描述:此设备为惰性气体手套箱系统,用于进行有机小分子合成和聚合物合成。
2.1 技术指标1)手套箱箱体数量:2●箱体(所有焊接部位均采用德国ABB机器人焊接,减少泄露):材料:304 不锈钢,厚度3mm内表面:不锈钢拉丝处理外表面:喷漆,白色内部尺寸:长度:1220mm深度:750mm;高度:900mm●前窗:倾斜的视窗,透明钢化安全玻璃,厚度8 mm●手套口:材料为聚甲醛,O型圈密封●手套:丁基橡胶,厚度0.4mm ,直径8”,长度32”●过滤器:规格0.3 微米,1个气体入口和1个气体出口●搁物架:不锈钢材料,内置2层,可调节。
询价文件范本【范本模板】

询价文件采购项目编号:采购项目名称:(政府采购代理机构名称)编制发布日期: 年月日目录第一部分询价邀请书第二部分采购项目内容第三部分报价须知第四部分合同书格式第五部分报价文件格式第一部分询价邀请书(政府采购代理机构)受(采购人)的委托,拟对(项目名称)进行询价采购,欢迎符合资格条件的供应商参加。
本项目将优先确定符合相应资格条件的自主创新产品、节能产品、环保产品供应商参加报价.一、采购项目编号:二、采购项目名称:三、采购预算:四、报价文件递交截止时点: 年月日时分。
五、报价文件递交地点:(详细地址) 。
六、询价时间:年月日时。
七、询价地点:(详细地址) .采购代理机构:采购人:联系人: 联系人:电话: 电话:传真:传真:联系地址:联系地址:邮编:邮编:开户行:帐号:(采购代理机构名称)年月日第二部分采购项目内容一、供应商资格:1.供应商应具备《政府采购法》第二十二条规定的条件;2.采购项目的特殊条件要求;3. .……二、采购项目技术规格、参数及要求:1.采购项目需求一览表:2.基本要求:3.服务要求:……三、采购项目商务要求1。
供货要求:2.经验要求:3.项目预算:4。
报价要求:5。
完工期:6.质保期(服务期):7。
验收要求:8。
售后服务:9。
付款方式:10.其它要求:第三部分报价须知一、说明1.适用范围1.1本询价文件适用于本询价文件的政府采购项目.2。
定义2.1 “招标采购单位”是指: .2。
2 “政府采购代理机构"是指:。
2.3 “监管部门”是指: .2。
4 “报价人”是指响应本文件要求,参加询价的法人或者其他组织、自然人。
2.5 合格的“报价人”是指:1) 符合《政府采购法》第二十二条规定的供应商。
2) 符合询价文件规定的资格要求。
3)符合本询价文件采购项目的特殊条件要求2。
6 “成交供应商"是指经法定程序确定并授予合同的响应人。
2.7 “询价文件”是指:供应商根据本文件要求,编制包含报价、技术和服务等所有内容的实质性响应文件。
采购询价函范文

采购询价函范文一、引言部分尊敬的供应商,我们是一家注重质量和服务的公司,专注于xxxxxxxx(公司业务领域)的发展。
我们了解到贵公司在这个行业内具有良好的声誉,并且非常愿意与您建立长期的合作关系。
为了满足公司业务的需求,我们计划对以下商品进行采购。
在此,我们诚挚地邀请贵公司提供相关产品的报价,以供参考。
二、采购需求部分1. 商品1:(商品名称)- 规格要求:- 数量:- 质量要求:- 交货地点:- 交货日期:2. 商品2:(商品名称)- 规格要求:- 数量:- 质量要求:- 交货地点:- 交货日期:3. 商品3:(商品名称)- 规格要求:- 数量:- 质量要求:- 交货地点:- 交货日期:请务必提供您公司的产品目录、详细规格及价格表,并附上适用的质量认证证书、营业执照以及其他相关资质文件,以供我们评估。
三、报价要求部分1. 报价有效期:请确保报价有效期内与我们联系。
2. 报价方式:请明确报价方式(电子邮件、传真、快递等)及所需联系方式。
3. 报价细则:请提供商品价格、交货日期、交货方式、支付方式等详细信息。
4. 报价优势:请说明贵公司在同类产品中的优势,如质量、价格、交货期等。
5. 样品要求:请提供免费样品供我们评估(如果需要)。
四、其他信息部分1. 质量控制:请描述贵公司的质量控制程序,如质检过程、工艺流程等。
2. 支付条款:请提供您的支付条款,如预付款、分期付款、信用证等。
3. 合作期望:我们期望与贵公司建立长期合作关系,请表达您对此的看法。
请将您的报价以书面形式提交至下列地址:联系人:公司名称:地址:电话:传真:电子邮件:请注意,报价截止日期为(截止日期)。
过期后的报价将不予考虑。
我们期待您的积极回复,并真诚地希望能够与贵公司建立良好的合作关系。
谢谢!此致礼敬!公司名称。
超级净化手套箱及旋转蒸发装置采购项目招投标书范本
采购需求前注:.本采购需求中提出的技术方案仅为参考,如无明确限制,投标人可以进行优化,提供满足采购人实际需要的更优(或者性能实质上不低于的)技术方案或者设备配置,且此方案或配置须经评标委员会评审认可;.为鼓励不同品牌的充分竞争,如某设备的某技术参数或要求属于个别品牌专有,则该技术参数及要求不具有限制性,投标人可对该参数或要求进行适当调整,并应当说明调整的理由,且此调整须经评标委员会评审认可;.为有助于投标人选择投标产品,若项目需求中提供了推荐品牌(或型号)、参考品牌(或型号)等,这些品牌(或型号)仅供参考,并无限制性。
投标人可以选择性能不低于推荐(或参考)的品牌(或型号)的其他品牌产品,但投标时应当提供有关技术证明资料,未提供的可能导致投标无效;.中标人必须确保整体通过采购人及有关主管部门验收,所发生的验收费用由中标人承担;投标人应自行踏勘项目现场,如投标人因未及时踏勘现场而导致的报价缺项漏项废标、或中标后无法完工,投标人自行承担一切后果;.根据《关于规范政府采购进口产品有关工作的通知》及政府采购管理部门的相关规定,下列采购需求中如涉及进口产品则已履行相关论证手续,经核准(备案)采购进口设备,但不限制满足招标文件要求的国内产品参与竞争;.在采购活动开始前没有获准采购进口产品而开展采购活动的,视同为拒绝采购进口产品;.下列采购需求中:如属于最新一期《节能产品政府采购清单》中政府强制采购的节能产品,则投标人所投产品须为最新一期《节能产品政府采购清单》内所列产品;.下列采购需求中:标注▲的产品,投标人在投标文件《主要中标标的承诺函》中填写名称、规格、型号、数量、单价等信息,承诺函经评标委员会评审认可后随评审结果一并公示,如投标文件中未提供、提供不全将可能导致投标无效;.如对本招标文件有任何疑问或澄清要求,请按本招标文件“投标人须知前附表”中约定方式联系采购人或安徽鼎信项目管理股份有限公司,或接受答疑截止时间前联系采购人,否则视同理解和接受,开标后采购人或安徽鼎信项目管理股份有限公司不再受理对招标文件条款提出的质疑。
净化手套箱采购合同范本
净化手套箱采购合同范本合同编号:____________签订日期:____年__月__日甲方(采购方):____________乙方(供应方):____________根据《中华人民共和国合同法》及相关法律法规的规定,甲乙双方在平等、自愿、公平、诚实信用的原则基础上,就甲方购买乙方净化手套箱事宜,达成如下协议:第一条产品名称、规格、数量和质量1.1 产品名称:净化手套箱1.2 产品规格:____________1.3 产品数量:____________1.4 产品质量标准:符合国家相关法律法规及行业标准。
第二条价格和支付方式2.1 产品价格为人民币(大写):____元整(小写):¥_____元。
2.2 甲方支付方式为:____期付款,自发票开具之日起____天内支付完毕。
第三条交货及验收3.1 乙方应按照本合同约定的数量、规格和质量,向甲方交付产品。
3.2 甲方应按照本合同约定的时间、地点接收产品,并对产品进行验收。
3.3 产品验收不合格的,乙方应在接到甲方通知后____天内负责更换或修复。
第四条售后服务4.1 乙方应对甲方提供的产品进行安装、调试,并保证产品正常运行。
4.2 乙方应提供产品的操作培训,确保甲方操作人员能够熟练操作。
4.3 乙方应对产品进行定期维护和保养,确保产品的稳定运行。
4.4 产品在使用过程中出现问题的,乙方应在接到甲方通知后____小时内提供技术支持,并在____天内解决故障。
第五条合同的变更和解除5.1 甲乙双方同意,合同的变更或解除应书面签订,并经双方签字盖章确认。
5.2 合同变更或解除后,乙方应按照变更或解除后的约定履行合同义务。
第六条违约责任6.1 乙方未按照本合同约定的数量、规格和质量交付产品的,甲方有权要求乙方承担违约责任。
6.2 甲方未按照本合同约定的时间、地点接收产品,或者未按照约定支付货款的,乙方有权要求甲方承担违约责任。
6.3 乙方未按照本合同约定的时间修复或更换不合格产品的,甲方有权要求乙方承担违约责任。
询价标书文件范本
询价标书⽂件范本⽂件编号:[请填写具体编号]项⽬名称:[请填写项⽬全称]招标单位(甲⽅):[请填写招标单位全称及地址]发布⽇期:[请填写发布⽇期,格式为YYYY年MM⽉DD⽇]⼀、询价邀请函尊敬的[供应商/投标单位名称]:您好!我们[招标单位名称]就[项⽬名称]的采购⼯作,现向贵公司发出询价邀请。
本项⽬旨在通过公开、公平、公正的⽅式,选择具备优质产品/服务及合理报价的供应商。
请贵公司按照本询价标书的要求,准备并提交详细的报价⽂件。
⼆、项⽬概述项⽬背景:简要介绍项⽬的背景、⽬的及实施的重要意义。
采购内容:明确列出所需采购的产品/服务的名称、规格型号、数量、技术要求等详细信息。
技术规格:详细阐述产品/服务的技术标准、性能指标、质量要求等关键信息。
交货/服务要求:说明交货/服务的时间、地点、⽅式及验收标准等。
三、报价要求报价单:请提供详细、准确的报价单,包括但不限于单价、总价、税费、运费(如适⽤)、折扣等。
资质证明:附上贵公司的营业执照、相关⾏业资质证书、过往成功案例及客户评价等证明⽂件。
售后服务:明确贵公司提供的售后服务内容、期限、响应时间及保修政策等。
付款⽅式:提出贵公司可接受的付款⽅式及付款条件。
有效期:本询价书的有效期⾃发布之⽇起⾄[具体⽇期]⽌,请在此期限内提交报价⽂件。
四、提交⽅式电⼦版:请将报价⽂件电⼦版发送⾄[指定电⼦邮箱],邮件主题请注明“[项⽬名称]询价响应⽂件-[供应商名称]”。
纸质版(如要求):请将密封的纸质版报价⽂件邮寄⾄[招标单位地址],并在信封上注明“[项⽬名称]询价响应⽂件-[供应商名称]”。
五、评审与中标1.我司将组织专业评审⼩组,对收到的报价⽂件进⾏综合评审,包括但不限于价格、质量、售后服务等因素。
2.中标结果将以书⾯形式通知中标单位,并随后签订正式采购合同。
未中标单位恕不另⾏通知。
六、其他条款1.本询价标书及其附件构成双⽅询价活动的基础⽂件,对双⽅具有约束⼒。
2.贵公司对本询价标书内容的任何疑问,请于[具体⽇期]前以书⾯形式提出,我司将及时予以解答。
询价招标文件(优秀模板3套)
询价招标文件(优秀模板3套)询价招标文件套1**市人民政府采购中心:经研究,我单位决定参加采购编号为号询价采购活动并报价。
为此,我单位做如下承诺,并负法律责任。
1、愿意按照《中华人民共和国政府采购法》及**市政府采购管理的有关规定执行。
2、愿意按照询价文件中的一切要求,提供报价文件,保证文件内容真实、完整。
报价明细见“询价采购报价表”。
3、同意询价文件中所有的规定,本次报价自报价文件送达之日起10日内有效。
4、如果我单位的报价被接受,我单位将按要求的时间签订采购合同,履行询价采购文件中规定的每一项要求,按期、按质、按量供货。
5、如果我单位的报价被接受,我单位保证提供原装正品环境检测设备。
6、愿意遵守有关售后服务规定,提供快速、优质服务。
7、愿意按照《中华人民共和国民法典》履行自己的全部责任。
8、与本次报价有关的函电,请按下列地---址联系:电---话:传真:联系人:地---址:收款单位:开户银行:开户帐号:授权委托书**市政府采购中心:兹委托――――――――――参加(招标编号)政府采购活动,全权代表我单位处理一切事宜。
受托代理人在采购活动过程中所签署的一切有关文件,我单位均予承认。
委托单位:――――――――――――――――――――(单位公章)法定代表人:(签字或盖章)――――――――――受托代理人:(签字或盖章)――――――――――委托期限:20__年――月――日至20__年――月――日止签发时间:20__年――月――日附受托代理人情况:姓---名:―――――――― 性别:―― 年龄:――工作单位:――――――――――――――――――――职务:――――――――――身--份—证号码:―――――――――――――联系电---话:――――――――――― 传真:――――――――――详细通信地---址:――――――――――――――――――――邮政编码:―――――――――合同书(格式)合同编号:-042本合同于20__年4月××日由**市人民政府采购中心(以下简称买方)与×有限公司(以下简称卖方)签订。
- 1、下载文档前请自行甄别文档内容的完整性,平台不提供额外的编辑、内容补充、找答案等附加服务。
- 2、"仅部分预览"的文档,不可在线预览部分如存在完整性等问题,可反馈申请退款(可完整预览的文档不适用该条件!)。
- 3、如文档侵犯您的权益,请联系客服反馈,我们会尽快为您处理(人工客服工作时间:9:00-18:30)。
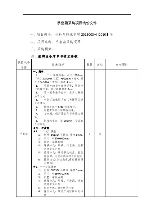
手套箱采购项目询价文件
一、项目编号:材料与能源学院2018003-4【010】号
二、项目名称:手套箱采购项目
三、采购预算:
四、采购设备清单与技术参数
五、基本要求
1.本询价文件要求中,凡标有“★”的条款为“不允许负偏离的条款”,报价文件对这些条款的任何负偏离,将导致其成为无效报价。
报价人在响应询价文件中对这部分内容应尽量列出具体参数或作出详细应答。
2.报价人应提供已注册品牌制造商原装、全新的、符合国家及用户提出的有关质量标准的设备。
设备在正确安装后,能确保在正常的使用过程中安全、可靠,并达到有关规定的要求。
设备应符合中国政府颁布的产品、质量、技术、安全标准及环保标准
3.所有货物及设计、制造、测试和安装都应符合采购时已颁布的现行中国国家或国家认可的(部颁、行业)标准和国际标准化组织以及等效或更优的其他国家的权威性标准和规范的有关条文
六、交付使用时间及地点
1. 交货时间:合同签订后15天内。
2. 交货地点:用户指定地点。
七、质量保证和售后服务
★1.设备免费保修期限:验收合格后3年,保修期自双方代表在货物安装调试后的验收证明文件上签字之日起计算。
2.质保期内,如货物或零部件因质量原因出现故障而造成短期停用时,则质保期和免费维修期相应顺延。
如停用时间累计超过60天则质保期重新计算。
3.在保修期内,如货品非因采购人的人为原因而出现的问题由中标人负责包修、包换或包退,并承担修理、调换或退货的实际费用。
4.保修期内,中标人负责对其提供的货物整机进行维修和系统维护,不再收取任何费用,但非中标人责任的人为因素、自然因素(如火灾、雷击等)造成的故障除外。
5.货物故障报修的响应时间为2小时,且在8小时(连同前面时间计算)内处理完毕。
规定时间内未处理完毕的,中标人在24小时内提供不低于同等档次货物供用户使用至故障货物能正常使用为止。
6.保修期间,同一硬件一个月内连续2次出现同一故障,中标人须无偿更换同一档次货物。
八、评审方法
在满足用户需求的前提下,按“价低者得”的原则确定成交供应商。
(说明:此方法适用于规格、标准统一的通用货物类项目)
★九、付款方式
1.成交人在货款结算时需交纳合同总金额5%的保修保证金给采购人,成交人在保修期间能履行保修条款及服务承诺,保修期满,采购人即不计利息返还其保修保证金。
2.成交人货物安装调试完毕并经双方对货物进行验收合格后,开具全额销售发票给采购人,付款按广东工业大学支付的有关规定办理。
备注:对于非通用货物类和服务类项目,可分为二阶段进行评审。
第一阶段为符合性评审,在拆封报价函前,询价小组对各供应商提交的样品及其他材料进行综合评审,评出符合用户需求的若干家供应商进入第二阶段评审。
第二阶段为价格评审,对进入第二阶段评审的供应商的报价函进行拆封,然后按“价低者得”确定成交供应商。