数控铣工图纸
合集下载
数控铣4轴图纸

1.6
90 - 0.04 70 A 12 ±0.02
8R6
+0.015 8 0
+0.04 0 0
R60
40
5 4-R
40
70 - 0.04
5
A 60 ±0.02 20 ±0.02
剖剖 Aห้องสมุดไป่ตู้A
10 - 0.04
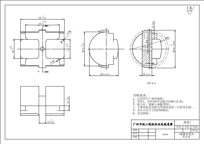
考考考考:
1、以单件生产条件编程; 2、零件1、零件2的单边配合间隙≤0.04; 3、配合后,能插入 8h7销钉; 4、不准用砂布及锉刀等修饰表面(可清理毛刺); 5、未注公差尺寸按IT13确定; 6、直边倒钝。
15
+0.04 0
3
8
C
剖剖 C-C
E向
+0.04 0
+0.04 0
广州市技工院校职业技能竞赛
比比 制制 校校 审考 2A20
图纸2
重重 共2张 第2张
4轴数控铣床 (学生组)
14 - 0.04
0
0
0 78 - 0.04
+0.04 0
+0.04 0
0
广州市技工院校职业技能竞赛
比比 制制 校校 审考 2A20
图纸1
重重 共2张 第1张
4轴数控铣床 学生组
118 ±0.02
+0.04 0 0 70 - 0.04
1.6
1.50 ±0.02 C
90
C 78 ±0.02 70 ±0.02
+0.04 0
14 - 0.04
6 8-R
0
8 ± 0 .0
2
40
60°
4-R4
B
5 4-R
+0.025 0 +0.04 0
90 - 0.04 70 A 12 ±0.02
8R6
+0.015 8 0
+0.04 0 0
R60
40
5 4-R
40
70 - 0.04
5
A 60 ±0.02 20 ±0.02
剖剖 Aห้องสมุดไป่ตู้A
10 - 0.04
考考考考:
1、以单件生产条件编程; 2、零件1、零件2的单边配合间隙≤0.04; 3、配合后,能插入 8h7销钉; 4、不准用砂布及锉刀等修饰表面(可清理毛刺); 5、未注公差尺寸按IT13确定; 6、直边倒钝。
15
+0.04 0
3
8
C
剖剖 C-C
E向
+0.04 0
+0.04 0
广州市技工院校职业技能竞赛
比比 制制 校校 审考 2A20
图纸2
重重 共2张 第2张
4轴数控铣床 (学生组)
14 - 0.04
0
0
0 78 - 0.04
+0.04 0
+0.04 0
0
广州市技工院校职业技能竞赛
比比 制制 校校 审考 2A20
图纸1
重重 共2张 第1张
4轴数控铣床 学生组
118 ±0.02
+0.04 0 0 70 - 0.04
1.6
1.50 ±0.02 C
90
C 78 ±0.02 70 ±0.02
+0.04 0
14 - 0.04
6 8-R
0
8 ± 0 .0
2
40
60°
4-R4
B
5 4-R
+0.025 0 +0.04 0
数控铣工三级操作图纸

数控铣工三级操作图纸(总26页)
--本页仅作为文档封面,使用时请直接删除即可--
--内页可以根据需求调整合适字体及大小--
《数控铣工》(三级)
试题单
试题代码:试题名称:板类零件加工(一)
考生姓名:准考证号:
考核时间:240min
1、操作条件
(1)数控铣床(FANUC或HASS)。
(2)Φ6键槽铣刀、Φ10键槽铣刀、游标卡尺、百分表等工量具;(3)零件图纸(图号);
2、操作内容
(1)根据零件图纸(图号)完成零件加工。
(2)零件尺寸自检;
(3)文明生产和机床清洁。
3、操作要求
(1)按零件图纸(图号)完成零件加工。
(2)文明生产和机床清洁。
(3)操作过程中发生撞刀等严重生产事故者,鉴定立即终止。
《数控铣工》(三级)
试题单
试题代码:试题名称:盘类配合件加工(一)
考生姓名:准考证号:
考核时间:240min
1、操作条件
(1)数控铣床(FANUC或HASS)。
(2)Φ6键槽铣刀、Φ10键槽铣刀、游标卡尺、百分表等工量具;(3)零件图纸(图号、图号);
2、操作内容
(1)根据零件图纸(图号、图号)完成零件加工。
(2)零件尺寸自检;
(3)文明生产和机床清洁。
3、操作要求
(1)按零件图纸(图号、图号)完成零件加工。
(2)件二与件一配合间隙。
(3)文明生产和机床清洁。
(4)操作过程中发生撞刀等严重生产事故者,鉴定立即终止。