SDH告警及性能事件产生原理
SDH常见告警及原因分析

TLOS:支路信号消失。
由于电缆损坏或者连接器问题导致。
TAIS:支路信号告警指示。
由于支路信号输入AIS引起。
NOP光接口信号消失。
由于光纤损坏或者光连接器问题导致。
LOF/MS_DEG/MS_EXC:线路帧失步/复用段性能劣化/复用段过量误码。
由于光纤衰耗太大或者接头连接器问题导致。
MS_AIS:复用段上游告警指示信号。
通常由于上游再生器告警引起。
MS_RDI复用段远端失效指示。
如果某个光接口发送方向在对端引起NOP/LOF/MS_AIS等告警,则由对端向本端发送MS_RDI信号。
MS_REI:复用段远端误码指示。
如果某个光接口发送方向在对端引起B2 error,则由对端向本端发送MS_REI信号。
AU_LOPAU指针丢失。
AU_AISAU上游告警指示。
HP_SLM高阶信号类型失配。
由于C2字节失配引起。
HP_TIM高阶信号踪迹失配。
由于J1字节失配引起。
HP_RDI高阶远端告警指示。
HP_REI高阶远端误码指示。
TU_LOPTU指针丢失。
TU_AISTU上游告警指示。
LP_SLM低阶信号类型失配。
由于V5字节信号类型定义失配引起。
LP_TIM低阶信号踪迹失配。
由于J2字节失配引起。
LP_RDI低阶远端告警指示。
LP_REI低阶远端误码指示。
SDH常见告警及处理方法

华为SDH故障1.1 R_LOS告警名称或故障现象:R_LOS告警表示接收线路侧信号丢失(Receive loss of signal),为紧急告警。
告警产生原因:1、断纤;2、线路衰耗过大;3、本板接收方向故障;4、对端站发送部分故障,线路发送失效;5、对端站交叉时钟板故障或不在位。
告警处理方法:1、现场用光功率计检测告警单板的接收光功率是否正常。
如果接收光功率正常,请转至步骤8。
2、检查光缆是否有故障,排除光缆故障后,查看告警是否排除。
3、清洁本站尾纤接头和线路板接收光口,查看告警是否排除。
4、检查本站的法兰盘和光衰减器是否连接正确,光衰减器的衰减值是否过大。
正确使用法兰盘和光衰减器后,查看告警是否排除。
5、用光功率计检查对端站的发射光功率是否正常,如果发射光功率不正常,更换线路板。
6、如果发射光功率正常,清洁对端站的尾纤接头,查看告警是否排除。
7、检查对端站的法兰盘和光衰减器是否连接正确,光衰减器的衰减值是否过大。
正确使用法兰盘和光衰减器后,查看告警是否排除。
8、更换本站上报告警的线路板,查看告警是否排除。
9、更换对端站的线路板,查看告警是否排除。
1.2 R_LOF、R_OOF告警名称或故障现象:R_LOF告警表示接收线路侧帧丢失(Receive loss of frame),为紧急告警。
告警产生原因:1、接收信号衰减过大;2、对端站发送信号无帧结构;3、本板接收方向故障。
告警处理方法:1、在网管上查看是否有高级别的R_LOS告警,优先处理这些高级别告警后,查看告警是否排除。
2、检测告警单板的接收光功率是否正常。
如果接收光功率正常,请转至步骤9。
如果收光不正常,让现场定位衰耗点在机房内还是在线路上,如果在线路上,转至步骤8。
3、清洁本站尾纤接头和线路板接收光口,查看告警是否排除。
4、检查本站的法兰盘和光衰减器是否连接正确,光衰减器的衰减值是否过大。
正确使用法兰盘和光衰减器后,查看告警是否排除。
SDH系列传输设备告警及性能事件响应探讨

SDH系列传输设备告警及性能事件响应探讨Studing Alarm and Performance ofSDH Series’ Transmission Equipment摘要在维护SDH设备过程中,我们会碰到很多的告警及性能事件,其中有一部分告警是极其相似的。
主要阐述这些告警及性能事件的产生及检测基理,以便大家在日常维护中可以做到快速定位。
关键词再生段复用段同步传输模块高阶通道低阶通道开销管理单元支路单元1 前言在SDH的帧结构中有着丰富的开销字节, 包括再生段开销(RSOH) 、复用段开销(MSOH) 、通道开销( POH) 。
正是借助于这些开销字节传递的告警、性能事件信息, 使得SDH设备具有强大的在线告警及误码检测能力。
但是, 在设备维护中, 我们会遇到很多告警及性能事件, 其中有很多告警及性能事件是非常相似, 比如AIS 告警就有E1 - AIS( E1 - Alarm indication signal ,2M 信号- 告警指示信号) 、MS - AIS(Multiplexsection - Alarm indication signal , 复用段- 告警指示信号) 、AU - AIS(Administration unit - Alarm indicationsignal , 管理单元- 告警指示信号) 、TU- AIS( Tributaryunit - Alarm indication signal , 支路单元- 告警指示信号) 等, 如果对这些告警及性能事件的产生原因不能很好地掌握, 要排除故障是非常困难的。
所以, 对这些告警及性能事件的有效分析是解决问题的关键, 要找到问题的根源, 首先要从告警或性能事件产生的原因开始, 在查清问题所在之后, 运用有效的处理方法将故障排除。
本文主要讨论了这些告警及性能事件信息的产生和检测基理, 以便大家在维护SDH设备过程中可以做到对故障的快速定位。
SDH原理告警与性能部分

告警与性能一:综述在SDH设备中,除了信号丢失等告警信号,其余所有的告警及性能都在SDH帧的开销中得到体现,并根据开销在每个网元的处理将开销字节终结、从新向下一个网元发起(前被终结的内容重新发起)、以及回送对告信息。
告警及性能的产生:根据当前光纤、支路线路的状态,以及根据误码的算法,要么向网管发出告警信息,要么向相应的开销字节写入内容同时向网管上报数值。
开销字节的终结即是将开销提取出来,上告网管报告为告警及性能记数,以及如需要的话,对SDH发出相应的保护倒换(同样是通过写开销字节来达到目的)等动作。
开销字节的从新发起即是将本网元已经终结的字节按照当前状态写入,或重新进行性能的记数等,然后发给下一网元。
回送对告信息即是在收到对端的各种告警及性能记数(如B2、B3、V5性能以及K2状态),根据SDH开销字节含义,将对告的信息写入对告的字节(如M1、G1、REI、K2等)里,通过光纤发往对端。
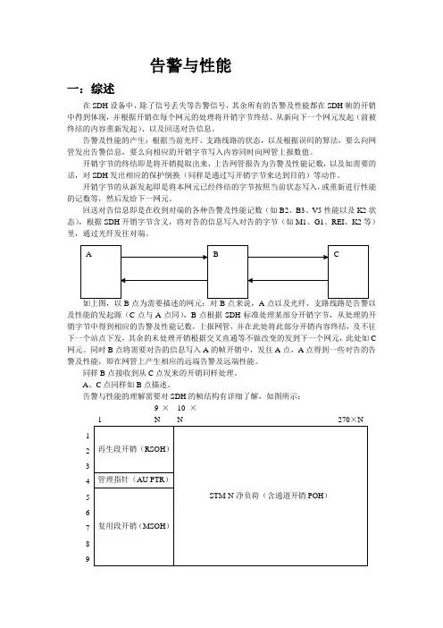
如上图,以B点为需要描述的网元:对B点来说,A点以及光纤、支路线路是告警以及性能的发起源(C点与A点同),B点根据SDH标准处理某部分开销字节,从处理的开销字节中得到相应的告警及性能记数,上报网管,并在此处将此部分开销内容终结,及不往下一个站点下发,其余的未处理开销根据交叉直通等不做改变的发到下一个网元,此处如C 网元。
同时B点将需要对告的信息写入A的帧开销中,发往A点,A点得到一些对告的告警及性能,即在网管上产生相应的远端告警及远端性能。
同样B点接收到从C点发来的开销同样处理。
A、C点同样如B点描述。
告警与性能的理解需要对SDH的帧结构有详细了解,如图所示:9×10×二:告警及性能分类1.传输类:LOS、LOF、LOP、AIS、标识失配等包括MS、HP、LP、AU、TU,即复用段、再生段、告阶/低阶通道本端、远端RDI设备类:拔板、故障、不匹配、时钟丢失等性能超值B1、B2、B3、PJ、V5、CV等软件告警网管、时隙分配等2.性能记数:B1、B2、B3、PJ、V5、CV等本端记数、远端FEBBE、ES、SES、UASB1、B2、B3、PJ、V5、CV属于各个开销段的内容。
SDH告警及性能事件产生原理

目录SDH告警及性能事件产生原理 (1)1.1 基本概念 (1)1.1.1 术语 (3)1.1.2 两种通用告警 (3)1.1.3 告警管理 (4)1.2 SDH高阶部分信号流中告警、性能事件的产生和检测 (5)1.2.1 下行信号流 (6)1.2.2 上行信号流程 (9)1.3 SDH低阶部分业务信号流及告警、性能事件的产生 (11)1.3.1 下行信号流程 (12)1.3.2 上行信号流程 (13)1.3.3 34M/140M电接口告警信号和2M电接口告警信号的区别 (14)1.4 SDH告警信号间的抑制关系 (15)1.5 SDH性能事件产生和检测 (16)1.5.1 误码 (16)1.5.2 指针调整 (19)插图目录图1-1 SDH告警信号流程图 (2)图1-2 SDH接口与交叉单元间告警信号产生流程图 (6)图1-3 2M PDH接口与交叉单元间告警信号产生流程图 (11)图1-4 V5字节结构图 (12)图1-5 G1字节结构图 (14)图1-6 主要告警抑制树 (15)图1-7 误码检测关系及检测位置 (17)图1-8 管理指针AU-PTR的位置和内容 (19)表格目录表1-1 误码术语表 (17)表1-2 误码越限告警及性能事件检测位置与作用 (18)表1-3 指针调整状态 (20)SDH告警及性能事件产生原理本章介绍SDH(Synchronous Digital Hierarchy)业务的告警、性能事件产生原理以及在故障定位中的应用。
包括:●基本概念●SDH告警信号间的抑制关系●SDH低阶部分业务信号流及告警、性能事件的产生●SDH性能事件产生和检测1.1 基本概念在SDH的帧结构中有着丰富的开销字节,包括再生段开销、复用段开销、通道开销。
正是借助于这些开销字节传递的告警、性能事件,使得SDH系统具有很强的在线告警和误码监测能力。
通过对这些告警信息的产生方式和检测方式的了解,可以做到对故障的快速定位。
SDH原理告警与性能部分汇总

告警与性能一:综述在SDH设备中,除了信号丢失等告警信号,其余所有的告警及性能都在SDH帧的开销中得到体现,并根据开销在每个网元的处理将开销字节终结、从新向下一个网元发起(前被终结的内容重新发起)、以及回送对告信息。
告警及性能的产生:根据当前光纤、支路线路的状态,以及根据误码的算法,要么向网管发出告警信息,要么向相应的开销字节写入内容同时向网管上报数值。
开销字节的终结即是将开销提取出来,上告网管报告为告警及性能记数,以及如需要的话,对SDH发出相应的保护倒换(同样是通过写开销字节来达到目的)等动作。
开销字节的从新发起即是将本网元已经终结的字节按照当前状态写入,或重新进行性能的记数等,然后发给下一网元。
回送对告信息即是在收到对端的各种告警及性能记数(如B2、B3、V5性能以及K2状态),根据SDH开销字节含义,将对告的信息写入对告的字节(如M1、G1、REI、K2等)里,通过光纤发往对端。
如上图,以B点为需要描述的网元:对B点来说,A点以及光纤、支路线路是告警以及性能的发起源(C点与A点同),B点根据SDH标准处理某部分开销字节,从处理的开销字节中得到相应的告警及性能记数,上报网管,并在此处将此部分开销内容终结,及不往下一个站点下发,其余的未处理开销根据交叉直通等不做改变的发到下一个网元,此处如C 网元。
同时B点将需要对告的信息写入A的帧开销中,发往A点,A点得到一些对告的告警及性能,即在网管上产生相应的远端告警及远端性能。
同样B点接收到从C点发来的开销同样处理。
A、C点同样如B点描述。
告警与性能的理解需要对SDH的帧结构有详细了解,如图所示:9×10×二:告警及性能分类1.传输类:LOS、LOF、LOP、AIS、标识失配等包括MS、HP、LP、AU、TU,即复用段、再生段、告阶/低阶通道本端、远端RDI设备类:拔板、故障、不匹配、时钟丢失等性能超值B1、B2、B3、PJ、V5、CV等软件告警网管、时隙分配等2.性能记数:B1、B2、B3、PJ、V5、CV等本端记数、远端FEBBE、ES、SES、UASB1、B2、B3、PJ、V5、CV属于各个开销段的内容。
SDH原理告警与性能部分
SDH原理告警与性能部分SDH(同步数字体系)是一种基于光纤传输的数字传输技术,它提供了高速、灵活和可靠的通信传输能力。
在SDH中,原理告警和性能监测是两个重要的方面,用于确保网络的正常运行和性能优化。
一、SDH原理告警原理告警是指在SDH网络中,当出现网络故障或异常时,设备会产生一些告警信息,以通知运维人员及时处理。
常见的SDH原理告警包括:1.异常事件告警:包括LOF(线路失去同步)、LOS(线路失去信号)和LOP(线路失去指针)等告警。
这些告警通常是由于光纤中断、光模块故障或设备故障引起的,需要及时检修。
2.通信质量告警:包括BER(误码率)告警和ES(错误秒)告警等。
BER告警表示传输错误的比特数超过了一定阈值,ES告警表示在一个时间段内传输错误的次数超过了一定阈值。
这些告警通常是由于光纤质量差、光模块老化或设备性能退化引起的,需要及时排查和修复。
3.设备故障告警:包括OTU(光传送单元)失去同步、OTL(光传输线路)失去同步和OOF(光光传送失去同步)等告警。
这些告警通常是由于设备硬件故障或软件异常引起的,需要及时维修或重启。
4.网络拓扑告警:包括MS-REI(主站远端终止信息)、RS-REI(复用段远端终止信息)和BI(背景初始化)等告警。
这些告警通常是由于网络配置错误或拓扑调整引起的,需要及时调整配置或修改拓扑。
二、SDH性能监测性能监测是指对SDH网络中的各项性能指标进行实时监控和评估,以便及时发现网络问题并采取措施进行优化。
在SDH中,常见的性能监测项目包括:1.误码率(BER)监测:通过对传输数据进行统计和对比,实时监测SDH网络中的误码率,以判断网络的质量。
当误码率超过一定阈值时,需要进行排查和修复。
2.空闲信道利用率监测:对SDH网络中的空闲信道进行监测,以评估信道的利用率和网络的负载情况。
通过监测空闲信道利用率,可以进行网络规划和资源优化。
3.时钟稳定度监测:对SDH网络中的时钟进行监测,以确保时钟的稳定性和准确性。
SDH传输设备的告警分析及故障排除
SDH传输设备的告警分析及故障排除□王新辉(台州市黄岩广播电视局,浙江台州318020)中图分类号:TN943.6 文献标识码:A 文章编号:1007-7022(2003)06-0103-02 SDH光传输设备在日常工作中承担着越来越繁忙的工作,技术维护人员几乎每天都会面对告警的发生,因此正确理解SDH的告警,将有助于对故障的正确分析和判断,及时地定位及解决。
下面给出几个故障事例,通过对这些故障的分析,有益于加深对故障处理的认识。
1 光路发生阻断后,设备告警信号的分析及处理如图1所示,光缆发生阻断时,在网管上会发出OOF,LOF,RS-LOS等光路通道上的告警。
如果是单纤断,B网元收到OOF,LOF,RS-LOS 等告警,A网元则有MS-RDI类似的告警(此时告警的产生是由于K2字节的b6b7b8=110所造成的)。
图1 此时维护人员应该根据告警,并使用光功率计对收方向的光纤进行测量,若收到光信号,则可能是本端光接头或入端的光尾纤或光盘的问题;若收不到光信号,则是光缆阻断或是对端站的问题,由此来对故障进行分段查找,用O TDR再进一步定位故障点。
同时,当收端无时钟信号输入时,也会产生R-LOS告警,此时需根据网管上显示的告警进一步判断。
2 误码告警的分析及处理施,防止高频头进水;冬季下雪后要及时清扫天线的积雪,以保证信号质量。
另外,我们定期检查卫星天线接地线是否接地良好,这项检查很重要,接地良好可以防止雷击损坏卫星接收设备及机房设备。
3 播出机房设备的维护检测为了保证有线电视的安全优质播出,我们制定了一套维护管理制度,对机房设备进行周检、月检、季检和年检等定期检修和日常维护。
我们每周都对调制器的图像载波电平、伴音载波电平及音量进行调整,并做好记录,若发现某个频道电平变化较大,则尽快查找原因。
坚持对录像机进行月检,进行内部除尘,清洗磁头,对卫星接收机、视频分配器等输出的视频信号幅度每月进行一次调整。
sdh--告警、性能产生原理
如果检测到K2 b6-b8 111 则上报MS-AIS告警并下插全"1"信号 如果 检测到K2 b6-b8 110 则上报MS-RDI告警
2 如果从STM-N信号中恢复出的B2字节和前一个STM-N帧 除再生段开销 外的所有比特 的BIP-24计算结果不一致 则上报B2 误码
同时根 据M1字 节 复用 段远端误 块指 示 判断 是否上报MS-REI告 警 MS-REI传递的是由B2字节检出的错误间插比特块数目
提示
无光情况一般在光纤中断 对端站发送光模块坏或本站接收光模块坏等情况 下会发生 光功率过低的情况有光纤衰耗太大或光接头接触不良等 光功率 过高是指接收光功率过载 这时应检查光衰耗器是否损坏或光板的发送距离 是否合适等 码型不匹配通常发生在上 下游站间信号速率不一致或上游站 时钟板会导致其发送数据紊乱等 这时需要检测上游站的光板是否匹配或时 钟板 交叉板是否工作正常等
B3 G1 F2 F3和N1
如 果 在 下 行 信 号 流 中 检 测 到 有 AU-AIS AU-LOP HP-UNEQ 或 HP-LOM HP-TIM和HP-SLM可选 告警 则将G1 bit5 设置为1 送出HP-RDI告
警回告给远端 如果在下行信号中检测到有B3误码 并根据检测的误码值 将G1 bit1-bit4 置为相应的误码值 从1 8 送出HP-REI告警回告给远 端
SBS2500+ 高级培训手册
第五部分 故障定位 第三章 告警 性能产生原理
第三章 告警 性能产生原理
3.1 综述
在SDH的帧结构中有着丰富的开销字节 包括再生段开销 复用段开销 通 道开销 正是借助于这些开销字节传递的告警 性能信息 使得SDH系统具 有很强的在线告警和误码监测能力 通过对这些告警信息的产生方式和检测 方式的了解 可以做到对故障的快速定位
SDH告警分析与故障处理
SDH告警分析与故障处理1.告警名称:信号丢失(R-LOS)告警产生的原因:断纤;线路损耗过大,导致收光功率超出灵敏度值;对端站发送方向无系统时钟;对端站激光器损坏,线路发送失效;对端站交叉板没有时钟输出;对端站时钟板工作不正常. 告警处理步骤:测试告警单板的接收光功率,如果光功率正常则检查板上接头有无松动,如果接头良好则更换告警单板;如果光功率很小或接近0mW,检查对端至本站的光缆是否松动;如果光缆线路正常,检查对端站光发送板接头是否松动,如果接头良好则更换对端站光发送板。
2.告警名称:帧丢失(R-LOF)告警产生的原因:光损耗过大;对端站发送信号无帧结构;本端接收方向有故障。
告警处理步骤:检查告警单板接收光功率,如果光功率正常则检查告警单板是否存在问题;如果光功率超出正常范围,则检查对端站至本站光纤及其接口是否损坏;如果光纤及告警单板都正常,则检查对端站光发送板设法存在问题。
3.告警名称:帧失步(R-OOF)告警产生的原因:接收信号损耗偏大;传输过程误码过大;接收方向器件有故障;对端站发送有故障。
告警处理步骤:检查告警单板接收光功率,光功率正常则检查告警单板是否存在问题;如光功率超出正常范围,则检查对端站至本站光纤及其接口是否损坏;如光纤及告警单板都正常,则检查对端站光发送板是否存在问题。
4.告警名称:发送失效(TF)告警产生的原因:光发送模块损坏;告警处理步骤:更换故障单板5.告警名称:再生段误码过量指示(B1-EXC)告警产生的原因:接收信号损耗偏大;对端站光发送电路高频部分有故障;光纤不清洁或与连接器不正确;本站接收电路部分故障。
告警处理步骤:如果同时也出现B2、B3告警,故障往往是线路损耗过大或由光接口板的故障引起,定位方法同出现R-LOS的情况;检查设备工作温度是否过高;如无以上情况,更换故障单板。
6.告警名称:复用段告警指示(MS-AIS)告警产生的原因:对端站发线路AIS信号;对端站发站发方向无时钟或无信号告警处理步骤:检查对端站线路板(ASP等)是否存在问题,可通过复位或更换单板的方法检查告警是否消失;检查本站线路板,先更换光接收板,如未解决再更换ASP板。
- 1、下载文档前请自行甄别文档内容的完整性,平台不提供额外的编辑、内容补充、找答案等附加服务。
- 2、"仅部分预览"的文档,不可在线预览部分如存在完整性等问题,可反馈申请退款(可完整预览的文档不适用该条件!)。
- 3、如文档侵犯您的权益,请联系客服反馈,我们会尽快为您处理(人工客服工作时间:9:00-18:30)。
目录SDH告警及性能事件产生原理 (1)1.1 基本概念 (1)1.1.1 术语 (3)1.1.2 两种通用告警 (3)1.1.3 告警管理 (4)1.2 SDH高阶部分信号流中告警、性能事件的产生和检测 (5)1.2.1 下行信号流 (6)1.2.2 上行信号流程 (9)1.3 SDH低阶部分业务信号流及告警、性能事件的产生 (11)1.3.1 下行信号流程 (12)1.3.2 上行信号流程 (13)1.3.3 34M/140M电接口告警信号和2M电接口告警信号的区别 (14)1.4 SDH告警信号间的抑制关系 (15)1.5 SDH性能事件产生和检测 (16)1.5.1 误码 (16)1.5.2 指针调整 (19)插图目录图1-1 SDH告警信号流程图 (2)图1-2 SDH接口与交叉单元间告警信号产生流程图 (6)图1-3 2M PDH接口与交叉单元间告警信号产生流程图 (11)图1-4 V5字节结构图 (12)图1-5 G1字节结构图 (14)图1-6 主要告警抑制树 (15)图1-7 误码检测关系及检测位置 (17)图1-8 管理指针AU-PTR的位置和内容 (19)表格目录表1-1 误码术语表 (17)表1-2 误码越限告警及性能事件检测位置与作用 (18)表1-3 指针调整状态 (20)SDH告警及性能事件产生原理本章介绍SDH(Synchronous Digital Hierarchy)业务的告警、性能事件产生原理以及在故障定位中的应用。
包括:●基本概念●SDH告警信号间的抑制关系●SDH低阶部分业务信号流及告警、性能事件的产生●SDH性能事件产生和检测1.1 基本概念在SDH的帧结构中有着丰富的开销字节,包括再生段开销、复用段开销、通道开销。
正是借助于这些开销字节传递的告警、性能事件,使得SDH系统具有很强的在线告警和误码监测能力。
通过对这些告警信息的产生方式和检测方式的了解,可以做到对故障的快速定位。
SDH告警信号流程如图1-1所示。
T1512780-93/d02SPI RST (Note 1)MST MSA HPOMHUGHPCHPTHPALPOMLUGLPCLPTLPAPhysical Section RegeneratorSectionMultiplex Section Higher Order PathLower Order PathNOTES1 This column represents the degenerate connection function present in a regenerator.2 The insertion of all-ones (AIS) and FERF on certain defects may be optional.This figure shows these options as dashed lines. See Recommendation G.783.FIGURE 2-2/G.782SDH maintenance signal interactionUnused LPC output/LP-UNEQLOF RS-BIP Error (B1)Regenerated signal passed through HP-UNEQ HP-TIM HP-SLMHP-BIP Error (B3)HP-FEBE HP-FERF HP-FERF HP-FEBELOSMS-AISMS-Exc. Error (B2)MS-BIP Error (B2)MS-FERFMS-FERF AU-AIS AU-LOPHP-LOM/TU-LOPLP-UNEQ LP-TIM LP-SLMLP-BIP Error (B3/V5)LP-FEBE LP-FERF LP-FERF LP-FEBEAU-AISTU-AISTU-AISHO Path signal passed throughHOVC with POH and unspecified payload HO unequipped signalLO Path signal passed throughLOVC with POH and unspecified payload LO unequipped signalUnused HPC output/HQ-UNEQ«1»«1»«1»«1»«1»«1»«1»«1»«1»Detection GenerationInsertion of all-ones (AIS) signal Alarm Indication Signal Far End Block Error Far End Receive Failure Loss Of Frame Loss Of Multiframe Loss Of Pointer Loss Of SignalSignal Label Mismatch Trace Identifier MismatchUnequipped signal per Recommendation G.709«1»AIS FEBE FERF LOF LOM LOP LOS SLM TIM UNEQ图1-1 SDH 告警信号流程图1.1.1 术语1.1.2 两种通用告警注意:并不是某站有告警就说明该站有问题,只能说明该站检测到了告警。
而引起该告警产生的原因可能来自于对端站或其它原因。
如实际中光纤断裂引起的R_LOS、对端站交叉板坏引起本站HP_LOM(高阶通道复帧丢失)告警等。
1.1.3 告警管理告警的上报过程如下:●单板检测到告警,并上报给主机软件;●主机软件将告警上报给T2000 Server;●用户通过T2000 Client 从T2000 Server中查询告警。
在这个过程中,告警需要通过三层过滤,才最终被T2000保存下来,这三个过滤分别是:告警屏蔽、告警自动上报和告警过滤。
另外,告警反转也影响告警的上报。
1. 告警屏蔽对网元或网元的某块单板,可以设置所有告警的屏蔽状态。
如果某告警被设为屏蔽状态,相应的网元或单板将不再监视该告警。
2. 告警自动上报在网元上设置了允许告警的自动上报,则设备侧告警产生后立即上报给网管。
网管上弹出告警板,用户可在告警板中查看此条告警信息,不需要主动进行查询。
对一些不必要的告警可以设置为不自动上报,以减少大量的告警信息对网管性能产生影响。
3. 告警过滤告警过滤是在网管上实现的,不会影响网元侧告警。
根据告警过滤的配置,对上报的告警进行接收或丢弃。
对告警过滤的设置是针对某个网元进行的。
如果设置告警过滤的状态为“使能”,则网管将丢弃该告警,不记入网管数据库中;如果设置为“禁止”状态,则接收该告警并记入网管告警数据库中。
4. 告警反转告警反转有三种模式:不反转、自动恢复、人工恢复。
下面分别进行介绍。
不反转模式即告警正常监视状态,为缺省值。
在告警模式设置为不反转时,设置某端口告警反转使能会返回失败,即不能在不反转模式下使能某一端口的告警反转。
自动恢复模式下设置某端口告警反转使能,如果该端口当前实际无告警,则返回失败。
如果该端口当前实际有告警,设置成功,进入反转模式。
此时如果告警结束,则该端口的告警反转允许状态自动结束,转为告警反转禁止。
注意,此时端口告警反转状态自动变化,与网管数据不一致,是正常的。
自动恢复模式下设置某端口告警反转禁止,不论该端口当前告警状态如何,该端口的上报告警状态恢复到与实际告警状态一致。
人工恢复模式下设置某端口告警反转使能,不论该端口当前告警状态如何,该端口的上报告警状态都立即转变为与实际告警状态相反,即实际有告警时不上报告警,实际没有告警时上报告警。
在设置端口告警反转禁止之前,无论告警状态如何变化,都维持这种告警相反的状态。
人工恢复模式下设置某端口告警反转禁止,不论该端口当前告警状态如何,该端口的上报告警状态恢复到与实际告警状态一致。
设置告警反转需要注意的问题如下。
●单板告警状态不变(包括告警灯),指示设备实际运行状态;●告警反转的设置是基于端口的;●告警反转是在网元主机上完成的,主机和网管的数据是一致的,都是告警反转之后的告警状态。
而直接查询单板上的告警数据,则返回结果是实际的告警状态。
1.2 SDH高阶部分信号流中告警、性能事件的产生和检测根据故障定位中“先线路,后支路;先高级,后低级”的原则,SDH接口与交叉单元间产生的告警、性能事件是我们在维护过程中应首先关心的焦点,因为通常情况下,正是这段高阶部分产生的告警、性能事件引起了低阶告警、性能事件的上报。
这段路由中信号流如图1-2所示。
STM-N 光 接口帧同步器和再生段开销处理器复用段开销处理器交叉板高阶通道开销处理器指针处理器信号传递点告警终结点(上报主控)(下插全"1"信号)和告警上报或回告图1-2 SDH 接口与交叉单元间告警信号产生流程图说明:根据各开销字节在STM-N 帧结构中的处理位置,将其分为四个大的模块:再生段开销、复用段开销、高阶通道开销及低阶通道开销。
其中前两个模块出问题,通常会影响所有的高阶通道,而最后一个模块中的开销字节出问题则只是针对某一个高阶通道。
以下将采取分模块的方式对信号的流程和各开销字节处理进行表述。
1.2.1 下行信号流1. 帧同步器和再生段开销处理器这部分主要处理的与告警、性能事件相关的再生段开销有:帧定位字节(A1、A2)、再生段追踪字节(J0)、误码校验字节(B1)。
告警信号流程如下:●光接收从光路上来的STM-N光信号进入线路板的光接收模块后,首先经过光电转换,被恢复成电信号送往帧同步器和扰码器处理。
在这过程中,光电转换模块会对该信号进行检测,如果发现输入信号无光、光功率过低或光功率过高以及输入信号码型不匹配时会上报R_LOS告警。
产生R_LOS告警后,系统只有在本站的接收光模块连续检测到2个正确的码型图案,并且同时没有检测到新的R_LOS告警产生时,SDH设备才会退出R_LOS状态而进入正常状态。
发生R_LOS告警时,系统会对下一级电路插入全“1”信号。
●A1、A2和J0字节检测帧同步器接收到从光电转换模块发来的STM-N信号后,根据该信号中的A1、A2字节来完成对帧定位信号的捕捉,同时从中提取线路参考同步定时源,发送给时钟板进行时钟锁定。
正常情况下,A1值恒为F6H,A2值恒为28H,但如果连续5帧检测到错误的A1、A2值,将上报R_OOF告警。