学习情境3混合机械设备
机电 一体化专业 知识、能力、素质分解图表

机电一体化专业知识、能力、素质分解图表一、培养规格(一)知识结构1.掌握思想政治理论、大学英语、高等数学、计算机基础、人文素质等文化基础知识。
2.掌握生产岗位上承担机电设备的维护、维修能力,基本机械加工能力,从事相关企业的基层管理工作的能力等专业知识。
3.掌握熟悉岗位要求,掌握岗位技能,懂理论、会操作的,适应社会信息化需求等职业知识。
(二)能力结构1.具备计算机应用、外语应用、数据运算、文字表达、学习评价、社会适应等基本通用能力。
2.具备任务识读、工艺设计、工具使用、产品设计、过程控制、机床基本操作、机电产品设计维修、实践创新等职业核心能力。
3.具备职业规划、职业学习、职业适应、专业拓展等职业拓展能力。
(三)素质结构1.具有思想政治素质、科学文化素质、身体心理素质等基本素质。
2.具有职业道德、职业行为、职业态度等职业素质。
3.热爱专业,爱岗敬业,实事求是,敢于创新,具有良好的职业道德和团结协作精神。
4.具有相应的文化科学知识,掌握本专业所必需的基本理论、基本技能,具有较快适应岗位实际工作的能力和素质,并能运用所学知识分析和解决工作中的问题。
二、职业岗位在调研论证的基础上,该专业面向的就业岗位与职业范围如下表所示。
三、课程体系(一)课程体系构建在调研论证的基础上,根据专业职业岗位,分析确定典型工作任务与职业行动领域,将职业行动领域转换为职业学习领域。
根据职业岗位高素质高技能的要求,进行通用素养课程、职业核心课程与职业拓展课程的体系构建。
1.典型工作任务8 车、铣复合类零件的编程与加工复合零件的数控编程与加工2.职业行动领域分析表5-2 职业行动领域分析表 任务领域典型工作任务 职业行动领域零件图及装配图的识读及绘制三视图的绘制 基本图形的识读及其绘制轴测图的绘制零件图识读 装配图识读车、铣复合类零件的编程与加工轴类零件的加工 普通机床的零件加工盘类零件的加工 箱体类零件的加工 机电设备的维修及调试机床导轨的维修 机电设备的维修 机电设备电路维修机床控制电路的维修 机床主轴的维修 机床液压回路的维修机床控制电路安装X62W 控制电路维修CA6140车床控制电路维修T68控制电路维修 Z3050控制电路维修 机电一体化设备(产品)电气控制霓虹灯的控制 机电一体化设备安装调试开关控制报警器控制自动控制系统故障诊断、系统设计3.职业学习领域对分析表3-3 职业学习领域分析表4.学习情境开发设计根据职业岗位所要求的知识、素质和能力,通过典型任务分析——行动领域分析——学习领域分析,通过学科体系知识的解构与行动体系知识的重构,构建工作过程系统化课程的的学习情境。
学习情境3凸轮机构

学习情境3凸轮机构主讲老师吴明清指导老师授课日期授课班级12模具、机电学习情境任务4内燃机配气机构盘形凸轮轮廓设计学时 4才能目的 1.分析凸轮从动件常用运动规律的才能;2.图解法设计较复杂程度的凸轮机构。
训练工程运动副、构件、常用机构的表示;绘制机构运动简图。
知识点凸轮机构的根本类型及其应用;从动件的常用运动规律;凸轮机构压力角、基圆半径及偏距,滚子半径。
教学重点与难点1. 从动件的常用运动规律;2. 凸轮机构压力角、基圆半径及偏距,滚子半径。
教学方法任务驱动教学与典型案例讲解相结合教学准备课件,黑板,多媒体设备等。
检测与评价老师评价与学生自评与互评相结合;职业才能(占70%)、职业素质(30%);评价成绩采用百分制。
教案设计工作过程工作内容课前组织〔5min〕1.清点学生人数;2.检查授课环境;3.链接多媒体课件。
任务导入〔5min〕凸轮是具有曲线或曲面轮廓的构件,含有凸轮的机构称为凸轮机构。
凸轮机构是一种常用的机构,特别是在自动化机械中应用广泛。
当机器的执行构件需要按一定的位移、速度和加速度规律运动时,尤其是当执行构件需要作间歇运动时,这种情况下最简单的解决方法就是采用凸轮机构。
凸轮机构是将凸轮(主动件)的连续转动或挪动,转化为从动件的往复挪动或摆动,是一种常见的高副机构,只要设计出适当的凸轮轮廓曲线,就可以使从动件实现预定的运动规律。
如下列图一内燃机,用作图法设计其配气机构凸轮轴的凸轮轮廓,此凸轮机构为对心直动尖顶从动件盘形凸轮。
基圆半径r b=35 mm,h=20 mm,凸轮顺时针匀速转动,从动件的运动规律见下表。
凸轮转角 0°~180°180°~210°210°~300°300°~360°从动件的运动规律等加速等减速上升停顿不动等速下降回到原处停顿不动内燃机凸轮机构模型资讯〔60min〕2.1凸轮机构的类型及应用凸轮机构的类型很多,通常可按凸轮的形状、从动件端部的构造、从动件的运动形式等分类。
学习情境设计方案(1.2机械图样认知)

学习情境设计方案专业:机械制造与自动化(纺机方向)学习领域:机械图样绘制与三维建模任务1.2机械图样认识单元一零件图的主要内容与相关信息学习目标:通过本单元,了解一般零件图的内容与相关信息。
任务描述:识度零件图的内容,如图1-1所示图1-1轴承座零件图任务分析:1、由图可见,零件图一般包括下列内容:(1)一组图,完整清淅的表达零件的结构形状。
(2)标注制造零件和检验零件所需的全部尺寸。
(3)有制造、检验零件所达到的技术要求。
(4)图的右下角有标题栏,填写零件的名称、数量、材料、比例、图号以及设计、绘图人员的签名等。
2、零件图样的作用任何机器和他的部件,都是由若干个零件按一定的装配关系和技术要求组装起来的,因此零件是组成机器和部件的基本单位。
表示零件结构、大小及技术要求的图样,称为零件图。
零件图是制造零件和检验零件的依据,是指导生产机器零件的重要技术文件之一。
单元二国家标准《技术制图》、《机械制图》的有关规定学习目标:通过任务一,熟悉有关制图的国家标准,掌握图样格式、图线的画法以及尺寸标注方法,练习使用绘图工具。
任务描述:1.绘制下图。
任务分析:任务一所示图形的格式(边框线、标题栏、图线的型式与粗细、尺寸标注等),必须符合相关的国家标准规定。
要完成该任务,应掌握绘图工具的正确使用方法,熟悉和掌握相关国家标准。
相关知识:工程图样是指导现代生产和建设的重要技术文件,为了便于生产和技术交流,国家对图样画法、尺寸注法等作了统一的规定。
工程技术人员应严格遵守,认真贯彻国家标准。
一、图纸幅面和格式(GB/T14689-93)1、图纸幅面为了合理利用图纸,便于装订、保管,国标规定了五种基本图纸幅面具体的规格尺寸表1-1 图纸幅面的尺寸规格各号基本图纸幅面的尺寸关系如图1-2所示,沿某一号幅面的长边对裁,即为某号的下一号幅面大小。
图1-2 图纸幅面尺寸关系2、图框格式图1-3带装订边的图框格式图纸可以横放或竖放。
机械设计基础- 情境教学 综述

综述
一件产品内部或产品之间尽量采用统一规格、同 一型号的零部件,以减少零部件的种类,便于制造、 管理、使用、更换及维修,这称为通用化。以家用风 扇为例,它上面各个部位有很多螺钉,如果采用同一 规格尺寸,那么维修和清洗时就不需要更换工具,安 装时也不必考虑逐一配对。因此,通用化的方式对生 产厂家和用户都起到提高效率、降低成本的作用。
综述
3. 零件和构件
零件是指机器中不可拆的单元,即制造单元。如图0-6所示 内燃机连杆上的螺栓、连杆盖等。
图0-6 内燃机连杆
综述
构件是指机构中 的运动单元体,可以 是一个零件,如图05所示内燃机中的曲 轴;也可以是多个零 件的组合体,如图07所示的活塞和连杆。
图0-7 活塞连杆组
综述
零件可分为两类:一类是通用零件,常用于 各种机器,如齿轮、轴、螺栓、螺母、弹簧等; 另一类是专用零件,用于某些特定类型的机器, 如内燃机的曲轴、汽轮机的叶片等。
图0-2 轿车的组成
综述
机器的组成框图如图0-3所示。
图0-3 机器的组成框图
综述
(1)
(2)
(3)
(4)
(5)
•支撑及辅助部分。
•控制部分。
•执行部分。
•传动部分。
•动力部分。
综述
从上述各组成部分分析,能不能将动力部分和执行 部分直接相连接而免去传动装置呢?从结构上看这样简化 了机器,降低了成本,但由于动力部分速度较高,而执行 部分速度较低,或执行部分运动不是旋转运动等原因,通 常不直接把原动机(动力部分)的动力传给工作(执行) 部分,而是通过不同的传动装置(传动部分)来转换。因 此,传动部分在机器中的作用是:改变速度(增速、减速、 调速);传递运动及改变运动形式;传递动力。
学习情境练习题

答案学习情境1 (任务1.1认识企业的机电设备) 测试题班级学号姓名一、多项选择题:1.我国的汽车制造企业的机电设备正朝以下(A、B、C、D、E)方向发展。
A 自动化B 电子化C 系列化D 焊接机器人生产线E总装装配线2.机电设备按工作类型分为10个大类,其中有(A、B、C、D)。
A 金属切削机床B 锻压设备C 仪器仪表D 动力设备E 电气设备3.现代设备正在朝着(A、B、C、D、E )等方向发展。
A 大型化B 高速化C 精密化D 电子化E自动化4.最大磨削直径为320 mm的高精度万能外圆磨床表示为( B )。
A CA6140B B MGl432C XK5040D T4163B二、填空题:1.设备是人们在生产或生活中所需的(机械)、(装置)、和(设施)等可供长期使用,并在使用中基本保持原有(实物形态)的物质资料。
2.机电设备是企业(固定)资产的主体。
3.企业根据设备本身的固有因素及设备在生产运行过程中的客观作用,将设备划分为A、B、C三类,其中A类为(重点设备),B类为(主要设备),C类为(一般设备)。
4.机床主要是按(电工设备)和(机械设备)进行分类的。
5.通用机床的型号由(基本)部分和(辅助)部分组成,中间用“/”隔开,读做“之”。
其中(基本)部分国家统一管理,(辅助)部分纳入型号与否由生产厂家自定。
三、简答题:1.说说大量使用现代设备给企业和社会带来哪些新问题。
答:大量使用的现代设备也给企业和社会带来一系列新问题:①购置设备需要大量投资;②维持设备正常运转也需要大量投资;③发生故障停机,经济损失巨大;④一旦发生事故,将会带来严重后果;⑤机电设备的社会化程度越来越高。
2.简述机电设备的结构组成。
答:机电设备是为企业生产产品,创造价值服务的,机电设备的结构一般由:机身、动力传动系统、工作机构、操纵系统、电气控制系统和润滑系统等几个公共部分组成。
3.什么是自动化生产线?答:生产线是产品生产过程所经过的路线,即从原料进入生产现场开始,经过加工、运送、装配、检验等一系列生产线活动所构成的路线。
《机械制造基础》各学习情境习题

学习情境一:车削加工习题1-1 什么是车削?其特点是什么? 1-2 车削加工的基本内容是什么?1-3 常用卧式车床主要部分的名称和作用是什么? 1-4 画出CA6140型卧式车床的传动系统框图。
1-5 车削加工必须具备哪些运动?各有什么特点。
1-6 车削时所形成的三个表面是什么? 1-7 什么是背吃刀量、进给量和切削速度?1-8已知工件毛坯直径为mm 80φ的轴,要求一次进给车至mm 73φ,如果选用切削速度min /50m v c =,求背吃刀量(p a )及主轴转速(n )各等于多少?1-9在车床上车削mm 60φ的轴。
选用主轴转速为min /600r 。
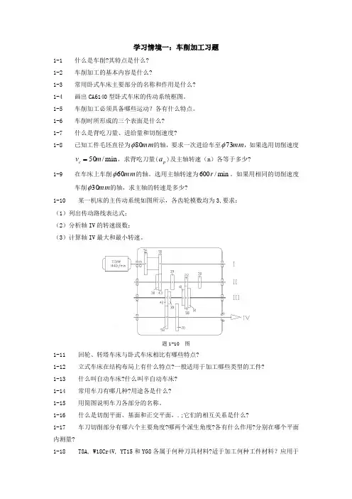
如果用相同的切削速度车削mm 30φ的轴,求主轴的转速是多少?1-10 某一机床的主传动系统如图所示,各齿轮模数均为3,要求: (1)列出传动路线表达式; (2)分析轴IV 的转速级数; (3)计算轴IV 最大和最小转速。
题1-10 图1-11 回轮、转塔车床与卧式车床相比有哪些特点?1-12 立式车床在结构布局上有什么特点?一般适用于加工哪些类型的工件? 1-13 什么叫自动车床?什么叫半自动车床? 1-14 常用车刀有哪几种?用途各是什么? 1-15 用简图说明车刀各部分的名称。
1-16 什么是切削平面、基面和正交平面,.;它们的相互关系是什么?1-17 车刀切削部分有哪六个主要角度?哪两个派生角度?各有什么作用?分别在哪个平面内测量?1-18 T8A, W18Cr4V, YT15和YG8各属于何种刀具材料?适于加工何种工件材料?应用于什么场合?1-19 刀具切削部分材料必须具备哪些基本性能?1-20 常用的车刀材料有哪几类?简述硬质合金车刀的分类和适用加工的材料。
1-21 试画图说明切削过程的二个变形区及各产生何种变形?1-22 从切屑形成的机理可把切屑分为哪些种?各有何特点?可否相匀_转化?1-23 以外圆车削为例说明切削合力、分力及切削功率。
纺织设备与工艺学习情境3-2(浆纱)
• 6.单纱上浆机 • 从筒子上退出单纱,在单纱上浆机上浆、烘 干后再卷绕成浆纱筒子。也可在低速络纱机上加装浆 槽和烘干器而成。这种方法虽然产量低、工耗大,但 上浆质量好、浆膜完整度高。是企业“织物快速准确 出样系统”关键设备之一,如GA391 型国产单纱浆纱 机。
• (四)按浆纱机工作幅宽分类 • • 幅宽相应为 • 140 cm、180 cm和200cm。 浆纱机按工作幅宽分类可分为140型 180型和200型等,其工作
图3- 7 GA308型浆槽结构图 型浆槽结构图
•
经纱分别经浆槽的引纱辊3,导纱辊2.4, 浸没辊5.低压上、压浆辊7.6,浸没辊8高压 上、压浆辊10.9,然后进入烘筒烘房。图中 11是引纱装置,12是预热浆箱,13是浆槽, 14是循环浆泵。
图3- 7 GA308型浆槽结构图 型浆槽结构图
该浆槽结构特点是主浆槽与预热浆 槽在结构上为一整体,槽体系夹层结构, 内、外层均为不锈钢制造,夹层内填充 保温材料。每个浆槽容积为180L,浆液 液面高度可用手轮调节溢流板的角度。
• (五)车头引导部分 车头引导部分是指自浆纱出烘房后到 卷绕成织轴前,对其进行一系列辅助性加 工、检测及引导作用的各种机构的总和。 • 以GA308型浆纱机,如图3-10所示,纱线 经后烘筒烘干后,经张力辊1进行张力检 测和调整,经过测湿辊2检测回潮率并进 行监控,在绕过上蜡辊3进行上蜡或上油, 增加平滑性。
• (四)烘燥装置 • 1.烘燥装置的任务与要求 烘燥装置的任务是去除湿浆纱上的 多余水分,达到工艺要求的回潮率,固化 浆纱上粘覆的浆液,使其形成粘结内部纤 维、贴伏表面毛羽的浆膜。湿浆纱的压出 回潮率一般为120%~150%,烘燥后纯棉 浆纱的 回潮率要求为2%~8%,而
因此,大量水分需要在烘燥中汽化, 这一方面使浆纱生产能耗很大,另一方 面也使浆纱生产速度的提高受到限制。 此外,浆纱在烘燥过程中要受较长时间 和较长距离的牵引,浆纱原有的弹性和 伸长性会受到损失。
《机械制造基础》各学习情境习题
学习情境一:车削加工习题1-1 什么是车削?其特点是什么? 1-2 车削加工的基本内容是什么?1-3 常用卧式车床主要部分的名称和作用是什么? 1-4 画出CA6140型卧式车床的传动系统框图。
1-5 车削加工必须具备哪些运动?各有什么特点。
1-6 车削时所形成的三个表面是什么? 1-7 什么是背吃刀量、进给量和切削速度?1-8已知工件毛坯直径为mm 80φ的轴,要求一次进给车至mm 73φ,如果选用切削速度m in /50m v c =,求背吃刀量(p a )及主轴转速(n )各等于多少?1-9在车床上车削mm 60φ的轴。
选用主轴转速为min /600r 。
如果用相同的切削速度车削mm 30φ的轴,求主轴的转速是多少?1-10 某一机床的主传动系统如图所示,各齿轮模数均为3,要求: (1)列出传动路线表达式; (2)分析轴IV 的转速级数; (3)计算轴IV 最大和最小转速。
题1-10 图1-11 回轮、转塔车床与卧式车床相比有哪些特点?1-12 立式车床在结构布局上有什么特点?一般适用于加工哪些类型的工件? 1-13 什么叫自动车床?什么叫半自动车床? 1-14 常用车刀有哪几种?用途各是什么? 1-15 用简图说明车刀各部分的名称。
1-16 什么是切削平面、基面和正交平面,.;它们的相互关系是什么?1-17 车刀切削部分有哪六个主要角度?哪两个派生角度?各有什么作用?分别在哪个平面内测量?1-18 T8A, W18Cr4V, YT15和YG8各属于何种刀具材料?适于加工何种工件材料?应用于什么场合?1-19 刀具切削部分材料必须具备哪些基本性能?1-20 常用的车刀材料有哪几类?简述硬质合金车刀的分类和适用加工的材料。
1-21 试画图说明切削过程的二个变形区及各产生何种变形?1-22 从切屑形成的机理可把切屑分为哪些种?各有何特点?可否相匀_转化?1-23 以外圆车削为例说明切削合力、分力及切削功率。