四川省造价员(土建)开卷考试真题及答案07年09年10年
造价员2007-2010年历年真题试卷答案及试题分析(自收集)

2010年度全国建设工程造价员资格考试试卷(湖北省)科目:建设工程计量与计价试题一(15分)某综合楼以工程量清单计价方式进行公开招标,中标价3600万元,其中暂列金额为120万元。
在合同专用条款中约定了本工程只有钢材、水泥市场信息价超过投标时信息价的10%以上时才能调整。
在合同履行中发现:1、投标文件中将现浇矩形粱清单项目的工程量12000m3误以1200 m3的工程量报价;2、工程量清单漏算了12层柱C25砼工程量50 m3及全部屋面防水1200m2,已知12层柱砼的参数与11层柱同;3、投标书中外墙干挂石材价格为140元/ m2,投标期间同类石材市场价为200元/ m2,施工过程中石材价略有上升,承包人与发包人交涉后,发包人口头承诺可以调价,承包人实际购买价格为220元/ m2。
问题:1、竣工结算承包人要求对石材价格调整,能否调整?2、漏掉的12层柱砼及屋面防水如何确定综合单价?依据是什么?3、如何处理现浇矩形梁项目工程量误以1200 m3的工程量报价的问题?4、本工程结算后,工程价款调整、索赔、现场签证金额共80万元,计算最终结算价。
【解】:1、石材价格不能调整。
因为:①不符合合同专用条款约定;②口头承诺无法律效力。
2、①12层柱应按11层柱砼综合单价以50 m3的工程量据实结算。
②屋面防水属漏项新增清单项目,综合单价应由承包人提出,经发包人认可后结算。
3、现浇矩形梁项目工程量错误应由承包人负责,不能调整报价。
4、参考答案:竣工结算价=3600-120+80=3560(万元)讨论:因按清单计价的取费程序表,暂列金额120万元应不含规费、税金,故讨论:因按清单计价的取费程序表,暂列金额120万元应不含规费、税金,故①如80万元不含规费、税金,则:应扣暂列金:120-80=40(万元)应扣规费=40×6.35%=2.54(万元)应扣税金=40×3.41%=1.364(万元)竣工结算价=3600-(40+2.54+1.364)=3556.10(万元)②如80万元已含规费、税金,则:应扣规费=120×6.35%=7.62(万元)应扣税金=120×3.41%=4.092(万元)竣工结算价=3600-(120+7.62+4.092)+80=3548.29(万元)试题二(30分)1、(14分)某建筑砖基础如下图。
四川省历年造价员土建考试试题及答案合集(2005-2007年)

四川省历年造价员土建考试试题及答案合集(2005-2007年)2005 年四川省造价师、造价员资格考试试题(-) 土建专业( 闭卷)造价师、选价员必作部分一、单项选择题( 共45 题, 每题 1 分。
每题的备应答案中, 只有一个最符合题意)l 、以下哪项原则不属于仲裁活动的基本原则( ) 。
A: 自愿原则B: 尊重事实、依据法律的公平合理原则C: 仲裁依法独立进行原则D: 一裁终局原则2 、以下不属于建设工程招标范围的是( ) 。
A: 单项工程合同估算价在l 50 万元人民币以上的B: 大型基础设施、公用事业等社会公共利益、公共安全的项目C: 全部或者部分使用国家资金投资或者国家融资的项目D: 使用国际组织或者外国政府贷款、援助资金的项目3 、建设项目竣工总结算在最后一个单项工程竣工结算审查确认后I5 天内汇总, 送发包后( ) 天内审查完成。
A:15 B :20 C :30 D :454 、按照《四川省建设工程工程量清单计价管理办法》的规定, 以下哪项措施费用, 不能参与投标竞争( )A: 规费B: 临时设施费C: 文明施工费D: 安全施工费5 、项目经理下设的一些职能机构, 分别从职能角度对基层进行业务管理, 这些职能机构可以在项目经理授权范围内, 就其主要的管理业务范围.向下下达命令和指示, 属于以下哪种组织形式( )A: 职能制项目组织 B : 直线制项目组织C: 矩阵式项目组织D: 分权制项目组织6 、按照《建设工程工程量清单计价规范》的规定, 从二O O 三年七月一日起, ( )应执行该规范。
A: 所有建设工程 B : 所有大中型建设工程C: 含有国有投资的建设工程D: 全部使用国有资金投资或国有资金投资为主的大中型建设工程7 、《四川省建设工程工程量清单计价管理试行办法》规定, 施工过程中实际完成的工程量与发包人提供的分部分项工程量清单中给定的工程量差值在( ) 以上或因发包人原因, 致使工期延长( ) 以上造成措施项目费用增加的应予调整。
四川省带审核权造价员考试必做题(07、09、11年开卷题目及答案)

某施工单位根据领取的某1500m2两层厂房工程项目招标文件和全套完整施工图纸(施工过程中无变更),采用低报价策略编制了投标文件,并获得中标。
该施工单位(乙方)于某年某月于建设单位(甲方)签订了该工程项目的固定价格施工合同,合同工期为6个月。
甲方在乙方进入施工现场后,因资金紧缺,无法如期支付工程款,口头要求乙方暂停施工一个月,乙方亦口头答应。
工程按合同规定期限验收时,甲方发现工程质量有问题,要求返工。
两个月后,返工完毕。
结算时甲方认为乙方迟延交付工程,应按合同约定偿付逾期违约金。
乙方认为临时停工是甲方要求的。
乙方为抢工期,加快施工进度才出现了质量问题,因此迟延交付的责任不在乙方。
甲方则认为临时停工和不顺延工期是当时乙方答应的。
乙方应履行承诺,承担违约责任。
二、问题1.该工程采用固定总价合同是否合适?为什么?答:因为固定总价合同适用于工程量不大且能够较准确计算、工期较短、技术不太复杂、风险不大的项目。
该工程基本符合这些条件,故采用固定价格合同是合适的。
2.该施工合同的口头变更形式是否妥当?为什么?答:不妥当。
根据《中华人民共和国合同法》和《建设工程施工合同(示范文本)》的有关规定。
建设工程合同应当采取书面形式,合同变更亦应当采取书面形式。
若在应急情况下,可采取口头形式,但事后应予以书面形式确认。
否则,在合同双方对合同变更内容有争议时,往往因口头形式协议很难举证,而不得不以书面协议约定的内容为准。
本案例中甲方要求临时停工,乙方亦答应。
是甲、乙双方的口头协议,且事后并未以书面的形式确认,所以合同变更形式不妥。
在竣工结算时双方发生了争议,对此只能以原书面合同规定为准。
3.甲方未如期支付工程款,要求乙方停工一个月,乙方是否应享有索赔权?甲方是否应赔偿乙方停工一个月的实际经济损失,工期顺延一个月?(以上问题均说明理由)。
答:在施工期间,甲方因资金紧缺要求乙方停工一个月,此时乙方应享有索赔权。
乙方虽然未按照规定程序及时提出索赔,丧失了索赔权,但是根据《民法通则》之规定,在民事权利的诉讼时效期内,仍享有通过诉讼要求甲方承担违约责任的权利。
川省造价员开卷考试真题及答案07年09年10年

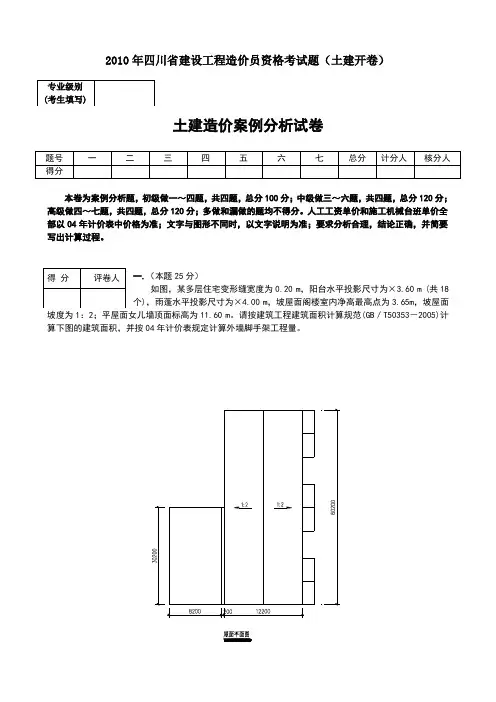
2010年四川省建设工程造价员资格考试题(土建开卷)土建造价案例分析试卷本卷为案例分析题,初级做一~四题,共四题,总分100分;中级做三~六题,共四题,总分120分;高级做四~七题,共四题,总分120分;多做和漏做的题均不得分。
人工工资单价和施工机械台班单价全部以04年计价表中价格为准;文字与图形不同时,以文字说明为准;要求分析合理,结论正确,并简要写出计算过程。
一.(本题25分)如图,某多层住宅变形缝宽度为0.20 m,阳台水平投影尺寸为×3.60 m (共18个),雨蓬水平投影尺寸为×4.00 m,坡屋面阁楼室内净高最高点为3.65m,坡屋面坡度为1:2;平屋面女儿墙顶面标高为11.60 m。
请按建筑工程建筑面积计算规范(GB/T50353-2005)计算下图的建筑面积,并按04年计价表规定计算外墙脚手架工程量。
建筑面积和工程量计算表一、建筑面积及脚手架计算建筑面积和工程量计算表2009年全国建设工程造价员资格考试土建专业四川省造价工程师协会案例一背景资料某施工企业承包一工程.计划砌砖工程量为250m3,其计划费用按定额计算,某定额规定:每立方米耗用页岩砖(标砖)51O块.每块页岩砖(标砖)的定额基价为元,在施工过程中实际砌砖工程量为300m3,每立方米消耗页岩砖(标砖)500块,每块页岩砖(标砖)实际购入价为元。
问题:根据以上资料计算该工程砌砖工程中页岩砖(标砖)与计划数相比,由于工程量增加,页岩砖(标砖)耗量节约,价格提高所导致的成本费用增加或节约额及合计金额,并填入表l中。
背景资料一、设计说明l.某工程±以下的条形基础刮面示意如图1-1所示,条形基础长100m,室外标高为,垫层及基础均为现浇混凝土。
2.本±以下基础工程建设方已完成三通一平,土壤类别按四川地区综合考虑,均属天然密实土。
二、技术要求1.本基础工程土方为人工放坡开挖,非桩基工程,不考虑开挖时排地表水及基底钎探,工作面为0.3m,放坡系数为。
0012468-回馈一篇年四川省建设工程造价员考试真题:土建工程实务.doc

2009年四川省建设工程造价员考试真题:土建工程实务2009年四川省建设工程造价员考试真题:土建工程实务一、单选题(共20题,每题2分)1、适用于小容量球罐的施工方法是_______。
A、散装法B、分带法C、环带法D、半球法2、耐工业大气、海水盐雾的涂料是_______。
A、聚氨酯漆B、酚醛树脂C、醇酸树脂D、过氯乙烯3、要求耐氢氟酸腐蚀的材料有_______。
A、瓷板B、陶板C、辉绿岩板D、不透性石墨板4、下列部件中主材利用率的是_______。
A、筒体(常压)B、筒体(压力)C、接管D、地脚螺栓5、铠装层为细圆钢丝,外被层为聚乙烯,其代号是_______。
A、22B、43C、33D、436、长16m的皮带式给煤机的计算是_______。
A、按实长计算B、按两个8m计算C、按10m计算D、按两个10m计算7、空气吹扫时用白布检查,_______时间内白布无脏物者为合格。
A、10minB、15minC、20minD、5min8、空调工程的蒸发器是_______系统的设备。
A、冷却水B、冷冻水C、冷凝水D、送风9、管内穿导线或电缆的总截面积,不应超过管内截面的_______%。
A、40B、50C、60D、7010、电气远传转子流量计是_______流量计。
A、容积式B、浮子式C、速度式D、电磁式11、每一个照明回路的灯和插座数不宜超过_______个。
A、20B、30C、40D、2512、超声波探伤的缺点是_______。
A、穿透力差B、不能用来探测厚度大的工作C、判定缺陷类型和定位准确性差D、成本高13、IH50-32-125表示_______。
A、泵入口50mm,出口32mm,流量125立方米/小时的单级单吸化工离心泵B、泵入口50mm,出口32mm,流量125立方米/小时的单级单吸清水离心泵C、泵入口50mm,出口32mm,泵叶直径125mm单级单吸清水离心泵D、泵入口50mm,出口32mm,泵叶直径125mm单级单吸化工离心泵14、有多个仪表需接地时,应当_______。
四川省造价员考试历年真题及答案和解释(1)

2005年四川省造价师、造价员资格考试试题(-)土建专业(闭卷)造价师、选价员必作部分一、单项选择题(共45题,每题1分。
每题的备应答案中,只有一个最符合题意)l、以下哪项原则不属于仲裁活动的基本原则(D)。
A:自愿原则B:尊重事实、依据法律的公平合理原则C:仲裁依法独立进行原则D:一裁终局原则解:仲裁活动的基本原则:自愿原则;尊重事实、依据法律的公平合理原则;仲裁依法独立进行原则2、以下不属于建设工程招标范围的是(A)。
A:单项工程合同估算价在150万元人民币以上的B:大型基础设施、公用事业等社会公共利益、公共安全的项目C:全部或者部分使用国家资金投资或者国家融资的项目D:使用国际组织或者外国政府贷款、援助资金的项目解:建设工程项目必须招标的标准和规模:(一)新(扩、改)建工程项目施工造价50万元人民币(含50万元,下同)以上或者建筑面积500平方米以上的。
(二)装修装饰、维修、改造项目,设备安装、计算机网络布线项目,工程造价20万元以上的。
(三)园林绿化、临时建(构)筑项目单项合同估算价20万元以上的。
(四)工程建设项目货物(与工程建设项目有关的重要设备、材料等)采购,单项合同估算价50万元以上的。
(五)施工监理项目监理费20万元以上的。
(六)建设工程咨询、勘察、劳务等服务项目,单项合同估算价20万元以上的。
(七)建设工程项目设计,凡符合下列范围和规模标准的,必须实行招标:3、建设项目竣工总结算在最后一个单项工程竣工结算审查确认后I5天内汇总,送发包后(C)天内审查完成。
A:15B:20C:30D:454、按照《四川省建设工程工程量清单计价管理办法》的规定,以下哪项措施费用,不能参与投标竞争(BCD)?A:规费B:临时设施费C:文明施工费D:安全施工费解:措施项目中的文明施工、安全施工、临时设施费应按《计价定额》规定的标准计取,不得参与投标竞争。
5、项目经理下设的一些职能机构,分别从职能角度对基层进行业务管理,这些职能机构可以在项目经理授权范围内,就其主要的管理业务范围.向下下达命令和指示,属于以下哪种组织形式(A) A:职能制项目组织?B:直线制项目组织C:矩阵式项目组织D:分权制项目组织6、按照《建设工程工程量清单计价规范》的规定,从二OO三年七月一日起,(D)应执行该规范。
四川省造价员考试历年真题及答案和解释
2005 年省造价师、造价员资格考试试题 (-) 土建专业 ( 闭卷 ) 造价师、选价员必作部分一、单项选择题 ( 共 45 题 , 每题 1 分。
每题的备应答案中 , 只有一个最符合题意 )l 、以下哪项原则不属于仲裁活动的基本原则 ( D) 。
A: 自愿原则B: 尊重事实、依据法律的公平合理原则C: 仲裁依法独立进行原则D: 一裁终局原则解:仲裁活动的基本原则:自愿原则;尊重事实、依据法律的公平合理原则;仲裁依法独立进行原则2 、以下不属于建设工程招标围的是 (A) 。
A: 单项工程合同估算价在 150 万元人民币以上的B: 大型基础设施、公用事业等社会公共利益、公共安全的项目C: 全部或者部分使用国家资金投资或者国家融资的项目D: 使用国际组织或者外国政府贷款、援助资金的项目解:建设工程项目必须招标的标准和规模:(一)新(扩、改)建工程项目施工造价50万元人民币(含50万元,下同)以上或者建筑面积500平方米以上的。
(二)装修装饰、维修、改造项目,设备安装、计算机网络布线项目,工程造价20万元以上的。
(三)园林绿化、临时建(构)筑项目单项合同估算价20万元以上的。
(四)工程建设项目货物(与工程建设项目有关的重要设备、材料等)采购,单项合同估算价50万元以上的。
(五)施工监理项目监理费20万元以上的。
(六)建设工程咨询、勘察、劳务等服务项目,单项合同估算价20万元以上的。
(七)建设工程项目设计,凡符合下列围和规模标准的,必须实行招标:3 、建设项目竣工总结算在最后一个单项工程竣工结算审查确认后I5 天汇总 , 送发包后 (C) 天审查完成。
A:15 B :20 C :30 D :454 、按照《省建设工程工程量清单计价管理办法》的规定 , 以下哪项措施费用 , 不能参与投标竞争 (BCD)A: 规费B: 临时设施费 C: 文明施工费 D: 安全施工费解:措施项目中的文明施工、安全施工、临时设施费应按《计价定额》规定的标准计取,不得参与投标竞争。
07-08年四川造价员(土建)开卷考试真题及答案
2007 年全国建设工程造价员资格考试试卷————土建专业案例一:某门卫用房工程(施工图附后),该项目的造价工程师编制了―分部分项工程量清单‖表格,但未完成。
请你依据GB50500-2003《建设工程工程量清单计价规范》按以下要求将该表内容填写完整。
一、将项目编码、项目特征、计量单位和工程量及计算式填写入表中相应的栏目内。
二、务必将工程量计算式或数据来源填写在―项目特征‖下面的―计算式‖栏内, 否则,即使填写的工程量正确, 也不计分;填写的工程量与填写的计算式不符的也不计分。
答卷须知:1. 不计算―分部分项工程量清单‖中未列出的工程项目。
2. 工程量以图示结构尺寸计算, 不考虑抹灰及装饰厚度。
3. 现浇钢筋混凝土构件的钢筋工程量按《四川省建设工程工程量清单计价定额》A. 建筑工程分册的―现浇构件钢筋含量表‖计算。
4. 该工程砌体加固钢筋按抗震规范计算的重量为0.050吨。
5. 门窗及空圈侧面、顶面不抹灰、刷乳胶漆和贴面砖。
6. 工程量的计算中, 不能连续计算的中间数据保留三位小数。
7. 为利于复核检查和阅卷, 请答卷人书写工整。
设计说明一、工程概况:室外自然地坪相对标高-0.15m,土壤类别为三类, 开挖和回填运距20m,弃土运距50m。
土方回填为一般土壤夯填。
二、设计依据:(略)三、主要材料:1. 现浇钢筋砼:基础、柱、梁、板用C20砼。
2. 砌体:防潮层以下采用毛石,M7.5水泥砂浆砌筑;防潮层以上采用M U10页岩标砖,240mm×115mm ×53mm,M5.0混合砂浆砌筑。
四、其它1. 门窗洞口顶标高不在圈梁底标高时, 均设置C20钢筋砼过梁, 现场浇筑。
过梁长度等于洞口宽度加2×250mm。
2. 构造柱自砼基础顶浇筑至女儿墙压顶底, 自±0.00起设马牙槎, 嵌入墙体60mm,间隔均匀设置。
3. 屋面防水层女儿墙弯起部分高300mm。
五、装饰装修:1. 外墙:标高+0.90m以下, 用1:3水泥砂浆打底, 厚度13mm, 用8mm厚1:0.5:2混合砂浆粘贴(密缝)灰色仿石砖150mm×300mm;标高+0.90m以上为水泥砂浆抹面, 基层刷加建筑胶的素水泥浆一遍,7mm厚1:3水泥砂浆打底两次成活、7mm厚1:3水泥砂浆找平, 面层6mm 厚1:2.5水泥砂浆罩面压光, 满刮耐水型成品腻子膏腻子两遍, 刷外墙乳胶漆三遍(底漆一遍,面漆两遍)。
5套 造价员考试图纸开卷答案07-10
248.18 248.18 248.18 248.18 248.18 47.20 14.16
3
m3
m
3
15*13.2*0.1
19.80 9.90 197.67 55.60 53.54
m 3 15*13.2*0.05 m
2
15*13.2+0.12*1.8+0.12*1.2-0.24*0.24*4-0.48*0.24*4 (15+13.2)*2-1.8-1.2+0.24*8+(0.24-0.1)/2*4 【(21.48+0.8+13.68+0.8)*2-3.6-3】*0.8
共3页第3页
建筑(装饰)预算答案200711 序 定额编号 号 1 2 15-1 3 16-3 4 18-9 5 1-1 6 1-4 工程项目 建筑工程 建筑面积 脚手架工程 大型垂直运输机械 工程水电费 基础工程 场地平整 人工挖沟槽 m2 m
3
单位
计算公式
工程量
m
2 2
21.48×13.68-6×6.6 21.48×13.68-6×6.6 21.48×13.68-6×6.6 254.25*1.4 挖土深度=1.6-0.45=1.15m 净长1(300宽基础梁)=【13.2-(2.6+0.1+0.1+0.3+0.3)*2】*2+【 6-(2.6+0.1+0.1+0.3+0.3)】*2+【6.6-(2.6+0.1+0.1+0.3+0.3)】 =21.2m 净 长2(350宽基础梁)=【15-(2.6+0.1+0.1+0.3+0.3)*2】*2=16.4m 体积=21.2*(0.3+0.3+0.3)*1.15+16.4*(0.35+0.3+0.3) *1.15=39.86 挖土深度=2.6-0.45=2.15m 体积=(3.4*3.4*2.15+3.4*4*0.82*2.15)*10=488.31m3 2.6*2.6*0.4+1/3*0.3*(2.6*2.6)+(0.58*0.58)+ √2.6*2.6*0.58*0.58)*10 垫层=2.8*2.8*0.1*10=7.84 基 础梁:JL1=(13.2-0.48*2)*2=24.48 JL2=6.6-0.48=6.12 JL3=(15-0.48*2)*2=28.08 JL4=(6-0.48)*2=11.04 体 积 =0.3*0.5*24.48+0.3*0.4*6.12+0.35*0.5*28.08+0.3*0.4*11.04=10. 65m3 柱 (扣室外地坪以下)=0.48*0.48*(1.8-0.45)*10=3.11m3 240砖墙(基础梁上)(扣室外地坪以下)={(15-0.48*2+13.20.48*2)*2*(1.1-0.45)+【(6-0.48)*2+6.6-0.48】*(1.20.45)}*0.24=11.29m3 体 积=挖土方+挖沟槽-砼垫层-独立基础-基础梁-柱-墙=488.31+39.867.84-35.64-10.65-3.11-11.29=459.64m3 【15*13.2+(6-0.24)*6.6】*(0.45-0.17)
10年四川造价员开卷真题及答案详解
+4×0.4×1柱踢脚线面积=4.35 M2
➢ 勒脚块料面层: S=(37.8+4×0.29)×0.45=17.53 M2
案例 三(工程量计算部分)
➢ 挖独基地坑土方综合单价分析工程量计算 (09定额规则)
V=(a+2c+Kh)×(b+2c+Kh)×h+1/3K2h3
=(2.3+2×0.3+0.3×1.55)2×1.55+1/3×0.32×1.5 53 =17.66 M3
V运=17.66×60%=10.60 M3
案例 三(工程量计算部分)
➢ 防滑地砖地面综合单价分析工程量计算 (09定额规则) 地面垫层:
V=(73.71-40.56×0.24墙-0.4×0.4柱)×0.08=5.11 M3 彩釉楼地砖: S=73.71-40.56×0.24=63.98 M2 水泥砂浆找平层: S=73.71-40.56×0.24墙-0.4×0.4柱=63.82 M2
案例 二
•8、基础防潮层为1:2水泥砂浆加防水粉(一层做 法)。 •9、本工程建设方已完成三通一平。 •10、砼及砂浆材料为:中砂、砾石、细砂现场搅拌。
•(二)、施工方案:
•1、本基础工程土方为人工开挖,非桩基工程,不 考虑开挖时地表水及基底钎探,不考虑土板施工, 工作面为300mm,放坡系数为1:0.3。
L槽=37.8+2.08=39.88 M
案例 二
• V地槽土方=0.92×(1.75-0.45)×39.88=47.70 M3 ➢ 挖独立基础地坑土方:
v独基土方=(2.1+0.1×2)×(2.1+0.1×2)×1.55=8.20 M3
➢ 回填土方:
- 1、下载文档前请自行甄别文档内容的完整性,平台不提供额外的编辑、内容补充、找答案等附加服务。
- 2、"仅部分预览"的文档,不可在线预览部分如存在完整性等问题,可反馈申请退款(可完整预览的文档不适用该条件!)。
- 3、如文档侵犯您的权益,请联系客服反馈,我们会尽快为您处理(人工客服工作时间:9:00-18:30)。
2010年四川省建设工程造价员资格考试题(土建开卷)土建造价案例分析试卷本卷为案例分析题,初级做一~四题,共四题,总分100分;中级做三~六题,共四题,总分120分;高级做四~七题,共四题,总分120分;多做和漏做的题均不得分。
人工工资单价和施工机械台班单价全部以04年计价表中价格为准;文字与图形不同时,以文字说明为准;要求分析合理,结论正确,并简要写出计算过程。
一.(本题25分)如图,某多层住宅变形缝宽度为0.20 m ,阳台水平投影尺寸为×3.60 m (共18个),雨蓬水平投影尺寸为×4.00 m ,坡屋面阁楼室内净高最高点为3.65m ,坡屋面坡度为1:2;平屋面女儿墙顶面标高为11.60 m 。
请按建筑工程建筑面积计算规范(GB /T50353-2005)计算下图的建筑面积,并按04年计价表规定计算外墙脚手架工程量。
建筑面积和工程量计算表一、建筑面积及脚手架计算建筑面积和工程量计算表2009年全国建设工程造价员资格考试土建专业四川省造价工程师协会案例一背景资料某施工企业承包一工程.计划砌砖工程量为250m3,其计划费用按定额计算,某定额规定:每立方米耗用页岩砖(标砖)51O块.每块页岩砖(标砖)的定额基价为元,在施工过程中实际砌砖工程量为300m3,每立方米消耗页岩砖(标砖)500块,每块页岩砖(标砖)实际购入价为元。
问题:根据以上资料计算该工程砌砖工程中页岩砖(标砖)与计划数相比,由于工程量增加,页岩砖(标砖)耗量节约,价格提高所导致的成本费用增加或节约额及合计金额,并填入表l中。
表1 砌砖工程页岩砖(标砖)成本增加及减少费用计算表案例二背景资料一、设计说明l.某工程±以下的条形基础刮面示意如图1-1所示,条形基础长100m,室外标高为,垫层及基础均为现浇混凝土。
2.本±以下基础工程建设方已完成三通一平,土壤类别按四川地区综合考虑,均属天然密实土。
二、技术要求1.本基础工程土方为人工放坡开挖,非桩基工程,不考虑开挖时排地表水及基底钎探,工作面为0.3m,放坡系数为。
2.开挖基础土,其中一部分土壤考虑按挖方量60%进行现场内运输、堆放,采用人力车运输,距离为40m,另一部分土壤在基坑边5m内堆放。
3.基础垫层为非原槽浇注。
基础两端(其垫层不伸出基础,挖土方不考虑工作面和放坡)。
问题:一、根据图1-1及设计说咀和技术要求计算本工程条形基础的挖基础土方的清单工程量及综合单价并填写在表2挖基础土方清单项目综合单价计算表中。
二、有关要求1.计算清单工程量按《建设工程工程量清单计价规范》(GB50500-2008),计算挖基础土方的综合单价按2009年《四川省建设工程工程量清单计价定额》为依据.定额项目综合单价(人工费、材料贽、机械费、综合费)均不调整,不计算规费和税金。
2.计算工程数量以“m3”为单位,步骤计算结果保留三位小数.其最终计算结果保留两位小数。
图 1-1案例三背景资料图2-1图2-2图2-3图2-4问题:一、根据图2-1、2-2、2-3、2-4所以的平面、立面、剖面图、设计说明及有关要求,审查本工程的“表5分部分项工程量清单表”中的有关内容。
二、审查要求及计算说明1.柱据《建设工程工程量清单计价规范》GB50500-2008、《四川省建设工程工程量清单计价管理办法》和《四川省建设工程工程量清单招标投标报价评审办法》及有关勘误、解释、配套文件审查“表5分部分项工程逞清单表”中项目犏码、项目特征描述、计量单位、工程数量是否有误,将错误的内容、标注、数量、编号用“—”符号划击后,将正确的内容标注、数量、编好填写在下一空行或空白处的相应栏目中,或填加相应内容,凡不按此规定填写的一律扣5分。
2. 凡“表5”中未列的清单项目不计算。
内墙门窗侧面、顶面和窗底面均抹灰、刷乳胶漆,其乳胶漆计算宽度均按100mm计算,并入内墙面刷乳胶漆项目内。
外墙保温其门窗侧面、顶面和窗底面不计算。
外墙贴块料其门窗侧面、顶面和窗底面要计算,计掉宽度均按200mm 计算,归入零星项目,门洞侧壁不计算踢脚线。
3.计算工程量以“m、m3、m2”为单位,步计算结果保留三位小数,其最终计算结果二位小数。
4.门窗工程按“m2”计量。
5.须审项目为:水泥砂浆地面,外墙保温。
答案:一题二题:三题;2007 年全国建设工程造价员资格考试试卷————土建专业案例一:某门卫用房工程(施工图附后),该项目的造价工程师编制了“分部分项工程量清单”表格,但未完成。
请你依据GB50500-2003《建设工程工程量清单计价规范》按以下要求将该表内容填写完整。
一、将项目编码、项目特征、计量单位和工程量及计算式填写入表中相应的栏目内。
二、务必将工程量计算式或数据来源填写在“项目特征”下面的“计算式”栏内, 否则,即使填写的工程量正确, 也不计分;填写的工程量与填写的计算式不符的也不计分。
答卷须知:1. 不计算“分部分项工程量清单”中未列出的工程项目。
2. 工程量以图示结构尺寸计算, 不考虑抹灰及装饰厚度。
3. 现浇钢筋混凝土构件的钢筋工程量按《四川省建设工程工程量清单计价定额》A. 建筑工程分册的“现浇构件钢筋含量表”计算。
4. 该工程砌体加固钢筋按抗震规范计算的重量为吨。
5. 门窗及空圈侧面、顶面不抹灰、刷乳胶漆和贴面砖。
6. 工程量的计算中, 不能连续计算的中间数据保留三位小数。
7. 为利于复核检查和阅卷, 请答卷人书写工整。
设计说明一、工程概况:室外自然地坪相对标高,土壤类别为三类, 开挖和回填运距20m,弃土运距50m。
土方回填为一般土壤夯填。
二、设计依据:(略)三、主要材料:1. 现浇钢筋砼:基础、柱、梁、板用C20砼。
2. 砌体:防潮层以下采用毛石,水泥砂浆砌筑;防潮层以上采用M U10页岩标砖, 240mm×115mm×53mm,混合砂浆砌筑。
四、其它1. 门窗洞口顶标高不在圈梁底标高时, 均设置C20钢筋砼过梁, 现场浇筑。
过梁长度等于洞口宽度加2×250mm。
2. 构造柱自砼基础顶浇筑至女儿墙压顶底, 自±起设马牙槎, 嵌入墙体60mm,间隔均匀设置。
3. 屋面防水层女儿墙弯起部分高300mm。
五、装饰装修:1. 外墙:标高+以下, 用1:3水泥砂浆打底, 厚度13mm, 用8mm厚1::2混合砂浆粘贴(密缝)灰色仿石砖150mm×300mm;标高+以上为水泥砂浆抹面, 基层刷加建筑胶的素水泥浆一遍,7mm厚1:3水泥砂浆打底两次成活、7mm厚1:3水泥砂浆找平, 面层6mm 厚 1:水泥砂浆罩面压光, 满刮耐水型成品腻子膏腻子两遍, 刷外墙乳胶漆三遍(底漆一遍,面漆两遍)。
女儿墙压顶和内侧(防水层弯起部分除外)同上标高+以上做法。
2. 内墙:混合砂浆普通抹灰, 基层上刷素水泥浆一遍、9mm厚1:1:6混合砂浆打底、再抹7mm厚1:1:6混合砂浆、面层5mm厚1::混合砂浆罩面压光;满刮石膏粉腻子两遍, 内墙乳胶漆三遍(底漆一遍、面漆两遍)。
3. 地面面层及踢脚板材料:地面20mm厚1:2水泥砂浆;踢脚板水泥砂浆120mm高, 底层1:3水泥砂浆20mm 厚, 面层1:2水泥砂浆6mm厚。
4. 天棚:刷水泥107胶浆一遍,10mm厚1::水泥石灰砂浆, 4mm厚1::3水泥石灰砂浆、满刮石膏粉腻子两遍、内墙乳胶漆三遍(底漆一遍、面漆两遍)、内墙门窗、空圈侧面、顶面不刷乳胶漆。
六、门窗:见门窗表门窗表分部分项工程量清单工程名称: 某门卫用房工程案例2:一、背景材料:某工程砌筑240mm厚砖墙, 技术测定资料如下:1. 完成1m3砌体的基本工作时间为小时;辅助工作时间为工作班的小时;准备与结束时间为小时;不可避免的中断时间为小时;休息时间为小时;施工本身造成的停工时间为小时;人工幅度差系数为10%。
2. 砖墙采用红(青)砖,M5水泥砂浆砌筑, 灰缝10mm。
完成10m3砌体需M 5水泥砂浆,砖和砂浆的损耗率分别为3%和8%,完成10m3砌体需浇砖、养护用水,其他材料费为元。
3. 劳动定额中每砌筑10m3240mm厚砖墙需用200升灰浆搅拌机台班, 机械幅度差系数为15%。
二、已知条件如下1. 定额单价:人工工日单价:普工18元/工日, 技工25元/工日;红(青)砖:元/千块;水: 0元/m3;200升灰浆搅拌机台班单价:元/台班。
2. 人工工日中普工占20%, 技工占80%。
工程所在地定额人工费调整系数为35%, 综合费按(定额人工费+定额机械费)的45%计算。
3. 每m3M5水泥砂浆配合比如下表三、问题1. 请依据以上条件计算砌筑每m3240mm厚砖墙的人工时间定额和每工日产量定额。
1个工日按8 小时计算。
(5分)2. 运用理论计算法, 计算砌筑每m3240mm厚砖墙的红(青)砖净用量。
(5分)3. 编制240mm厚砖墙清单计价定额。
(10分)四、答题要求1. 须列出计算式, 仅有答案, 无计算式的, 不得分。
2. 计算结果小数点保留两位。
解:1.砌筑每m3240mm厚砖墙的人工时间定额 =++++=小时/m3=工日/m3每工日砌筑240mm厚砖墙的人工产量定额=1/=工日2. 砌筑每m3240mm厚砖墙的红(青)砖净用量=块/m3。