JJ193骨架隔墙工程检验批质量验收记录表
合集下载
【工程表格模板】架隔墙检验批质量验收记录

专业工长: 项目专业质量检查员: 年 月 日
监理单位 验收结论
同意验收
专业监理工程师: 年 月 日
验收依据
《建筑装饰装修工程质量验收 规范》GB50210-2001 检查记录 检查 结果
验收项目 1 材料品种、规格、质量 2 龙骨连接 主 控 项 目 3 龙骨间距及构造连接 4 防火、防腐 5 墙面板安装 6 墙面板接缝材料及方法 1 表面质量 2 孔洞、槽、盒 3 填充材料
项目 一 般 项 目 4
最小/实际 人造木 抽样数量 纸面石 板、水泥 膏板 纤维板 3 3 3 1 4 3 3 3 3 1 / / / / / /
实测值
检查 结果
安 立面垂直度 装 允 表面平整度 许 偏 阴阳角方正 差 接来自直线度 压条直线度 接缝高低差
施工单位 检查结果
主控项目全部合格,一般项目满足 规范规定要求;检查评定合格
施工依据
建筑装饰装修工程施工质量验收规范 (GB50210-2001) 设计要求及 规范规定 第7.3.3条 第7.3.4条 第7.3.5条 第7.3.6条 第7.3.7条 第7.3.8条 第7.3.9条 第7.3.10条 第7.3.11条 允许偏差(mm) 最小/实际 抽样数量 / / / / / / / / /
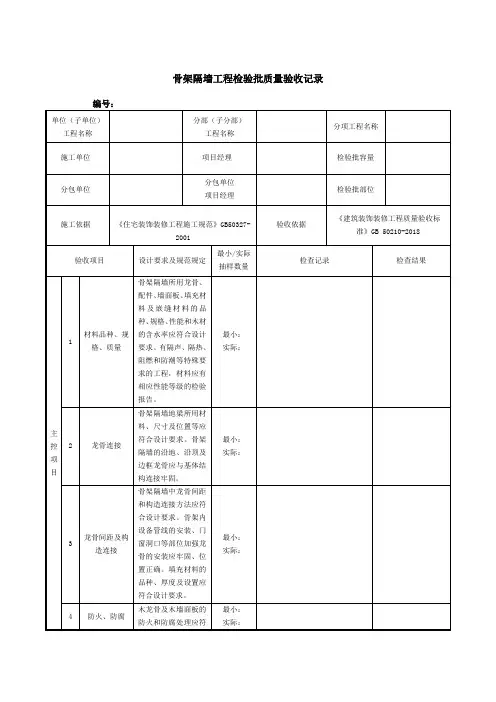
骨架隔墙检验批质量验收记录
03060201 001
单位(子单位) 工程名称 施工单位 分包单位 浙江资料软件销售: 15824421188 全套800 / 分部(子分部) 工程名称 建筑装饰装修 分部-轻质隔墙 子分部 软件免费升级 / 分项工程名称 骨架隔墙分项
项目负责人 分包单位 项目负责人
检验批容量 检验批部位 骨架隔墙检验批质 量验收记录
【工程常用表格】架隔墙工程检验批质量验收记录表

1 立面垂直度 2 表面平整度 3 阴阳角方正 4 接缝直线度 5 压条直线度 6 接缝高低差
专业工长(施工员)(签名) 专业承包施工单位 检查评定结果
专业承包施工单位 检查评定结果 项目专业质量检查员(签名): 年 月 日
监理(建设)单位 验收结论
专业监理工程师(签名): (建设单位项目专业技术负责人签名):
骨架隔墙工程检验批质量验收记录表 GB 50210-2001
GD24030502 0 单位(子单位)工程名称 分项工程名称 验收部位 总承包施工单位 专业承包施工单位 施工执行的技术标准名称及 编号 施工质量验收规范的规定 1 主 控 项 目 2 3 4 5 6 1 2 3 一 般 项 目 4 项 次 材料质量 龙骨连接 龙骨间距及构造连接 防火、防腐 墙面板安装 墙面板接缝材料及方法 表面质量 孔洞、槽、盒 填充材料 允许偏差 项目 第7.3.3条 第7.3.4条 第7.3.5条 第7.3.6条 第7.3.7条 第7.3.8条 第7.3.9条 第7.3.10条 第7.3.11条 第7.3.12条 允许偏差(mm) 0 3 3 3 ─ ─ 1 0 4 3 3 3 3 1 施工班组长(签名) 施工单位检查评定记录 监理(建设) 单位验收记 录 z 项目负责人 项目负责人 1
年
月
日
ቤተ መጻሕፍቲ ባይዱ
骨架隔墙工程检验批质量验收记录

第7.3.10条
√
3
填充材料
第7.3.11条
√
4
骨架隔墙安装允许偏差
项目
允许偏差(㎜)
实测值
纸面石膏金属板
矿棉板木板、塑料板
立面垂直度
3
4
1
1
3
2
2
2
3
3
表面平整度
3
3
2
1
2
1
1
2
1
1
阴阳角方正
3
3
2
1
3
1
2
1
3
2
接缝直线度
—
3
压条直线度
—
3
接缝高低差
1
1
1
1
1
1
1
1
1
1
施工单位检查评定结果
专业工长(施工员)
施工班组长
项目专业质检员:年月日
监理(建设)单位验收结论
专业监理工程师
(建设单位项目专业技术负责人):
年月日
施工质量验收规范的规定
施工单位检查评定记录
监理(建设)单位验收记录
主控项目
1
材料质量
第7.3.3条
√
2
龙骨连接
第7.3.4条
√
3
龙骨间距及构造连接
第7.3.5条
√
4
防火、防腐
第7.3.6条
√
5
墙面板安装
第7.3.7条
√
6
墙面板接缝材料及方法
第7.3.8条
√
一般项目
1
表面质量
第7.3.9条
√
2
孔洞、槽、盒
√
3
填充材料
第7.3.11条
√
4
骨架隔墙安装允许偏差
项目
允许偏差(㎜)
实测值
纸面石膏金属板
矿棉板木板、塑料板
立面垂直度
3
4
1
1
3
2
2
2
3
3
表面平整度
3
3
2
1
2
1
1
2
1
1
阴阳角方正
3
3
2
1
3
1
2
1
3
2
接缝直线度
—
3
压条直线度
—
3
接缝高低差
1
1
1
1
1
1
1
1
1
1
施工单位检查评定结果
专业工长(施工员)
施工班组长
项目专业质检员:年月日
监理(建设)单位验收结论
专业监理工程师
(建设单位项目专业技术负责人):
年月日
施工质量验收规范的规定
施工单位检查评定记录
监理(建设)单位验收记录
主控项目
1
材料质量
第7.3.3条
√
2
龙骨连接
第7.3.4条
√
3
龙骨间距及构造连接
第7.3.5条
√
4
防火、防腐
第7.3.6条
√
5
墙面板安装
第7.3.7条
√
6
墙面板接缝材料及方法
第7.3.8条
√
一般项目
1
表面质量
第7.3.9条
√
2
孔洞、槽、盒
骨架隔墙工程检验批质量验收记录表

骨架隔墙工程检验批质量验收记录表
GB50210-2001
GD2403041□口
单位(子单位)工程名称
平安产险北京分公司团体中心职场装饰工程
分部(子分部)工程名称
吊顶工程
验收部位
一层
施丄单
位
北京大启建筑装饰有限责任公司
项目经理
分包单 位
分包项目经理
施工执行标准名称及编号
建筑装饰装修验收规范(GB50210-2001)
施工质量验收规范的规定
施工单位检查评定记录
监理(建设) 单位验收记
录
主 控 项 目
1
材料质量
第7.3.3条
符合要求
2
龙骨连接
第7.3.4条
符合要求
3
龙骨间距及构造连接
第7.3.5条
符合要求
4
防火、防腐
第7.3.6条
符合要求
5
墙面板安装
第7.3.7条
符合要求
6
墙面板接缝材料及方法
第7.3.8条
符合要求
2
1
1
1
2
2
0
1
0
1
4
接缝直线度
-
3
/
/
/
/
/
/
/
/
/
/
5
压条直线度
-
3
/
/
/
/
/
/
/
/
/
/
6
接缝高度差
1
1
0
0
0
1
1
1
1
0
1
1
施工单位检查评定结果
专业工长(施工员)
GB50210-2001
GD2403041□口
单位(子单位)工程名称
平安产险北京分公司团体中心职场装饰工程
分部(子分部)工程名称
吊顶工程
验收部位
一层
施丄单
位
北京大启建筑装饰有限责任公司
项目经理
分包单 位
分包项目经理
施工执行标准名称及编号
建筑装饰装修验收规范(GB50210-2001)
施工质量验收规范的规定
施工单位检查评定记录
监理(建设) 单位验收记
录
主 控 项 目
1
材料质量
第7.3.3条
符合要求
2
龙骨连接
第7.3.4条
符合要求
3
龙骨间距及构造连接
第7.3.5条
符合要求
4
防火、防腐
第7.3.6条
符合要求
5
墙面板安装
第7.3.7条
符合要求
6
墙面板接缝材料及方法
第7.3.8条
符合要求
2
1
1
1
2
2
0
1
0
1
4
接缝直线度
-
3
/
/
/
/
/
/
/
/
/
/
5
压条直线度
-
3
/
/
/
/
/
/
/
/
/
/
6
接缝高度差
1
1
0
0
0
1
1
1
1
0
1
1
施工单位检查评定结果
专业工长(施工员)
骨架隔墙工程检验批质量验收记录表

主控项目全部合格,一般项目满足规范规定要求 项目专业质量检查员: 2013 年 11 月 25 日
监理(建设)单位验收结论 专业监理工程师 (建设单位项目专业技术负责人): 深圳市建设局、深圳市档案局监制 年 月 日
深圳市文档服务中心印制
1 材料质量
主 控 项
2 龙骨连接 3 龙骨间距及构造连接 4 防火、防腐
墙面板安装
目 5
6 墙面板接缝材料及方法 1 表面质量 2 孔洞、槽、盒 3 填充材料
一 般 项 目 4 允许偏差
0.2 0.1 1.2 0.3 0.5 0.7 0.6 0.4 0工员) 施工单位检查评定结果
骨架隔墙工程检验批质量验收记录表
GB 50210-2001
GD2403041
单位(子单位)工程名称 分部(子分部)工程名称 施工单位 分包单位 施工执行标准名称及编号 施工质量验收规范的规定 装饰装修工程 *** / *** 验收部位 项目经理 分包项目经理 建筑装饰装修工程质量验收规范(GB50210-2001) 施工单位检查评定记录 第7.3.3条 第7.3.4条 第7.3.5条 第7.3.6条 第7.3.7条 第7.3.8条 第7.3.9条 第7.3.10条 第7.3.11条 第7.3.12条 允许偏差(mm) 项次 1 2 3 4 5 6 项目 立面垂直度 表面平整度 阴阳角方正 接缝直线度 压条直线度 接缝高低差 ■纸面石 □人造木板、 膏板 水泥纤维板 3 3 3 ─ ─ 1 4 3 3 3 3 1 2.1 2.3 1.5 1.3 1.4 1.1 0.8 0.7 1.2 3.2 2.4 1.8 1.6 1.5 1.7 1.9 0.8 0.2 0.6 1.2 1.2 0.4 0.5 1.6 2.4 2.6 1.8 1.7 0.6 0.8 合格 合格 合格 / 合格 / 合格 合格 / 监理(建设) 单位验收记录 二层(1~6轴) *** /
骨架隔墙工程检验批质量验收记录

骨架隔墙工程检验批质量验收记录编号:
填表说明:
1、检验批容量填写:写出该检验批的间数。
同一品种的轻质隔墙工程每50 间应划分为一个检验批,不足50 间也应划分为一个检验批,大面积房间和走廊可按轻质隔墙面积每30m2计为1 间。
2、最小/实际检查数量栏中,实际检查数量:按实填写,最小数量填写:每个检验批应至少抽查10% ,并不得少于3 间,不足3 间时应全数检查;
3、表头中“施工依据”栏目应依照实际的操作依据填写,如施工企业的操作规程、工法、施工工艺标准等。
骨架隔墙工程
2.2
2.6
0.9
3
2.3
3
阴阳角方正
3
3
3
2.5
1.5
2.8
3.1
3
2.8
1.6
1.9
1.9
4
接缝高低差
-
3
2.8
3.1
2.2
2.9
2.5
3
2.7
2.7
2.2
3.1
5
压条直线度
-
3
2.9
2.9
3.1
2.8
2.8
2.5
2.5
2.9
3
3Байду номын сангаас1
6
接缝高低差
1
1
0.8
1
0.6
0.9
0.5
0.9
0.9
1
0.9
骨架隔墙工程检验批质量验收记录表
GB 50210-2001
GD2403041
单位(子单位)工程名称
分部(子分部)工程名称
验收部位
施工单位
项目经理
分包单位
分包项目经理
施工执行标准名称及编号
《建筑装饰装修工程质量验收规范》GB50210-2001
施工质量验收规范的规定
施工单位检查评定记录
监理(建设)单位验收记录
主控项目
1
板材质量
第7.3.3条
骨架材料与设计相符
2
龙骨连接
第7.3.4条
连接牢固,平整,垂直
3
龙骨间距及构造连接
第7.3.5条
符合设计要求
4
防火、防腐
第7.3.6条
符合设计要求
5
2.6
0.9
3
2.3
3
阴阳角方正
3
3
3
2.5
1.5
2.8
3.1
3
2.8
1.6
1.9
1.9
4
接缝高低差
-
3
2.8
3.1
2.2
2.9
2.5
3
2.7
2.7
2.2
3.1
5
压条直线度
-
3
2.9
2.9
3.1
2.8
2.8
2.5
2.5
2.9
3
3Байду номын сангаас1
6
接缝高低差
1
1
0.8
1
0.6
0.9
0.5
0.9
0.9
1
0.9
骨架隔墙工程检验批质量验收记录表
GB 50210-2001
GD2403041
单位(子单位)工程名称
分部(子分部)工程名称
验收部位
施工单位
项目经理
分包单位
分包项目经理
施工执行标准名称及编号
《建筑装饰装修工程质量验收规范》GB50210-2001
施工质量验收规范的规定
施工单位检查评定记录
监理(建设)单位验收记录
主控项目
1
板材质量
第7.3.3条
骨架材料与设计相符
2
龙骨连接
第7.3.4条
连接牢固,平整,垂直
3
龙骨间距及构造连接
第7.3.5条
符合设计要求
4
防火、防腐
第7.3.6条
符合设计要求
5
- 1、下载文档前请自行甄别文档内容的完整性,平台不提供额外的编辑、内容补充、找答案等附加服务。
- 2、"仅部分预览"的文档,不可在线预览部分如存在完整性等问题,可反馈申请退款(可完整预览的文档不适用该条件!)。
- 3、如文档侵犯您的权益,请联系客服反馈,我们会尽快为您处理(人工客服工作时间:9:00-18:30)。
专业工长(施工员) 施工单位检查 评定结果 项目专业质量检查员:
年
月
日
监理(建设)单位 验收结论 专业监理工程师: (建设单位项目专业技术负责人) 年 月 日ຫໍສະໝຸດ 山东省建设工程质量监督总站监制
骨架隔墙工程检验批质量验收记录表
鲁 JJ—193 单位(子单位)工程名称 分部(子分部)工程名称 施工单位 分包单位 施工执行标准名称及编号 施工质量验收规范的规定 1 主 控 项 目 2 3 4 5 6 1 2 3 材料 边框龙骨连接 龙骨间距及构造连接 防火、防腐 墙面板安装 墙面板接缝材料及方法 表面质量 孔洞、槽、盒 填充材料 项 一 般 项 目 4 (1) (2) (3) (4) (5) (6) 立面垂直度 表面平整度 阴阳角方正 接缝直线度 压条直线度 接缝高低差 3 3 3 — — 1 次 项目 第 7.3.3 条 第 7.3.4 条 第 7.3.5 条 第 7.3.6 条 第 7.3.7 条 第 7.3.8 条 第 7.3.9 条 第 7.3.10 条 第 7.3.11 条 允许偏差(mm) 纸面石膏板 人造木板、 水泥纤维板 4 3 3 3 3 -1 施工班组长 施工单位检查评定记录 监理(建设) 单位验收记录 验收部位 项目经理 分包项目经理