C-8.8.5-2劲性骨架安装分项工程质量检验评定表
构件安装分项工程质量检验评定表

实 测 值 (mm)
(mm)
1 123456789
0
项
中心线对定位轴位
1 杯形
10
目
移
基础
杯底安装标高
+0、–10
中心线对定位轴位 5
移
上下柱接口中心线 3
位移
≤5m
5
2柱
垂直
>5m
10
度 ≥10m 多节 1‰柱高,且
柱
≤20
牛腿上表 ≤5m 面
+0、–5
和柱顶标 >5m 高
+0、–8
梁和 中心线对定位轴位
工程名称:
构件安装分项工程质量检验评定表(一)
(用于一般工业与民用建筑)
部位:
建 5-4-1
项目
质量情况
吊装时构件的混凝土强度、预应力混凝土构件孔
道灌浆的水泥砂浆强度以及下层结构受内力的 1
接头(接缝)的混凝土或砂浆的强度,必须符合
设计要求和施工规范的规定
保
证
项
目
构件的型号、位置、支点锚固必须符合设计要求,
5
移 3
吊车
梁
梁上表面标高
+0、–5
下弦中心线对定位 5
轴位移
4 屋架
桁架、拱形 1/250 屋架
垂直 屋架
高
度
薄腹架
5
天窗 5
架
构件中心线对定位 轴位移
垂直度
5
1/300 天窗 架高
托架 底座中心线对定位
6
5
梁
轴位移
垂直度
10
相邻板 抹灰
0
7 板 下表面
平整 不抹灰
3
楼梯Leabharlann 水平位移108
支架安装分项工程质量检验评定表

评定等级:
总包专业技术负责人:
年月日
验评等级:
监理工程师:
(建设单位项目
专业技术负责人)
年月日
分包单位
二十三冶集团第二工程
有限公司
分包项目
经理
梁栋
分包单位
负人
序
检验批部位、区段
施工单位检查结果
监理(建设)单位验评结论
1
C285-406-7YC省煤器(布袋
除尘器、风机)进、出口管
2
3
4
5
6
7
8
9
10
11
12
13
14
15
共检验批,其中合格检验批,优良检验批,优良率%
评定等级:
项目专业技术负责人:
总包专业技术负责人:
年月日
验评等级:
监理工程师:
(建设单位项目
专业技术负责人)
年月日
支、吊架、托架安装分项工程质量验收评定表
工程编号:
单位工程名称
株冶搭配锌浸出渣KIVCET直接炼铅
项目工程-电炉烟气收尘
分部工程
名称
除尘系统
总包单位
长沙有色冶金设计研究院
株冶工程总承包项目部
项目经理
刘名贵
项目技术
负责人
分包项目
经理
梁栋
分包单位
负责人
序
检验批部位、区段
施工单位检查结果
监理(建设)单位验评结论
1
C285-406-01F(PC-1、PC-2、PC-3系统)除尘管道
2
炉底冷却风出口管
3
4
5
6
7
8
9
10
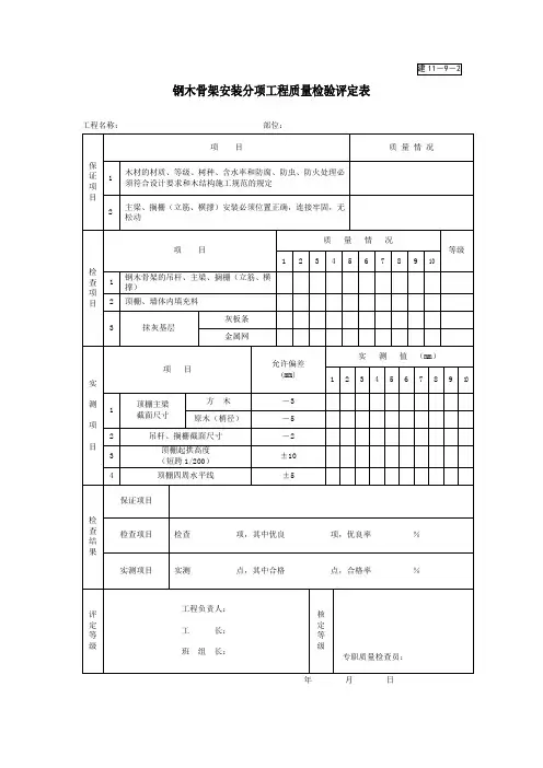
钢木骨架安装分项工程质量检验评定表

工程名称:
部位:
建11-9-2
项目
保
证 项
1
木材的材质、等级、树种、含水率和防腐、防虫、防火处理必须符 合设计要求和木结构施工规范的规定
目
2 主梁、搁栅(立筋、横撑)安装必须位置正确,连接牢固,无松动
质量情况
质量情况
项目
1 2 3 4 5 6 7 8 9 10 基
本
保证项目 检
查 结
基本项目
果 实测项目
工程负责人: 评 定 等 级
检查 实测
项,其中优 良 点,其中合 格
核 定 等 级
项,优良率
%
点,合格率
%
评
定 等
工
长:
级 班 组 长:
核 定 等 级
专职质量检查员:
年月日
1
钢木骨架的吊杆、主梁、搁栅(立筋 、横撑)
项2
顶棚、墙体内填充料
目 3
Байду номын сангаас
抹灰基层
灰板条 金属网
等级
项目 允
许 偏1 差
顶棚主梁 截面尺寸
方木
原木(梢 径)
项2
吊杆、搁栅截面尺寸
目
3
顶棚起拱高度(短跨 1/200)
4 顶棚四周水平线
允许偏差 (mm)
-3 -5 -2 ±10 ±5
实测值(mm) 1 2 3 4 5 6 7 8 9 10
【工程常用表格】钢筋安装分项工程质量检验评定表

钢筋骨 3 架尺寸 (mm) 4
弯起钢筋位置(mm)
责人 年 月 日
钢筋安装分项工程质量检验评定表
评-37 合同号: 工程名称 桩号及部位 基本要求 项 次 检测项目 两排以上排距 受力钢 梁板、拱肋 1 筋间距 同排 基础、墩台、柱 (%) 灌注桩 2 箍筋、横向水平钢筋、螺 旋筋间距(mm) 长 宽、高或直径 代 合 检验结果 权 得 规定值或 表 格 值 分 允许偏差 1 2 3 4 5 6 7 8 9 # 值 率 ±5 ±10 3 ±20 ±20 ±10 ±10 1 ±5 ±20 2 柱、梁、拱肋 保护层 5 厚度 基础、锚碇、墩 台 (mm) 板 合计 外观鉴定 质量保证资料 工程质量等级 评定 检测 减分 减分 监理意 见 ±5 ±10 3 ±3 2 承包人: 施工时间 检验时间 第 页共 页
钢架质量检验评定表

7 连接钢筋
数量(根) 间距(mm)
不少于设计值 ±50
外Байду номын сангаас质量
□1.焊接无假焊、漏焊、基底无虚渣及杂物。
工程质量等级评定
分项工程编号:
质量评定
平均值、 代表值
合格率 (%)
质量保 证资料
合格判定
检验负责人:
检测:
记录:
复核:
年月日
钢架质量检验评定表
分项工程名称:
工程部位:
所属建设项目:
所属分部工程名称:
所属单位工程:
施工单位:
基本 要求
□1.钢架之间已采用纵向钢筋连接,安装基础应牢固。 □2.钢架安装基底高程不足时,未用石块、碎石砌垫,已设置钢板或采用强度等级不小于C20混凝土垫块。 □3.钢架已紧靠初喷面。 □4.连接钢板与钢架焊接牢固,焊缝饱满密实;钢架节段之间通过钢板应用螺栓连接或焊接牢固。
项 次
检查项目
规定值或 允许偏差
实测值或实测偏差值 1 2 3 4 5 6 7 8 9 10
1△
实 2△ 测3
榀数(榀)
间距 (mm) 喷射混凝土保护层厚度
(mm)
不少于设计值
±50 外侧保护层≥40 内侧保护层≥20
项4
倾斜度(º)
目5
拼装偏差(mm)
6
安装偏差 (mm)
横向 竖向
±2 ±3 ±50 不低于设计高程
【工程表格模板】钢木骨架安装分项工程质量检验评定表

目
原木(梢径)
吊杆、搁栅截面尺寸 顶棚起拱高度 (短跨 1/200) 顶棚
项,优良率
%
实测项目
实测
点,其中合格
点,合格率
%
评 定 等 级
工程负责人: 工 班 组 长: 长:
核 定 等 级 专职质量检查员: 年 月 日
2
检 查 项 目
1 2 3
钢木骨架的吊杆、主梁、搁栅(立筋、横 撑) 顶棚、墙体内填充料 灰板条 抹灰基层 金属网 允许偏差 (mm) 方 木 -3 -5 -2 ±10 ±5 实 1 2 3 测 4 5 值 6 (mm) 7 8 9 10
项 实 测 项 2 目 3 4 保证项目 检 查 结 果 1 顶棚主梁 截面尺寸
建 11-9-2
钢木骨架安装分项工程质量检验评定表
工程名称: 项 保 证 项 目 目 部位: 质 量 情 况
1
木材的材质、等级、树种、含水率和防腐、防虫、防火处理必 须符合设计要求和木结构施工规范的规定 主梁、搁栅(立筋、横撑)安装必须位置正确,连接牢固,无 松动 质 项 目 1 2 3 4 5 6 7 8 9 10 量 情 况 等级
98、劲性骨架制作质量检验报告单
页码共页
JTG F80/1-2017公路工程质量检验评定标准第一册土建工程(8.8.5-1)
编号:
分项工程名称
所属分部工程名称Biblioteka 施工单位乐山高速公路有限公司
工程部位
所属单位工程
合同段
广东高速TJ01合同段
所属建设项目
广东高速公路
项次
检查项目
单位
规定值或允许偏差
设计值
检测值
平均值
1
杆件截面尺寸
mm
不小于设计值
2
骨架高、宽
mm
±10
3
内弧偏离设计弧线
mm
≤10
4
每段的弧长
mm
+10,-10
5
焊缝探伤
满足设计要求
外观质量
原始记录本
表号
册号
页码
序号
劲性骨架加工质量检验评定表
P5-46劲性骨架制作质量检验评定表所属建设项目:分项工程名称:分项工程编号:所属分部工程:所属单位工程:工程部位:填写说明1、分项工程应按基本要求、实测项目、外观质量和质量保证资料等检验项目分别检查。
2、分项工程质量应在所使用的原材料、半成品、成品及施工控制要点等符合基本要求的规定、无外观质量限制缺陷且质量保证资料真实齐全时,方可进行检验评定。
3、表头中“所属建设项目”“所属单位工程”“所属分部工程”“施工单位”“监理单位”可以打印;“分项工程名称”和“工程部位”须手写。
4、“实测值或实测偏差值”列:能填写实测值的项目必须填写实测值,否则可填写偏差值;检测频率必须满足要求。
《公路工程质量检验评定标准》中以路段长度规定的检查频率为双车道路段的最低检查频率,对多车道应按车道数与双车道之比增加检查数量。
5、“平均值、代表值”列:能计算代表值的项目必须填写代表值,其它填写平均值。
6、“合格判定”列:(1)关键项目的合格率应不低于95%,否则该检查项目为不合格。
(2)一般项目的合格率应不低于80%,否则该检查项目为不合格。
(3)有规定极值的检查项目,任一单个检测值不应突破规定极值,否则该检查项目为不合格。
(4)采用《公路工程质量检验评定标准》附录B至附录S所列方法进行检验评定的检查项目,不满足要求时,该检查项目为不合格。
7、劲性骨架制作外观质量应符合下列规定:(1)骨架曲线无异常折弯或变形。
(2)焊缝应无裂纹、焊瘤、夹渣、电弧擦伤、未焊透、未填满弧坑及设计不允许出现的外观缺陷。
(3)混凝土表面不应存在评定标准附录P所列限制缺陷。
(4)拱圈内外应无建筑垃圾、杂物和临时预埋件。
8、“外观质量”项:应填写该分项工程外观质量情况描述或填写“符合要求”。
9、“质量保证资料”项:填写“真实、齐全”。
10、工程质量等级评定分为合格与不合格。
钢筋安装质量检验评定表
分项工程名称:钢筋安装所属分部工程名称:所属建设项目:
工程部位:(桩号、墩台号、孔号)施工单位:监理单位:
基本要求
实
测
项
目
项
次
检查项目
规定值或
允许偏差
实测值或实测偏差值
质量评定
1
2
3
4
5
6
7
8
9
10
平均、代表值
合格率(%)
权值
得分
1∆
受力钢筋间距(mm)
两排以上排距
±5
3
同排
梁、板、拱肋
分项工程评分:质量等级:
检验负责人:检测:记录:复核:年月
±10
基础、锚碇、墩台、柱
±20
灌注桩
±20
2
箍筋、横向水平钢筋、螺旋筋间距(mm)
±10
2
3
钢筋骨架尺寸(mm)
长
±10
1
宽、高或直径
±5
4
弯起钢筋位置(mm)
±20
2
5∆
保护层厚度(mm)
柱、梁、拱肋
±5
3
基础、锚碇、墩台
±10
板
ቤተ መጻሕፍቲ ባይዱ±3
分项工程得分
11
外观鉴定
减分
监理
意见
质量保证资料
减分
工程质量等级评定
2019【全套】公路分项工程质量检验评定表格(完整版)
第一部分工程质量评定表目录总评表1 建设项目质量检验评定表总评表2 合同段工程工程质量检验评定表总评表3 单位工程质量检验评定表总评表4 分部工程质量检验评定表总评表5 分项工程质量检验评定表路基路面工程评表1 土方路基质量检验评定表评表2 石方路基质量检验评定表评表3 砂垫层质量检验评定表评表4 袋装砂井质量检验评定表评表5 塑料排水板质量检验评定表评表6 碎石桩(砂桩)质量检验评定表评表7 粉喷桩质量检验评定表评表8 加筋工程土工合成材料质量检验评定表评表9 隔离工程土工合成材料质量检验评定表评表10 过滤排水工程土工合成材料质量检验评定表评表11 防裂工程土工合成材料质量检验评定表评表12 管节预制质量检验评定表评表13 管道基础及管节安装质量检验评定表评表14 检查(雨水)井砌筑质量检验评定表评表15 土沟质量检验评定表评表16 浆砌(砼)排水沟质量检验评定表评表17 盲沟质量检验评定表评表18 排水泵站(沉井)质量检验评定表评表19 砌体和混凝土挡土墙质量检验评定表评表20 干砌挡土墙质量检验评定表评表21 悬臂式和扶臂式挡土墙质量检验评定表评表22 筋带质量检验评定表评表23 锚杆、拉杆质量检验评定表评表24 面板预制质量检验评定表评表25 面板安装质量检验评定表评表26 锚杆、锚碇板和加筋土挡土墙质量检验评定表评表27 锚杆、锚碇板和加筋土挡土墙墙背填土质量检验评定表评表28 抗滑桩质量检验评定表评表29 锚喷防护质量检验评定表评表31 浆砌砌体质量检验评定表评表32 干砌片石质量检验评定表评表33 导流工程质量检验评定表评表34 石笼防护质量检验评定表评表35 水泥混凝土面层质量检验评定表评表36 沥青混凝土面层和沥青碎(砾)石面层质量检验评定表评表37 沥青贯入式面层(或上拌下贯式面层)质量检验评定表评表38 沥青表面处治面层质量检验评定表评表39 半刚性基层(底基层)质量检验评定表评表40 级配碎(砾)石基层(底基层)质量检验评定表评表41 填隙碎石(矿碴)基层和底基层质量检验评定表评表42 路缘石铺设质量检验评定表评表43 路肩质量检验评定表桥梁、涵洞工程评表44 桥梁总体质量检验评定表评表45 钻孔灌注桩质量检验评定表评表46 挖孔桩质量检验评定表评表47 预制桩质量检验评定表评表48 沉桩质量检验评定表评表49 地下连续墙质量检验评定表评表51 沉井质量检验评定表评表52 双臂钢围堰的制作拼装质量检验评定表评表53 钢围堰封底混凝土质量检验评定表评表54 浆砌片石基础质量检验评定表评表55 墩、台身砌体质量检验评定表评表56 拱圈砌体质量检验评定表评表57 侧墙砌体质量检验评定表评表58 拱桥组合桥台质量检验评定表评表59 钢筋加工安装质量检验评定表评表60 钢筋网质量检验评定表评表61 预制桩钢筋安装质量检验评定表评表62 混凝土基础质量检验评定表评表63 承台质量检验评定表评表64 混凝土墩、台身质量检验评定表评表65 柱或双壁墩质量检验评定表评表66 墩、台帽或盖梁质量检验评定表评表67 台背填土质量检验评定表评表68 预制梁(板)质量检验评定表评表69 就地浇筑梁(板)质量检验评定表评表70 预制拱圈质量检验评定表评表71 就地浇筑拱圈质量检验评定表评表72 大体积构件浇筑质量检验评定表评表74 桁架梁、拱杆件预制质量检验评定表评表75 钢丝、钢铰线(先张法)质量检验评定表评表76 粗钢筋先张法质量检验评定表评表77 后张法质量检验评定表评表78 墩、台安装质量检验评定表评表79 梁板安装质量检验评定表评表80 悬臂梁浇筑质量检验评定表评表81 顶推施工梁质量检验评定表评表82 悬臂梁拼装质量检验评定表评表83 主拱圈安装质量检验评定表评表84 腹拱安装质量检验评定表评表85 悬臂拼装桁架拱质量检验评定表评表86 转体施工梁、拱质量检验评定表评表87 劲性骨架加工质量检验评定表评表88 劲性骨架安装质量检验评定表评表99 劲性骨架拱混凝土浇筑质量检验评定表评表90 钢管拱肋制作质量检验评定表评表91 钢管拱肋安装质量检验评定表评表92 钢管拱肋混凝土浇筑质量检验评定表评表93 柔杆、系杆质量检验评定表评表94 吊杆的制作与安装质量检验评定表评表95 复合桥面水泥混凝土铺装质量检验评定表评表96 桥面铺装质量检验评定表评表97 桥面防水层质量检验评定表评表98 钢桥面板上沥青混凝土质量检验评定表评表99 支座垫石质量检验评定表评表100 挡块质量检验评定表评表101 支座安装质量检验评定表评表102 伸缩缝安装质量检验评定表评表103 人行道铺设质量检验评定表评表104 栏杆安装质量检验评定表评表105 混凝土护栏浇筑质量检验评定表评表106 桥头搭板质量检验评定表评表107 整体层质量检验评定表评表108 涵洞总体质量检验评定表评表109 涵台质量检验评定表评表110 管座与管节安装质量检验评定表评表111 盖板制作质量检验评定表评表112 盖板安装质量检验评定表评表113 拱涵浇(砌)质量检验评定表评表114 箱涵浇筑质量检验评定表评表115 倒虹吸竖井砌筑质量检验评定表评表116 一字墙和八字墙质量检验评定表评表118 斜拉桥钢筋混凝土索塔质量检验评定表评表119 斜拉桥索塔横梁质量检验评定表评表120 平行钢丝斜拉索制作与防护质量检验评定表隧道工程评表121 隧道总体质量检验评定表评表122 明洞浇筑质量检验评定表评表123 明洞防水层质量检验评定表评表124 明洞回填质量检验评定表评表125 洞身开挖质量检验评定表评表126 (钢纤维)喷射混凝土支护质量检验评定表评表127 锚杆支护质量检验评定表评表128 钢筋网支护质量检验评定表评表129 仰拱质量检验评定表评表130 混凝土衬砌质量检验评定表评表131 钢支撑支护质量检验评定表评表132 衬砌钢筋质量检验评定表评表133 防水层质量检验评定表评表134 止水带质量检验评定表评表135 超前锚杆、超前钢管质量检验评定表交通工程评表136 交通标志质量检验评定表评表137 路面标线质量检验评定表评表138 突起路标质量检验评定表评表139 轮廓标质量检验评定表评表140 波形梁钢护栏质量检验评定表评表141 混凝土护栏质量检验评定表评表142 缆索护栏质量检验评定表评表143 防眩设施质量检验评定表评表144 隔离栅和防落网质量检验评定表环保工程评表145 砌块体声屏障质量检验评定表评表146 金属结构声屏障质量检验评定表评表147 中央分隔带绿化质量检验评定表评表148 路侧绿化质量检验评定表评表149 互通立交区绿化质量检验评定表评表150 养护管理区、服务区绿化质量检验评定表评表151 取、弃土场绿化质量检验评定表机电工程评表152 车辆检测器质量检验评定表评表153 气象检测器质量检验评定表评表155 可变标志质量检验评定表评表156 光、电缆线路质量检验评定表评表157 监控中心设备安装及系统调测质量检验评定表评表158 大屏幕投影系统质量检验评定表评表159 地图板质量检验评定表评表160 监控系统统计机网络质量检验评定表评表161 通信管道与光、电缆线路质量检验评定表评表162 光纤数字传输系统质量检验评定表评表163 数字程控交换系统质量检验评定表评表164 紧急电话系统质量检验评定表评表165 无线移动通信系统质量检验评定表评表166 通信电源质量检验评定表评表167 入口车道设备质量检验评定表评表168 出口车道设备质量检验评定表评表169 收费站设备及软件质量检验评定表评表170 收费中心设备及软件质量检验评定表评表171 IC卡发卡编码系统质量检验评定表评表172 内部有线对讲及紧急报警系统质量检验评定表评表173 闭路电视监视系统质量检验评定表评表174 收费站内光、电缆及塑料管道质量检验评定表评表175 中心(站)内低压配电设备质量检验评定表评表176 外场设备电力电缆线路质量检验评定表评表177 照明设施质量检验评定表评表178 隧道环境检测设备质量检验评定表评表179 隧道报警与诱导设施质量检验评定表评表180 隧道通风设施质量检验评定表评表181 隧道照明设施质量检验评定表评表182 隧道消防设施质量检验评定表评表183 隧道本地控制器质量检验评定表评表184 隧道监控中心设备及软件质量检验评定表路基路面工程评表185 水泥深层搅拌桩质量检验评定表评表186 CFG桩质量检验评定表总评表1 建设项目质量检验评定表总评表2 合同段工程质量检验评定表************道路工程总评表5 分项工程质量检验评定表统计:复核:技术主办:项目主管:日期:统计:复核:技术主办:项目主管:日期:统计:复核:技术主办:项目主管:日期:统计:复核:技术主办:项目主管:日期:统计:复核:技术主办:项目主管:日期:统计:复核:技术主办:项目主管:日期:统计:复核:技术主办:项目主管:日期:统计:复核:技术主办:项目主管:日期:统计:复核:技术主办:项目主管:日期:统计:复核:技术主办:项目主管:日期:统计:复核:技术主办:项目主管:日期:评表(11)防裂工程土工合成材料质量检验评定编号:统计:复核:技术主办:项目主管:日期:评表(12)管节预制质量检验评定表编号:统计:复核:技术主办:项目主管:日期:评表(13)管道基础及管节安装质量检验评定表编号:评表(14)检查(雨水)井砌筑质量检验评定表编号:统计:复核:技术主办:项目主管:日期:统计:复核:技术主办:项目主管:日期:统计:复核:技术主办:项目主管:日期:评表(18)排水泵站(沉井)质量检验评定表编号:评表(19)砌体和混凝土挡土墙质量检验评定表编号:评表(20)干砌挡土墙质量检验评定表编号:评表(21)悬臂式和扶臂式挡土墙质量检验评定表编号:统计:复核:技术主办:项目主管:日期:统计:复核:技术主办:项目主管:日期:统计:复核:技术主办:项目主管:日期:统计:复核:技术主办:项目主管:日期:评表(25)面板安装质量检验评定表编号:统计:复核:技术主办:项目主管:日期:统计:复核:技术主办:项目主管:日期:统计:复核:技术主办:项目主管:日期:统计:复核:技术主办:项目主管:日期:统计:复核:技术主办:项目主管:日期:统计:复核:技术主办:项目主管:日期:统计:复核:技术主办:项目主管:日期:统计:复核:技术主办:项目主管:日期:统计:复核:技术主办:项目主管:日期:统计:复核:技术主办:项目主管:日期:统计:复核:技术主办:项目主管:日期:评表(36)沥青混凝土面层和沥青碎(砾)石面层质量检验评定表编号:统计:复核:技术主办:项目主管:日期:评表(37)沥青贯入式面层(或上拌下贯式面层)质量检验评定表编号:统计:复核:技术主办:项目主管:日期:评表(38)沥青表面处治面层质量检验评定表编号:统计:复核:技术主办:项目主管:日期:统计:复核:技术主办:项目主管:日期:统计:复核:技术主办:项目主管:日期:。
- 1、下载文档前请自行甄别文档内容的完整性,平台不提供额外的编辑、内容补充、找答案等附加服务。
- 2、"仅部分预览"的文档,不可在线预览部分如存在完整性等问题,可反馈申请退款(可完整预览的文档不适用该条件!)。
- 3、如文档侵犯您的权益,请联系客服反馈,我们会尽快为您处理(人工客服工作时间:9:00-18:30)。
得分
基本要求:参见JTG F80/1-20048.8.5节
检验:记录:复核:日期:
每肋检查5处
1
2△
高程(㎜)
±L/3000
用水准仪检查拱顶拱脚及接头点
2
3△
对称点相对高差(㎜)
允许
L/3000
用尺量,每段检查5个断面
2
极值
L/1500且反向
4△
焊缝
符合设计要求
用尺量,每段检查3个相邻间距
2
5
6
7
8
9
合计
外观鉴定
减分
检测人员意见
检测人员:
监理工程师意见
监理工程师:
质量保证资料
减分
劲性骨架安装分项工程质量检验评定表
(编号:)C—8.8.5-2
合同号:工程部位(桩号、墩台号、孔号):分部工程名称:
建设项目:施工单位:监理单位:
项次
检查项目
规定值或
允许偏差
频率
实测值或实测偏差值
质量评定
1
3
4
5
6
7
8
9
10
平均、
代表值
合格率
(%)
权值
实得分
1
轴线偏位(㎜)
L/6000
经纬仪检查,