塑料成型工艺与模具设计复习题(2014)
塑料成型工艺与模具设计
塑料成型工艺与模具设计《塑料成型工艺及模具设计》1学习与复习思考题绪论1.塑料的概念塑料是一种以合成或者天然的高分子化合物为要紧成分,加入或者不加入填料与添加剂等辅助成分,经加工而形成塑性的材料,或者固化交联形成刚性的材料。
2.现代工业生产中的四大工业材料是什么。
钢铁、木材、高分子材料、无机盐材料3.现代工业生产中的三大高分子材料是什么?橡胶、塑料、化学纤维塑料成型基础聚合物的分子结构与热力学性能1.树脂与塑料有什么区别塑料的要紧成分是树脂(高分子聚合物)。
2.高分子的化学结构构成。
高分子聚合物:由成千上万的原子,要紧以共价键相连接起来的大分子构成的化合物。
3.聚合物分子链结构分为哪两大类,它们的性质有何不一致。
线型聚合物——热塑性塑料体型聚合物——热固性塑料1.线型聚合物的物理特性:具有弹性与塑性,在适当的溶剂中能够溶解,当温度升高时则软化至熔化状态而流淌,且这种特性在聚合物成型前、成型后都存在,因而能够反复成型。
2.体型聚合物的物理特性:脆性大、弹性较高与塑性很低,成型前是可溶与可熔的,而一经硬化(化学交联反应),就成为不溶不熔的固体,即使在再高的温度下(甚至被烧焦碳化)也不可能软化。
4.聚合物的聚集态结构分为哪两大类,它们的性质有何不一致。
1无定形聚合物的结构:其分子排列是杂乱无章的、相互穿插交缠的。
但在电子显微镜下观察,发现无定形聚合物的质点排列不是完全无序的,而是大距离范围内无序,小距离范围内有序,即“远程无序,近程有序”。
2体型聚合物:由于分子链间存在大量交联,分子链难以作有序排列,因此绝大部分是无定形聚合物。
5.无定性聚合物的三种物理状态,与四个对应的温度,对我们在使用与成型塑料制品时有何指导意义。
三种物理状态1.玻璃态:温度较低(低于θg温度)时,曲线基本上是水平的,变形程度小而且是可逆流的,但弹性模量较高,聚合物处于一种刚性状态,表现为玻璃态。
物体受力变形符合虎克定律,应变与应力成正比。
塑料成型工艺与模具设计试题
塑料成型工艺与模具设计试题复习一、填空题(本大题共11小题,每空1分,共30分)请在每小题的空格中填上正确答案。
错填、不填均无分。
1.塑料一般由___________和___________组成。
2.按塑料中合成树脂的分子结构及热性能不同,塑料可分为___________塑料和___________塑料。
3.对吸水性强和粘附水分倾向大的塑料,在成型之前一定要进行___________处理。
4.压缩模塑前的准备工作是___________和___________。
5.挤出机的基本结构主要包括___________、___________、___________、___________、___________五大部分。
6.挤出管材所用的设备有___________、___________、___________、___________、___________和___________。
7.塑料制件采用圆弧过渡的好处是在于避免___________,提高强度,改善熔体在型腔中的___________,有利于充满型腔,便于脱模。
8.排气是塑件___________的需要,引气是塑件___________的需要。
9.精密塑料制品对精密注射成型工艺的要求是___________、___________、___________。
10.延伸比是___________与___________之比。
11.按机头内熔体压力大小分类,挤出机头可分为___________机头、___________机头、___________机头。
二、判断题(本大题共10小题,每小题2分,共20分)判断下列各题,正确的在题后括号内打“√”,错的打“×”。
1.柱塞式注射机在注射成型过程中存在塑化不均匀的问题。
( )2.塑料制品的壁厚无需均匀。
()3.所有的塑料制件都可以使用强制脱模。
()4.与流道平衡不同,冷却平衡是可以忽视的。
()5.在模具结构许可的情况下,冷却水孔数量尽量多,尺寸尽量大。
塑料成型工艺与模具设计考试复习题3
二、单项选择题(每小题1分,共10分)1、加入后能够有效提高塑料弹性、可塑性、流动性,改善塑料低温脆化的助剂是(B )。
A、填充剂B、增塑剂C、稳定剂D、润滑剂2、对注塑成型影响最为重要的应力是(A )。
A、压缩应力B、拉伸应力C、剪切应力D、屈服应力3、下列制品缺陷中不属于表面质量缺陷的是(D )。
A、应力发白B、冷疤C、xxD、缩孔4、对于大型塑件来说,影响塑件尺寸精度最重要的因素是(B )。
A、成型零件的制造公差B、成型收缩率的影响C、成型零件的磨损量D、模具安装配合误差5、合模时,导柱与导套间呈(B )。
A、过xxB、间隙配合C、过渡配合D、过盈配合6、在斜导柱侧向分型抽芯机构中,斜导柱的倾角范围应该是(B)。
A、0°~30°B、15°~25°C、15°~30°D、15°~45°7、相对来说,模具零件中最需要冷却的零件是(B )。
A、型腔B、大型芯C、小型芯D、侧型芯8、采用下列那一种浇口类型时模具必须采用三板式结构模具(D )。
A、直接浇口B、侧浇口C、轮辐浇口D、点浇口9、成型之后模具开启困难,问题可能出自型腔的(A )。
A、刚度B、强度C、耐磨性D、耐腐蚀性10、当发生分子定向后,塑料的收缩率值(A )。
A、沿定向方向的大于垂直于定向方向的B、沿定向方向的小于垂直于定向方向的C、以偏离定向方向45°方向上的最大D、在各个方向上均比非定向时的变小三、多项选择题(共10小题,每小题2分,共20分,每小题至少有两个正确答案,多选、漏选、错选不得分)1、一般塑料具有如下特征:(A B C D)。
A、以高聚物为主要成分B、在一定温度和压力作用下可以塑造出形状C、制成的产品具有尺寸稳定性D、产品满足一定的使用性能要求E、具有极高的强度C、尽可能提高流道表面粗糙度D、流道断面选择比表面积大的形状为佳E、选择小尺寸浇口使浇口断痕不影响制品的外观9、模具采用推件板推出机构时,可以采用的拉料杆形式有(C D E)。
塑料成型技术及模具设计复习题
《塑料成型技术及模具设计》复习题汇总一填空题1 塑料模按模塑方法分类,可以分为压缩模﹑压注模、注射模﹑挤出模;按模具在成型设备上的按装方式分,可分为移动式模具﹑固定式模具、半固定式模具;按型腔数目又可分为单型腔模﹑多型腔模。
2 分型面的形状有平面﹑曲面﹑阶梯面﹑斜面。
3 为了便于塑件脱模,在一般情况下,使塑件在开模时留在动模或下模上。
4 分型面选择时为便于侧分型和抽芯,若塑件有侧孔或侧凹时,宜将侧芯设置在垂直开模方向上,除液压抽芯机构外,一般应将抽芯或分型距较大的放在开模方向上;对于大型塑件需要侧面分型时,应将大的分型面设在开模方向上。
5 为了保证塑件质量,分型面选择时,对有同轴度要求的塑件,将有同轴度要求的部分设在分型面的同一侧。
6 为了便于排气,一般选择分型面与熔体流动的末端相重合。
7 对于小型的塑件常采用嵌入式多型腔组合凹模,各单个凹模通常采用机械加工﹑研磨﹑抛光或热处理等方法制成,然后整体嵌入模板中。
8 影响塑件尺寸公差的因素有成型零件的制造误差﹑成型零件的磨损﹑成型收缩率的偏差和波动﹑模具的安装配合误差﹑水平飞边厚度的波动。
9 影响塑件收缩的因素可归纳为:塑料的品种﹑塑件的特点﹑模具结构﹑成形方法及工艺条件。
10 塑料成型模具成型零件的制造公差约为塑件总公差的Δ/3,成型零件的最大磨损量,对于中小型塑件取Δ/6 ;对于大型塑件则取Δ/6以下。
11 塑料模型腔由于在成型过程中受到熔体强大的压力作用,可能因强度不足而产生塑性变形,导致模具变形,降低塑件精度和影响塑件的表面质量。
12 塑料模的型腔刚度计算从以下三方面考虑:(1)成型过程不发生飞边;(2)保证塑件精度;(3)保证塑件顺利脱模。
13 塑料模的合模导向装置主要有导柱导向和锥面定位,通常用导柱导向。
14 当塑料大型﹑精度要求高﹑深型腔﹑薄壁及非对称塑件时,会产生大的侧压力,不仅用导柱导向机构,还需增设锥面导向和定位。
15 塑料成型模冷却回路排列方式应根据塑件形状和塑料特性及对模具温度的要求而定。
塑料成型工艺与模具设计试题
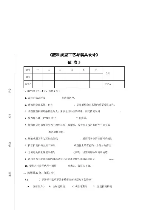
《塑料成型工艺与模具设计》试 卷3一、填空题(共10分,每题1分)1. 流体旳状态涉及_____________和湍流两种。
2. 热流道浇注系统,也称_________________,是注射模浇注系统旳重要发展方向。
3. 热塑性塑料用熔融指数旳大小来表达流动性旳好坏,测定措施采用________________。
4. 聚四氟乙烯(PTFE )有“________________”旳美称。
5. 塑料按应用角度可分为工程塑料和一般塑料,按大分子构造和特性分可分为________________和热固性塑料。
6. 压缩成型又称为压制成型或__________________,重要用于热固性塑料旳成型。
7. 推管推出机构合用于环形、_____________或塑件上带有孔旳土台部分旳推出。
8. 分流道是指主流道末端与______________之间旳一段塑料熔体旳流动通道。
9. 浇口套内主流道始端旳球面必须比注射机喷嘴头部球面半径大___________mm 。
10. 塑件尺寸公差代号一般用_________来表达,级别为7级。
二、选择题(20分,每题1分)1. ( ) 下面哪个选项不属于精密注射成型旳工艺特点?A . 注射压力大 B. 注射速度快 C.成型周期短 D. 温度控制精确系部 班级 姓名 学号密 封 线2. ( ) 加入后可以有效提高塑料弹性、可塑性、流动性,改善塑料低温脆化旳助剂是______________。
A、填充剂B、增塑剂C、稳定剂D、润滑剂3. ( ) 对于大型塑件来说,影响塑件尺寸精度最重要旳因素是_____________。
A、成型零件旳制造公差B、成型收缩率旳影响C、成型零件旳磨损量D、模具安装配合误差4. ( ) 对大型塑件尺寸精度影响最大旳因素是_______________。
A、成型零件制造误差B、成型零件装配误差C、成型收缩率误差D、成型零件磨损量5.( ) 合模机构不具有旳作用是______________。
塑料成型工艺与模具设计习题与答案
0.按成型过程中物理状态不同分类,可分为压缩模、压注模、注射模、挤出机头;气动成型1.塑料中必要和主要成分是树脂,现在制造合成树脂的原料主要来自于石油。
2.塑料一般是由树脂和添加剂组成。
3.制备合成树脂的方法有聚合反应和缩聚反应两种。
4.高聚物中大分子链的空间结构有线型、直链状线型及体型三种形式。
5.从成型工艺出发,欲获得理想的粘度,主要取决于对温度、剪切速率和压力这三个条件的合理选择和控制。
6.料流方向取决于料流进入型腔的位置,故在型腔一定时影响分子取向方向的因素是浇口位置。
7.牛顿型流体包括粘性流体、粘弹性流体和时间依赖性流体。
8.受温度的影响,低分子化合物存在三种物理状态:固态、液态、气态。
9.非结晶型聚合物在温度变化过程中出现的三种物理状态有玻璃态、高弹态、粘流态。
10.结晶聚合物只有玻璃态、粘流态两种物理状态。
11.随受力方式不同,应力有三种类型:剪切应力、拉伸应力、压缩应力。
12.分子取向会导致塑件力学性能的各向异性,顺着分子取向的方向上的机械强度总是大于其垂直方向上的机械强度。
13.内应力易导致制品开裂和翘曲、弯曲、扭曲、等变形,使不能获得合格制品14.产生内应力的—个重要因素是注射及补料时的剪切应力。
1.塑料的主要成份有树脂、填充剂、增塑剂、着色剂、润滑剂、稳定剂。
2.根据塑料成型需要,工业上用成型的塑料有粉料、粒料、溶液和分散体等物料。
3.热固性塑料的工艺性能有:收缩性、流动性、压缩率、水分与挥化物含量、固化特性。
4.热塑性塑料的工艺性能有:收缩性、塑料状态与加工性、粘度性与流动性、吸水性、结晶性、热敏性、应力开裂、熔体破裂。
5.塑料按合成树脂的分子结构及热性能可分为热塑性塑料和热固性塑料两种。
6.塑料按性能及用途可分为通用塑料、工程塑料、增强塑料。
7.塑料的使用性能包括:物理性能、化学性能、力学性能、热性能、电性能等。
8.塑料的填充剂有无机填充剂和有机填充剂,其形状有粉状.纤维状和片状等。
塑料成型模具复习题参考答案
塑料成型模具复习题参考答案第一章绪论1、什么叫模具?什么叫塑料模具?模具是利用其本身所特有的形状去成型具有一定形状和尺寸的制品的工具;成型塑料制品的模具叫塑料模具。
2*、对塑料模的要求有哪些?(1)能成型出合格的塑件;(2)自动高效,操作方便;(3)结构合理,制造方便,制模成本低。
3、按成型方法,可将塑料模分为哪几类?有注射模,挤出模,压制模,传递模,吹塑模,真空及压缩空气成型模具等。
第二章塑料制件设计1、设计塑件时,应考虑哪些因素?(1)塑件的使用要求;(2)塑料材料的性能;(3)成型设备的规格参数;(4)成型的工艺条件;(5)模具的结构。
2*、影响塑件尺寸精度的主要因素有哪些?(1)成型零件的制造误差;(2)成型零件的磨损;(3)塑料的收缩率波动;此外,还有模具零件的安装、定位误差及飞边的厚薄变化。
3、塑件的表面粗糙度和模腔的表面粗糙度之间有什么关系?模腔的表面粗糙度应该比塑件的高一级。
4*、对塑件的结构形状有什么要求?塑件的结构形状除满足其使用要求外,还应尽可能使其对应的模具结构简单,以便于模具的加工制造。
5、沿塑件的开模和抽拔方向,为什么应设斜度?斜度值一般为多大?为便于塑件脱模,减少和避免塑件在脱模和抽芯过程中产生划痕、拉毛、变形等缺陷,沿塑件的脱模和抽拔方向应设一定的斜度。
6*、对塑件的壁厚有哪些要求?塑件的壁厚在满足其使用要求的前提下,应尽量薄些,以节省材料,但应满足成型的要求;塑件各处壁厚应尽量均匀。
7、试述加强筋的作用和热塑性塑件加强筋的典型尺寸。
作用:加强,有时可便于料的流动充模。
尺寸:高度不要过大,宽度不超过塑件壁厚,脱模斜角2~5°。
8*、塑件的转角处为什么一般应用圆角过渡?什么情况下不能用圆角过渡?可提高塑件和模具的强度,便于料的流动,有时可便于模具的加工。
在分型面、零件的镶嵌处及使用要求不能用圆角的地方,不要用圆角过渡。
9、设计塑件上的孔时,应注意哪些问题?保证孔周围的强度,孔与孔之间、孔与边壁之间应留一定的距离,受力孔应用加强结构,孔深不要太大。
塑料成型工艺与模具设计习题集
第一章塑料成型基础知识一、填空1.制备合成树脂的方法有_________和_________两种.2.塑料成型方法的种类有很多,有__________、__________及___________.3.塑料一般是由________和_________组成.4.塑料的主要成分有_______,________,________,________,________,_______.5.塑料的填充剂有_________和________.其形状有粉状,纤维状和片状.6.塑料中添加剂之一的稳定剂按其作用分为_________,__________和________.7.塑料按合成树脂的分子结构及热性能分为__________和__________两种.8.塑料的性能包括使用性能和工艺性能.使用性能体现了塑料的__________,工艺性能体现了塑料的__________.9.热固性塑料的工艺性能有______,_________,________,_________,_________.10. 热塑性塑料的工艺性能有______,_________,________,_________,_________.二、名词解释1.塑料2.聚合反应3.共聚反应4.缩聚反应5.熔体指数6.脆化温度7.熔体破裂8.玻璃态9.固化剂10.粘流态三.问答题1.塑料的主要成分是什么?2.填充剂的作用有那些?3.增塑剂和作用是什么?4.什么是牛顿流体?什么是非牛顿流体?它们有什么区别?5.何为失稳流动与熔体破裂?6.结晶对聚合物有何影响?在塑料加工过程中有那些因素影响结晶?7.何为熔合缝?它对塑件质量有何影响?8.何为残余应力?它是如何产生的?9.为什么热固性制品过热个欠熟都不好?第一章概述一、填空题1. 制备合成树脂的方法有和两种。
2. 高聚物中大分子链的空间结构有、及三种形式。
3. 塑料一般是由和组成。
4. 根据塑料的成份不同可以分为和塑料。
塑料成型工艺及模具设计习题与答案
15、成型零件包括、、、、、、等。
16、导柱结构长度按照功能不同分为三段、、。
17、带螺纹件的脱落方式可分为、、 和四种。 。
18、塑料模的合模导向装置主要有导向和定位,通常用,导柱固定部分的配合为,导向部分的配 合为,导柱部分与导向部分的直径的基本尺寸,公差 同。
《塑料成型工艺及模具设计》习题
第一章绪论
1、塑料制品常用的成型方法有哪些?
2、塑料模具的设计与制造对塑料工业的发展有何重要意义?
3、塑料模具设计及加工技术的发展方向是什么?
4、塑料制品的生产工序是?
5、举例说明哪些日用品的加工要用到塑料模具?
第二章注塑成型基础
、填空题
1、受温度的影响,低分子化合物存在三种物理状态:
16、内应力易导致制品 _和、_、_等变形,使不能获得合格制品。
17、产生内应力的一个重要因素是注射及补料时的
18、制品脱模后在推杆顶出位置和制品的相应外表面上辉出现
19、根据塑料的特性和使用要求,塑件需进行后处理,常进行
20、塑料在_与_下充满型腔的能力称为流动性。
•、判断题
1、剪切应力对塑料的成型最为重要。
()
4、浇口的主要作用之一是防止熔体倒流,便于凝聊和塑件分离。
5、中心浇口适用圆筒形,圆环形,或中心带孔的塑件成型。属于这类浇口有盘形,环形,爪形 和轮辐式等浇口。
6、点浇口对于注塑流动性差和热敏性塑 料及平薄易变形和形状复杂的塑件是很有利
的。
()
7、大多数情况下利用分型面或模具零件配合间隙自然排气。当需开设排气槽时,通常开设在分 型面的凹槽一侧开设排气槽。
2、塑料在变化的过程中出现三种但却不同的物理状态:
- 1、下载文档前请自行甄别文档内容的完整性,平台不提供额外的编辑、内容补充、找答案等附加服务。
- 2、"仅部分预览"的文档,不可在线预览部分如存在完整性等问题,可反馈申请退款(可完整预览的文档不适用该条件!)。
- 3、如文档侵犯您的权益,请联系客服反馈,我们会尽快为您处理(人工客服工作时间:9:00-18:30)。
塑料成型工艺与模具设计复习题一、填空题1.从尽量减少散热面积考虑,热塑性塑料注射模分流道宜采用的断面形状是圆形。
2.热固性塑料压缩模用来成型压缩率高的塑料,而用纤维填料的塑料宜用不溢式压缩模具。
3.对大型塑件尺寸精度影响最大的因素是成型收缩率误差。
4. 从成型工艺出发,欲获得理想的粘度,主要取决于对温度、剪切速率和压力这三个条件的合理选择和控制。
5. 料流方向取决于料流进入型腔的位置,故在型腔一定时影响分子定向方向的因素是浇口位置。
.6. 注射模塑成型完整的注射过程包括加料、塑化、注射、保压、冷却和脱模。
7. 注射成型是熔体充型与冷却过程可分为充模、压实、倒流和冻结冷却四个阶段。
8.对于小尺寸的注射模具型腔的壁厚设计应以满足型腔强度条件为准。
9.复位杆的作用是:为了使推出元件合模后能回到原来的位置。
10.在压缩成型模具中,如果保压时间短;温度低;水分或挥发物含量大,无润滑剂或用量不当;模具表面粗糙度粗,会引起成型的主工缺陷是粘模。
11.普通流到浇注系统一般有主流道、分流道、浇口和冷料穴等四部分组成。
12.为了保证推出机构在工作过程中灵活、平稳,每次合模后,推出元件能回到原来的位置,通常还需设计推出机构的导向与复位装置。
13.在卧式或立式注射机上使用的模具中,主流道垂直于分型面,为使凝料能从其中顺利拔出,主流道需设计成圆锥形。
14.塑料模的合模导向装置主要有导柱导向和锥面定位,通常用导柱导向。
15.当模塑大型、精度要求高。
深型腔、薄壁及非对称塑件时,会产生大的侧压力,不仅用导柱导向机构,还需增设锥面导向和定位。
16.为了实现合模方向唯一性原则,导柱布置通常采用两种方法:对称分布、非对称分布。
17. 导向孔有两种结构形式,一种是直接在模板上加工出来,另一种是加工导套,再将导套镶嵌入模板中。
18. 如果侧向力完全由导柱来承受,则会发生导柱卡死、损坏或开模时增加磨损。
19. 推出元件设置位置应避免损伤制品外观,或影响制品的使用性能。
20. 当推杆较细和推杆数量较多时,为了防止在推出过程中推板和推杆固定板歪斜和扭曲而折断推杆或发生运动卡滞现象,应当在推出机构中设置导向装置。
21.对于大尺寸的注射模具型腔的壁厚设计应以满足型腔刚度条件为准。
22. 塑件的形状应利于其脱出模具,塑件测向应尽量避免设置凹凸结构或侧孔。
23. 多数塑料的弹性模量和强度较低,受力时容易变形和破坏。
24 设计底部的加强筋的高度应至少低于支撑面0.5mm。
25. 为了便于排气,一般选择分型面与塑料熔体的料流末端所在的型腔内壁表面相重合。
26影响塑件尺寸公差的因素有成型零件的制造误差、成型零件的磨损、成型收缩率的偏差和波动、模具的安装配合误差、水平飞边厚度的波动。
27当塑件侧面的孔或凹槽较浅,抽芯距不大,但成型面积较大,需要抽芯力较大时,则常采斜滑块机构进行侧向分型与抽芯。
28型腔和分流道的排列有平衡式和非平衡式两种。
29 成型零件是指直接与塑料接触或部分接触并决定塑件形状、尺寸、表面质量的零件,它是模具的核心零件。
30注射模的浇注系统由主流道﹑分流道﹑浇口﹑冷料穴等组成。
31将斜导柱的工作端的端部设计成锥台形时,必须使工作端部锥台的斜角小于斜导柱的斜角。
32一般模具表面粗糙度值要比塑件的要求高 1~2 级。
33口模用来成型塑件的外表面,芯棒用来成型塑件的内表面,由此可见,口模和芯棒决定了塑件的截面形状。
34 机头流道呈光滑流线型,以减少流动阻力,使物料机头流道充满并均匀地挤出,同时避免物料发生过热分解。
35斜滑块侧向分型与抽芯注射模常用于抽芯距离较短的场合。
36. 楔形槽是起拉料的目的。
37 塑件在设计时应尽可能避免 侧向凹凸结构 , 避免模具结构复杂。
38. 浇口套应设置在模具的对称中心位置上,并尽可能保证与相联接的注射机的喷嘴为同一轴心线。
39同一塑料零件的壁厚应尽可能一致,否则会因冷却或固化速度不同产生附加内应力,使塑件产生翘曲、缩孔、裂纹甚至开裂。
40当注射成型工艺要求模具温度在80℃以上时,模具中必须设置加热装置。
二、选择题1. 卧式注射机SX-Z-63/50中的50表示锁模力为( D )A 、5003cmB 、503cm C 、50kN D 、500kN2.为了改善塑件的性能和提高尺寸稳定性,塑件后处理的主要方法是调湿处理和( C )处理.A .正火B .回火3.下列哪种因素不能影响注射成型的塑件精度(D )。
A .模具的制造精度B .模具的磨损程度C .塑料收缩率的波动D .注射机的类型4.塑件轴类尺寸的标注一般是(B )。
A .正偏差B .负偏差C .双向偏差D .没有规定5.在压注成型模具中,因固化时间长、熔体温度高、模具高或加热不均、浇口过小,均会在成型过程中产生( C )缺陷。
A .表面皱纹B .流痕C .表面气泡D .变形6.浇口设在模具内的隐蔽处,塑料熔体通过型腔侧面斜向注入型腔,从而使浇口痕迹不影响塑件的表面质量,一般这种浇口形式是( B )。
A .直接浇口B .潜伏浇口C .护耳浇口D .盘形浇口7.为了防止螺孔最外圈的螺纹崩裂或变形,应使螺纹最外圈和最里圈留有( B )。
A.圆孔B.台阶C.圆角D.倾度8.与单分型面注射模具相比较,双分型面注射模具在定模部分增加了一块可以局部移动的( D )。
A.支承板B.推件板C.推板D.中间板9.在卧式或立式注射机上使用的模具中,主流道垂直于分型面,为使凝料能从其中顺利拔出,主流道需设计成( B )。
A.圆柱形B.圆锥形C.腰鼓形D.长方体形10.对于大尺寸的注射模具型腔的壁厚设计应以满足型腔( D )条件为准。
A.强度B.疲劳强度C.断裂强度 D 刚度11.在注射成型模具中,如果料温过高、料分解物进入模腔、原料含水分高、成型时气化,均会在成型过程中产生( C )缺陷.A.裂纹B.脱模难C.银丝、斑纹 D 制品变形12.下列不属于塑料模具结构零件的作用的是( D )?A 、装配B 、定位C 、安装D 、成型13.下列不属于稳定剂的是:(D )A、光稳定剂B、热稳定剂C、抗氧剂D、树脂14.()的作用,除了用其顶部端面构成冷料穴的部分几何形状之外,还负责在开模时把凝料从主流道中拉出。
( C )A、推杆B、冷料穴C、拉料杆D、型腔15.多型腔模具适用于(B )生产?A、小批量B、大批量C、高精度要求D、试制16.由于推出机构一般设置在动模一侧,所以应尽量使塑件在分型后留在( B )一边。
A.定模B.动模C.型腔D.凹模17.作为分流道的截面形状,比较理想的是:( B ).A.圆形B.梯形C.矩形D.U形18.注射机料筒温度的分布原则是什么?(A )A、前高后低B、前后均匀C、后端应为常温D、前端应为常温19.复位杆的作用是:为了使( A )。
A.推出元件合模后能回到原来的位置B.导向元件工作稳定C.嵌件保持正确位置D.塑料制件容易脱模20.在压缩成型模具中,如果保压时间短;温度低;水分或挥发物含量大,无润滑剂或用量不当;模具表面粗糙度粗,会引起成型的主工缺陷是(B )。
A.制件有裂纹 B.粘模 C. 毛边多而厚 D.表面呈桔皮状21.主要用于各种机械零件如法兰、接头、泵叶轮、汽车零件和自行车零件的热塑性塑料是(B )。
A.聚乙烯 B. 聚丙烯 C. 聚氯乙烯 D. ABS 22.斜导柱与其固定的模板之间地般采用(C )。
A.过盈配合 B.间隙配合 C. 过渡配合 D. 动配合23.斜滑块侧向分型与抽芯注射模常用于(B )的场合。
A.抽芯距离较长B.抽芯距离较短C.容易脱模D.不易脱模24.下列不属于塑料模失效形式的是(D )?A、变形B、断裂C、磨损D、冷却25.凹模是成型塑件( B )的成型零件?A、内表面B、外表面C、上端面D、下端面26.下面对于冷料穴的描述不正确的是( D )。
A.接受冷料,防止冷料进入流道B.接受冷料,防止冷料进入型腔C.有利于脱模D.对型腔进行原料补偿27.下面对于导向机构的作用描述不正确的是( A )。
A.承受一定的注射压力B.承受一定的侧向压力C.起定位作用D.起导向作用28.主流道一般位于模具中心位置,它与注射机的喷嘴轴心线(D )?A、垂直B、相交C、相切D、重合29.下列不属于推出机构零件的是( C )?A、推杆B、复位杆C、型芯D、推板30.热塑性塑料在常温下,呈坚硬固态属于( A )A、玻璃态B、高弹态C、粘流态D、气态31.压缩模具中凸模的结构形式多数是( B )的,以便于加工制造。
A、不锈钢B、整体式C、工具钢D、组合式32.点浇口有利于( C )的成型。
A.热敏性强的塑料B.流动性差的塑料C.壁厚较薄的塑料制件D.形状复杂的塑料制件33.在挤出成型模具中,如果口模四周温度不均匀;冷却水太慢;牵引太慢均会引起塑料制件产生的主要缺陷是(B )。
A.管材弯曲B.管材表面有有皱纹C.管材内壁有裂纹D.管材内壁有气泡34.齿轮齿条侧抽芯可以获得( D )。
A.较短抽芯距,抽芯力较小B.较短抽芯距,较大抽芯力C.较长抽芯距,较小抽芯力D.较长抽芯距,较大抽芯力35斜导柱侧抽芯机构包括(D)。
A.导柱、滑块、导滑槽、楔紧块、滑块的定位装置B.导套、滑块、导滑槽、楔紧块、滑块的定位装置C.推杆、滑块、导滑槽、楔紧块、滑块的定位装置D.滑块、导滑槽、楔紧块、滑块的定位装置、斜导柱36.下列不属于注射模导向机构的是( D )?A、导柱B、导套C、导向孔D、推杆37.一个容量为20升的单型腔筒形件,适宜的浇口为(A)形式。
A.直接浇口B.环形浇口C.侧浇口D.轮辐式浇口38.由于推出机构一般设置在动模一侧,所以应尽量使塑件在分型后留在( B )一边。
A.定模B.动模C.型腔D.凹模39.塑件的表面粗糙度主要与(D)有关。
A.塑件的成型工艺B.尺寸精度C.注射机类型D.模具型腔表面的粗糙度40.在模具使用过程中,成型塑件的表面粗糙度是(C)。
A.没有变化B.有变化,无法确定变大变小C.有变化,会变大D.不能确定41.下列因素不会造成塑件成型后的表观缺陷(B)。
A.成型工艺条件B.注射机类型C.模具浇注系统设计D.塑件成型原材料42.下列哪个情况不属于表观质量问题(D)。
A.熔接痕B.塑件翘曲变形C.塑件有气泡D.塑件强度下降43.塑件壁厚太薄会造成(C)。
A.气泡、凹陷B.收缩不一致C.塑件缺料现象D.变形44.加强肋的方向应与料流方向(B)。
A.一致B.垂直C.45ºD.没有关系45.图4.1所示的单分型面注射模在开模时,塑件会(B)。
A.留在定模上B.和动模一起移动C.从模具落下D.无法确定46.注射模主流道始端的球比注射机喷嘴头部球面半径(C)。
A.相等B.大C.小D.随意47.哪组零件是推出装置的零件?(C)A.推板、支承钉、垫块、推杆、复位杆、拉料杆B.推杆固定板、支承板、推板、推杆、复位杆、拉料杆C.支承钉、推杆固定板、推板、推杆、复位杆、拉料杆D.推杆、复位杆、推杆固定板、推板、支承钉48.主流道、分流道、浇口、冷料穴组成注射模的(B)系统。
