建筑施工安全检查评分汇总表(自评)
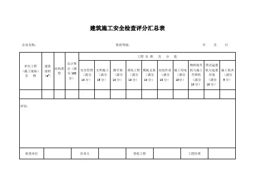
建筑施工安全检查评分汇总表

建筑施工安全检查评分汇总表The Standardization Office was revised on the afternoon of December 13, 2020建筑施工安全检查评分汇总表表3.0.1企业名称:资质等级:评定阶段:年月日安全管理检查评分表表3.0.2注:1.每项最多扣减分数不大于该项应得分数。
2.保证项目有一项不得分或保证项目小计得分不足40分,检查评分表计零分。
3.该表换算到《施工安全检查评分汇总表》(表3.0.1)后得分=10×该表检查项目实得分数合计÷100。
文明施工检查评分表表3.0.3注:1.每项最多扣减分数不大于该项应得分数。
2.保证项目有一项不得分或保证项目小计得分不足40分,检查评分表计零分。
3.该表换算到《施工安全检查评分汇总表》(表3.0.1)后得分=20×该表检查项目实得分数合计÷100。
落地式外脚手架查评分表表3.0.4-1注:1.每项最多扣减分数不大于该项应得分数。
2.保证项目有一项不得分或保证项目小计得分不足40分,检查评分表计零分。
3.该表换算到《施工安全检查评分汇总表》(表3.0.1)后得分=10×该表检查项目实得分数合计÷100。
悬挑式脚手架检查评分表表3.0.4-2注:1.发现脚手架钢木、钢竹混合搭设,检查评分表计零分。
2.每项最多扣减分数不大于该项应得分数。
3.保证项目有一项不得分或保证项目小计得分不足40分,检查评分表计零分。
4.该表换算到《施工安全检查评分汇总表》(表3.0.1)后得分=10×该表检查项目实得分数合计÷100。
门型脚手架检查评分表表3.0.4-3注:1.每项最多扣减分数不大于该项应得分数。
2.保证项目有一项不得分或保证项目小计得分不足40分,检查评分表计零分。
3.该表换算到《施工安全检查评分汇总表》(表3.0.1)后得分=10×该表检查项目实得分数合计÷100。
建筑施工安全检查评分汇总表

建筑施工安全检查评分汇总表建筑施工安全检查评分汇总表建筑施工安全检查是一项必要的工作,旨在确保施工现场安全、预防事故的发生。
为了更好地提高建筑施工的安全性,我们制定了一份建筑施工安全检查评分汇总表。
该评分汇总表分为三个部分:施工现场、设备材料和人员管理。
每一项都涵盖了具体的检查内容和评分标准。
施工现场检查内容:1.施工现场临时施工道路和交通安全情况;2.施工现场道路和围挡安全、坚固情况;3.施工现场人员、机械、材料作业区域是否分开;4.施工现场吊装设备是否安装稳固;5.施工现场安全标志醒目、完整;6.其他安全隐患。
评分标准:满分100分,每一项分值为10分,共计六项。
存在安全隐患将被扣分,根据实际情况扣分幅度不等。
设备材料检查内容:1.施工机械是否有安全保护装置和定期检查维修记录;2.材料储存是否有固定牢固的支撑结构;3.建筑材料是否有合格证明和标识标牌;4.脚手架搭建是否符合建筑规范;5.安装施工电缆是否符合安全规范;6.现场消防器材是否齐全、完好。
评分标准:满分100分,每一项分值为10分,共计六项。
存在安全隐患将被扣分,根据实际情况扣分幅度不等。
人员管理检查内容:1.是否有专人负责协调施工现场安全工作;2.施工工人是否持有合法证件;3.工人是否佩戴劳保用品;4.工作班组是否进行安全教育培训;5.施工工人是否具有安全操作技能和现场危险预防意识;6.施工队伍安全生产责任制是否落实。
评分标准:满分100分,每一项分值为10分,共计六项。
存在安全隐患或者未达到要求的将被扣分,根据实际情况扣分幅度不等。
最终得分将施工现场、设备材料和人员管理三个部分的得分汇总,评定工程安全得分。
在评分过程中,如果出现重大安全隐患将停工整改,直至消除隐患后方可复工。
同时,我们也将加强监督检查力度,确保工地安全、有序、高效进行。
建筑施工安全检查评分表及汇总表

建筑施工安全检查评分汇总表
企业名称:资质等级:年月日
表B.1 安全管理检查评分表
表B.2 文明施工检查评分表
表B.3 扣件式钢管脚手架检查评分表
表 B.4 门式钢管脚手架检查评分表
表B.5 碗扣式钢管脚手架检查评分表
表B.6 承插型盘扣式钢管脚手架检查评分表
表B.7 满堂脚手架检查评分表
表B.9 附着式升降脚手架检查评分表
表B.10 高处作业吊篮检查评分表
表B.11 基坑工程检查评分表
表B.12 模板支架检查评分表
表B.13 高处作业检查评分表
表B.14 施工用电检查评分表
表B.15 物料提升机检查评分表
表B.16 施工升降机检查评分表
表B.17 塔式起重机检查评分表
表B.18 起重吊装检查评分表
表B.19 施工机具检查评分表。
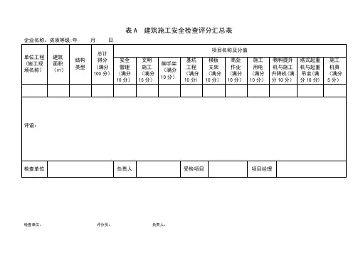
建筑施工安全检查评分表汇总表(新版)

表A 建筑施工安全检查评分汇总表
检查单位:评分员:负责人:
表B。
3 扣件式钢管脚手架检查评分表
表B.6 承插型盘扣式钢管脚手架检查评分表
表B.7 满堂脚手架检查评分表
表B.8 悬挑式脚手架检查评分表
表B。
9 附着式升降脚手架检查评分表
表B。
10 高处作业吊篮检查评分表
表B.11 基坑工程检查评分表
表B.12 模板支架检查评分表
表B。
13 高处作业检查评分表
表B。
14 施工用电检查评分表
表B。
15 物料提升机检查评分表
表B。
16 施工升降机检查评分表
表B.17 塔式起重机检查评分表
表B.18 起重吊装检查评分表
表B。
19 施工机具检查评分表
检查单位:评分员:负责人:。
建筑施工安全检查评分汇总表分项检查评分表

建筑施工安全检查评分汇总表分项检查评分表
建筑施工安全检查评分汇总表
表A 建筑施工安全检查评分汇总表
企业名称:资质等级:
附录B 建筑施工安全分项检查评分表
表B.1 安全管理检查评分表
表B.2 文明施工检查评分表
表B.4门式钢管脚手架检查评分表
表B.5碗扣式钢管脚手架检查评分表
表B. 6 承插型盘扣式钢管脚手架检查评分表
表B.7满堂脚手架检查评分表
表B.8悬挑式脚手架检查评分表
表B. 10高处作业吊篮检查评分表
表B.11 基坑工程检查评分表
表B.12 模板支架检查评分表
表B. 13 高处作业检查评分表
表B.14 施工用电检查评分表
表B.15物料提升机检查评分表
表B.16 施工升降机检查评分表。
建筑施工安全检查评分汇总表-----

为100分) 理(满分 工(满分 (满分10 程(满分 (满分10 (满分10 (满分10 工升降机 起重吊 具(满分
10分) 15分) 分) 10分) 分)
ቤተ መጻሕፍቲ ባይዱ
分)
分) (满分10 装(满分 5分)
分) 10分)
施工
在施工过程中均按照《建筑施工安全检查标准》(JGJ59-2011)标准执行,明确了安全生产责 任制度和安全生产目标,具体落实到每一班组,平时进行定时安全检查,发现问题及时整改,文明 施工方面也不断整改,得到合格标准,本月未发生任何安全事故。经自评工程综合评定合格。
单位
检查
结果
项目负责人(签名):
检查人员(签名):
年月日
监理 单位 检查 意见
总监理工程师(签名):
专业监理工程师(签名):
年月日
注:安全检查评分按照《建筑施工安全检查标准》JGJ 59—2011进行阶段评价检查,应由总监理工程师签署 意见,施工企业单独组织的日常检查也可用此表。
建筑施工安全检查评分汇总表
GDAQ2030301
工程名称 施工单位 监理单位
猎德污水处理系统管网工程—沙河涌片区一期—广州军区段(第1标段)工程
广州市第二市政工程有限、公司
广州市云兴建设监理有限公司 项目
建筑面 积
(㎡)
名称及
资质等级
市政公用工程施工总承 包壹级
结构类型
分值
总计得
物料提升 塔式起
分(满分 安全管 文明施 脚手架 基坑工 模板支架 高处作业 施工用电 降机与施 重机与 施工机
建筑施工安全检查评分表
表建筑施工安全检查评分汇总表自治区建筑业协会书店发行(乌市和平北路6号电话:)(每本定价:3.50元)表安全管理检查评分表100自治区建筑业协会书店发行(乌市和平北路6号电话:)(每本定价:3.50元)表3.0.3 模板工程安全检查评分表3.该表换算到表后得分= 10×该表检查项目实得分数合计100自治区建筑业协会书店发行(乌市和平北路6号电话:)(每本定价:3.50元)表3.0.4 “三宝”“四口”防护检查评分表注:1.每项最多扣减分数不大于该项应得分数。
2.该表换算到表后得分= 10×该表检查项目实得分数合计100自治区建筑业协会书店发行(乌市和平北路6号电话:)(每本定价:3.50元)表3.0.5 施工用电检查评分表自治区建筑业协会书店发行(乌市和平北路6号电话:)(每本定价:3.50元)表3.0.6 塔吊检查评分表自治区建筑业协会书店发行(乌市和平北路6号电话:)(每本定价:3.50元)表3.0.7 基坑支护安全检查评分表自治区建筑业协会书店发行(乌市和平北路6号电话:)(每本定价:3.50元)表3.0.8-1 落地式外脚手架检查评分表自治区建筑业协会书店发行(乌市和平北路6号电话:)(每本定价:3.50元)表3.0.8-2 悬挑式外脚手架检查评分表自治区建筑业协会书店发行(乌市和平北路6号电话:)(每本定价:3.50元)表3.0.8-3 挂脚手架检查评分表自治区建筑业协会书店发行(乌市和平北路6号电话:)(每本定价:3.50元)表3.0.8-4 门型脚手架检查评分表自治区建筑业协会书店发行(乌市和平北路6号电话:)(每本定价:3.50元)表3.0.8-5 吊篮脚手架安全检查评分表自治区建筑业协会书店发行(乌市和平北路6号电话:)(每本定价:3.50元)表3.0.8-6 附着式升降脚手架(整体提升架或爬架)安全检查评分表自治区建筑业协会书店发行(乌市和平北路6号电话:)(每本定价:3.50元)表3.0.9 施工机具检查评分表表3.0.10 文明施工检查评分表表3.0.11 起重吊装安全检查评分表100自治区建筑业协会书店发行(乌市和平北路6号电话:)(每本定价:3.50元)表3.0.12 外用电梯(人货两用电梯)安全检查评分表自治区建筑业协会书店发行(乌市和平北路6号电话:)(每本定价:3.50元)表3.0.13 物料提升机(龙门架、井字架)检查评分表自治区建筑业协会书店发行(乌市和平北路6号电话:)(每本定价:3.50元)。
建筑施工安全检查评分汇总表分项检查评分表
10
2
架体
基础
基础不平、不实、不符合专项施工方案要求,扣5~10分
架体底部未设置垫板或垫板的规格不符合要求,扣2~5分
架体底部未按规范要求设置底座,每处扣2分
架体底部未按规范要求设置扫地杆,扣5分
未采取排水措施,扣8分
10
3
架体
10
3
架体与
建筑结
构拉结
架体与建筑结构拉结方式结不符合规范要求,每处扣2分
连墙件距主节点距离不符合规范要求,每处扣4分
架体底层第一步纵向水平杆处未按规定设置连墙件或未采用其他可靠措施固定,每处扣2分
搭设高度超过24m的双排脚手架,未采用刚性连墙件与建筑结构可靠连接,扣10分
10
4
杆件间距与剪刀撑
立杆、纵向水平杆、横向水平杆间距超过设计或规范要求,每处扣2分
荷载堆放不均匀,每处扣5分
10
10
通道
未设置人员上下专用通道,扣10分
通道设置不符合要求,扣5分
10
小计
40
检查项目合计
100
表B.5碗扣式钢管脚手架检查评分表
序号
检查项目
扣分标准
应得分数
扣减分数
实得分数
1
保
证
项
目
施工
方案
未编制专项施工方案或未进行设计计算,扣10分
专项施工方案未按规定审核、审批,扣10分
架体搭设超过规范允许高度,专项施工方案未按规定组织专家论证,扣10分
10
2
立杆
基础
立杆基础不平、不实、不符合专项施工方案设计要求,扣10分
立杆底部底座、垫板或垫板的规格不符合规范要求,每处扣2分
建筑施工安全检查评分汇总表 表3
建筑施工安全检查评分汇总表表3.0.1
企业名称:经济类型:资质
安全管理检查评分表表3.0.2
文明施工检查评分表表3.0.3
文明施工检查评分表表3.0.3
落地式外脚手架检查评分表表3.0.4-1
落地式外脚手架检查评分表表3.0.4-1
悬挑式脚手架检查评分表表3.0.4-2
门型脚手架检查评分表表3.0.4-3
挂脚手加检查评分表表3.0.4-4
吊篮脚手架检查评分表表3.0.4-5
附着式升降脚手架(整体提升架或爬架)检查评分表
附着式升降脚手架(整体提升架或爬架)检查评分表
表3.0.4-6
基坑支护安全检查评分表表3.0.5
模板工程安全检查评分表表3.0.6
“三宝”、“四口”防护检查评分表表3.0.7
施工用电检查评分表表3.0.8
物料提升机(龙门架、井字架)检查评分表
物料提升机(龙门架、井字架)检查评分表
外用电梯(人货两用电梯)检查评分表
塔吊检查评分表表3.0.11
起重吊装安全检查评分表表3.0.12
施工机具检查评分表表3.0.13。
建筑施工安全检查评分汇总表
3.关于任命安全科工作人员的通知
4.安全机构组成人员明细表
5.分包单位资质和人员资格管理制度
6.分包单位安全管理制度
7.总(分包)单位安全生产管理人员及特种作业人员名册
A5
施工现场安全管理
1.施工现场安全达标
1.施工现场安全检查管理制度
2.施工现场安全检查及隐患整改记录表
8.安全防护设施验收记录
9.安全防护用具、材料领用记录
10.安全防护用具及机械设备准用登记表
11.安全防护用品(具)进场验收登记表
12.安全防护用品(具)生产许可证、合格证、安全认证标志
13.安全防护用品(具)送检检验报告
14.安全防护用品(具)验收单
15.安全验收记录汇总表
16.脚手架、安全防护设施临时拆除申请表
17.临边、洞口安全防护设施验收表
18.落地操作平台搭设验收单
19.密目式安全网挂设验收表
20.攀登作业设施验收表
3.安全标志
1.施工现场安全标志使用管理规定
2.安全警示标志使用检查表
安全标志及其使用导则GB2894-2008
4.安全检查测试工具
1.施工场所安全检查、检验仪器、工具配备制度
2.安全检测工具清单
5.重大危险源管理方案及相应措施
6.建设工程重大危险源登记表
7.危害辨识与风险评价台帐(公司)
8.危害辨识与风险评价台帐(项目部)
9.危险源调查表(公司)
10.危险源调查表(项目部)
11.重大危险源台帐
12.施工现场风险点公示牌 (用于现场布置参考使用)
A3
设备和设施
管理
1.设备安全管理
1.设备管理制度
- 1、下载文档前请自行甄别文档内容的完整性,平台不提供额外的编辑、内容补充、找答案等附加服务。
- 2、"仅部分预览"的文档,不可在线预览部分如存在完整性等问题,可反馈申请退款(可完整预览的文档不适用该条件!)。
- 3、如文档侵犯您的权益,请联系客服反馈,我们会尽快为您处理(人工客服工作时间:9:00-18:30)。
监督备案号:
工程名称
建筑面积
工程地址
结构层数
建设单位
项目经理
监理单位
形象进度
施工单位
联系电话
总计得分
项目及评分架
高处作业
施工用电
物料提升机与施工升降机
塔式起重机与起重吊装
施工机具
(100分)
(10)分
(15)分
(10)分
(10) 分
(10)分
(10)分
(10)分
(10)分
(10)分
(5)分
施工单位自查意见:
施工单位负责人(签字): 施工单位(盖章)
年 月 日
监理单位检查意见:
总监理工程师(签字): 监理单位(盖章)
年 月 日
建设单位检查意见:
建设单位代表(签字): 建设单位(盖章)
年 月 日