万能充电器原理介绍
充电器工作原理

充电器工作原理一、引言充电器是我们日常生活中常见的电子设备,用于给电池、手机、平板电脑等设备充电。
了解充电器的工作原理对我们正确使用和选择充电器至关重要。
本文将详细介绍充电器的工作原理,包括充电器的基本组成、工作流程和原理。
二、充电器的基本组成1. 变压器:充电器中的变压器是实现电能转换的核心部件。
它由铁芯和绕组组成。
变压器通过变换输入电压和电流,将电能转换为适合充电设备的电压和电流。
2. 整流器:充电器中的整流器用于将交流电转换为直流电。
直流电是充电设备所需的电能形式。
整流器通常采用二极管桥等元件,将交流电的负半周削减或反向,使输出电流变为单向的直流电。
3. 滤波器:充电器中的滤波器用于平滑输出电流,去除电流中的纹波。
滤波器通常由电容器组成,可以将输出电流中的波动降到最低,提供稳定的直流电。
4. 控制电路:充电器中的控制电路用于监测和控制充电过程。
它可以根据充电设备的需求,调整输出电压和电流,保证充电过程的安全和高效。
三、充电器的工作流程1. 输入电源接入:充电器通过插头或电源线将交流电源接入。
输入电源的电压和频率可以根据不同地区和充电器的设计而有所不同。
2. 变压器转换:输入电源经过变压器的转换,将高压低流的交流电转换为适合充电设备的低压高流的交流电。
变压器的绕组比例决定了输出电压和电流的大小。
3. 整流转换:经过变压器转换后的交流电进入整流器,通过二极管桥等元件进行整流转换,将交流电转换为单向的直流电。
4. 滤波平滑:经过整流转换后的直流电进入滤波器,通过电容器等元件进行滤波平滑,去除电流中的纹波,提供稳定的直流电。
5. 控制调节:经过滤波平滑后的直流电进入控制电路,控制电路根据充电设备的需求,调整输出电压和电流。
控制电路可以监测充电设备的电池电量、温度等参数,保证充电过程的安全和高效。
6. 输出充电:经过控制调节后的直流电输出到充电设备,为设备的电池充电。
输出电压和电流的大小取决于充电设备的需求和充电器的设计。
万能充电器原理

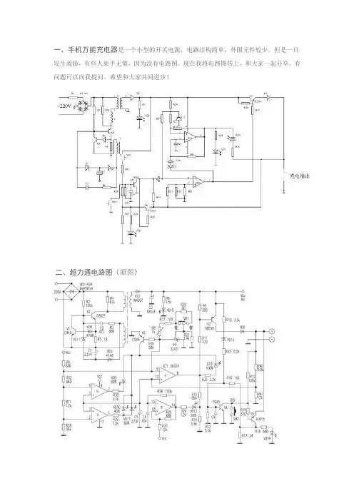
一、手机万能充电器是一个小型的开关电源,电路结构简单,外围元件较少。
但是一旦发生故障,有些人束手无策,因为没有电路图。
现在我将电路图传上,和大家一起分享。
有问题可以向我提问。
希望和大家共同进步!二、超力通电路图(原图)三、我修改过的图纸(我认为原图可能有错误)四、超力通电路原理该充电器具有镍镉、镍氢、锂离子电池充电转换开关,并具有放电功能。
在150~250V、40mA的交流市电输入时,可输出300±50mA的直流电流。
该充电器采用了RCC型开关电源,即振荡抑制型变换器,它与PWM型开关电源有一定的区别。
PWM型开关电源由独立的取样误差放大器和直流放大器组成脉宽调制系统;而RCC型开关电源只是由稳压器组成电平开关,控制过程为振荡状态和抑制状态。
由于PWM 型开关电源中的开关管总是周期性的通断,系统控制只是改变每个周期的脉冲宽度,而RCC 型开关电源的控制过程并非线性连续变化,它只有两个状态:当开关电源输出电压超过额定值时,脉冲控制器输出低电平,开关管截止;当开关电源输出电压低于额定值时,脉冲控制器输出高电平,开关管导通。
当负载电流减小时,滤波电容放电时间延长,输出电压不会很快降低,开关管处于截止状态,直到输出电压降低到额定值以下,开关管才会再次导通。
开关管的截止时间取决于负载电流的大小。
开关管的导通/截止由电平开关从输出电压取样进行控制。
因此这种电源也称非周期性开关电源。
220V市电经VD1~VD4桥式整流后在V2的集电极上形成一个300V左右的直流电压。
由V2和开关变压器组成间歇振荡器。
开机后,300V直流电压经过变压器初级加到V2的集电极,同时该电压还经启动电阻R2为V2的基极提供一个偏置电压。
由于正反馈作用,V2Ic 迅速上升而饱和,在V2进入截止期间,开关变压器次级绕组产生的感应电压使VD7导通,向负载输出一个9V左右的直流电压。
开关变压器的反馈绕组产生的感应脉冲经VD5整流、C1滤波后产生一个与振荡脉冲个数呈正比的直流电压。
手机万能充电器电路原理与维修

手机万能充电器电路原理与维修一、手机万能充电器电路原理1.AC-DC变换器:手机万能充电器的输入是交流电,而手机需要的是直流电来进行充电。
因此,充电器需要内置一个AC-DC变换器将交流电转换为直流电。
AC-DC变换器的核心是变压器,通过变压器的转换,将输入电流转换为适合手机充电的直流电压。
2.电源管理芯片:电源管理芯片是手机万能充电器的重要组成部分。
它通过控制电流和电压的大小,使得充电器可以提供适合不同手机充电的电源输出。
电源管理芯片还可以对充电状态进行监控,并保证充电器的稳定性和安全性。
B输出接口:手机万能充电器通常使用USB输出接口,以便与各种手机进行连接。
USB接口可以提供稳定的电力输出,并且具有较强的兼容性,适用于多种手机充电。
二、手机万能充电器的维修方法1.充电器不工作或接触不良:首先,检查充电器是否与电源插座连接良好。
如果电源插座正常,那么可以使用万用表测量充电器的输出电压,看看是否正常。
如果输出电压异常,可能是电源管理芯片损坏,需要更换电源管理芯片。
2.充电器输出电压波动:如果充电器输出电压存在波动,可能是AC-DC变换器的问题。
可以使用电子万用表测量变压器输出端的电压波动情况,如果存在异常,可能是变压器损坏,需要更换变压器。
3.充电器过热:充电器过热可能是因为电源管理芯片负荷过重或者充电器散热不良。
可以检查电源管理芯片的负荷情况,如果过载,可能需要更换功率较大的芯片。
另外,可以在充电器上加装散热片或风扇来增加散热效果。
4.充电器无法适应多品牌手机:有些手机品牌的充电器对电流和电压的要求可能有所不同。
如果手机万能充电器无法适应多品牌手机,可以更换电源管理芯片,选择支持多种输出电压和电流的芯片。
万能充原理

万能充原理在现代社会,充电已经成为了我们日常生活中不可或缺的一部分。
无论是手机、平板、笔记本电脑,还是电动汽车、无人机等,它们都需要电能来维持运行。
而为了满足不同设备的充电需求,人们也研发出了各种各样的充电器,其中最为常见的就是万能充。
那么,万能充是如何实现充电的呢?下面我们来一起探讨一下万能充的原理。
首先,我们需要了解的是,万能充是指一种可以适配多种设备的充电器,它可以根据不同设备的充电需求进行智能调节,以达到最佳的充电效果。
这就需要万能充内部具备一定的智能控制和电路设计。
在万能充内部,通常会包含一个主控芯片,这个芯片可以通过识别设备的充电需求,来调节输出电压和电流,从而实现对不同设备的充电。
其次,万能充的原理是基于充电协议的。
不同的设备可能采用不同的充电协议,比如USB PD、QC、FCP等,而万能充需要支持这些不同的充电协议,才能够适配多种设备。
因此,万能充内部的主控芯片需要具备对各种充电协议的识别和支持能力,以确保对不同设备的充电兼容性。
此外,万能充还需要具备一定的安全保护功能。
在充电过程中,可能会出现过压、过流、过热等问题,这些问题都会对设备造成损害甚至危险。
因此,万能充内部通常会集成过压保护、过流保护、过热保护等功能,以确保充电过程的安全稳定。
最后,万能充的原理还涉及到充电效率的问题。
在充电过程中,充电器内部会有一定的能量损耗,而这种能量损耗会导致充电效率的降低。
因此,好的万能充需要在设计上尽量减小能量损耗,提高充电效率,以实现更快速、更稳定的充电体验。
总的来说,万能充的原理是基于智能控制、充电协议支持、安全保护和充电效率等多方面的考量。
通过合理的设计和技术实现,万能充可以实现对多种设备的智能适配充电,为人们的生活带来便利和安全保障。
希望未来能够有更多的科技创新,为充电领域带来更多的便利和惊喜。
万能充

• 深圳科士达科技股份有限公司成立于1993年,是专注于电力电子及新能源领域 ,产品涵盖UPS不间断电源、逆变电源、阀控式铅酸蓄电池、机房一体化设备 、太阳能光伏逆变器的国家级高新技术企业。是产能规模和销量市场占有率遥 遥领先的中国大陆本土UPS产业领导者,高品质阀控式密封铅酸蓄电池专业制 造商,中国领先的机房一体化系统集成制造商,中国领先的新能源电力转换技
• 佳能是全球领先的生产影像与信息产品的综合集团。自1937年成立以来,经过 多年不懈的努力,佳能已将自己的业务全球化并扩展到各个领域。目前,佳能 的产品系列共分布于三大领域:个人产品、办公设备和工业设备,主要产品包 括照相机及镜头、数码相机、打印机、复印机、传真机、扫描仪、广播设备、 医疗器材及半导体生产设备等。
有的是又有检测又有电源,这时只有电源灯亮了才是正
确了)。如果不行,或者提示极性不正确,你可以找到 万能充上的转换开关,拨到另外一边就行了;或者将电池 翻一面,使电池正负极与万能充金属片接触点交换。
• 危害 :有些朋友会觉得原装充电器和万能充相比,用万 能充充电,电池续航时间更长。但是过度充电对锂电池 的损害非常严重,长久下去,电池的性能衰减很快。所 以长期使用万能充充电的朋友,一段时间后会发现电池 鼓胀、续航时间大不如前等,这正是由于使用万能充过 度充电的原因。
佳能Canon(成立于1937年日本,全球领先的生产影像与信息产品的综合集团 )
索尼Sony(成立于1945年日本,世界品牌,索尼(中国)有限公司,十佳充电器品 牌) 尼康Nikon(尼康株式会社1917年日本,领导品牌,世界品牌500强,充电器品牌 )
奥林巴斯(奥林巴斯创立于1919年,日本乃至世界精密,光学技术的代表企业 之一) 诺基亚(成立于1865年,中国驰名商标,世界上最大的通讯设备供应商,充电器) 科士达(深圳科士达科技股份有限公司成立于1993年,国家级高新技术企业) 贝尔金(于1983年美国,电脑/数码周边产品的全球领先厂商,十佳充电器品牌) 富士(于1917年,世界500强,世界上规模最大的综合性影像制造和供应商) 嘉捷恒信(北京嘉捷恒信能源技术有限公司成立于1998年,高新技术企业)
万能充介绍

CLT-688手机万能充电器电路剖析2008年01月10日星期四 11:18该充电器系深圳超力通电子有限公司制造,包装盒有以下说明:执行国家标准号:GB4943—2001性能:输入:220V,50Hz/60Hz 50mA 输出:DC4.2V 220mA±80mA特点:1、适用于对250—3000mAH容量手机锂离子3.6V(Li-ion)电池充电。
2、开关电源设计,适应交流电压宽150—265V供电。
3、采用微电脑芯片对整个充电过程进行准确检测和控制。
4、充电安全、可靠、充电饱和自动关机。
5、外形美观、轻巧、携带方便、操作简实用,可对绝大多数手机锂离子电池3.6V(Li-ion)电池充电。
打开包装盒,充电器外形如图。
出于好奇,笔者打开了该充电器。
其做工仔细,元件排列整齐,各元件都标有编号及大小数值,交流输入及直流输出也做了标注,并标有“CLT—688”、“2004.11.18”的字样。
印制板做的也很美观。
如图。
笔者根据实物画出了电路图,如下图(请点击图片查看放大后的电路),并进行简单的分析如下:该电路很简洁,采用了一块软封装的集成块并标有AE3102字样,通过对其8个引脚分析,是集成了两个运放。
开关电源部分采用抑制振荡型开关电源,它的简单工作原理是把220V交流电整流滤波成峰值电压300V左右的三角波(滤波电容C1不用),利用稳压器组成电平开关,控制开关管Q1的振荡与停止。
此开关电源初级电流很小,Q1的C极反峰电压也较低,因此可以使用Vceo大于300V的TO-92封装的小型开关管,以缩小体积降低成本。
开关电源部分:Q1和开关变压器组成间歇振荡器。
充电器加电后,220V市电经D1半波整流后在Q1的C极上形成一个300V左右的直流电压,经过变压器初级加到Q1的C极,同时该电压还经启动电阻R2为Q1的B极提供一个偏置电压。
由于正反馈作用,Q1的I C迅速上升而饱和,在Q1进入饱和期间,开关变压器次级绕组产生的感应电压使D2导通,向负载输出一个约9V左右的直流电压。
充电器工作原理
充电器工作原理充电器是一种电子设备,用于将电能转换为适合充电设备的电流和电压,从而实现对设备的电池或者电源的充电。
充电器的工作原理涉及到电能转换、电路控制和电源管理等方面。
1. 电能转换充电器的第一步是将交流电能转换为直流电能。
交流电通常是通过电网供应的,而充电设备需要直流电能来进行充电。
充电器内部通常包含一个变压器和整流电路。
变压器用于将输入的交流电压转换为所需的较低或者较高的电压,然后整流电路将交流电转换为直流电。
2. 整流电路整流电路用于将交流电转换为直流电。
最常见的整流电路是使用二极管桥整流器。
二极管桥整流器由四个二极管组成,它们可以将交流电的负半周期转换为正半周期,从而获得一个近似直流的输出。
3. 电路控制充电器通常具有电路控制功能,以确保充电设备的安全和充电效率。
电路控制可以包括过流保护、过压保护、过温保护和短路保护等功能。
这些保护机制可以防止充电设备受到损坏或者过热的情况,并确保充电过程的稳定性和安全性。
4. 电源管理充电器还可以具备电源管理功能,以提供更高效和智能化的充电体验。
电源管理功能可以包括智能识别充电设备的充电需求,调整输出电流和电压以最大程度地满足设备的需求。
此外,一些充电器还具备快速充电功能,通过提供更高的电流和电压来缩短充电时间。
5. 充电器类型根据不同的充电需求和设备类型,充电器可以分为多种类型,如USB充电器、无线充电器、快速充电器等。
不同类型的充电器在工作原理上可能会有所不同,但基本的电能转换和电路控制原理仍然适合。
总结:充电器的工作原理涉及到电能转换、电路控制和电源管理等方面。
它通过将交流电能转换为直流电能,并通过整流电路将交流电转换为直流电。
充电器还具备电路控制功能,确保充电设备的安全和充电效率,并可以具备电源管理功能,提供更高效和智能化的充电体验。
不同类型的充电器根据设备需求和充电方式的不同,可能会有所差异。
万能充电器 原理
万能充电器原理
万能充电器是指可以同时充电多种不同类型的设备的一种充电器。
其实现原理主要基于以下两个方面:
1. 电压适配器:万能充电器内部内置一个电路板,可以根据连接设备的需求调整输出电压。
不同品牌和型号的设备可能需要不同的电压输入进行充电,而万能充电器通过自动检测连接设备的电压要求,并相应调整输出电压,从而保证设备可以正常充电。
2. 多接口设计:万能充电器通常配备了多个输出接口,以适应不同类型的设备。
这些接口可以是USB接口、Lightning接口、Micro USB接口等,覆盖了市场上绝大多数的充电设备。
用户
只需选择适合自己设备的接口,将设备连接到万能充电器上即可开始充电。
万能充电器的原理使得用户可以减少携带充电器的数量,方便出门携带以及在家中使用。
它可以在充电宝、墙上插座等输入电源的情况下,同时为手机、平板电脑、蓝牙耳机等多种设备充电,提高了充电效率和便利性。
不过,使用万能充电器时,仍需留意设备的电压和充电接口的匹配,以免对设备造成损坏。
充电器工作原理
充电器工作原理充电器是一种电子设备,用于将电能转换为适合电池或者其他可充电设备充电的电能。
它通过控制电流和电压来提供所需的电能,以满足不同设备的充电需求。
在本文中,我们将详细介绍充电器的工作原理和其内部组成部份。
一、充电器的工作原理充电器的工作原理基于电力转换和电子控制技术。
它主要包括输入电源、整流器、滤波器、变压器、控制电路和输出电路。
1. 输入电源:充电器通常通过插座连接到交流电源。
交流电源的电压和频率根据不同地区而有所不同。
2. 整流器:输入电源的交流电压首先通过整流器进行转换,将交流电转换为直流电。
整流器通常使用二极管桥或者整流器电路来实现。
3. 滤波器:整流后的直流电通常还会存在一些纹波,需要通过滤波器进行滤波处理,以使输出电压更加稳定。
4. 变压器:充电器中的变压器用于改变电压的大小。
变压器有两个线圈,一个是输入线圈,另一个是输出线圈。
通过变换输入线圈和输出线圈的匝数比例,可以实现输入电压和输出电压的转换。
5. 控制电路:控制电路用于监测和调节输出电压和电流。
它通常包括一个反馈回路,通过检测输出电压和电流的变化来控制充电器的工作状态。
6. 输出电路:输出电路通过连接到充电设备或者电池,将稳定的直流电能传递给它们。
输出电路通常包括一个保护电路,以确保充电设备或者电池在充电过程中不会受到过电流、过电压或者短路等问题的伤害。
二、充电器的内部组成部份1. 电源输入端:用于将充电器连接到交流电源。
它通常是一个插头或者插座。
2. 整流器:将交流电转换为直流电的电路。
常见的整流器包括二极管桥和整流器电路。
3. 滤波器:用于滤除直流电中的纹波,使输出电压更加稳定。
4. 变压器:用于改变电压的大小。
它由输入线圈和输出线圈组成,通过变换线圈的匝数比例来实现电压转换。
5. 控制电路:用于监测和调节输出电压和电流。
它通常包括反馈回路和控制芯片。
6. 输出端口:用于连接充电设备或者电池。
它通常是一个插头或者连接线。
充电器工作原理
充电器工作原理充电器是一种电子设备,用于给电池或者其他可充电设备充电。
它通过将交流电转换为直流电,并提供适当的电压和电流来充电设备。
充电器的工作原理涉及多个组件和电路,下面将详细介绍充电器的工作原理。
1. 输入电源充电器通常使用交流电源作为输入。
交流电源的标准电压和频率根据不同的国家和地区而有所不同。
在充电器中,输入电源首先通过一个变压器,将高电压(如220伏特)转换为较低的电压(如12伏特)。
2. 整流交流电经过变压器后,进入整流电路。
整流电路的主要作用是将交流电转换为直流电。
它通常由一个或者多个二极管构成。
二极管只允许电流在一个方向上通过,这样可以将交流电转换为单向流动的直流电。
3. 滤波在整流后,直流电可能仍然存在一些脉动。
为了去除这些脉动,充电器通常使用滤波电路。
滤波电路由电容器组成,它们可以平滑电流并去除脉动。
4. 电压调节充电器需要根据设备的要求提供适当的电压。
为了实现这一点,充电器通常使用一个电压调节器。
电压调节器可以根据需要提供恒定的输出电压。
常见的电压调节器包括线性稳压器和开关稳压器。
5. 电流控制充电器还需要根据设备的需求提供适当的电流。
电流控制可以通过电流限制器或者电流反馈机制实现。
电流限制器可以限制输出电流的最大值,以避免过度充电或者损坏设备。
电流反馈机制可以根据设备的充电状态动态调整输出电流。
6. 保护机制为了确保充电过程安全可靠,充电器通常还配备了各种保护机制。
这些保护机制包括过压保护、过流保护、短路保护和温度保护等。
当充电器检测到异常情况时,它会自动断开电源或者调整输出电流,以防止设备受损或者发生安全事故。
总结:充电器的工作原理涉及输入电源、整流、滤波、电压调节、电流控制和保护机制等多个方面。
它通过将交流电转换为直流电,并提供适当的电压和电流来充电设备。
充电器的设计和创造需要考虑设备的充电需求、安全性和可靠性等因素。
通过合理的电路设计和保护机制,充电器可以确保设备安全高效地充电。
- 1、下载文档前请自行甄别文档内容的完整性,平台不提供额外的编辑、内容补充、找答案等附加服务。
- 2、"仅部分预览"的文档,不可在线预览部分如存在完整性等问题,可反馈申请退款(可完整预览的文档不适用该条件!)。
- 3、如文档侵犯您的权益,请联系客服反馈,我们会尽快为您处理(人工客服工作时间:9:00-18:30)。
天津理工大学中环信息学院专业设计报告设计题目:手机万能充电器设计人:张伟琦系别:电子信息工程系专业:电子信息科学学与技术指导老师:王奉良盖琦彭利标设计时间:2009 年 12 月 07 日至 2009 年 12 月 18 日目录关键词:万能充电器,工作原理第1章设计概述1.1 设计目的:专业设计是培养学生综合运用所学知识与技能解决具有一定复杂程度的工程实际问题的综合性工程实际训练;是学生综合素质与培养效果的全面检验;是学生开始毕业设计及学位资格认证的重要依据;也是专业教学质量的综合反映。
为促进学生掌握信息技术的理论和技术,具备电子信息工程的设计能力和综合利用相关专业知识的能力,本专业教学计划在基本完成全部理论教学和其他实践环节的同时,安排专业设计2周1.2 产品设计的意义:⑪通过专业设计,使学生进一步巩固加深所学的基础理论、基本技能和专业知识,使之系统化、综合化;⑫在专业设计过程中着重培养学生独立工作、独立思考并运用已学的知识解决实际问题的能力,同时培养学生独立获取新知识的能力;⑬通过专业设计加强对学生调研调查、资料获取、实验方法、数据资料的综合处理、计算机应用等最基本的工作实践和科研能力的培养;⑭通过专业设计的训练,使学生树立起具有符合国情和生产实际的正确的思想和观点,树立起严谨、负责、实事求是、刻苦钻研、勇于探索并具有创新意识及与人合作的工作作风1.3 产品框图第2章设计方案选择与论证2.1 手机充电器原理所有手机充电器其实都是由一个稳定电源(主要是稳压电源、提供稳定工作电压和足够的电流)加上必要的恒流、限压、限时等控制电路构成。
原装充电器(指线充)上所标注的输出参数:比如输出4.4V/1A、输出5.9V/400mA……就是指内部稳压电源的相关参数。
明白了这个道理,你很会知道一个(品质好的)手机充电器很容易改成一个质量优良的稳压电源!比如输出4.4V可以给4.5V的设备用,5.9V的可以给6V的设备用……手机常用锂离子(lion)电池的充电器采用的是恒流限压充电制,充电电流一般采用C2左右----即采用两小时充电率,比如500mah电池采用25 0ma充电大约两小时达到4。
2V后再恒压充电。
lion电池并不适合采用NIMH电池高级快速充电器所用的-DV/DT检测快速充电方式,因为lion电池对充电电流有严格的限制.锂离子(Li+)非常活泼,大电流充电很容易产生危险。
2.2 类型的使用先说一下外观,两个金属针,三个指示灯,从左到右依次是"测试","充电","充饱",左侧还有一个开关"转换"。
而不同的手机有不一样的金属片,正和负。
(我用的是最外边的两个其他的接法我也不清楚希望达人来解答)总之正级应接“充电器负极”即黑线。
对好正负极之后,插上电源,就会有绿灯在闪,表示充电开始了,如果不闪绿灯就表示正负极没对好,或是没有按下转换键.电充满后绿灯就不闪了,就可以拿下来用了。
建议尽量用座充,万能充至少也要买大牌的,几块钱的那种就不要用了第3章方案的实现3.1原理介绍一、手机万能充电器是一个小型的开关电源,电路结构简单,外围元件较少。
但是一旦发生故障,有些人束手无策,因为没有电路图。
现在我将电路图传上,和大家一起分享3.2具体工作原理该充电器具有镍镉、镍氢、锂离子电池充电转换开关,并具有放电功能。
在150~250V、40mA的交流市电输入时,可输出300±50mA的直流电流。
该充电器采用了RCC型开关电源,即振荡抑制型变换器,它与PWM型开关电源有一定的区别。
PWM型开关电源由独立的取样误差放大器和直流放大器组成脉宽调制系统;而RCC型开关电源只是由稳压器组成电平开关,控制过程为振荡状态和抑制状态。
由于PWM型开关电源中的开关管总是周期性的通断,系统控制只是改变每个周期的脉冲宽度,而RCC型开关电源的控制过程并非线性连续变化,它只有两个状态:当开关电源输出电压超过额定值时,脉冲控制器输出低电平,开关管截止;当开关电源输出电压低于额定值时,脉冲控制器输出高电平,开关管导通。
当负载电流减小时,滤波电容放电时间延长,输出电压不会很快降低,开关管处于截止状态,直到输出电压降低到额定值以下,开关管才会再次导通。
开关管的截止时间取决于负载电流的大小。
开关管的导通/截止由电平开关从输出电压取样进行控制。
因此这种电源也称非周期性开关电源。
220V市电经VD1~VD4桥式整流后在V2的集电极上形成一个300V左右的直流电压。
由V2和开关变压器组成间歇振荡器。
开机后,300V直流电压经过变压器初级加到V2的集电极,同时该电压还经启动电阻R2为V2的基极提供一个偏置电压。
由于正反馈作用,V2 Ic 迅速上升而饱和,在V2进入截止期间,开关变压器次级绕组产生的感应电压使VD7导通,向负载输出一个9V左右的直流电压。
开关变压器的反馈绕组产生的感应脉冲经VD5整流、C1滤波后产生一个与振荡脉冲个数呈正比的直流电压。
此电压若超过稳压管VD17的稳压值,VD17便导通,此负极性整流电压便加在V2的基极,使其迅速截止。
V2的截止时间与其输出电压呈反比。
VD17的导通/截止直接受电网电压和负载的影响。
电网电压越低或负载电流越大,VD17的导通时间越短,V2的导通时间越长,反之,电网电压越高或负载电流越小,VD5的整流电压越高,VD17的导通时间越长,V2的导通时间越短。
V1是过流保护管,R5是V2Ie的取样电阻。
当V2Ie过大时,R5上的电压降使V1导通,V2截止,可有效消除开机瞬间的冲击电流,同时对VD17的控制功能也是一种补偿。
VD17以电压取样来控制V2的振荡时间,而V1是以电流取样来控制V2振荡时间的。
如果是为镍镉、镍氢电池充电,由于这类电池存在一定的记忆效应,需不定时对其进行放电。
SW1是镍镉、镍氢、锂离子电池充电转换开关。
SW1与精密基准电源SL431为运放LM324⑨提供两个不同的精密基准源,由SW1切换。
在给镍镉、镍氢电池充电时,LM324⑨脚的基准电压约0.09V(空载);在给锂离子电池充电时,LM324⑨脚的基准电压约为0.08V(空载),这种设计是由这两种类型电池特有的化学特性决定的。
按下SW2,V5基极瞬间得一低电平而导通,可充电池上的残余电压通过V5的ec极在R17上放电,同时放电指示灯VD14点亮。
在按下SW2后会随即释放,这时可充电池上的残余电压通过R16、R13分压,C9滤波后为V4的基极提供一个高电平,V4导通,这相当于短接SW2。
随着放电时间的延长,可充电池上的残余电压也越来越低,当V4基极上的电压不能维持其继续导通时,V4截止,放电终止,充电器随即转入充电状态。
由于锂电不存在记忆效应,当电池低于3V时便不能开机,其残余电压经电阻R40、R41分压后得到2.53V送入运算放大器的同相端③、⑤、⑩脚,由于LM324⑨脚电压在负载下始终为2.66V,因此⑧脚输出低电平,V3导通,+9V电压通过V3ec极、VD8向可充电池充电。
IC1d在电容C6的作用下,{14}脚输出的是脉冲信号,由于IC1⑧脚为低电平,因此VD12处于闪烁状态,以指示电池正在充电,对应容量为20%。
随着充电时间的延长,可充电池上的电压逐渐上升。
当R40、R41的分压值约等于2.58V时,即IC1③脚等于2.58V时,IC1②脚经电阻分压后得2.57V,其①脚输出高电平(由于在充电时,IC1⑨脚电压始终是2.66V,V6导通;反之在空载时,IC1⑨脚为0.08V,V6截止),VD10、VD11点亮,对应指示容量为40%、60%。
当R40、R41的分压值上升到2.63V时,即IC1⑤脚等于2.63V,其⑥脚经电阻分压后得2.63V,⑦脚输出高电平,VD9点亮,对应充电容量为80%。
只有IC1⑩脚电压≥2.66V时,⑧脚才输出高电平,VD13点亮,对应充电容量为100%。
即使VD13点亮时,VD12仍处于闪烁状态,这表示电池仍未达到完全饱和。
只有IC1⑧脚电压>6.5V时,VD12才逐渐熄灭,表示电池完全充至饱和。
VD16在电路中起过充、过流保护作用,VD8起反向保护作用,避免充电器断电后,电池反向放电。
第4章测试方案及结果4.14.2(测试方法、仪器选择、参数列表、数据处理等)第5章测试结果分析5.15.2(误差、参数指标、与题目要求等)第6章产品使用说明6.1产品使用说明一固定电池:根据电池正负极之间的距离调整金属触片的位置,使触片与电池位置接触正确,并保持金属触片与电池的接触良好,对于引线式电池,将引线插头直接插入对应的插孔中。
二极性确认:电池装入后若红色极性警示灯亮,表示电池征服极与性与触片电极不对应,必须拨动充电器左侧的切换开关进行极性转换,等待红色极性警示灯灭后表示极性已正确连接。
三充电确认:经过极1性确认后接通电源,电源指示灯量,同时充电指示红灯亮表示进入充电状态。
(注:充电器初期若出现充电灯不亮,只有电源和饱和指示灯亮,此种现象基本上是电池电极与触片电极接触不良所导致。
必须重复一,二项步骤进行纠正,直直充电红灯进入正常充电状态。
)四充电完成:当充电指示灯完全熄灭,饱和指示灯完全亮时表示充电已经完成。
充电时间长不会影响电池的使用效果,因为一般的充电器都会有过压过流的保护功能,具有精确的电池充电状态检测电路,能自动调整充电电流来保护电池。
)五适用于容量在250-3000毫安时容量手机的锂电池离子2.7伏电池充电六开关电源设计,适应交流宽电压150-265伏供电。
七采用微电脑芯片对整个充电过程进行准确的检测和控制。
八充电安全可靠,充电饱和自动关闭。
九造型美观,轻巧,携带方便,操作简单实用,可以对绝大多数手机离子3.7伏电池充电(可以充任何3.7伏,250-3000毫安时的手机,小灵通。
具有过充,过流保护功能,充满了以后可以自己停止,根本没有必要担心充电时间长了以后对所充电池造成的损坏)。
6.2(操作方法、注意事项等)结束语时间过得真快,在这段时间里,我学到了很多在学校了学不到的东西,也认识到了自己很多的不足感觉收益非浅,以下是我在实习期间对工作的总结以及一些自己的心得体会。
首先,我想谈一下实习的意义。
实习是一种对用人单位和实习生都有益的人力资源制度安排。
对接受实习生的单位而言,是发展储备人力资源的措施,可以让其低成本、大范围的选择人才,培养和发现真正符合用人单位要求的人才,亦可以作为用人单位的公关手段,让更多的社会成员(如实习生)了解用人单位的文化和理念,从而增强社会对该组织的认同感并赢得声誉。
对学生而言,实习可以使每一个学生有更多的机会尝试不同的工作,扮演不同的社会角色,逐步完成职业化角色的转化,发现自己真实的潜力和兴趣,以奠定良好的事业基础,也为自我成长丰富了阅历,促进整个社会人才资源的优化配置作为一名学生,我想学习的目的不在于通过结业考试,而是为了获取知识,获取工作技能,换句话说,在学校学习是为了能够适应社会的需要,通过学习保证能够完成将来的工作,为社会作出贡献。