鹰潭汽车网检测报告
车辆检测报告

车辆检测报告
一、车辆基本信息。
车辆品牌,奥迪。
车辆型号,A6L。
车辆颜色,银色。
车辆车牌号,京A12345。
二、车辆外观检测。
1. 车身漆面,整车漆面光泽度良好,未发现明显划痕和凹陷。
2. 灯光系统,前后大灯、转向灯、雾灯均正常亮度,未发现损坏和漏水现象。
3. 轮胎检测,四条轮胎胎面磨损均匀,胎纹深度符合国家标准,无裂纹和气泡。
三、车辆动力性能检测。
1. 发动机性能,车辆启动正常,怠速平稳,加速无异响。
2. 变速箱,换挡平顺,无顿挫感,无异味和漏油现象。
3. 刹车系统,制动灵敏,刹车距离符合标准,未发现刹车失灵和异响。
四、车辆悬挂及底盘检测。
1. 悬挂系统,悬挂部件无异常磨损和变形,无异响和漏油现象。
2. 底盘检测,底盘结构完好,未发现变形和严重腐蚀。
五、车辆内饰检测。
1. 方向盘及座椅,方向盘、座椅无明显磨损和污渍,调节功能正常。
2. 空调系统,制冷制热效果良好,无异味和漏水现象。
3. 音响系统,音响正常播放,无杂音和失真。
六、车辆电子设备检测。
1. 中控屏幕,屏幕显示清晰,触控灵敏,功能正常。
2. 车载电脑系统,无故障码,各项功能正常。
七、综合评价。
经过全面检测,该车辆外观良好,动力性能稳定,悬挂及底盘结构完好,内饰整洁舒适,各项电子设备正常运行。
建议车主定期保养,注意日常维护,以保证车辆长期稳定运行。
以上为车辆检测报告,如有疑问,请及时联系我们。
汽车检测报告

汽车检测报告一、引言。
汽车是现代人生活中不可或缺的交通工具,然而随着汽车数量的增加,交通事故也随之增加,因此汽车的安全性能就显得尤为重要。
为了确保汽车的安全性能,汽车检测报告成为了必不可少的一环。
汽车检测报告是对汽车各项性能进行全面检测并形成的一份报告,它能够全面了解汽车的安全性能,为车主提供安全的驾驶保障。
二、外观检测。
外观检测是汽车检测报告的重要组成部分之一,它主要包括车身外观、车漆、车窗、车灯等方面的检测。
在外观检测中,我们会对车辆的车身是否存在刮擦、凹陷等情况进行仔细观察,并记录在报告中。
同时,我们还会对车漆进行检测,确保车漆的质量良好,不会出现脱落、起泡等情况。
此外,车窗的完好性和透明度,车灯的亮度和灯泡是否正常也会被纳入检测范围。
三、动力系统检测。
动力系统检测是汽车检测报告的另一个重要组成部分,它主要包括发动机、变速箱、传动系统等方面的检测。
在动力系统检测中,我们会对发动机的工作状态进行全面检测,包括发动机的启动情况、怠速运转情况、加速情况等。
同时,变速箱和传动系统的换挡是否平顺、无异响等情况也会被纳入检测范围。
这些检测项目的合格与否直接关系到汽车的行驶安全性,因此动力系统检测显得尤为重要。
四、制动系统检测。
制动系统检测是汽车检测报告中不可忽视的一部分,它主要包括制动性能、制动油、制动片等方面的检测。
在制动系统检测中,我们会对汽车的制动性能进行全面测试,包括制动距离、制动灵敏度等。
同时,制动油的液位和质量、制动片的磨损情况也会被纳入检测范围。
制动系统的安全性直接关系到汽车的行驶安全,因此制动系统检测是汽车检测报告中的重中之重。
五、底盘系统检测。
底盘系统检测是汽车检测报告中的另一个重要组成部分,它主要包括悬挂系统、转向系统、轮胎等方面的检测。
在底盘系统检测中,我们会对汽车的悬挂系统进行全面检测,包括悬挂的弹簧是否有变形、减震器是否正常等。
同时,转向系统的灵活性和准确性、轮胎的磨损情况和胎压也会被纳入检测范围。
汽车检测交评报告

汽车检测交评报告
车辆检验报告
京在我厂检测发现有以下故障:
一、涉及安全隐患:
1开车检查时发现两侧三元催化造成隔热板烧坏O建议换三元催化及隔热板,发动机烧机油严重,需解体大修,费用:5万,三元催化及传感器3万2变速箱后部分漏油需及时修理O
3转向机至助力泵的两根高压油管漏油,建议更换O
4电脑检测发动机时测量喷油脉宽及空气流量数值偏大,建议检修O二、未涉及安全问题:
1后杠支架损坏O
2后备箱线束固定板损坏O
3两侧下控制臂胶套损坏需要整体更换O
4发动机棘爪,变速箱棘爪及发动机前顶胶老化,建议更换O
5水箱大框胶条损坏O
三、发动机总成:12万
四、发动机中节:10万
有限公司XX年10月26日。
车辆检测报告

车辆检测报告报告编号:[报告编号]报告日期:[报告日期]检测车辆信息:车辆品牌:[车辆品牌]车辆型号:[车辆型号]车辆颜色:[车辆颜色]车辆注册日期:[车辆注册日期]车辆里程:[车辆里程]发动机号码:[发动机号码]车辆识别代号:[车辆识别代号]检测目的:本次车辆检测的目的是为了确定车辆的整体状况,包括车辆的机械、电器、安全等方面是否符合运行要求,以及是否存在潜在的安全隐患。
检测项目:1.车辆外观及车内检查2.车轮、悬挂系统检查3.刹车系统检查4.发动机系统检查6.电气系统检查7.灯光系统检查8.安全气囊系统检查9.车辆底盘检查10.排放系统检查检测结果:1.车辆外观及车内检查:经检测,车辆外观没有明显的划痕、凹陷或喷漆迹象。
车内座椅、仪表盘、空调系统等配件完好无损。
2.车轮、悬挂系统检查:检测发现车轮无明显磨损或破损,悬挂系统正常,无异常噪音。
3.刹车系统检查:刹车系统经检测,制动器工作正常,刹车片磨损较小,仍处于可正常使用状态。
刹车液位在正常范围内。
4.发动机系统检查:发动机运转正常,无异常噪音和震动。
机油液位和冷却液位正常,无渗漏迹象。
5.传动系统检查:传动系统工作正常,变速器换挡平稳,无明显顿挫感。
电气系统工作正常,车载电池电量充足,无电路故障。
7.灯光系统检查:灯光系统经检测,前照灯、后尾灯、刹车灯、转向灯等工作正常,灯泡状态良好。
8.安全气囊系统检查:安全气囊系统正常工作,无故障报警。
9.车辆底盘检查:底盘无异常损伤,悬挂系统连接稳固。
10.排放系统检查:排放系统经检测,废气排放符合国家相关标准。
综合评价:根据本次车辆检测的结果,车辆整体状况良好,各项系统工作正常,无明显的故障和隐患。
建议车主继续保持良好的车辆保养和维修,定期进行车辆检测,确保车辆的安全性和性能。
备注:检测单位:[检测单位名称]检测师:[检测师姓名]以上为本次车辆检测报告,请妥善保管。
汽车检测线实验报告

汽车检测线实验报告1. 引言汽车检测是保障车辆安全以及提高行驶效率的重要环节。
本实验旨在探索并评估一条汽车检测线的效能,并通过实验证明其在汽车行业中的重要作用。
2. 实验步骤2.1 准备工作在进行实验之前,我们需要确保实验所需的设备齐全及正常运行。
此外,也要对实验环境进行充分的准备,确保其符合实验要求。
2.2 建立检测线我们选择适当的位置,并根据实验要求布置检测线。
检测线应包括各种测试装置,例如重量传感器、速度计、刹车测试装置等。
我们需要确保这些装置的准确性和可靠性。
2.3 测试步骤在建立好检测线后,我们开始进行测试。
以下是我们进行的一些标准测试步骤:2.3.1 重量测试通过重量传感器检测车辆的重量,以确保其不超过合理范围。
这有助于判断车辆是否超载,并保证其安全性和稳定性。
2.3.2 速度测试利用速度计测量车辆的行驶速度。
这一测试有助于评估车辆的动力系统和转向系统的性能,以及车辆在不同速度下的稳定性。
2.3.3 刹车测试通过刹车测试装置检测车辆的刹车性能。
这有助于评估刹车系统的可靠性和刹车距离,以确保车辆在紧急情况下的安全性。
2.3.4 排放测试利用排放测试装置评估车辆的污染排放水平。
这一测试对于环保要求越来越高的汽车行业尤为重要,它有助于确保车辆符合相关的排放标准。
2.4 数据分析在完成上述测试后,我们需要对收集到的数据进行分析。
通过对数据的比较和统计,我们可以评估汽车检测线的性能,并得出一些结论。
3. 结论通过本实验,我们得出了以下结论:1.汽车检测线可以提供准确的重量、速度、刹车和排放测试数据,有助于评估车辆的安全性和性能。
2.合理布置和使用检测线,可以提高汽车检测的效率,并对车辆的质量控制起到重要作用。
3.数据分析是评估检测线性能的关键步骤,通过对数据的分析,我们可以发现潜在的问题并采取相应的措施。
总之,汽车检测线在汽车行业中具有重要作用。
通过准备工作、建立检测线、测试步骤和数据分析,我们可以评估车辆的性能和安全性,为行业提供更好的服务和保障。
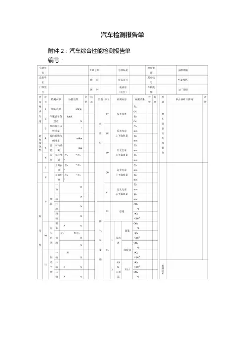
汽车检测报告单

汽车检测报告单
附件2:汽车综合性能检测报告单
编号:
说明
1、本报告单依据中华人民共和国国家标准《营运车辆综合性能要求和检验方法》(GB18565-2001)和《广东省汽车综合性能检测站技术要求(暂行)》编制。
2、本报告单须加盖检测专用章和计量认证标志的印章;涂改数据、复印的,均为无效。
3、本报告单一式三份:车辆单位(必须是书面检测报告单)、检测单位、道路运输管理机构(可采用电子检测报告单)各执一份。
4、对本报告如有异议,可在报告生效之日起十天内向检测单位提出,逾期不予受理;对检测单位处理情况不满意的,可向所在地质量技术监督部门或道路运输管理机构投诉。
投诉电话:
5、本报告单中的标记:
○表示合格项目
×表示不合格项目
-表示本次未检项目
广东省汽车综合性能
检测报告单
检测单位:___________________ 地址:___________________ 邮政编码:___________________ 电话:___________________
广东省交通厅公路运输管理处监制。
车辆检测报告
车辆检测报告
车辆检测报告
以下是车辆检测报告的内容概述:
1. 车辆信息:报告会包含车辆的基本信息,如车牌号码、车辆型号、制造商等。
2. 车辆外观检测:报告会对车辆外观进行检测,包括车身是否有划痕、凹陷、漆面质量等。
3. 车辆内饰检测:报告会对车辆内部的细节进行检测,包括座椅、仪表盘、车门等的状况。
4. 车辆机械部件检测:报告会对车辆的机械部件进行检测,包括发动机、悬挂系统、刹车系统等。
5. 驾驶性能检测:报告会对车辆的驾驶性能进行评估,包括加速度、制动性能、转向稳定性等。
6. 环保检测:报告会对车辆的尾气排放进行检测,以评估车辆的环保性能。
7. 安全设备检测:报告会对车辆的安全设备进行检测,包括安全带、安全气囊、车灯等。
8. 故障码检测:报告会对车辆的故障码进行检测,以了解是否
有故障需要修复。
此外,报告还会给出综合评估和建议,建议车辆的维修保养情况以及是否适合购买或使用。
请注意,车辆检测报告的具体内容可能会因检测机构、检测项目和车辆类型而有所不同。
所以,以上内容仅供参考,具体报告内容以实际情况为准。
汽车质量检测工作总结报告
汽车质量检测工作总结报告
近年来,随着汽车行业的快速发展,汽车质量成为消费者关注的焦点之一。
为了确保汽车质量达到国家标准,汽车质量检测工作显得尤为重要。
在过去的一段时间里,我们对汽车质量进行了全面的检测工作,现对此进行总结报告如下:首先,我们对汽车的安全性能进行了全面的检测。
通过对汽车的刹车系统、安全气囊、车身结构等方面进行检测,确保汽车在发生意外时能够保障驾驶员和乘客的安全。
通过检测,我们发现了一些潜在的安全隐患,并及时提出了改进意见,以确保汽车的安全性能达到国家标准。
其次,我们对汽车的机械性能进行了详细的检测。
通过对汽车的发动机、变速箱、悬挂系统等方面进行检测,确保汽车在行驶过程中能够保持良好的性能表现。
通过检测,我们发现了一些机械部件存在的问题,并及时提出了改进建议,以确保汽车的机械性能达到国家标准。
此外,我们还对汽车的环保性能进行了全面的检测。
通过对汽车的排放系统、燃油消耗等方面进行检测,确保汽车在使用过程中能够减少对环境的污染。
通过检测,我们发现了一些环保方面的问题,并提出了改进建议,以确保汽车的环保性能达到国家标准。
总的来说,我们对汽车的质量进行了全面的检测工作,发现了一些问题并提出了改进建议,以确保汽车的质量达到国家标准。
我们将继续努力,不断提高汽车质量检测工作的水平,为消费者提供更加安全、可靠的汽车产品。
汽车综合性能检测报告单
汽车综合性能检测报告单车型:XXXXX车牌号:XXXXX车辆编号:XXXXX检测日期:XXXX年XX月XX日检测时长:XX小时检测里程:XXX公里检测结果:一、外观检测车辆外观部分无明显损伤,无划痕、颜色脱落、漆面气泡、凹陷等现象。
车身整体稳固,线条流畅,细节处理到位。
二、发动机性能检测1.怠速:发动机怠速平稳,无明显异响,无烟雾排放。
2.加速性能:车辆在低速到高速加速过程中反应灵敏,无明显顿挫感。
3.动力输出:达到全功率状态时,发动机运转平稳,动力输出充沛。
三、悬挂及操控性能检测1.悬挂系统:车辆悬挂系统检测无明显异响,通过各项悬挂检测项目。
2.转向系统:车辆转向稳定,转向灵活,无异常现象。
3.刹车系统:车辆刹车响应迅速,刹车力度平稳,刹车距离正常。
四、安全性能检测1.车身抗撞击性:通过车身刚性测试,车辆在碰撞时表现出较好的抗撞击性能。
2.安全气囊:经测试,车辆安全气囊系统正常,能够在碰撞时及时触发。
3.安全带:车辆安全带状态正常,使用方便,能正常牢固地固定乘员。
五、油耗性能及环保指标测试1.油耗性能:车辆在城市道路和高速公路行驶中,油耗表现良好,符合行业标准。
2.排放指标:车辆排放符合国家规定的相关环保标准。
六、驾乘体验经过本次综合性能检测,该车型在驾乘体验方面表现出色。
座椅舒适度高,悬挂系统保证了平稳的驾驶体验,转向系统精确,操控性好,提供乘客稳定且舒适的行驶感受。
七、其他检测结果1.音响系统:车辆音响系统音效良好,各项功能正常。
2.空调系统:车辆空调系统冷暖调节正常,使用方便。
结论:经过综合性能检测,该车型在外观、发动机性能、悬挂及操控性能、安全性能、油耗及环保指标等方面表现出色,在驾乘体验上提供了良好的舒适性和稳定性。
各系统功能正常。
根据本次检测结果,该车可以正常投入使用。
备注:本报告仅对车辆综合性能进行检测,不包括车辆维修历史及其他因素对车辆性能的影响。
建议车主定期对车辆进行保养和维修,以确保车辆性能的持续良好。
年检报告怎么查询系统
年检报告怎么查询系统如何查询年检报告随着现代汽车越来越普及,年检也成为了一项必须完成的流程。
不仅对于车主而言,机动车年检也是相关部门监管的重要手段。
每年车辆的年检报告是重要的证明,车主需要知道如何查看和获取年检报告。
首先,车主可以在当地交通主管部门的网站上查询年检报告。
这一方式方便快捷,只需要进入交通主管部门的网站,在相应的位置输入车牌号或者身份证号就可以查询到年检报告。
另外,在现代流行的智能手机上,一些交通机构也推出了相关的应用程序,可以为用户提供更加便捷的服务。
车主只需要在应用程序中输入相应的车牌号或者身份证号就可以在手机上查看年检报告。
其次,车主还可以通过第三方的微信公众号或者相关的手机应用程序来查询年检报告。
这一方式有许多优势。
首先,这些公众号和应用程序都是针对用户设立的,拥有更加便捷和用户友好的操作界面;其次,通过这些渠道查询的年检报告也是真实有效的,不必担心数据的安全性和真实性问题。
最后,车主也可以通过到年检站现场来查询年检报告。
虽然这一方式显得比较麻烦,但是对于一些网络不便的车主而言非常实用。
到年检站查询年检报告的方式也简单明了,车主只需要携带相应的证明材料,在车管所内的终端机上选取“查询年检报告”项,输入车牌号或者身份证号码即可。
检查你的年检报告对于你的车辆和驾驶员证件的未来审查是至关重要的。
掌握这些查询方式是车主的基本技能之一。
希望这篇文章可以对车主们有所帮助。
记住查询你的年检报告是每年重复的任务,每年都要醒目地进行这个过程,确保你的车辆和驾驶员证明都能顺利通过审批。
- 1、下载文档前请自行甄别文档内容的完整性,平台不提供额外的编辑、内容补充、找答案等附加服务。
- 2、"仅部分预览"的文档,不可在线预览部分如存在完整性等问题,可反馈申请退款(可完整预览的文档不适用该条件!)。
- 3、如文档侵犯您的权益,请联系客服反馈,我们会尽快为您处理(人工客服工作时间:9:00-18:30)。
品牌、相关汽车外围市场的广告主们在网络上投放广告有的放矢。
4. 网络媒介互动特性,易于消费者之间的充分交流 听官方渠道的消息总没有听消费人群的声音感觉心里踏实可靠,网络的互动性恰恰给网友们提供了这样一 个交流沟通的平台,方便他们之间交流产品资讯和信息,消费和使用的感受与经验,最终促成他们的消费决定。 5. 网络媒介传播即时性,便于最快捷地传播产品信息 网络媒介在传播信息方面具有快速即时的特点,这是传统媒体无法拥有的优势。对于消费者来说,使得消 费者能够及时了解国内汽车行业市场行情、第一时间掌握最新的汽车促销信息、降价信息、新的车型等。对于 厂家和经销商来说,能够及时把握市场动态和竞争对手状况,积极调整行销战略,促进市场竞争。 6. 网络媒介的传播介质富集性,能够立体传播汽车产品信息 网络媒体聚集了多种传播介质。如文字、视频、音频、图像等,并可以将多种介质整合起来进行传播。对 于汽车这种高级产品,能够运用多种传播手段和传播介质,比如一些汽车视频,动态的FLASH,配合汽车的音 效,形成强势的立体传播效果。
鹰潭汽车网广告合作 方案
网络媒介对于汽车行业的优势 鹰潭汽车网() 简介 广告示意图
鹰潭汽车网 () 2012年4月
网络媒介对于汽车行业的优势
网络媒体作为新兴的热门媒体,在对汽车行业的宣传方面,比起传统平面媒体有着以下一些优势。 网络的媒介特性和汽车产品、产业特性决定了二者之间的接合和关联,网络媒介十分适宜进行汽车市场推广, 并在对汽车市场推广方面发挥着优势。 1. 网络媒介的信息特性,使得消费者能深入、充分获取信息 汽车属于“高卷入”商品,对这类价格比较昂贵的高档商品,消费者在选择购买商品之前,所“卷入”的注 意力、时间等消费成本比较“高”,进行消费决策的时候一般要反复均衡。 网络行销平台高度的信息延展性和阅读便捷性,使得对于汽车等“高卷入”产品的信息传播具有传统媒介不 可比拟的优势。 2. 网络媒介站点性,可以为消费者提供全程服务 汽车产业链条的多环节以及与外围产业的交叉,决定了汽车消费的多样性和复杂性,除了购车消费,汽车消 费可以延伸到维修、养护,美容、配件、保险、信贷等等,有一系列的事务要做。 网络媒介的站点性,决定了消费者有所需求的时候便可以方便登陆网络站点,享受网络平台提供的各种资讯 和服务,这保证了网络媒介可以作为消费者的伙伴,在消费者购买行为发生之前、之中和之后的整个消费链条中, 给予汽车用户全程关注和跟踪服务。
6
合作方案 二
类别 功能 单价 总价 支持 广告服务商 汽车网首页广告服务,主题鲜明,吸引力强,宣传设计 1500元/月 ,12000元/年 为庆祝鹰潭汽车网新版上市,VIP经销商现优惠价1000元/月,10000元/年 1、A1或A3版块一月,赠送内页通栏广告960*60一个 2、A2版块一月,赠送论坛通栏广告960*60一个 a、对联广告/拉幕/弹窗广告1200元/月 60秒以下视频广告 1500/月 b、JS幻灯片800元/月 头条50元/天 头条FLASH 80元/天 c、其他汽车行业的优势
7. 网络媒介搜索功能方便消费者定位目标产品和所需信息 消费者在登陆汽车网络频道或网站之后,可以通过检索功能,通过不同的指标,包括价格、品牌、车型、 排放、所在城市等等进行单检索或者复检索符合自己要求的车型。
网络媒介的检索功能和超链接使得方便地比较产品信息成为可能,消费者在购买汽车之前,既要充分了解
汽车信息,同时也非常看中不同车型之间的比较,因此,在横向比较便捷性这方面,网络媒介无疑是对汽车 消费者有很大的消费帮助。 8. 网络媒介传播效果易于监测 网络媒体依赖数据库进行内容和广告的发布,能够准确记录、测算和统计用户的浏览与互动行为。对于 网络广告监测而言,其浏览数量、点击数量与引发参与行为的数量均能通过服务器终端的数据库得到完整描 述,而用户接触广告的行为与用户本身的消费者特征也能透过数据库结合在一起,从而为广告的监测乃至计 费提供了强大的科学基础。同时,随着网络广告的进一步发展,来自第三方的独立广告评测和监测系统也不 断完善,这也使得网络广告效果测评体系更加科学、完整。
4
鹰潭汽车网()简介
鹰潭汽车网()简介 鹰潭汽车网()是鹰潭地区专业的唯一的汽车门户网站,主要栏目 有:汽车报价、汽车导购、用车指南、自驾天地、汽车资讯等,随着2011年6月份网 站重磅上线,给经销商及广大车主朋友提供极为便利的报价查询系统 鹰潭汽车网每天超过万次的浏览量,保证客户广告的投放效果。鹰潭汽车网站低 廉的广告报价,保证客户以最小的投入获得最大的效果。
3. 网络媒介的分众性,有利于广告主投放广告有的放矢
网络媒介的互动性和分众性使得消费者和广告主的点对点沟通成为可能,信息技术的发展带动了数据库营销 的发展,网络用户在网络上注册所填充的信息是积累和建设消费者数据库的一个重要来源。
2
网络媒介对于汽车行业的优势
汽车网络营销平台可以通过车友俱乐部等形式注册信息,为广告主定向投放广告提供依据,比如在网络上 通过电子邮件广告、手机短信等进行点对点沟通,广告主还可以根据网络营销平台提供的消费者资料数据库。 同时,汽车网络营销平台通过建设网络社区,创办不同汽车品牌论坛、不同汽车需求的论坛(包括养护、汽 车美容、维修等),这样一方面培育了网络使用者,另一方面将不同需求的人们聚拢成一个个群落,有助于相关
我们的客户类别有汽车销售类企业、汽配企业、汽车用品店、汽车维修企业等。
鹰潭汽车网与多家商业网站联盟,构成了强大的互联网推广平台。同时和多家网 络汽车媒体合作,保证每个广告投放客户的最大收益。
5
检测报告 一
类别 功能 单价 VIP经销商 发布车型报价,团购信息,公司新闻,特价车型,新车到店,活动召集等 15000元/年
总价
支持
为庆祝鹰潭汽车网版上市,VIP经销商现优惠价12000元/年
1、经销商可自行发布车型报价,团购信息,公司新闻,特价车型,活动召集,新车到 店等公司相关信息,可在网站首页即时显现 2、赠送大型户外车展一次(全程报道,首页幻灯片一周,头条一周) 3、赠送高端访谈二次 4、赠送专题活动二次(如重量级车型发布,大型试驾活动等) 5、深度试驾报告两次