企业八大危险作业新颖申请表格式
企业八大危险作业最新申请表格式

指派专人监护,并监守岗位,非作业人员禁止入内
4
作业人员已按规定佩戴防护器具和个体防护用品
5
应事先与分厂(车间)负责人取得联系,建立联系信号
6
在吊装现场设置安全警戒标志,无关人员不许进入作业现场
7
夜间作业要有足够的照明
8
室外作业遇到大雪、暴雨、大雾及6级以上大风,停止作业
9
检查起重吊装设备、钢丝绳、揽风绳、链条、吊钩等各种机具保证安全可靠
8
垂直分层作业中间有隔离设施
9
梯子、绳子符合安全规定
10
石棉瓦等轻型棚的承重梁、柱能承重负荷的要求
11
作业人员在石棉瓦等不承重物作业所搭设的承重板稳定牢固
12
采光不足、夜间作业有充足的照明、安装临时灯、防爆灯
13
30米以上高处作业配备通讯、联络工具
14
补充措施
14
其他
表
生产车间(分厂):编号
33
作业人员已佩戴防护器具
34
补充措施
表
单位编号
动火地点
动火人:
动火方式
人
动火分析时间
年 月曰时
年 月曰时
年 月曰时
采样地点
分析数据
分析人
危害识别
安全措施
动火安全措施 编制人
动火部位负责人
监火人
动火初审人
动火审批人
特殊动火会签
动火前岗位当班班长验票签字:
表
吊装地点
吊装工具名称
吊装人员
特殊工种作业证号
安全监负护人
吊装指挥(负责人)
作业时间
自年 月日时分至年 月日时 分
吊装内容
起吊重物质量⑴
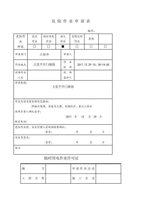
危险作业申请表

危险作业申请表编号:高空临时用电动火受限空间其他危险作业作业作业作业作业种类□□■□□□申请部门工程部申请人作业作业地点大堂平开门维修2017.12.2910:00-14:00时间现场作业现场人员监护人申请原因:大堂平开门维修作业内容及落实的防范措施:焊接不锈钢,准备灭火器,电路防护,看火人防护现场负责人确认签字:2017年12月29日联系电话:危险作业前,安全管理人员现场检查确认:签字:年月日安全员意见:签字:年月日备注临时用电作业许可证编号申请作业企业工程名称施工企业施工地点用电设备及功率电源接入点工作电压临时用电人电工证号从年月日时分临时用电时间至年月日时分确认人序号主要安全措施签名1安装临时线路人员持有电工作业操作证在防爆场所使用的临时电源、电气元件和线路达到相应的防2爆等级要求3临时用电的单相和混用线路采用五线制临时用电线路架空高度在装置内不低于2.5米,道路不低于54米临时用电线路架空进线不得采用裸线,不得在树上或脚手架5上架设暗管埋设及地下电缆线路设有“走向标志”和“安全标志”,电6缆埋深大于0.7米7现场临时用电配电盘、箱有防雨措施临时用电设施安有漏电保护器,移动工具、手持工具应一机8一闸一保护9用电设备、线路容量、负荷符合要求10其他补充安全措施临时用电企业意见部门安全员意见供电执行企业意见年月日年月日年月日年月日完工验收签名:时分高处作业许可证(级)编号施工企业所属企业工程部施工地点大楼外墙作业内容大楼外墙瓷砖修补填写人作业人作业高度50米开工时间年月日时分序号主要安全措施确认人签名1作业人员身体条件符合要求√2作业人员着装符合工作要求√3作业人员佩戴安全带√4作业人员携带有工具袋√5作业人员佩戴:A过滤式呼吸器B.空气式呼吸器6现场搭设的脚手架、防护围栏符合安全规程√7垂直分层作业中间有隔离设施8梯子或绳梯符合安全规程规定√9在石棉瓦等不承重物上作业应搭设并站在固定承重板上10高处作业有充足照明,安装临时灯、防爆灯1130米以上进行高处作业配备通讯、联络工具√佩戴安全带保护,地面隔离补充措施高空坠物危害识别施工作业负责人意见属地部门现场负责人意见属地部门领导审批意见年月日年月日年月日完工验收:年月日时分签名:注:1.与本次作业有关的具体措施在序号上划“√。
危险作业申请表(OHS表4.4.6.03-01)

危险作业申请表
申请单位
申请人及电话
作业单位
作业地点
作业时间
年 月 日 时 至 年 月 日 时
作业类型(打√):□动火作业;□带电作业;□有中毒、窒息危险的业;□高空作业;
□其他危险性较大的作业
作业内容描述:
防护措施:
直接作业人员姓名
性别
身体状况
辅助工作人员姓名
性别
身体状况
现场负责人: 监护人:
申请单位安全工程师意见
申请单位领导意见
作业区域安全工程师意见
作业区域领导意见
整车制造部环境与健康安全管理科意见
注:一式三份,一份由作业单位带到现场、一份由本申请单位留存、一份由整车制造部环境与健康安全管理科存。外单位人员作业的,须复印一份送区域单位。
危险作业和临时线作业申请单

安技环保部门
作业安全执行情况:本单作业项目已于 年 月 日安全完成,防护措施撤消。 检查人: 年 月 日
注:1、危险作业:指高处作业、带电作业。
附2:
编号:临时用电线路申请单本表一式二联
申请单位
使用时间
年月日起至年月日止
第一联:批准部门留存联 第二联:安装部门留存联
临时线架设地点
指定接线地点人员
3、临时线必须用绝缘良好的橡皮线,线径必须与负荷相匹配。
4、临时线必须沿墙或悬空架设,距地高度:户内应大于2.5M,户外应大于4.5M,跨越道路应大于6M。
5、临时用电设备必须有良好的接地(零)。
6、临时线与其它设备、门窗、水管距离应大于0.3M。
7、临时线必须有一总开关,每一分路应设与负荷相匹配的熔断器。
注:1、危险作业:指高处作业、带电作业.
危险作业申请单本表一式二联
编号:DFACMSEHS-35-01
申请单位:
作业地点:
第一联:批准部门留存联 第二联:申请部门留存联
作业名称:
预定作业时间:
作业内容(简述):
现场负责人:
监护人:
直接作业人员
姓名:
工种
身体状况
姓名:
工种
身体状况
作业环境/防护措施:
申请人:
6、临时线与其它设备、门窗、水管距离应大于0.3M。
7、临时线必须有一总开关,每一分路应设与负荷相匹配的熔断器。
8、严禁在有爆炸和火灾危害的场所架设临时线路。
作业安全执行情况:本临时线已于 年 月 日安全拆除,防护措施撤消。
检查人:
申请人
项目负责人
安技环保部门
注:1、指定接线人员必须为取得社会操作证的电工 。
危险作业申请表

危险作业申请表
编号:
临时用电作业许可证
高处作业许可证(级)
注: 1. 与本次作业有关的具体措施在序号上划“√”。
2. 所属企业是指企业下属部门。
3. 填写人为施工企业安全员。
4. 所有人员应亲自确认签字。
5. 主要安全措施由施工作业负责人确认签字。
6. 属地部门现场负责人由班长或其它负责人确认签字;属地部门领导由部门领导确认签字。
7. 危害识别由填表人确认签字;补充措施由属地部门现场负责人确认签字;
完工验收由属地部门现场负责人在存根上签字。
动火作业许可证
注:1.与本次用火有关的具体措施在序号上划“√”。
2.申请人为班组长,并负责填写未指定文表内容。
3.用火人、监火人应亲自签字;采样点由安全员签字;采样时间、分析结果、分析人由分析人员签字。
4.序号1至7由用火人员确认签字;序号8由监护人员确认、签字;危害识别由动火许可证申请人组织填写;
其他安全措施由安全员确认签字。
5.申请用火属地部门意见由部门领导确认签字。
6.完工验收由监火人在动火许可证存根上确认签字。
八大特种作业票模版

9 吊物捆扎坚固,未见绳打结、绳不齐现象,棱角吊物已采取衬垫措施
√
(吊装指挥人)
10 起重机安全装置灵活好用
√
(吊装指挥人)
11 吊装作业人员持有有效的法定资格证书
√
(吊装指挥人)
12 地下通信电(光)缆、局域网络电(光)缆、排水沟的盖板,承重吊装机械的负重
甲醇车间
作业申请时间
编号:SX2022040101 2022 年 4 月 1 日 8 时 20 分
受限空间名称
xx 装置一层 2#号反应釜 受限空间内原有介质名称
含苯料液
作业内容
检修搅拌桨叶
作业单位
xx 化建
作业负责人
xxx
作业人
xxx
监护人
xxx
关联的其他特殊作业 及安全作业票编号
编号: 风险辨识结果
3t,三级
物体打击、起重伤害、车辆伤害......
作业实施时间
自 2022 年 4 月 1 日 10 时 0 分至 2022 年 4 月 1 日 12 时 30 分止
序号
安全措施
是否涉及
确认人
一、二级吊装作业已编制吊装作业方案,已经审查批准;吊装物体形状复杂、刚度
1 小、长径比大、精密贵重,作业条件特殊的三级吊装作业,已编制吊装作业方案,
×
(吊装指挥人)
已 经审查批准
2 吊装场所如有含危险物料的设备、管道时,应制定详细吊装方案,并对设备、管道
×
(吊装指挥人)
采取有效防护措施,必要时停车,放空物料,置换后再进行吊装作业
3 作业人员已按规定佩戴个体防护装备
√
(吊装指挥人)
4 已对起重吊装设备、钢丝绳、揽风绳、链条、吊钩等各种机具进行检查,安全可靠
危险作业申请表
危险作业申请表单位动火作业起止时间动火作业安全措施上级主管部门意见审批意见重点部位临时动火作业申请表动火负责地址人动火部位1、动火后清理现场及周围卫生,放置水桶或灭火器;2、动火时必须有其他人现场监护,随时清理焊渣及其他火源;3、高空进行焊接或切割工作时,下面的可燃物品未清理或未经安全防护措施的不得动火;4、动火后必须检查现场,确认无火源后方可离开;5、动火人:6、动火监护人:编号所属单位主要危险有害因素作业内容作业人员进入前检测项目易燃易爆氧含量检测数据物质浓度检测结果作业开工时间序号主要安全措施1作业人员作业安全教育2连续测定的仪器和人员3测定用仪器准确可靠性4呼吸器、梯子、绳缆等抢救器具5通风排气情况6氧气浓度、有害气体检测结果7照明设施8个人防护用品及防毒用具9通风设备其它补充措施:10作业负责人意见:作业单位设施名称填报人员监护人员有毒有害气体(粉尘)浓度检测人员检测时间年月日时分确认安全措施符合要求(签名)作业人员监护人员签名:时间:年月日时分申请部门安全责任人意见:签名:时间:年月日安保部审核意见:签名:时间:年月日工作结束确认作业负责人签名:人和结束时间年月日时分注:该审批表是进入有限空间作业的依据,不得涂改且要求安全管理部门存档时间至少两年。
发证日期和时间工作场所工作设备有效日期和时间监护者工作任务可能存在的职业危害因素:准入者姓名氧含量:%爆炸物质浓度%LEL1、空气检验毒物名称,浓度:,mg/m 3;,mg/m 3;,mg/m 3 。
检测者签名:时间:2、危险源隔离(未进入)管道或线路一端堵死:是□否□分离或者封闭是□否□3、通风设施机械通风是□否□不仅只有自然通风是□否□氧含量:% > 19.5%爆炸物质浓度%LEL < 10 %4、隔离和通风后的空气检测毒物名称,∑浓度:,mg/m3 < 接触限值检测者签名:时间:5、通讯程序6、救援程序7、准入者、监护者、后备人员已完成必须的知识交底和技能训练是□否□直读式气体检测仪是□否□救生绳和套索是□否□8、设备提升设备是□否□动力通信是□否□呼吸器具是□否□防护服是□否□防火防爆电子设备及不产生火花的工具是□否□氧含量(%)爆炸物质浓度毒物名称、浓时间符合(% LEL)3度( mg/m)是□否□9、定期空气监测结果是□否□是□否□是□否□是□否□是□否□我们已经评估了工作授权及有关的信息,记录了能获得并理解的指令及安全措施。
危险作业申请单
——危险作业申请单
危险作业申请单第一联:存根
申请部门
作业时间现场负责人源自现场监护人作业地点现场作业
人员姓名
身体情况
教育情况
持证情况
作业事项
□危险区域动火作业□进入受限空间作业
□能源介质作业□高处作业
□大型吊装作业□交叉作业
□其它:
危险因素分析和安全措施情况
危险作业
级 别
□公司级□部门级□车间级
其它注意
事 项
申请人:审核人:批准人:
日期:日期:日期:
危险作业申请单第二联:申请部门
申请部门
作业时间
现场负责人
现场监护人
作业地点
现场作业
人员姓名
身体情况
教育情况
持证情况
作业事项
□危险区域动火作业 □进入受限空间作业
□能源介质作业□高处作业
□大型吊装作业 □交叉作业
□其它:
危险因素分析和安全措施情况
危险作业
级 别
□公司级□部门级□车间级
其它注意
事 项
申请人:审核人:批准人:
日期:日期:日期:
企业八大危险作业新颖申请表格式
22
作业现场出现危险品泄漏,立即停止作业,撤离人员
23
作业完成后清理现场杂物
24
吊装作业人员持有法定的有效的证件
25
地下通讯电(光)缆、局域网络电(光)缆、排水沟的盖板,承重吊装机械的负重量已确认,保护措施已落实。
26
起吊物的质量(t)经确认,在吊装机械的承重范围
27
在吊装高度的管线、电缆桥架已做好防护措施
28
作业现场围栏、警戒线、警告牌、夜间警示灯已按要求设置
29
作业高度和转臂范围内,无架空线路
30
人员出入口和撤离安全措施已落实:A.指示牌;B.指示灯
31
在爆炸危险生产区域内作业,机动车排气管已装火星熄灭器
32
现场夜间有充足照明:A:36V、24V、12V防水型灯B.:36V、24V、12V防爆型灯
14
其他
表A7盲板抽堵安全作业证
生产车间(分厂):编号:
设备管道名称
介质
温度
压力
盲板
实施时间
作业人
监护人
材质
规格
编号
堵
抽
堵
抽
堵
抽
盲板位置图:
编制人:年月日:
安全措施:
生产车间(分厂)负责人:年月日
盲板抽堵作业单位确认意见:
作业单位负责人:年月日
审批意见:
批准人:年月日
表A8受限空间安全作业证
生产车间(分厂):编号:
总图负责人意见:
年月日时分
完工验收检查
签字:年月日时分
表A3-2动土安全作业证(背面)
序号
安全措施
打√
1
作业人员作业前已进行了安全教育
危险作业申请表和许可证
高处坠落、高处落物
序号
高处作业安全措施
核实情况
1
作业人员身体条件符合工作条件要求
□
2
作业人员着装符合工作要求
□
3
作业人员正确佩戴合格的安全帽
□
4
作业人员正确佩戴安全带,安全带要高挂低用
□
5
作业人员携带有工具袋
□
6
现场搭设的脚手架、防护网、围栏符合安全规定
□
7
垂直分层作业中间有隔离设施
□
8
梯子、绳子符合安全规定
□
3
用火点周围(最小半径15米)的下水井、地漏、地沟、电缆沟等已清除易燃物,并已采取覆盖、铺沙、水封等手段进行隔离
□
4
高处作业应采取防火花飞溅措施
□
5
清除用火点周围易燃物
□
6
电焊回路线应接在焊件上,把线不得穿过下水井或与其他设备搭接
□
7
乙炔气瓶(禁止卧放)、氧气瓶的距离必须大于5m
□
8
乙炔气瓶(禁止卧放)、氧气瓶与火源间的距离不得少于10m
签字:
年 月 日 时 分
作业负责人意见
本人在工作开始前,已同相关人员讨论了该工作及相关的安全计划,并对工作内容进行了现场检查,该工作许可证的安全措施已落实。
签字:
年 月 日 时 分
安全部长
意见
签字: 年 月 日
作业负责人意见
作业结束,已经确认现场无任何危害,许可证关闭。
签字: 年 月 日
安全部长
意见
本人在工作开始前,已同相关人员讨论了该工作及相关的安全计划,并对工作内容进行了现场检查,该工作许可证的安全措施已落实。
签字:
- 1、下载文档前请自行甄别文档内容的完整性,平台不提供额外的编辑、内容补充、找答案等附加服务。
- 2、"仅部分预览"的文档,不可在线预览部分如存在完整性等问题,可反馈申请退款(可完整预览的文档不适用该条件!)。
- 3、如文档侵犯您的权益,请联系客服反馈,我们会尽快为您处理(人工客服工作时间:9:00-18:30)。
审核部门意见
签字:
签字:
签字:
审批部门意见
签字:
签字:
签字:
完工验收人
签字
年月日时分
表A5-2高处安全作业证(背面)
序号
高处作业安全措施
打√
1
作业人员身体条件符合要求
2
作业人员着装符合工作要求
3
作业人员佩戴合格的安全帽
4
作业人员佩戴安全带,安全带要高挂低用
5
作业人员携带有工具袋
6
作业人员佩戴:A.过滤式防毒面具或口罩B.空气呼吸器
断路原因
断路地段示意图:
断路申请单位应采取的安全措施:
断路申请单位负责人(签字):
审批部门意见:
审批部门负责人(签字):
完工验收:
断路申请单位负责人(签字):审批部门负责人(签字):
表A4-2断路作业通知单
编号
申请单位
作业单位
断路时间
自年月日时至年月日间时
断路原因
断路地段示意图:
审批部门负责人(签字):
33
作业人员已佩戴防护器具
34
补充措施
表A2-1动火安全作业证
单位编号
动火地点
动火人:
动火方式
动火时间年月日时分始至年月日时分止
动火作业负责人
动火分析时间
年月日时
年月日时
年月日时
采样地点
分析数据
分析人
危害识别
安全措施
动火安全措施
编制人
动火部位负责人
监火人
动火初审人
动火审批人
特殊动火会签
动火前岗位当班班长验票签字:
总图负责人意见:
年月日时分
完工验收检查
签字:年月日时分
表A3-2动土安全作业证(背面)
序号
安全措施
打√
1
作业人员作业前已进行了安全教育
2
作业地点处于易燃易爆场所,需要动火时是否办理了动火证
3
地下电力电缆已确认保护措施已落实
4
地下通讯电(光)缆、局域网络电(光)缆已确认保护措施已落实
5
地下供排水、消防管线、工艺管线已确认保护措施已落实
10
应分工明确、坚守岗位,并按规定的联络信号,统一指挥
11
将建筑物、构筑物作为锚点,需经工程处审查核算并批准
12
吊装绳索、揽风绳、拖拉绳等避免同带电线路接触,并保持安全距离
13
人员随同吊装重物或吊装机械升降,应采取可靠的安全措施,并经过现场指挥人员批准
14
利用管道、管架、电杆、机电设备等作吊装锚点,不准吊装
7
现场搭设的脚手架、防护网、围栏符合安全规定
8
垂直分层作业中间有隔离设施
9
梯子、绳子符合安全规定
10
石棉瓦等轻型棚的承重梁、柱能承重负荷的要求
11
作业人员在石棉瓦等不承重物作业所搭设的承重板稳定牢固
12
采光不足、夜间作业有充足的照明、安装临时灯、防爆灯
13
30米以上高处作业配备通讯、联络工具
14
补充措施
3
指派专人监护,并监守岗位,非作业人员禁止入内
4
作业人员已按规定佩戴防护器具和个体防护用品
5
应事先与分厂(车间)负责人取得联系,建立联系信号
6
在吊装现场设置安全警戒标志,无关人员不许进入作业现场
7
夜间作业要有足够的照明
8
室外作业遇到大雪、暴雨、大雾及6级以上大风,停止作业
9
检查起重吊装设备、钢丝绳、揽风绳、链条、吊钩等各种机具保证安全可靠
作业过程中应先用低高度、短行程试吊
22
作业现场出现危险品泄漏,立即停止作业,撤离人员
23
作业完成后清理现场杂物
24
吊装作业人员持有法定的有效的证件
25
地下通讯电(光)缆、局域网络电(光)缆、排水沟的盖板,承重吊装机械的负重量已确认,保护措施已落实。
26
起吊物的质量(t)经确认,在吊装机械的承重范围
27
吊装地点
吊装工具名称
吊装人员
特殊工种作业证号
安全监负护人
吊装指挥(负责人)
作业时间
自年月日时分至年月日时分
吊装内容
起吊重物质量(t)
危害辨识:
安全措施(执行背面)
项目单位安全部门负责人(签字):
项目单位负责人(签字):
作业单位安全部门负责人(签字):
作业单位负责人(签字):
有关管理部门审批意见:
有关管理部门负责人:(签字)年月日
6
已按作业方案图划线和立桩
7
动土地点有电线、管道等地下设施,应向作业单位交待并派人监护;作业时轻挖,禁止使用铁棒、铁镐或抓斗等机械工具
8
作业现场围栏、警戒线、警告牌夜间警示灯已按要求设置
9
已进行放坡处理和固壁支撑
10
人员出入口和撤离安全措施已落实:A.梯子;B.修坡道
11
道路施工作业已报:交通、消防、安全监督部门、应急中心
有毒有害介质
可燃气
氧含量
分析标准
分析数据
审批意见:
批准人:年月日
表A6临时用电安全作业证
编号
申请单位
申请人
作业时间自年月日时分至年月日间时分
Hale Waihona Puke 作业地点作业内容电源接入点
电压
作业单位
作业人
危害辨识:
安全措施:
作业单位现场负责人:
监护人职责
检查安全措施是否完全落实到位,并好做监护
监护人
签字:
年月日时
作业单位负责人意见
表A3-1动土安全作业证(正面)
编号
申请单位
申请人
作业单位
作业地点
电源接入点
电压
填写人
作业时间自年月日时分至年月日间时分
动土作业范围、内容、方式(包括深度、面积,并附简图):
项目负责人:年月日时分
危害辨识:
安全措施(执行背面):
作业负责人:年月日时分
作业地段
负责人意见:
负责人:年月日时分
有关水、电、汽、工艺、设备、消防、安全等部门会签意见:
年月日
接受单位负责人(签字):
年月日
表A5-1高处安全作业证(正面)
编号
申请单位
申请人
作业时间自年月日时分至年月日间时分
作业地点
作业内容
作业高度
作业类别
作业单位
作业人
危害辨识:
安全措施(执行背面):
作业单位现场负责人:
监护人职责
检查安全措施是否完全落实到位,并好做监护
监护人
签字:
年月日时
作业单位负责人意见
表A1-1吊装安全作业证(正面)
表A1-2吊装安全作业证背面的安全措施
序号
安全措施
打√
1
作业前对作业人员进行安全教育
2
吊装质量大于等于40t的重物和土建工程主体结构;吊装物体虽不足40t,但形状复杂、刚度小、长径比大、精密贵重,作业条件特殊,需编制吊装作业方案,并经作业主管部门和安全管理部门审查,报主管副总经理或总工程师批准后方可实施
15
悬吊重物下方站人、通行和工作,不准吊装
16
超负荷或重物质量不明,不准吊装
17
斜拉重物、重物埋在地下或重物坚固不牢,绳打结、绳不齐,不准吊装
18
棱角重物没有衬垫措施,不准吊装
19
安全装置失灵,不准吊装用定型起重吊装机械(履带吊车、轮胎吊车、轿式吊车等)进行
20
吊装作业,遵守该定型机械的操作规程
21
12
备有可燃气体检测仪、有毒介质检测仪
13
现场夜间有充足照明:
A.36V、24V、12V防水型灯B. 36V、24V、12V防爆型灯
14
作业人员已佩戴安全帽等防护器具。
15
动土范围(包括深度、面积、并附简图)无障碍物,已在总图上做标记
表A4-1断路安全作业证
编号第联
申请单位
作业单位
断路时间
自年月日时至年月日间时
在吊装高度的管线、电缆桥架已做好防护措施
28
作业现场围栏、警戒线、警告牌、夜间警示灯已按要求设置
29
作业高度和转臂范围内,无架空线路
30
人员出入口和撤离安全措施已落实:A.指示牌;B.指示灯
31
在爆炸危险生产区域内作业,机动车排气管已装火星熄灭器
32
现场夜间有充足照明:A:36V、24V、12V防水型灯B.:36V、24V、12V防爆型灯
14
其他
表A7盲板抽堵安全作业证
生产车间(分厂):编号:
设备管道名称
介质
温度
压力
盲板
实施时间
作业人
监护人
材质
规格
编号
堵
抽
堵
抽
堵
抽
盲板位置图:
编制人:年月日:
安全措施:
生产车间(分厂)负责人:年月日
盲板抽堵作业单位确认意见:
作业单位负责人:年月日
审批意见:
批准人:年月日
表A8受限空间安全作业证
生产车间(分厂):编号:
受限空间所在单位负责项目栏
受限空间所在单位:
受限空间名称:
检修作业内容:
受限空间主要介质:
作业时间:年月日时起至年月日时止
隔绝安全措施:
确认人签字:
负责人:
年月日
作业单位负责项目栏
作业单位:
作业负责人:
作业监护人:
作业中可能产生的有害物质:
作业安全措施(包括抢救后备措施):