广西博阳电力工程建设有限责任公司_中标190920
35kV分部工程质量验收记录

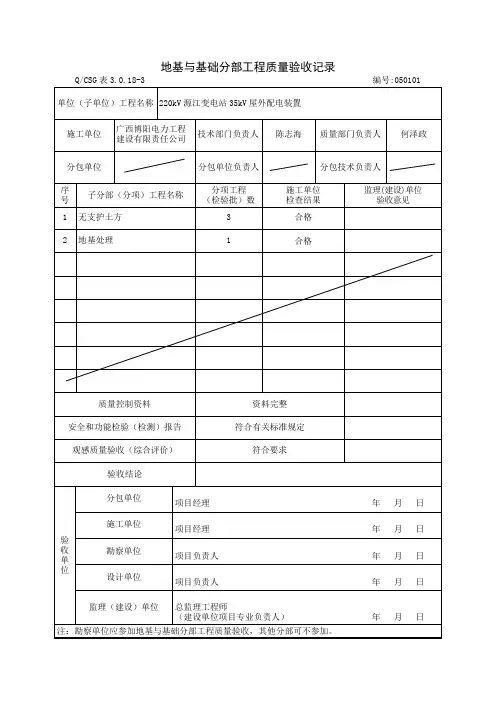
地基与基础分部工程质量验收记录Q/CSG表3.0.18-3 编号:050101 单位(子单位)工程名称220kV源江变电站35kV屋外配电装置施工单位广西博阳电力工程建设有限责任公司技术部门负责人陈志海质量部门负责人何泽政分包单位分包单位负责人分包技术负责人序号子分部(分项)工程名称分项工程(检验批)数施工单位检查结果监理(建设)单位验收意见1 无支护土方 3 合格2 地基处理 1 合格质量控制资料资料完整安全和功能检验(检测)报告符合有关标准规定观感质量验收(综合评价)符合要求验收结论验收单位分包单位项目经理年月日施工单位项目经理年月日勘察单位项目负责人年月日设计单位项目负责人年月日监理(建设)单位总监理工程师(建设单位项目专业负责人)年月日注:勘察单位应参加地基与基础分部工程质量验收,其他分部可不参加。
构支架及设备基础分部工程质量验收记录Q/CSG表3.0.18-3 编号:050201单位(子单位)工程名称220kV源江变电站35kV屋外配电装置施工单位广西博阳电力工程建设有限责任公司技术部门负责人陈志海质量部门负责人何泽政分包单位分包单位负责人分包技术负责人序号子分部(分项)工程名称分项工程(检验批)数施工单位检查结果监理(建设)单位验收意见1 构架基础 4 合格2 设备支架基础 4 合格3 断路器基础4 合格4 电抗器基础 3 合格5 电容器基础 3 合格6 站用变及其他设备基础 4 合格质量控制资料资料完整安全和功能检验(检测)报告符合有关标准规定观感质量验收(综合评价)符合要求验收结论验收单位分包单位项目经理年月日施工单位项目经理年月日勘察单位项目负责人年月日设计单位项目负责人年月日监理(建设)单位总监理工程师(建设单位项目专业负责人)年月日注:勘察单位应参加地基与基础分部工程质量验收,其他分部可不参加。
构架制作与安装分部工程质量验收记录Q/CSG表3.0.18-3 编号:050301 单位(子单位)工程名称220kV源江变电站35kV屋外配电装置施工单位广西博阳电力工程建设有限责任公司技术部门负责人陈志海质量部门负责人何泽政分包单位分包单位负责人分包技术负责人序号子分部(分项)工程名称分项工程(检验批)数施工单位检查结果监理(建设)单位验收意见1 构架安装 1 合格质量控制资料资料完整安全和功能检验(检测)报告符合有关标准规定观感质量验收(综合评价)符合要求验收结论验收单位分包单位项目经理年月日施工单位项目经理年月日勘察单位项目负责人年月日设计单位项目负责人年月日监理(建设)单位总监理工程师(建设单位项目专业负责人)年月日注:勘察单位应参加地基与基础分部工程质量验收,其他分部可不参加。
220kV碧竹(东葛)送变电工程(线路部分)水土保持设施验收鉴定书

机关、文号及时间
\
水土保持初步设计批复 机关、文号及时间
项目建设起止时间
水土保持方案编制单位
广西电网有限责任公司 桂电基建[2020]210 号,2020 年 8 月 5 日
2019 年 3 月 23 日至 2020 年 6 月 30 日
广西泰能工程咨询有限公司
水土保持初步设计单位
广西绿能电力勘察设计有限公司
-4-
工程水土保持措施设计及布局合理,工程质量达到了设计标 准,各项水土流失防治指标达到了水土保持方案确定的目标值,其 中扰动土地整治率达 99.26%,水土流失总治理度 98.60%,土壤流 失控制比 1.0,拦渣率 97.25%,林草植被恢复率 98.48%,林草覆盖 率 48.27%,各项水土保持设施运行正常,发挥了较好的水土保持 功能。
水土保持监测单位
广西水保生态工程有限公司
水土保持施工单位
广西建宁输变电工程有限公司
水土持监理单位
水土保持设施验收 报告编制单位
广西桂能工程咨询集团有限公司 广西水保生态工程有限公司
-1-
二、验收意见 根据《水利部关于加强事中事后监管规范生产建设项目水土保 持设施自主验收的通知》(水保[2017]365 号)、《水利厅关于加强生 产建设项目水土保持设施验收事中事后监管的通知》(桂水水保 [2017]14 号 )、《 开 发 建 设 项 目 水 土 保 持 设 施 验 收 技 术 规 程 》 (GB/T22490-2008)、《水利部办公厅关于印发生产建设项目水土保 持设施自主验收规程(试行)的通知》(办水保[2018]133 号)的有 关规定,2020 年 11 月 19 日,广西电网有限责任公司南宁供电局于 南宁市组织召开 220kV 碧竹(东葛)送变电工程(线路部分)水土 保持设施验收会议。 参加验收的有广西电网有限责任公司南宁供电局(建设单位、 运行单位)、广西泰能工程咨询有限公司(水土保持方案编制单位)、 广西水保生态工程有限公司(水土保持监测单位、水土保持验收报 告编制单位)、广西桂能工程咨询集团有限公司(监理单位)、广西 建宁输变电工程有限公司(施工单位)、广西绿能电力勘察设计有 限公司(设计单位)等单位的代表及特邀专家共 10 人,(名单附后), 会议成立了验收组,验收组对现场进行了踏勘,并查阅资料。 (一) 项目概况 一、碧竹站 π 接邕州~林村Ⅰ220kV 线路 线路起点为 G0 预留终端塔,终于 220kV 碧竹变电站,线路路 径电缆线路长 390m,架空线路长 12.720km,共新建 80 基杆塔。 二、碧竹站 π 接琅东~雷村 220kV 线路
24876712_从裁判规则解读异议前置程序

25《招标投标法》第六十五条规定:“投标人和其他利害关系人认为招标投标活动不符合本法有关规定的,有权向招标人提出异议或者依法向有关行政监督部门投诉。
”该条确立了异议和投诉制度。
《招标投标法实施条例》(以下简称《条例》)在此基础上进一步作出规定,而且针对资格预审文件、招标文件内容及开标活动和评标结果的投诉,明确了异议前置程序,当事人不得就上述三类事项越过异议程序直接投诉,否则该投诉不予受理。
本文通过裁判规则从几个侧面解读异议前置程序。
裁判观点1:针对中标结果提出投诉,应将异议作为前置程序,未在投诉前提出异议而直接投诉,行政监督部门若受理该投诉则程序违法【案例】江西省高级人民法院(2015)赣行终字第23号行政判决书:根据《条例》第五十四条、第六十条第二款、投诉处理办法第七条第二款的规定,投标人或者其他利害关系人对依法必须进行招标的项目的评标结果有异议的,应当在中标候选人公示期间提出;就《条例》第五十四条规定事项投诉的,应当先向招标人提出异议;对《条例》规定应先提出异议的事项进行投诉的,应当附提出异议的证明文件。
九丰公司投诉早于中标候选人公示,未在投诉前向招标人提出异议,吉安市政府认定吉水县发改委受理该投诉违反法定程序符合上述规定。
九丰公司以其投诉后,吉水县发改委组建的联合调查组成员包含了招标人,招标人参加联合调查后未对其投诉行为提出异议,表明招标人同意由联合调查组代表招标人履行职责为理由,否认吉水县发改委受理其投诉违反法定程序缺乏法律上的依据。
黑龙江省高级人民法院(2017)黑行终577号行政判决书:本案中,宏电公司在中标候选人公示期间未向招标人提出异议,而是直接向哈尔滨市水务局提出投诉,哈尔滨市水务局未予审查即予受理并作出处理决定书,属程序违法。
哈尔滨市政府行政复议决定以此理由撤销哈尔滨市水务局的处理决定书正确,应予维持。
因宏电公司对案涉评标结果提出投诉前,未向招标人提出异议是前置程序,故哈尔滨市政府责令哈尔滨市水务局重新作出处理决定没有法律依据,应予撤销。
广西承装修试电力设施许可证企业名单-广西

6-2-00003-2011 6-2-00001-2008 6-2-00003-2010
6-2-00009-2011
6-2-00020-2011 6-2-00017-2011 6-2-00022-2011 6-2-00010-2011 6-2-00032-2011 6-2-00027-2007 6-2-00006-2012 6-2-00011-2011 6-2-00014-2011 6-2-00006-2011 6-2-00008-2008 6-2-00012-2011 6-2-00005-2012 6-2-00029-2008 6-2-00033-2008 6-2-00005-2010 6-2-00001-2011 6-2-00018-2007 6-2-00013-2008 6-2-00037-2007 6-2-00004-2008 6-2-00001-2010 6-2-00010-2009 6-2-00010-2010 6-2-00028-2008 6-2-00042-2009 6-2-00016-2010 6-2-00025-2008 6-2-00008-2007
承装类四级、承修类四级、承试类五级 承装类四级、承修类四级、承试类五级 承修类四级、承试类四级 承装类四级,承修类四级 承装类四级,承修类四级,承试类四级 承装类四级,承修类四级、承试类四级 承装类四级、承修类四级 承装类四级、承修类四级 承装类四级、承修类四级 承装类四级、承修类四级、承试类四级 承装类四级、承修类四级 承装类四级、承修类四级 承装类四级、承修类四级 承装类四级、承修类四级 承装类四级、承修类四级 承装类四级、承修类四级、承试类五级 承装类四级、承修类四级、承试类四级 承装类四级、承修类四级 承装类四级、承修类四级 承装类四级、承修类四级 承装类四级、承修类四级 承装类四级、承修类四级 承装类四级、承修类四级 承装类四级、承修类四级
广西壮族自治区财政厅政府采购投诉处理决定书

广西壮族自治区财政厅政府采购投诉处理决定书文章属性•【制定机关】广西壮族自治区财政厅•【公布日期】2015.06.16•【字号】桂财采〔2015〕13号•【施行日期】2015.06.16•【效力等级】地方规范性文件•【时效性】现行有效•【主题分类】政府采购正文广西壮族自治区财政厅政府采购投诉处理决定书桂财采〔2015〕13号一、投诉人和被投诉人的情况投诉人:无锡中德伯尔生物技术有限公司住所地:无锡市惠山区堰新路311号创业中心三期5号楼法定代表人:李林委托代理人:刘斌业务经理,联系电话:187****2176被投诉人:广西壮族自治区食品药品监督管理局住所地:南宁市云景路32号法定代表人:韦波局长,联系电话:************被投诉人:广西壮族自治区政府采购中心住所地:南宁市朝阳路63号凤凰大厦法定代表人:于海波主任,联系电话:************投诉人因不满意被投诉人广西壮族自治区政府采购中心组织的食品现场快检设备及配套检测卡采购项目(项目编号:GXZC2014-G1-2829-CGZX(2))作出的质疑答复,于2015年3月26日向我厅提出投诉,我厅依法于2015年4月16日予以受理,现已审查终结。
二、投诉的事项及调查情况投诉事项:投诉人投诉本项目编号为GXZC2014-G1-2829-CGZX(2)预中标单位北京六角体科技发展有限公司(以下简称北京六角体公司)、另一家投标公司北京倍肯恒业科技发展有限责任公司(以下简称北京倍肯公司)存在串标、围标嫌疑,主要投诉理由为冯魁是北京六角体公司的在职员工,但本采购项目其作为北京倍肯公司的授权代表参与本次投标。
经查:该项目采购人是广西壮族自治区食品药品监督管理局,代理机构为广西壮族自治区政府采购中心,该项目于2015年2月12日开标,北京六角体公司、北京倍肯公司均作为投标公司,参与了本次投标。
冯魁作为北京倍肯公司的投标授权代表,参与了本次投标活动。
2022年01月【广西博阳电力工程建设有限责任公司】中国中标统计分析

2022年01月【广西博阳电力工程建设有限责任公司】中国中标统计分析根据中招查的统计,2022年01月中国广西博阳电力工程建设有限责任公司中标事件量为3次。
截至2022年01月月末,本年度中国广西博阳电力工程建设有限责任公司中标事件总量为192次。
2021年02月到2022年01月在广西博阳电力工程建设有限责任公司中标事件信息中出现总次数排名前十的关键词为:电力、电力工程、施工、变电、工程施工、线路、变电工程、供电、改造、电站。
从地域角度看,2022年01月广西博阳电力工程建设有限责任公司中国的中标事件主要集中在:广西壮族自治区。
2022年01月,广西博阳电力工程建设有限责任公司中标事件信息中出现总次数相比上月上升幅度最高的十个关键词包括:工程施工、线路、施工、电力、电力工程、通信。
2022.01 公开采购关键词热度上升排名(当月环比)关键词频次环比增速1、工程施工69200.0%2、线路69200.0%3、施工6950.0%4、电力6950.0%5、电力工程6950.0%从金额角度来看以上数据统计:根据中招查的统计,2022年01月中国广西博阳电力工程建设有限责任公司中标金额为1327.79万元。
截至2022年01月月末,本年度中国广西博阳电力工程建设有限责任公司中标金额为1.59亿元。
2021年02月到2022年01月广西博阳电力工程建设有限责任公司中标事件信息中包含以下关键词的中标事件总金额排名前十:电力、电力工程、施工、线路、变电、电站、工程施工、变电工程、改造、供电。
从地域角度看,2022年01月广西博阳电力工程建设有限责任公司中国的中标金额主要集中在:广西壮族自治区。
2022年01月,广西博阳电力工程建设有限责任公司中标事件信息中出现总金额相比上月出现总次数上升幅度最高的十个关键词包括:工程施工、线路、施工、电力、电力工程。
2022.01 公开中标金额关键词上升排名(当月环比)关键词中标金额(万元)环比增速1、工程施工25228.01-70.0%2、线路25228.01-70.0%3、施工25228.01-75.0%4、电力25228.01-75.0%5、电力工程25228.01-75.0%相关标签:中招查;中标;公司分析;广西博阳电力工程建设有限责任公司。
广西博阳电力工程建设有限责任公司介绍企业发展分析报告模板
Enterprise Development专业品质权威Analysis Report企业发展分析报告广西博阳电力工程建设有限责任公司免责声明:本报告通过对该企业公开数据进行分析生成,并不完全代表我方对该企业的意见,如有错误请及时联系;本报告出于对企业发展研究目的产生,仅供参考,在任何情况下,使用本报告所引起的一切后果,我方不承担任何责任:本报告不得用于一切商业用途,如需引用或合作,请与我方联系:广西博阳电力工程建设有限责任公司1企业发展分析结果1.1 企业发展指数得分企业发展指数得分广西博阳电力工程建设有限责任公司综合得分说明:企业发展指数根据企业规模、企业创新、企业风险、企业活力四个维度对企业发展情况进行评价。
该企业的综合评价得分需要您得到该公司授权后,我们将协助您分析给出。
1.2 企业画像类别内容行业空资质增值税一般纳税人产品服务:输电、供电、受电电力设施的安装、维修和试1.3 发展历程2工商2.1工商信息2.2工商变更2.3股东结构2.4主要人员2.5分支机构2.6对外投资2.7企业年报2.8股权出质2.9动产抵押2.10司法协助2.11清算2.12注销3投融资3.1融资历史3.2投资事件3.3核心团队3.4企业业务4企业信用4.1企业信用4.2行政许可-工商局4.3行政处罚-信用中国4.4行政处罚-工商局4.5税务评级4.6税务处罚4.7经营异常4.8经营异常-工商局4.9采购不良行为4.10产品抽查4.11产品抽查-工商局4.12欠税公告4.13环保处罚4.14被执行人5司法文书5.1法律诉讼(当事人)5.2法律诉讼(相关人)5.3开庭公告5.4被执行人5.5法院公告5.6破产暂无破产数据6企业资质6.1资质许可6.2人员资质6.3产品许可6.4特殊许可7知识产权7.1商标信息最多显示100条记录,如需更多信息请到企业大数据平台查询7.2专利7.3软件著作权7.4作品著作权7.5网站备案7.6应用APP7.7微信公众号8招标中标8.1政府招标8.2政府中标8.3央企招标8.4央企中标9标准9.1国家标准9.2行业标准9.3团体标准9.4地方标准10成果奖励10.1国家奖励10.2省部奖励10.3社会奖励10.4科技成果11 土地11.1大块土地出让11.2出让公告11.3土地抵押11.4地块公示11.5大企业购地11.6土地出租11.7土地结果11.8土地转让12基金12.1国家自然基金12.2国家自然基金成果12.3国家社科基金13招聘13.1招聘信息感谢阅读:感谢您耐心地阅读这份企业调查分析报告。
企业信誉实力部分
投 标 文 件
项目编号:NNZC2016-20054A
(副本)
投标内容:商务标部分
投标人:广西旺盛建设集团有限公司(盖单位公章)
法定代表人或其委托代理人:(签字或盖章)
2016年6月30日
企业信誉实力一览表
序号
获奖项目
奖项说明
工程名称
ห้องสมุดไป่ตู้建设单位
获奖奖项
1
江南区苏圩镇敬老院改扩建项目
获得过地市级(含)“优质工程”奖或“安全文明工地”奖或“工法”奖
3
南宁市第二师范学校学生食堂
南宁市第二师范学校
南宁市2013年建设工程质量“优质结构”奖
获得过地市级(含)“优质工程”奖
注:所有奖项、业绩均以广西建筑企业诚信信息库为准,附上获奖证书扫描件
签字或盖章2016年6月30日企业信誉实力一览表序号获奖项目奖项说明工程名称建设单位获奖奖项1江南区苏圩镇敬老院改扩建项目南宁市江南区民政局2015年下半年广西壮族自治区建设工程施工安全文明标准化工地投标人承接的工程项目获得过自治区级含或以上优质工程奖或安全文明工地奖南宁市苏州路学校教学楼工程南宁市苏州路学校2015年广西壮族自治区优质工程奖银奖2南宁市第二师范学校学生食堂南宁市第二师范学校南宁市2014年建设工程邕城杯奖获得过地市级含优质工程奖或安全文明工地奖或工法奖3南宁市第二师范学校学生食堂南宁市第二师范学校南宁市2013年建设工程质量优质结构奖获得过地市级含优质工程奖注
南宁市江南区民政局
2015年下半年广西壮族自治区建设工程施工安全文明标准化工地
投标人承接的工程项目获得过自治区级(含)或以上“优质工程”奖或“安全文明工地”奖
广西壮族自治区工业和信息化厅_企业报告(业主版)
报告时间:
2023-02-12
报告解读:本报告数据来源于各政府采购、公共资源交易中心、企事业单位等网站公开的招标采购 项目信息,基于招标采购大数据挖掘分析整理。报告从目标单位的采购需求、采购效率、采购供应 商、代理机构、信用风险 5 个维度对其招标采购行为分析,为目标单位招标采购管理、采购效率 监测和风险预警提供决策参考;帮助目标单位相关方包括但不限于供应商、中介机构等快速了解目 标单位的采购需求、采购效率、采购竞争和风险水平,以辅助其做出与目标单位相关的决策。 报告声明:本数据报告基于公开数据整理,各数据指标不代表任何权威观点,报告仅供参考!
中国电子信息产业 发展研究院
中国质量认证中心
北京国信数字化转 型技术研究院
中国电子信息产业 发展研究院
130.0 85.9 78.0 75.0
2022-11-22 2022-12-06 2022-11-22 2022-12-14
TOP5
2022 年自治区工业和信息化前期 中 国 电 子 信 息 产 业
规划及规划前期研究项目
发展研究院
70.0
2022-10-31
本报告于 2023 年 02 月 12 日 生成
4/28
重点项目
项目名称
中标单位
中标金额(万元) 公告时间
TOP6
2022 年自治区工业和信息化前期 广 西 企 业 与 企 业 家
规划及规划前期研究项目
联合会
70.0
2022-10-31
TOP7
TOP5
广西壮族自治区工业和信息化厅 广西宏桂印务股份
印刷服务订购单
有限公司
2.6
2022-07-27
不予受理告知书
不予受理告知书
文章属性
•【制定机关】广西壮族自治区发展和改革委员会
•【公布日期】2021.11.24
•【字号】桂发改法规函〔2021〕3178号
•【施行日期】2021.11.24
•【效力等级】地方规范性文件
•【时效性】现行有效
•【主题分类】行政法总类综合规定
正文
不予受理告知书
广西横县东泰电气工程有限责任公司:
你公司反映广西民族艺术馆A区高低压设备及线路改造工程(采购项目编号:KWAD3G2021897)招标重新评审过程中存在违规行为的《投诉书》收悉。
根据《广西壮族自治区实施〈中华人民共和国招标投标法〉办法》第四条规定:“县级以上人民政府发展和改革部门负责本行政区域内招标投标工作的指导和协调。
县级以上人民政府工业和信息化、住房和城乡建设、交通运输、水利、商务等有关部门按照规定的职责分工,对招标投标活动实施监督,依法查处招标投标活动中的违法行为”。
你公司《投诉书》中反映的情况,不属于我委的职权范围,建议向业主单位的纪检部门反映情况。
特此告知。
广西壮族自治区发展和改革委员会
2021年11月24日。
- 1、下载文档前请自行甄别文档内容的完整性,平台不提供额外的编辑、内容补充、找答案等附加服务。
- 2、"仅部分预览"的文档,不可在线预览部分如存在完整性等问题,可反馈申请退款(可完整预览的文档不适用该条件!)。
- 3、如文档侵犯您的权益,请联系客服反馈,我们会尽快为您处理(人工客服工作时间:9:00-18:30)。
未中标
架招标(河池、崇左)
7
防城港
2019-08-12 钟山县20kV及以下电网基建项目施工
未中标
防城港钢铁基地项目(一期)动力系统电力设施工程标段二动力厂
8
柳州
2019-04-19
未中标
110kV变电站工程-1#铁前110kV站施工
防城港钢铁基地项目(一期)动力系统电力设施工程标段二动力厂
9
柳州
2019-04-19
2018-10-12 广西电网有限责任公司2018年度35kV及以下电网基建项目
5
南宁
2018-10-12 广西电网有限责任公司2018年度35kV及以下电网基建项目
6
南宁
2018-10-12 广西电网有限责任公司2018年度35kV及以下电网基建项目
7
南宁
2018-10-12 广西电网有限责任公司2018年度35kV及以下电网基建项目
3
南宁
2019-08-12
中标
架
广西电网公司(水利电业区域)2019年20kV及以下基建项目施工框
4
南宁
2019-08-12
中标
架招标(河池、崇左)
5
防城港
2019-08-12 钟山县20kV及以下电网基建项目施工
中标
广西电网公司(水利电业区域)2019年20kV及以下基建项目施工框
6
南宁
2019-08-12
一、基本信息
1. 工商信息
企业名称: 广西博阳电力工程建设有限责任公司 统一社会信用代码: /
工商注册号: /
组织机构代码:
/
法定代表人: 陈洁
成立日期:
2002-01-31
企业类型: /
经营状态:
/
注册资本: 6000万人民币
注册地址: /
营业期限: / 至 /
2.2 中标/投标情况(近一年)
企业近十二个月中,中标/投标最多的月份为2018年10月,该月份共有14个投标项目。
仅展示最近10条投标项目
序号 1 2 3 4
地区 河池 梧州 南宁 防城港
日期
标题
2019-09-02 凤山县35kV乔音至林峒送电线路工程
2019-08-26 华润广西苍梧六堡一期50MW风电项目110kV送出线路工程施工
【建设工程】 (12) 仅展示最近10条投标项目
序号
地区
日期
标题
中标情况
1
贵港
2019-08-12 广西电网公司2019年35kV及以下电网基建项目施工
中标
2
南宁
2019-08-12 广西电网公司2019年35kV及以下电网基建项目施工框架
中标
广西电网公司(水利电业区域)2019年20kV及以下基建项目施工框
未中标
【建筑工程】 (11) 仅展示最近10条投标项目
序号 1 2 3 4
地区 南宁 南宁 南宁 南宁
日期
标题
2018-10-12 广西电网有限责任公司2018年度35kV及以下电网基建项目
2018-10-12 广西电网有限责任公司2018年度35kV及以下电网基建项目
2018-10-12 广西电网有限责任公司2018年度35kV及以下电网基建项目
未中标
广西电网有限责任公司2019年度110kV~500kV紧急电网基建项目
10
南宁
2019-08-05
中标
施工
本报告于 2019年9月19日 生成
4/13
每日80000+条信息更新,多维度检索、企业资 质匹配、甲方监控等功能,让中标快人一步!
2.3 中标/投标ຫໍສະໝຸດ 业分布(近一年)6南宁
2019-08-12
中标
架
广西电网公司(水利电业区域)2019年20kV及以下基建项目施工框
7
南宁
2019-08-12
未中标
架招标(河池、崇左)
8
贵港
2019-08-12 广西电网公司2019年35kV及以下电网基建项目施工
中标
9
防城港
2019-08-12 钟山县20kV及以下电网基建项目施工
未中标
110kV变电站工程-2#铁前110kV站施工
本报告于 2019年9月19日 生成
5/13
每日80000+条信息更新,多维度检索、企业资 质匹配、甲方监控等功能,让中标快人一步!
10
南宁
2019-01-30 广西电网有限责任公司2018年第四批主网基建工程施工
营业范围: /
联系电话: ***********
二、招投标分析
2.1 中标/投标数量
企业中标/投标数: 186 个 (数据统计时间:2017年至报告生成时间)
本报告于 2019年9月19日 生成
3/13
每日80000+条信息更新,多维度检索、企业资 质匹配、甲方监控等功能,让中标快人一步!
本报告于 2019年9月19日 生成 您所看到的报告内容为截至该时间点该公司的数据快照
目录
1. 基本信息:工商信息 2. 招投标情况:中标/投标数量、中标/投标情况、中标/投标行业分布、参与投标 的甲方排名、合作甲方排名 3. 股东及出资信息 4. 风险信息:经营异常、股权出资、动产抵押、税务信息、行政处罚 5. 企业信息:工程人员、企业资质
* 敬启者:本报告内容是中国比地招标网接收您的委托,查询公开信息所得结果。中国比地招标网不对该查询结果的全面、准确、真 实性负责。本报告应仅为您的决策提供参考。
本报告于 2019年9月19日 生成
2/13
每日80000+条信息更新,多维度检索、企业资 质匹配、甲方监控等功能,让中标快人一步!
每日80000+条信息更新,多维度检索、企业资 质匹配、甲方监控等功能,让中标快人一步!
招标投标企业报告
广西博阳电力工程建设有限责任公司
本报告于 2019年9月19日 生成
1/13
每日80000+条信息更新,多维度检索、企业资 质匹配、甲方监控等功能,让中标快人一步!
2019-08-12 广西电网公司2019年35kV及以下电网基建项目施工框架
2019-08-12 钟山县20kV及以下电网基建项目施工
中标情况 中标 中标 中标 中标
广西电网公司(水利电业区域)2019年20kV及以下基建项目施工框
5
南宁
2019-08-12
中标
架招标(河池、崇左)
广西电网公司(水利电业区域)2019年20kV及以下基建项目施工框