管片选型与拼装
盾构管片选型与管片安装

能源成本
包括生产过程中所消耗的水、电、气等能 源的费用。
人工成本
包括生产工人、技术工人和管理人员的工 资和福利。
04 管片运输与存储
管片运输方式选择
01
02
03
04
陆运
适用于短距离运输,成本较低 ,但受道路和交通状况影响较
大。
水运
适用于长距离或跨水域运输, 成本较低,但需考虑船舶装载
和航道条件。
钢材管片
具有较高的抗拉强度和韧 性,适用于对变形有较高 要求的场合,如大型管道。
复合管片
由混凝土和钢材复合而成, 兼具两者的优点,适用于 各种复杂环境和工程要求。
管片尺寸选择
直径
根据盾构隧道的设计直径 和施工要求,选择相应直 径的管片。
厚度
根据盾构隧道的设计压力 和施工条件,选择合适厚 度的管片,以满足强度和 稳定性要求。
定期对安装现场进行安全检查,及时发现 和消除安全隐患。
06 盾构管片的发展趋势与展 望
新型管片材料的研发与应用
总结词
新型管片材料具有更高的强度、耐久性和抗腐蚀性能,能够满足更复杂的地质 条件和隧道工程需求。
详细描述
随着科技的不断进步,新型管片材料如高强度混凝土、合金钢、复合材料等正 在被研发和应用。这些新型材料能够提高管片的抗压、抗弯、抗剪切等力学性 能,增强隧道结构的稳定性和耐久性。
THANKS FOR WATCHING
感谢您的观看
管片生产工艺的改进与创新
总结词
管片生产工艺的改进与创新能够提高管片的质量和生产效率 ,降低生产成本。
详细描述
现代的管片生产工艺已经实现了高度自动化和智能化,如采 用数控机床、机器人等技术进行精确加工和组装。这些创新 的生产工艺不仅提高了管片的质量和精度,同时也减少了人 工干预,降低了生产成本和误差率。
管片选型技术

▪ 但实际拼装过程中不存在12点与6点拼装点位,而
且一般情况下,本着有利于隧道防水的要求,都只 使用上部6个点位。
管片选型要适应盾构机姿态
▪ 所谓“盾构姿态”是指盾构机的空间方位和 走向、管片是在盾尾内拼装,所以不可避免 地受到盾构机姿态的限制。
▪ 实际施工中盾构姿态失控的主要有两种表现: ▪ 一是使盾构主机偏离DTA, ▪ 二是使盾尾间隙局部变小。
目录
一、盾构机管片选型原则 二、盾构机管片选型依据 三、盾构机电脑管片选型
一、盾构机管片选型原则
管片拼装时,通过转弯环与标准环的组合来 适应不同的曲线要求。管片拼装时按照以下 以下两个原则: 第一,要适合隧道设计线路; 第二,要适应盾构机的姿态。 这两者相辅相成,通过正确的管片选型和选 择正确的拼装点位,将隧道的实际线路调整 在设计线路的允许公差±50mm内。
▪ 同时也可以看出如果继续拼装标准环的话, 下部的盾尾间隙将会进一步减小。通常我们 以各组油缸行程的差值的大小来判断是否应 该拼装转弯环,在两个相反的方向上的行程 差值超过40mm时,就应该拼装转弯环进行 纠偏。
▪ 德国海瑞克公司的土压平衡式盾构机, 20组推进油缸分为A、B、C、D四组,分 别代表上、右、下、左四个方向。
▪ 不同的隧道工程所使用的管片的超前量是不 同的,超前量的大小在隧道管片设计上是最 重要的设计内容。一般超前量的大小起码要 能够适应隧道最小转弯半径的要求。但如果 超前量设计的过大,施工中很容易造成管片 错台和管片失圆,不但给管片拼装带来很大 困难,更影响隧道的防水和美观。
5 KL 6
CL
BL
向左上方倾斜。在对这环管片进行选型的时候, 就应选择一环左转弯环且还过小,盾壳上的力直接作用在管 片上,则盾构机在掘进过程中盾尾将会与管片 发生摩擦、碰撞。轻则增加盾构机向前掘进的 阻力,降低掘进速度,重则造成管片错台(通 过调整盾构间隙,可以大大减少管片错台量), 盾构一边间隙过小,另一边相应变大,这时盾 尾尾刷密封效果降低,在注浆压力作用下,水 泥浆很容易渗漏出来,破环盾尾的密封效果。
管片选型培训讲义

上式表明,在800m的圆曲线上,每隔5.067m要用一环转弯环。以此类推, 可以算出R为其他数值的拼装关系,结合线路就可以将管片大致排列出来。
1500mm
δ =19mm
γ
1.2 管片选型要适应盾构机姿态 管片是在盾尾内拼装,所以不可避免地受到盾构机姿态的约 制。管片平面应尽量垂直于盾构机轴线,也就是盾构机的推进油 缸能垂直地推在管片上,这样可以使管片受力均匀,掘进时不会 产生管片破损。同时也兼顾管片与盾尾之间地间隙,避免盾构机 与管片发生碰撞而损坏管片。在实际掘进过程中,盾构机因为地 质不均、推力不均等原因,经常要偏离隧道设计线路。所以当盾 构机偏离设计线路或进行纠偏时,都要十分注意管片选型,避免 发生重大事故。
由上可以看出,盾构机的轴线相对于管片平面向左上方倾斜。在对这环
管片进行选型的时候,就应选择一环左转弯环且还要有向上的偏移量。此环
应选择左转弯环在1点拼装。拼装完管片后掘进之前油缸行程的初始数据理论 为:A组(上):454mm B组(右):465mm C组(下):453m D组(左 ):450mm。这样左右与上下的油缸行程差值基本控制在20mm之内,有利 于盾构掘进及保护管片不受破坏。
选管片的规律如下图:
点位 1点 2点 1点 × √ 2点 √ × 3点 × √ 4点 √ × 5点 × √ 7点 √ × 8点 × √ 9点 √ × 10点 × √ 11点 √ ×
3点
4点 5点 7点 8点 9点
×
√ × √ × √
√
× √ × √ ×
×
√ × √ × √
√
× √ × √ ×
×
√ × √ × √
左转弯管片
FZ
FZ
L1Z
6
地铁盾构隧道管片选型与拼装

地铁盾构隧道管片选型与拼装发表时间:2019-03-26T13:10:28.017Z 来源:《建筑细部》2018年第18期作者:杨文超[导读] 在盾构施工中因管片的选型和拼装不当而引起成型隧道管片破损及漏水现象是个普遍现象,结合西安六号线丈八六路站~丈八四路站区间右线的管片选型和拼装质量为研究对象,总结在施工过程中的经验说明了管片选型的原则,从管片不同拼装点位等方面叙述了施工中管片拼装要求。
杨文超中铁六局集团有限公司交通工程分公司北京丰台 100070摘要:在盾构施工中因管片的选型和拼装不当而引起成型隧道管片破损及漏水现象是个普遍现象,结合西安六号线丈八六路站~丈八四路站区间右线的管片选型和拼装质量为研究对象,总结在施工过程中的经验说明了管片选型的原则,从管片不同拼装点位等方面叙述了施工中管片拼装要求。
关键词:盾构机、管片、盾尾间隙、盾构机姿态、油缸行程差1工程概况西安地铁六号线一期TJSG-7标丈八六路站~丈八四路站区间采用盾构法施工,右线区间长度1138.4m,最小曲线半径R=2000m。
区间隧道底部埋深介于17.14-24.52m之间。
隧道从丈八四路站西端以线间距14.0m坡度2‰出站后,以25‰的坡度下行,继续以14‰的坡度下行至区间最低点。
然后以20‰的坡度上行,最终以2‰的坡度进入丈八六路站。
2管片设计2.1本区间隧道管片采用C50P12预制钢筋混凝土管片,管片设计具体参数见下表:3管片选型的影响因素管片作为成型隧道衬砌、是隧道永久支护的一部分,会受到来自土层、地下水压力等特殊外力,如管片选型不当,会引起管片错台、开裂、隧道渗水,所以管片的选型至关重要。
选取管片主要需要考虑3方面的因素:(1)盾尾间隙;(2)推进油缸行程差;(3)铰接油缸行程差。
3.1管片选型首先要考虑盾尾间隙对管片选型的影响本工程采用小松TM614PMX-12号盾构机盾尾外径为6140mm、壁厚为40mm的圆柱形钢结构,管片的外径为6000mm。
盾构隧道管片选型及拼装论述 陈永志

盾构隧道管片选型及拼装论述陈永志摘要:目前盾构施工已遍及国内各省,盾构施工已成为一个巨大的市场。
盾构施工过程中盾构管片的选型配置及拼装直接影响到成型隧道质量的好坏,在盾构施工过程中需把控好前期管片排版选型、盾构负环拼装基准环的安装精度、推进过程科学理论结合盾构姿态进行盾构管片合理化选型拼装,各因素有机集合施工才能铸造精品工程,以南宁地铁泥水盾构施工为列对管片选型及拼装进行详解。
关键词:楔形量;曲线段转弯环数量;基准环;油缸行程;盾构间隙1、工程概况创业路站~安吉客运站区间右线长1323.221m,线间距为14~18.7m,覆土11.4~27.7m。
在平面上,区间出创业路站后沿振兴路直线向东,并经R=2000和R=1200的圆曲线后直线进入安吉客运站;在纵断面上,区间右线由南向北分别通过YCK2+310.796~YCK2+360为2‰下坡(49.204m)、YCK2+360~YCK2+850为28‰下坡(490m)、YCK2+850~YCK3+100为13.372‰下坡(250m)、YCK2+100~YCK3+580为26.6‰上坡(480m)、YCK3+580~YCK3+634.017为2‰上坡(54.017m)进入安吉客运站,区间隧道设计为“V”形坡。
管片采用3A+1B+1C+1K的分块方式,即每环管片分6个单元,3个标准块,2个邻接块和1个封顶块组成,管片间设橡胶止水带,衬砌环间采用错缝拼装。
管片分为两种,即标准环和转弯环,左、右转弯环为满足区间曲线施工和隧道纠偏时利用,标准环与转弯环配合使用就可以拼装各种线性的隧道。
管片的型号分为标准环(P)、左弯环(L)和右弯环(R),转弯环为单面楔形环,楔形量为38mm。
2、盾构管片选型管片选型的原则有两个,第一:管片选型要适合隧道设计线路;第二:管片选型要适应盾构机的掘进姿态。
这两者相辅相成,通过正确的管片选型和选择正确的拼装点位,将隧道的实际线路调整在设计线路的允许公差±50mm内[1]。
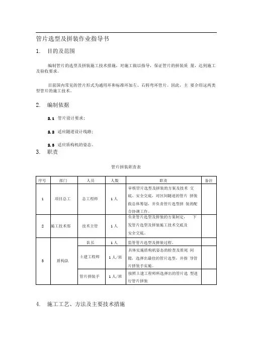
管片选型及拼装作业指导书

管片选型及拼装作业指导书
1.目的及范围
编制管片的选型及拼装施工技术措施,对施工做以指导,保证管片的拼装质量,达到施工及验收要求。
目前国内常见的管片形式为通用环和标准环加左、右转弯环管片。
因此,主要介绍这两类型管片的施工技术。
2.编制依据
2.1管片设计要求;
2.2适应隧道设计线路;
2.3适应盾构机的姿态。
3.职责
管片拼装职责表
4.施工工艺、方法及主要技术措施
4.1施工工艺及流程
图4.1-1管片安装工艺流程图
4.2施工方法
管片的形式为平板型单层管片衬砌,衬砌环纵、环缝均采用弯螺栓连接, 通过合理的管片选型使管片错缝拼装。
4.2.1管片的拼装点位 4.2.1.1通用性管片
管片为双面楔形通用管片,衬砌环纵采用12根弯螺栓连接,环缝采用16 根弯螺栓连接。
根据管片环向16个螺栓孔,将管片按照钟表的方向平均分为16个点位, 通过管片的选型,以达到错缝拼装的要求。
表421-1 管片拼装点位表。
管片拼装选点技巧口诀
管片拼装选点技巧口诀
以下是 7 条管片拼装选点技巧口诀:
1. 先看形状对不对,就像拼图别乱配。
比如这一块管片,明显和旁边不搭,那可不行哦!
2. 连接之处要紧密,岂能留缝让人急。
你想想,如果连接不紧密,那不是会出问题嘛!
3. 角度一定得找准,歪了可就糟糕了。
好比射击要瞄得准,这里角度不能瞎搞呀!
4. 中心位置别忘掉,稳定基础很重要。
这就如同房子的根基,中心不抓好怎么行呢!
5. 周边情况多看看,兼顾全局才不乱。
不把周边都留意到,那不就像闭着眼走路嘛!
6. 耐心细致不能少,匆匆忙忙易出错。
做事可不能毛躁啊,得慢慢仔细着来!
7. 经验积累要记牢,越拼越顺有妙招。
就像游戏越玩越厉害,经验多了自然就厉害啦!
我的观点结论就是,管片拼装选点可是个技术活,掌握好了这些技巧口诀,绝对能让工作事半功倍!。
管片拼装质量控制技术经验
精心整理成都地铁四号线二期土建五标管片拼装质量控制技术一、工程概况及管片简介二、管片拼装施工流程(1(2(3(1(2(3(4五、管片拼装常见问题分析(1)管片错台(2)管片破损(3)管片上浮(4)管片渗漏水一、工程概况及管片简介1、工程概况站东段~8.840m16‰((里程宽采用C50、3通过与标准环的组合来达到满足曲线地段线路拟合及施工纠偏的需要。
楔形环楔形量38mm,为双面楔形式,衬砌环纵、环缝采用弯螺栓连接,其中1.5m幅宽的管片纵缝间采用12根M27螺栓连接成环,相邻环缝间采用10根M27螺栓连接。
A型配筋管片螺栓机械性能等级为5.6级,螺母级别为6级,垫圈机械性能等级为Hv=140,其它配筋型式管片螺栓机械性能等级为8.8级,螺母级别为8级,垫圈机械性能等级为Hv=200。
2、管片简介在国内城市地铁隧道工程中,目前已越来越多的开始使用盾构机来掘进区间隧道,用预制混凝土管片作为永久衬砌。
管片通常由专业的厂家提前制作,按其功能又通常分为两种,即标准环和转弯环。
顾名思义,标准环是用于直线段,转弯环是用于曲线段。
标准环与转弯环配合使用就可以拼装各种线性的隧道。
管片选型直接2.110根横向、122.2、管片标准环与转弯环的区别标准环与转弯环的不同之处在于从拼装好的一环管片看。
标准环在平面上的投影为长方形,转弯环在平面上的投影为等腰梯形。
梯形的长边长度为1519mm,短边长度为1481mm。
在管片拼装时,如果正在安装的管片为转弯环,且封顶块位置处于隧道正上方,这时隧道腰部两侧会产生衬砌长度的不同。
这种长度的不同我们称之为超前,它的数值称之为超前量。
转弯环分为左转环和右转环,以封顶块都拼装在正上方为例。
左转环的正右方的超前量最大,右转环反之。
转弯环几何尺寸特性二、管片拼装与施工流程11.11.2然后拼1.3开挖面将不稳定,管片拼装空间也将难以保证。
因此,随管片拼装顺序分别缩收和顶上盾构千斤顶非常重要。
盾构隧道管片拼装施工选型与排版总结
盾构隧道管片拼装施工选型与排版总结区间盾构结构为预制钢筋混凝土环形管片,外径6200mm内径5500mm 厚度350mm宽度1200mm在盾构施工开工前,应对管片进行预排版,确定管片类型数量.1) 隧道衬砌环类型为满足盾构隧道在曲线上偏转及蛇形纠偏的需要,应设计楔形衬砌环,目前国际上通畅采用的衬砌环类型有三种:①直线衬砌环与楔形衬砌环的组合;②通用型管片;③左、右楔形衬砌环之间相互组合。
国内一般采用第③种,项目隧道采用该衬砌环。
直线衬砌环与楔形衬砌环组合排版优缺点:优点一简化施工控制,减少管片选型工作量;缺点一需要做好管片生产计划,增加钢模数量。
盾构推进时,依据预排版及当前施工误差,确定下一环衬砌类型。
由于采用衬砌环类型不完全确定性,所以给管片供应带来一定难度。
2) 管片预排版1、转弯环设计区间转弯靠楔形环完成,分三种:标准换、右转弯环、左转弯环。
即管片环向宽度六块不是同一量,曲线外侧宽,内侧窄。
管片楔形量确定主要因素有三个:①线路的曲线半径;②管片宽度;③标准环数与楔形环数之比u值。
还有一个可供参考的因素:楔形量管模的使用地域。
楔形量理论公式如下:△ =D( m+n B/nR(D-管片外径,m:n-标准环与楔形环比值,B-环宽,R-拟合圆曲线半径)本次南门路到团结桥楔形环设计为双面楔形,楔形量对称设置于楔形环的两侧环面。
按最小水平曲线半径R=300m计算,楔形量^=37.2mm 楔形角P =0.334 °。
值得注意的是转弯环设计时,环宽最大和最小处是固定的,左转弯以K块在1点位设计,右转弯以K块在11点位设计,即在使用转弯环时,要考虑错缝拼装和管片位置要求。
2、圆曲线预排版设需拟合圆曲线半径为450m南门路到团结桥区间曲线半径值),拟合轴线弧长270m需用总楔形量计算如下:P 二L/R=0.6△总=(R+D/2) P - (R-D/2) P =3720mm由△总计算出需用楔形环数量:n1= △总/ △=100标准环数量为:n2= (L-n 1*B ) /B=125标准环和楔形环的比值为:u=n2: n1=5:4即在R=450圆曲线上,标准环和楔形环比例为5:4,根据曲线弧长计算管片数量,确定出各类型管片具体数量,出现小数点时标准环数量减1,转弯环加1。
管片选型与管片安装技术
依据: 1、线路参数 2、盾构机的姿态与油缸行程 3、盾尾间隙
海瑞克盾构机的管片选型
线路轴线是已知的,确保管片走向符合线路走向,即使得管片轴线 与线路轴线。 如何计算管片轴线方向,需要: 1、盾构机的轴线方向(由盾构机自动测量系统换算得来) 2、油缸行程差。
1、管片分类 按材质分:钢管片、铸铁管片、钢筋混凝土管片 按管片适应的线性分类:普通楔形管片、通用管片 按连接方式分类:螺栓连接和榫槽连接
2、管片选型 是根据线路走向,通过管片型号和拼装位置的选择,以达到符 合隧道线路的管片组合。
3、管片安装 将已选好的管片按照设定的点位组装起来,形成一个整体的管 环,主要由盾构机管片拼装机实施。 4、管片选型与安装的重要性 管片选型正确与否、安装是否规范直接关系到盾构隧道是否会 发生错台。并导致渗漏水、管片破损等伴生现象。
管片长度 管片厚度 管片外径
1200mm 300mm 6200mm
管片内径 盾尾内径 转弯环截面
5500mm 6290mm 等腰梯形
转弯环楔形量
37mm
盾尾间隙
45mm
上式表明,在800m的圆曲线上,每隔4.912m要用一环转弯环 ,管片宽度按1.2m计算,即在800m的圆曲线上,标准环与转弯 环的拼装关系为3环标准环+1环转弯环。
知道盾构机与设计轴线的夹角、管片与盾构机的夹角,则可计算出 管片与设计轴线夹角。 管片与设计轴线水平夹角α2 = α1 + α 管片与设计轴线垂直夹角Ө2 = Ө1 +Ө 管片选型就是要通过选择管片的型号和点位来使管片与设计轴线水平夹 角α2 、管片与设计轴线垂直夹角Ө2 向零靠近。
- 1、下载文档前请自行甄别文档内容的完整性,平台不提供额外的编辑、内容补充、找答案等附加服务。
- 2、"仅部分预览"的文档,不可在线预览部分如存在完整性等问题,可反馈申请退款(可完整预览的文档不适用该条件!)。
- 3、如文档侵犯您的权益,请联系客服反馈,我们会尽快为您处理(人工客服工作时间:9:00-18:30)。
管片选型与拼装
昆明地铁晓东村至世纪城站区间,沿途经过华洋五金机电城,雨龙村等,城中建筑多为二至七层结构。
我们在管片拼装时主要面临着350m小半径的难题,在管片选型我们要时刻注意油缸的行程与盾尾间隙,在推进的过程中还要考虑转弯对管片的损害。
在这个区间我们的管片采用的时候通用型管片,所以我们在管片选型时可以不用考虑选用左弯环、右弯环或者是通用环。
每一环共有6块管片,分别为B1\B2\B3\L1\L2\K块,管片的最小楔形量为零,最大楔形量为37.2mm。
盾构机共有16组油缸,其中K块由一个油缸顶着,其余每块由三组油缸顶着。
在盾构机推进的过程中盾体接着管片的反作用力前进。
所以管片的拼装决定着盾构机的姿态以及盾构机的走向。
管片是在尾盾进行拼装,所以在盾构机推进时,不合理的拼装会与尾盾有摩擦,有肯能将管片损坏。
所以在拼装管片时,管片应该尽量垂直于盾构机轴线,使盾构机的推进油缸的撑靴能垂直贴在管片上,这样可以使管片受力均匀,掘进时不会事管片破损。
同时也要兼顾管片与盾尾的间隙,使其控制在55mm,这样的缘由有以下两点:第一、盾尾间隙过大,在同步注浆时由于注浆的压力在3bar左右,浆液容易将盾尾脂冲破,造成漏浆,空隙填充不饱满,地面一起沉降;第二、盾尾间隙过小,盾尾上的盾尾刷紧贴管片,在推进过程中,盾尾刷在前进,容易将盾尾刷刮坏,造成漏浆,或者将管片损坏,在盾尾托出管片时地下水从管片破损处流进,后果不堪设想。
盾构机在推进时应该尽量根据设计路线进行掘进,避免产生不必要的偏差。
在实际掘进过程中,盾构机因为地质不均,推理不均等原因,盾构机的姿态经常会偏离隧道的设计路线,当盾构机在偏离设计路线进行纠偏时,要特别注意管片型号的选择,避免因为盾尾间隙过小造成管片的破损。
如果盾构机偏离设计路线时,在纠偏的过程中不要过急,为了保证盾尾密封,盾尾钢丝刷密封工作的良好,同时也为了保证管片的不受损坏,纠偏过程不应该有太大的调整,一环的纠偏值应该控制在8mm内,否则管
片的便宜量跟不上盾构机的纠偏量,盾尾会挤坏管片。
盾构机在推进的时,由于隧道的转弯,盾构机姿态等原因推进油缸伸出不等,盾尾间隙不等,我们在拼装管片时要调整油缸行程与盾尾间隙。
在盾构机抬头时,尾盾的趋向是向上的,盾构机上面的间隙变大,下面的间隙变小,相反在盾构机下潜时,上面的间隙变小,下面的间隙变大,在拼装时我们要将楔形量大的拼装在间隙小的点位,楔形量小的拼装在间隙大的位置。
我们在拼装管片时经常会说到拼装点位,所谓的拼装点位是指在拼装时封顶块锁在的位置,也就是我们前面说的K块的位置,在昆明地铁每一环管片有16个环向螺栓,12个纵向螺栓连接,拼装时由拼装机调整位置,使螺栓能轻松穿过螺栓孔,之后人工是棘轮扳手或者风炮打紧,在推进一环后再重新复紧一次。
点位顺时针平均分布在盾尾上,每两个点位之间的角度为22.5°,最上方为16点,最下方为8点。
由于是错缝拼装,每一环有5个点位可以供选择,例如上环拼装点位为16点,下一环可以提供选择的点位为2、5、8、11、14点,也就是说上环拼装为N点,这环可以选择N+2\N+5\N+8\N+11\N+14五个点位。
根据油缸行程选择拼装点位:盾构机是依靠推进油缸推在管片上锁产生的反力向前推进的,推进油缸按上下左右四个方向分成四组。
而每一个掘进循环,这四组油缸的行程的差值反应可盾构机与管片平面之间的空间关系,可以看出下一掘进循环盾尾间隙的变化趋势。
当管片端面不垂直于盾构机轴线时,各种推进油缸的推力就会在管片环的径向产生较大的分力,从而影响已拼装好的隧道管片以及掘进姿态。
在选择点位时我们选择1点,左右行程调节37.2mm,拼装5点时上下行程调节37.2mm。
昆明地铁的两台海瑞克盾构机有16组油缸,中盾和尾盾采用14组铰接油缸进行连接,在主控室内可以之间观测到上下左右四组油缸和铰接油缸的伸长量,当交接油缸差值比较小时我们可以直接比较油缸的行程进行选择点位,当差值比较大时,盾构机的中盾与尾盾产生一个角度,这时应该将上下或者左右的推进油缸行程值减去上下或者左右的铰接油缸行程的差值,作为最
后管片选点的依据。
根据盾尾间隙选择管片及拼装点位:尾盾的外径为6390mm,内径为6310mm,管片的外径为6200mm,因此标准的盾尾间隙为55mm。
盾尾间隙是管片选择的重要依据,间隙过小,则盾构机在推进过程中盾尾会与管片发生干扰。
轻则增加盾构机向前推进的阻力,降低掘进速度,重则盾尾将管片损坏,造成隧道渗漏水或地面沉降。
管片与盾尾通过钢丝刷密封,当吨位间隙小于30mm时,盾尾拖动时管片与钢丝刷密封会发生干扰。
因此在拼装管片之前必须对上一环管片的上下左右四个位置盾尾间隙进行测量。
如果盾尾间隙过小,就用此点楔形量最大的点位进行拼装。
这样此处的盾尾间隙将变大,对应此处的盾尾间隙将变小。
连续拼装二至三环,就会将盾尾间隙调至标准状态。
由于我们用的是通用环管片,在拼装时注意点位的选择,来实现盾构隧道的调向和纠偏,是隧道实际线路满足平曲线和竖曲线的要求,使隧道实际施工线路控制在设计线路的允许误差内。