多联空调机招标文件附件01-1(产品技术要求)
招标文件评分标准

货物需求一览表及技术规格书1.工程内容本次招标为一个完整的空调系统设备及相关服务项目,要求投标人根据业主的使用要求、设计院的图纸和项目现场的情况,充分理解业主对变冷媒流量多机联空调系统各组成部份的要求。
各投标人根据本招标文件的要求,结合所投变冷媒流量多机联空调系统产品的特点确定投标技术方案,提供符合业主需求的最优方案。
1.1本工程概况:1.2采用变冷媒流量多联空调机组作为冷热源。
2.招标内容:变冷媒流量多联空调机组,系统设备供货、安装、调试、测试、试运行、交验及其售后服务。
3.空调系统配置详见附件说明:(1)本次招标的变频多联机部份室内机的数量,如设备清单与设计图纸不符时,以图纸标明的数量为准。
室外机的选配原则:按原设计图纸,制冷量响应设计要求,投标的多联机产品必须为同品牌、同系列产品,各投标人必须以各自投标品牌的最高端机型进行投标。
室内机单台制冷量不小于原设计要求,室外机总制冷量不小于原设计要求。
全新风分体风管空调器和全热交换器为国际或者国内合资、独资品牌,空调系统设备以主要设备表为准。
(2)本表中的主要技术参数仅起参考作用,投标人可选用其他产品替代,但这些替代的产品要实质上相当或者优于参考产品的技术性能。
(3)本次招标文件所附图纸中,标注了一些设备的型号规格,仅是作为设计单位,在设计选型及制图时的参考,并非已确定选用此种设备,投标人所投设备不受此限制。
(4)投标人选用其他产品替代的,应以详细的品牌型号填写报价明细表和技术规格偏离表。
4.使用环境4.1电源:380V/220V (±5%),50HZ4.2温度:-15℃~+45℃4.3湿度:≤95°RH5.设计参数5.1室外气象参数:详见施工图5.2室内设计参数:详见施工图6.主要技术标准6.1机械制冷ANSIB9.1 安全规范6.2国家防火协会标准90A6.3电器应符合国际电工IEC 规范6.4《采暖通风与空气调节规范》GB50019—20036.5《建造给排水及采暖工程施工质量验收规范》GB50242—20026.6《通风与空调工程施工及验收规范》GB50243—20026.7《机械设备安装工程施工及验收规范》TJ2316.8《采暖与卫生工程施工及验收规范》GBJ2426.9《工业管道工程施工及验收规范》GBJ2356.10《现场设备、工业管道焊接工程施工及验收规范》GBJ2366.11《工业设备及管道绝热工程施工及验收规范》GB126 —896.12《制冷设备通用技术规范》GB237—886.13轻工业部商用家用空调标准6.14其他必需遵循的规范和标准7.技术要求(打*号为必须满足,不能满足作为废标处理)7.1变冷媒流量多联空调机选用范围和要求7.1.1范围:*采用变频技术,涡旋直流变速压缩机、直流风扇机电,主机输出容量调节方式为通过直流变速方式改变压缩机转速从而达到改变容量输出。
(招标投标)丽水职业技术学院多联式中央空调招标内容和要求一概述丽水

丽水职业技术学院多联式中央空调招标内容和要求一、概述1、丽水职业技术学院图书综合楼建筑总面积15200平方米,本综合楼地下一层、地上九层。
本次招标只设一个标段,投标供应商必须对全部招标内容进行投标,不允许只对其中部分内容进行投标。
2、本次招标内容中的设备清单只是为我院图书综合楼设计者所设计的暖通方案,其中房间面积是指地面面积,有个别会议室等房间空间比较大,制冷量的配置要合理,投标供应商要以现场勘察为准,采购单位提供暖通图纸.但所投设备的室内机与室外机配比不大于1.15:1,室内机冷量须≥98%招标文件要求的冷量.投标方投标时应提供以下各房间的室内外机的配置数据及有关制冷量的核定.3、投标方应根据采购方提供的房间数量及面积选择最优化的配置方案和具有最佳性能价格比的设备前来投标。
希望投标方以精良的设备、优良的服务和优惠的价格,充分显示自身的竞争实力。
4、本次招标采购内容为该工程的核心内容,必须确保各系统安全无故障运行。
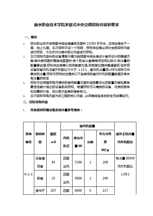
二、招标采购内容1、所有房间所需设备及制冷量参考清单:2、全热交换新风换气机数量与参数3、空调控制系统一套.三、主要技术规格和要求1. 空调系统一般要求1.1 系统设置制冷、制热、除湿、通风模式,冷媒采用R410a。
1.2 机组配备数码涡旋式压缩机或变频涡旋压缩机1.3 压缩机具有内置式停电瞬间启动自动保护装置。
1.4 通过使用变流量式压缩机和电子膨胀阀控制冷媒流量,达到最佳节能制冷工作状态。
1.5 信号双芯线电缆传输,自动电缆错误检测。
1.6 管道穿墙、楼板处需设钢套管。
管道与套管之间的空隙用相同的保温材料填充。
保温材料选用优质橡塑保温材料。
1.7 室内机须配备有线遥控器。
1.8 室外机组配置换热面积可调的热交换器。
1.9 系统具备计算机自动故障检测功能及检测接口和自动保护装置。
1.10 室外主机与室内机配管长度及高低差需满足招标文件及设计要求。
1.11 系统投入运行使用过程中,在容量允许的情况下,可扩展增加室内机组。
多联空调招标文件【模板】

XX市第一人民医院院内公开招标文件项目编号:HQB-HW-********项目名称:多联空调采供部编制2020年4月9日目录第一部分投标邀请函第二部分采购项目内容第三部分投标人须知第四部分合同书格式第五部分投标文件格式第一部分投标邀请函各(潜在)供应商:XX市第一人民医院多联空调将进行院内公开招标采购,欢迎符合资格条件的供应商投标。
一、项目编号:HQB-HW-********二、项目名称:多联空调四、拟参加投标的供应商应当在2020年4月9日起至2020年4月15日(上午08:00-12:00,下午14:30-17:30,法定节假日除外)到XX市第一人民医院采供部报名,招标文件请自行在官网招标公告中下载。
同一品牌的产品可有多家投标人参与竞争,但只作为一个投标人计算,具体详见评标确定。
五、投标截止时间:2020年4月17日8时45分(北京时间)六、投标文件送达地点:XX市惠XX区江北三新南路20号XX市第一人民医院综合楼二楼会议室。
七、开标评标时间:2020年4月17日8时50分(北京时间)八、开标评标地点:XX市惠XX区江北三新南路20号XX市第一人民医院综合楼二楼会议室。
采购人:XX市第一人民医院联系人:XXX 电话:********联系地址:XXXX号邮编:******XX市第一人民医院2020年4月9日第二部分采购项目内容一、供应商资格1、响应供应商应在中国境内注册,在法律上、财务上独立,合法运作并独立于采购人的法人或负责人;2、响应供应商应具有独立承担民事责任的能力;3、响应供应商应具有良好的商业信誉;4、响应供应商应具有履行合同所必需的设备和专业技术能力;5、响应供应商在近三年的经营活动中没有重大违法违规记录,以国家企业信用信息公示系统/信用中国/中国政府采购网查询结果及我院黑名单记录为准;6、以上项目均不接受联合体参加投标,不允许响应供应商对各招标项目进行分包或转包;投标人必须满足以上资格要求,如出现对任意一条不满足的,评审小组有权决定是否投标有效。
多联式空调机组招标文件

一、招标公告根据我国相关法律法规,经批准,我单位决定对多联式空调机组进行公开招标。
现将有关事项公告如下:一、招标项目名称:多联式空调机组采购项目二、招标项目编号:XXXX-XXXX三、招标内容:多联式空调机组采购四、招标范围:包括但不限于空调机组的设计、生产、检测、运输、安装、调试及售后服务等。
五、招标方式:公开招标六、招标文件发售时间:自本公告发布之日起至2023年X月X日七、招标文件发售地点:XX市XX区XX路XX号八、招标文件发售价格:人民币XX元/套九、投标截止时间:2023年X月X日十、开标时间:2023年X月X日十一、开标地点:XX市XX区XX路XX号十二、招标人:XX单位十三、联系人:XX十四、联系电话:XX十五、电子邮箱:XX二、投标人资格要求1. 具有独立法人资格,具备有效的营业执照、税务登记证、组织机构代码证等合法证件。
2. 具有良好的商业信誉和健全的财务会计制度。
3. 具有良好的履约能力,无不良记录。
4. 具有ISO9001质量管理体系认证。
5. 具有空调机组生产、销售、安装、维修等相关资质。
6. 具有类似项目的成功案例。
三、招标文件内容1. 投标须知2. 招标文件3. 投标书4. 投标保证金5. 投标承诺书6. 投标文件格式要求四、投标文件要求1. 投标文件应包括以下内容:(1)投标函(2)法定代表人身份证明或授权委托书(3)营业执照副本、税务登记证、组织机构代码证等合法证件复印件(4)ISO9001质量管理体系认证证书复印件(5)类似项目成功案例复印件(6)产品技术参数、质量标准、价格及售后服务承诺(7)投标保证金缴纳凭证(8)其他需要提供的材料2. 投标文件应按照招标文件要求装订成册,并注明封面、目录、页码。
3. 投标文件应使用A4纸张,双面打印,字迹清晰。
4. 投标文件应密封,并在封口处加盖公章。
五、评标办法1. 本项目采用综合评分法进行评标。
2. 评标委员会根据投标文件内容、企业实力、项目经验、价格等因素进行综合评分。
多联机空调设备及安装招标文件空调发

多联机空调设备及安装招标文件空调发Document number:BGCG-0857-BTDO-0089-2022大丰港保税物流中心(B型)综合办公楼空调采购项目公开招标采购文件项目名称:大丰港保税物流中心(B型)综合办公楼空调采购项目招标采购单位:江苏大丰港保税物流中心管理有限公司招标代理(服务)机构:盐城建友工程项目管理有限公司二〇一六年六月招标文件备案表目录第一章招标公告第二章招标需求第三章投标人须知第四章评标办法第五章合同主要条款第六章投标文件格式四、投标人资格要求(1)投标申请人须在中国境内注册,具有独立法人资格,具有独立订立合同的能力,具备上述主要产品经营资格及安装能力制造厂商或代理商,近三年内没有严重违约和重大质量问题,未处于被责令停业、财产被接管、冻结、破产等状态;(2)投标申请人应当满足《政府采购法》第22条之规定的各项条件;(3)本次招标不接受联合体投标。
五、报名及招标文件的获取1、各潜在投标人(供应商)采用网上方式报名及下载招标文件,具体步骤如下:(1)各潜在投标人(供应商)下载采购类项目网上报名操作指南(网站主页下载);(2)各潜在投标人(供应商)根据网上报名操作指南进行操作,仔细阅读采购类项目网上报名操作指南,认真掌握操作方法(请牢记登录名和密码),确保信息准确无误,如填报错误,后果由投标单位自行承担;(3)各潜在投标人(供应商)在交纳招标文件工本费后,报名视为成功。
若未交纳招标文件工本费,视为未报名。
(4)报名技术咨询电话:刘文辉 0515—、或咨询本项目的招标代理联系人。
2、请各投标申请人于2016年 7 月 14 日至2016年 7 月 20 日进行网上报名及下载招标文件,如在规定时间内未下载招标文件,由此引起的责任自负。
六、投标保证金本项目投标保证金人民币壹万元(¥元),必须从基本帐户在开标前汇至盐城市大丰区招标采购交易中心的投标保证金专用帐户;具体要求详见本公告“投标保证金交纳帐户信息”。
多联机空调系统采购及安装项目招标文件

*****商业金融兼容商务办公用房(*****“*****大厦”项目)多联机空调系统采购及安装项目招标文件招标单位:*****股份有限公司招标时间:2016年月日目录第一章投标人须知前附表 (3)第二章投标人须知5第三章合同条款14第四章货物需求一览表、技术规格及要求15第五章附件34投标文件311.投标书322.开标一览表333.投标分项报价表384.货物说明一览表355.技术规格响应表386.商务条款响应表397.技术文件408.资格证明文件419.招标文件规定或投标人认为应提供的其它材料50第一章投标人须知前附表(本表是对投标人须知的补充和修改,如有矛盾的均以本表为准)第二章投标人须知一、总则1、适用范围:本招标文件仅适用于本次招标中所述工程货物采购、安装、调试和有关服务。
2、定义2.1“招标人”系指提出招标项目的法人或其他组织。
2.2“投标人”系指向招标人提交投标文件的设备制造商或代理商。
2.3“货物”系指卖方按招标文件规定,须向买方提供的一切设备、机械、仪器仪表、备品备件、工具、材料、物资、手册及其它有关技术资料。
2.4“服务”系指招标文件规定卖方须承担的装卸、现场保管、现场搬运(含二次搬运)、指导安装、调试、技术协助、校准、培训、保修以及其他类似的义务。
3、资金来源:所需设备的采购资金已落实,资金来源为自筹。
4、合格的投标人4.1满足投标人须知前附表10条要求的投标人。
5、投标费用:投标人应承担所有与编写和提交投标文件有关的费用,不论投标的结果如何,“投标须知前附表”中所述的招标人在任何情况下均无义务和责任承担这些费用。
6、投标人代表:指全权代表投标人参加投标活动并签署投标文件的人。
如果投标人代表不是法人代表,须持有《法定代表人授权书》(格式详见附件)。
7、踏勘答疑:见投标人须知前附表。
8、投标优化设计方案使用权8.1投标人在对原设计方案进行优化时,投标人应保证招标人不受到第三方关于侵犯设计使用权的指控,任何第三方如果提出侵权指控,投标人应与第三方交涉并承担可能发生的一切法律责任以及造成的后果和费用,并赔偿招标人的损失。
多联空调机招标文件附件01-2(空调系统安装工程技术要求-通用)
多联空调系统安装工程通用技术要求ﻬ多联空调系统安装工程技术要求1. 招标内容及施工界面划分:多联机空调分包的工作内容及其与各承包单位之间的工作分界如下:1.1多联机空调分包工作内容:多联机空调分包负责完成全部多联机空调系统分包工程,包含但不限于以下工作内容:(1)多联机空调设备(含空调室内机、室外机及线控器)的采购(根据项目情况选择是否单独签订)、现场保管、二次搬运,根据图纸要求进行空调系统安装、调试及成品保护。
(2)多联机空调室内机与室外机之间冷媒铜管道的供货、安装,空调室内机至冷凝水立管的冷凝水管的供货、安装。
(3)空调室内机连接风管、风口保温软接头的制作及安装.(4)空调设备及空调管道的支架、防腐、保温、防结露工作。
(5)空调室外机和室内机的电源线接驳,室内机含电源线和包塑金属软管供应,室外机紧负责接线。
(6)室内、外机的控制线缆(温控线及联机线)敷设及液晶控制面板安装调试(含线缆、包塑金属软管和液晶控制面板的供应)。
(7)空调外机的导流风管制作、安装。
1.2与总包的工作分界:(1)总包完成全部与多联机空调工程有关的土建配套工作。
(2)总包负责多联机空调系统结构预留、预埋工作。
1.3与机电分包(如机电工程由总包施工则以下各条中“机电分包”均替换为“总包”)的工作分界:(1)机电分包负责完成全部多联机空调系统的电气管路(含控制线管,不含盒盖、软管部分),并完成带丝。
(2)多联机空调室内机的电源分界点是按照施工图纸安装的预埋底盒,该底盒(含)以上的机电工作(含电源线预留200mm接线长度)由机电分包完成,该底盒盖板(含)以下的机电工作由多联机空调分包完成,盒内接线由多联机空调分包完成。
(3)多联机空调室外机的电源分界点是空调外机的接线端子,接线端子以上的全部电气工作由机电分包完成,外机电源线与接线端子的压接由多联机空调分包完成。
(4)多联机空调冷凝管排至建筑外墙外的,冷凝管安装的分界点是外墙冷凝立管的三通甩口,机电分包负责完成冷凝水立管安装工作并将各户内空调冷凝水接驳用的三通甩口做至户内吊顶上方距外墙内皮100毫米处,多联机空调分包负责将户内冷凝水管插入三通甩口,并完成封堵。
多联空调机招标文件附件01-1(产品技术要求)
多联空调机产品技术标准一、应符合国家标准和相关行业标准及产品使用地区的相关规定,并需符合企业的产品标准:二、通用技术要求:投标产品需满足下列技术要求,如专项类型建筑空调技术要求标准高于通用技术要求或与通用技术要求分歧,以项目技术要求为准。
1、满足以下工作环境条件要求:●环境温度:-15℃~+50℃●相对湿度:最湿月平均最高相对湿度不超过90%;●海拔高度:不超过2000米●电源电压变化范围220V或380V偏差+10%~-10%2、系统技术要求:2.1所有设备必须是原产地通过ISO9000 、ISO14000质量体系认证的生产厂家制造的全新的产品,提供产品生产许可证。
2.2供国家相关机构出具的产品CCC认证、节能证书等,以证明所提供的产品符合国家相关标准。
2.3空调温度控制精度:室内温度控制在设定温度的±0.5℃之间2.4冷媒选用R410A等环保冷媒。
2.5所有室内机均采用低运转静音设计,室内机噪音不大于40dB(A)。
2.6压缩机采用全封闭式压缩机。
通过变频或数码技术实现冷媒流量调节。
压缩机需要带减震装置,维修方便。
在运行中,有良好的润滑保障。
2.7保证室外环境温度为-15℃时也能进行热泵运转,且除霜停机时间与制热时间比值不大于15%。
2.8布线系统简单,具有自动地址设定功能、接线连接错误检测功能。
2.9室外机噪音不大于62dB(A)。
室外机需具有静音运行模式,并提供夜间静音运行时的机组噪音值。
2.10室外机应根据室内机的开启情况调节冷媒输出流量,同时,室外机中的所有压缩机具有均等启动以及快速更换的功能。
2.11系统具有冷媒回收控制。
2.12系统安装简便,配管连接及机组安装简便,易于检修操作,安装成本低。
2.13系统具有故障信息储存功能。
2.14机组能效比高,为节能产品。
在满负荷和部分负荷时均具有高的COP值,正常制冷工况运行状态下COP值不低于3.0。
2.15空调系统可靠性高,具有较大的室内外机容量差和具有集中控制管理功能,室外机应具有良好的防尘、防雨、防腐和安全防护性能。
空调多联机设备招标文件
招标编号:[招标编号]招标名称:[项目名称]空调多联机设备采购项目一、招标公告根据[项目名称]空调多联机设备采购项目的需求,现对空调多联机设备进行公开招标。
欢迎符合资格条件的供应商参加投标。
二、项目概况1. 项目名称:[项目名称]空调多联机设备采购项目2. 项目地点:[项目地点]3. 项目规模:[项目规模]4. 项目预算:[项目预算]5. 采购内容:空调多联机设备及其相关配件、安装、调试、培训等三、招标范围1. 空调多联机主机2. 配套设备(如:室内机、室外机、连接管路、控制系统等)3. 安装、调试服务4. 培训服务5. 质保期内售后服务四、投标资格要求1. 投标人须为具有独立法人资格的企业,具备有效的营业执照、税务登记证、组织机构代码证。
2. 投标人须具备空调多联机设备生产、销售或安装的资质证书。
3. 投标人须具备良好的商业信誉和售后服务能力,无不良记录。
4. 投标人须在投标文件中提供以下证明材料:(1)营业执照副本复印件;(2)税务登记证副本复印件;(3)组织机构代码证副本复印件;(4)空调多联机设备生产、销售或安装资质证书复印件;(5)相关业绩证明材料。
五、招标文件获取1. 招标文件获取时间:[招标文件获取时间]2. 招标文件获取方式:[招标文件获取方式]3. 招标文件售价:[招标文件售价]六、投标文件递交1. 投标文件递交截止时间:[投标文件递交截止时间]2. 投标文件递交地点:[投标文件递交地点]3. 投标文件递交方式:[投标文件递交方式]七、开标时间及地点1. 开标时间:[开标时间]2. 开标地点:[开标地点]八、评标办法1. 评标委员会由5名专家组成,其中招标人代表1名,技术专家3名,经济专家1名。
2. 评标委员会将根据投标文件的技术性能、价格、售后服务等方面进行综合评审,确定中标人。
3. 评标委员会有权对投标文件进行质疑、澄清或要求补充说明。
九、中标通知及合同签订1. 中标通知书将在开标结束后5个工作日内通知中标人。
某多联机中央空调招标文件
多联机中央空调招标文件项目名称:中央空调系统招标编号:使用单位:采购单位:招标代理机构:二○一X年月目录第一章投标邀请 (1)投标邀请........................................................................... 1-1 第二章投标人须知 (2)投标人须知前附表…………………………………………………………… 2-1-1一、说明………………………………………………………………………2-2-1二、招标文件…………………………………………………………………2-2-2三、投标文件的编写…………………………………………………………2-2-3四、投标文件的提交…………………………………………………………2-2-5五、投标文件的评估和比较…………………………………………………2-2-6六、定标与签订合同………………………………………………………… 2-2-9七、意外情况的处理…………………………………………………… 2-2-10 第三章招标内容及要求…………………………………………………… 3-1 第四章政府采购合同……………………………………………………… 4-1 第五章投标文件格式……………………………………………………… 5-1第一章投标邀请受****有限公司委托对*******的下述中央空调系统的货物(或服务)进行国内公开招标,现欢迎国内合格的投标人前来投标。
1、招标编号:********。
2、招标货物(服务)名称、数量及主要技术规格:见后附招标货物(服务)一览表。
3、招标文件获取方式:2011年月日至2011年月日,有意向的供应商应在****网(下同)注册成为企业会员(会员免费在线浏览所有采购文件),完成缴费并下载招标文件后方具备投标资格。
谢绝现场购买及邮寄购买。
A、会员注册详见****网-重要通知-《关于开通网上招投标相关事宜的通知(新)》;B、网上购标详见****网-下载中心-《****网操作手册(网上售标)》;C、请各供应商务必在招标文件购买截止时间前,上网点击相关费用缴交,并将相关费用交至收款单位账户。
- 1、下载文档前请自行甄别文档内容的完整性,平台不提供额外的编辑、内容补充、找答案等附加服务。
- 2、"仅部分预览"的文档,不可在线预览部分如存在完整性等问题,可反馈申请退款(可完整预览的文档不适用该条件!)。
- 3、如文档侵犯您的权益,请联系客服反馈,我们会尽快为您处理(人工客服工作时间:9:00-18:30)。
多联空调机产品技术标准
一、应符合国家标准和相关行业标准及产品使用地区的相关规定,并需符合企业的产品标准:
二、通用技术要求:投标产品需满足下列技术要求,如专项类型建筑空调技术要求标准高于通用技术要求或与通用技术要求分歧,以项目技术要求为准。
1、满足以下工作环境条件要求:
●环境温度:-15℃~+50℃
●相对湿度:最湿月平均最高相对湿度不超过90%;
●海拔高度:不超过2000米
●电源电压变化范围220V或380V偏差+10%~-10%
2、系统技术要求:
2.1所有设备必须是原产地通过ISO9000 、ISO14000质量体系认证的生产厂家制造的全新
的产品,提供产品生产许可证。
2.2供国家相关机构出具的产品CCC认证、节能证书等,以证明所提供的产品符合国家相
关标准。
2.3空调温度控制精度:室内温度控制在设定温度的±0.5℃之间
2.4冷媒选用R410A等环保冷媒。
2.5所有室内机均采用低运转静音设计,室内机噪音不大于40dB(A)。
2.6压缩机采用全封闭式压缩机。
通过变频或数码技术实现冷媒流量调节。
压缩机需要带
减震装置,维修方便。
在运行中,有良好的润滑保障。
2.7保证室外环境温度为-15℃时也能进行热泵运转,且除霜停机时间与制热时间比值不大
于15%。
2.8布线系统简单,具有自动地址设定功能、接线连接错误检测功能。
2.9室外机噪音不大于62dB(A)。
室外机需具有静音运行模式,并提供夜间静音运行时的
机组噪音值。
2.10室外机应根据室内机的开启情况调节冷媒输出流量,同时,室外机中的所有压缩机具
有均等启动以及快速更换的功能。
2.11系统具有冷媒回收控制。
2.12系统安装简便,配管连接及机组安装简便,易于检修操作,安装成本低。
2.13系统具有故障信息储存功能。
2.14机组能效比高,为节能产品。
在满负荷和部分负荷时均具有高的COP值,正常制冷工
况运行状态下COP值不低于3.0。
2.15空调系统可靠性高,具有较大的室内外机容量差和具有集中控制管理功能,室外机应
具有良好的防尘、防雨、防腐和安全防护性能。
2.16室内机如配置凝水提升泵则应为在机组内置安装,并于出场前安装完成并检验合格
3、控制器要求:
3.1投标品牌控制器应具备以下功能;
3.2面板显示要求:屏幕液晶显示面板能显示所有的运行工况,包括室内温度、制冷、制
热状态,风速、送风状态显示、故障代码显示或直接文字显示
3.3普通面板控制要求:具备对应室内机的温度设定、制冷及制热模式设定,以及风量调
节功能;
3.4系统集中控制器控制要求:具备系统主机启停以及所有室内机启停的控制,控制室内
机台数应不小于16台。
4、供货随机质料:
包括原厂保修卡、产品使用手册、合格证,进口产品需提供原产地证明、进口报关单、商检证明、以下认证信息:ISO9001,ISO14001,ISO18001等。
三、设备对环境污染的限值:
●设备应无漏电现象;
●系统内冷媒应符合国家现有相关环保规定;
●噪音检测以距被检设备1m处的噪声声压级平均值为标准,下表标准为最低标准,投标
设备还应满足投标填写技术参数表及产品样本中的噪音值:
五、方案设计及深化设计:
1.方案设计:多联机中标供货单位应无偿配合我司所有使用多联机项目(包括协议有效期内的新开工项目)的方案设计和系统设计,对系统形式、主机及末端选型提供合理的建议需交付甲方成果:
●项目空调方案分析(主要针对室外机通风散热条件受限制的项目);
●各户型主机及末端选型表;
●各户型空调系统平面图;
2.深化设计:多联机系统安装单位根据甲方提供的图纸并到现场勘查,根据现场实际情况及装修方案对各个户型的空调系统进行平面图、系统图以及安装节点大样图等相关图纸的绘制,确保深化设计图纸现场的可实时性,并于安装前一个月交甲方项目工程部及研发部工程师确认;需交付甲方成果:
●根据现场情况及精装吊顶方案深化设计后的空调系统系统平面图,系统图;
●空调主机、末端安装定位图,节点大样图;
●各户型主要材料设备清单(包括管道、管件数量长度);。