班前安全活动记录(钢筋班)
钢筋组班前安全活动记录表

钢筋组班前安全活动记录表日期:2021年10月1日时间活动内容参与人员8:00~8:10 1. 班前安全会议,强调安全生产意识;2. 超高处安全操作规范及绳索使用注意事项。
钢筋组全体人员8:10~8:30检查人员个人防护用品的着装是否符合要求。
班组长、安全员8:30~9:00钢筋组进行安全生产演练,包括爆破事故、锅炉爆炸等。
钢筋组全体人员9:00~10:00检查钢筋加工区和用电设备的安全隐患,及时消除并报告领导。
班组长、安全员10:00~11:00进行紧急疏散演练,确认安全出口位置。
钢筋组全体人员11:00~12:00钢筋组成员对各类安全生产示范点进行学习、交流与互动。
钢筋组全体人员日期:2021年10月5日时间活动内容参与人员8:00~8:10 1. 班前安全会议,强调安全生产意识;2. 外来人员进驻管理制度。
钢筋组全体人员、外来人员8:10~8:30检查钢筋加工机械及照明设备的使用班组长、安全员是否规范。
8:30~9:00钢筋组进行塔吊和起重机安全操作模拟。
钢筋组全体人员9:00~10:00检查本班组危险品存储情况,发现问题及时处理。
班组长、安全员10:00~11:00组织消防器材使用培训,让每个人都了解消防器材基本操作。
班组长、安全员11:00~12:00钢筋组成员互相进行安全技术的分享和传授。
钢筋组全体人员日期:2021年10月10日时间活动内容参与人员8:00~8:10 1. 班前安全会议,强调安全生产意识;2. 机械电气维护工作须知。
钢筋组全体人员8:10~8:30检查各种机械操作规范情况。
班组长、安全员8:30~9:00长时间站立易导致骨质疏松症,为加强队员健康的保障,进行站姿锻炼。
钢筋组全体人员9:00~10:00发放雨衣和塑料布等雨具,提醒大家注意防雨防潮。
班组长、安全员10:00~11:00进行钢筋组安全环保培训,了解实用环组长、安全员保措施。
11:00~12:00钢筋组成员针对存在的安全隐患进行深入分析,并提出具体整改措施。
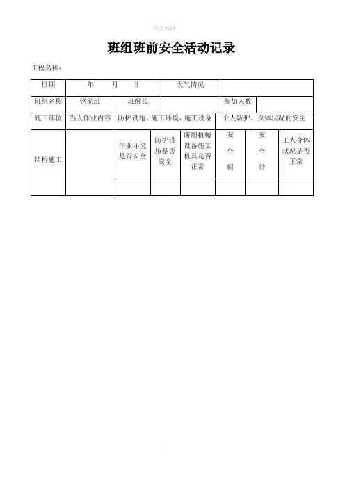
班组班前安全活动记录(钢筋工)

工程名称:
日期
年月日
天气情况
班组名称
钢筋班班组长参加来自数施工部位当天作业内容
防护设施、施工环境、施工设备
个人防护、身体状况的安全
结构施工
作业环境是否安全
防护设施是否安全
所用机械设备施工机具是否正常
安
全
帽
安
全
带
工人身体状况是否正常
当日
安全
技术
交底
1、进入现场必须遵守安全生产规章制度。必须正确佩戴安全帽,空处作业必须系好安全带。
6、绑扎高层建筑的圈梁、挑檐、外墙、边柱钢筋,应搭设外脚手架或安全网,绑扎时要配挂好安全带。
7、应尽量避免在高处修整、扳弯粗钢筋,在必须操作时,要配挂好安全带,选好位置,人要站稳。
8、吊装钢筋骨架时,下方不得有人。钢筋骨架距就位处1m以内时,作业人员方可靠近辅助就位,就位后必须先支撑稳固后再摘钩。
9、停绪扎时,应检查所绑扎的钢筋或骨架,确认连接牢固后方可离开现场。
2、搬运钢筋要注意附近有无障碍物、架空电线和其它临时电气设备,防止钢筋在回转时碰撞电线或发生触电事故。
3、高空作业时,不得将钢筋集中堆在模板和脚手板上,也不要把工具、钢箍、短钢筋随意放在脚手板上,以免滑下伤人。
4、在雷雨时必须停止露天操作,预防雷击钢筋伤人。遇有雷雨天气时,应停止室外作业。
5、钢筋骨架不论其固定与否,不得在上行走,禁止从柱子上的钢箍上下。
10、绑扎立柱和墙体钢筋时,不得站在钢筋骨架上或攀登骨架上下。
11、高处安装钢筋,注意不要将钢筋集中堆放在模板或脚手架上,特别是悬臂构件,应检查支撑是否牢固。
12、绑扎完后,剩下的钢筋材料不能堆放或挂在外脚手架的架体上,防止掉下伤人。
班组班前安全活动记录各工种

班组班前安全活动记录各工种班前安全活动记录工程名称:未说明活动班组:钢筋班组参加人员(签名):未说明活动内容:1、钢筋班组在基础施工中未发现违反劳动纪律的行为,但必须继续保持。
2、必须时刻保持高度的安全生产意识。
进入施工现场一定要佩戴好安全帽,并系好安全帽带。
班组长应经常检查督促本班组工人的安全生产情况,及时发现安全隐患,将安全隐患消灭在萌芽状态。
同时,严禁穿“三鞋”(即高根鞋、拖鞋、硬底鞋)及酒后上班,一经发现,予以重罚。
3、绑扎柱箍时,应搭好工作台,严禁攀爬柱箍和骨架筋上下。
4、上班前应预先检查好施工机具及施工用电,无发现存在安全隐患后方准施工。
工程名称:未说明活动班组:木工班组参加人员(签名):未说明活动内容:1、木模班在基础施工中能遵守安全生产操作规程,遵守劳动纪律,应继续保持。
2、保持高度的安全生产意识。
上班时一定要佩戴安全帽并系好安全帽带,严禁穿“三鞋”(即高根鞋、拖鞋、硬底鞋)及酒后上班,一经发现,予以重罚。
3、必须学会正确使用个人安全防护用品。
班组长应经常检查督促本班组工人的安全生产情况,及时发现安全隐患,将安全隐患消灭在萌芽状态。
4、上班前应预先检查好施工机具及施工用电,无发现存在安全隐患后方准施工。
5、搬运木模时应互相配合,工作协调。
传送模板、工具时,应用运输工具或用绳子系牢后升降,不得上下随意抛掷。
6、支模时应按工序进行,模板未固定前,不得离开现场,不得进入下道工序施工。
7、一层层高为3.9M,支撑采用钢管架。
因与钢管架工人交叉作业,更应互相配合,观前顾后。
班前安全活动记录工程名称:LJA7-2-1活动班组:砼工班组参加人员(签名):未说明活动内容:1、基础施工中发现有个别工人未戴安全帽现象,经批评教育后已改正。
2、再次强调上班时一定要佩戴安全帽并系好安全帽带,严禁穿“三鞋”(即高根鞋、拖鞋、硬底鞋)及酒后上班,一经发现,予以重罚。
3、必须学会正确使用个人安全防护用品。
班组长应经常检查督促本班组工人的安全生产情况,及时发现安全隐患,将安全隐患消灭在萌芽状态。
钢筋班组班前安全教育活动记录

工程名称:淮安春风南岸二标段班组名称:钢筋工班组日期:年月日
活动主题
安全生产
当日作业范围
当天作业内容
危险发布
1、机械伤害:由于机械的缺陷、操作人员的违章造成机械倾覆或者其他人员违规进入机械作业区域造成机械伤害事故
2、坍塌事故:基坑开找、脚手架、模板搭设与拆除,施工层超负荷堆放,机械使用不当,造成的好塌,对人身或机械造成伤害或损書的。
3、高处坠落:深度超过2m的沟或高度超过2 m高处作业未按标准设围栏防护和密目安全网封挡在沟、坑、槽边沿1m内堆土、堆料、停置机具,引发高处验落事故。
4、触电伤害:工程外侧边缘距外电离压线路未达到安全距离,用电设备未做接零或接地保护,保护设备性能失效,移动或照明使用高压,违规使用和操作电气设备,对人身造成伤害或损害的。
安全操作规程
1、绑扎基础钢筋,应按规定安放钢筋支架、马橙,铺设走道板(脚手板);
2、在高处(2米以上含2米)绑扎立柱和墙本钢筋时,不得站在钢筋骨架上或攀登骨架上下,面脚手板要满铺、绑车,不得有探头板、非跳板,临边应搭设防护栏杆和支挂安全网;
3、绑扎圈梁、挑梁、挑檐、外墙和边柱等钢筋时,应站在脚手架或操作平台上作业;
应急措施
1、当事故发生后,事故发现第一人应立即大声呼救,报告责任人。
2、接到电话报告后,应立即在第一时间赶赴现场,了解和学握事故情况,开展抢救和维护现场秋序,保护事故现场。
3、当事人被送入医院接受抢救后,紧急小组应做好:做好与当事人家属的接洽善后处理工作;
按职能归口做好与当地有关部门的沟通、汇报工作。
参加班前活动作业人员签字
4、脚手架或操作平台上不得集中码放钢筋,应随使用随运送,不得将工具、筋或短钢筋随意放在脚手架上;
钢筋班前安全活动记录

钢筋班前安全活动记录日期:2022年10月15日地点:XX工地活动内容:为了提高钢筋班的安全意识和安全操作技能,保障工人的人身安全,我们组织了一次钢筋班前安全活动。
活动内容主要包括安全知识培训、安全操作示范以及安全意识强化。
一、安全知识培训在活动开始前,我们邀请了专业的安全培训师进行了一次针对钢筋班的安全知识培训。
培训内容包括但不限于以下几个方面:1. 钢筋班的常见安全事故案例分析,以及事故发生的原因和教训;2. 钢筋班的工作环境安全要求,如防护设施的正确使用、危(wei)险区域的划定等;3. 钢筋班的安全操作规范,如搬运钢筋的正确姿式、使用电动工具的注意事项等;4. 钢筋班的应急处理措施,如火灾、意外伤害等突发情况下的应对方法。
二、安全操作示范为了让工人们更直观地了解安全操作规范,我们邀请了经验丰富的钢筋班工人进行了一次安全操作示范。
示范内容包括但不限于以下几个方面:1. 搬运钢筋的正确姿式和方法,避免过度劳苦和腰背损伤;2. 使用电动工具时的注意事项,如正确佩戴防护手套、避免过度使用等;3. 安全使用钢筋剪切机和钢筋弯曲机的操作技巧,避免意外伤害;4. 钢筋连接和固定的正确方法,确保钢筋的稳固性和安全性。
三、安全意识强化为了增强工人们的安全意识,我们进行了一系列安全意识强化的活动。
具体措施包括但不限于以下几个方面:1. 安全标语宣传:在施工现场的显眼位置悬挂了一系列安全标语,提醒工人们时刻保持安全意识;2. 安全演练:组织了一次摹拟事故的演练,让工人们亲身体验到安全操作的重要性,并学习正确的应急处理方法;3. 安全奖励:对在日常工作中表现出色的工人进行安全奖励,激励他们保持良好的安全行为习惯。
活动总结:通过本次钢筋班前安全活动,我们取得了以下成效:1. 工人们对钢筋班的安全知识有了更全面的了解,能够识别和避免潜在的安全风险;2. 工人们掌握了正确的安全操作方法,提高了工作效率的同时降低了事故发生的概率;3. 工人们的安全意识得到了进一步强化,形成为了良好的安全行为习惯;4. 工地的安全管理水平得到了提升,为后续施工工作的顺利进行奠定了坚实基础。
钢筋班前安全活动记录

钢筋班前安全活动记录为了确保钢筋班的安全生产,保障员工的人身安全,加强员工安全意识,防范和减少生产安全事故的发生,钢筋班在每次工作前都开展一系列的安全活动。
以下是本周(2021年10月25日至10月29日)的工作安全活动记录。
安全示范教育本周我们邀请了公司的安全专家进行安全示范教育。
专家对员工进行了详细的讲解,向员工展示了目前存在的安全隐患,以及一些应对措施。
特别是讲解了现场操作时应该注意的问题,包括操作流程、注意事项、应急处置等等内容。
交流分享在本周的安全活动中,我们组织了一次经验分享会。
通过自由发言,员工们分享了自己在日常操作中积累的安全经验,包括遇到危险要保持冷静、对于安全带的正确佩戴方法等等。
大家互相学习、共同进步,增强了团队协作和文化建设。
观看安全教育影片在午休时间,我们播放了一些安全教育影片。
员工在看完这些影片后都认为这是一次非常有益的知识学习。
通过这些影片,他们进一步了解了公司的安全管理意识和安全规范,从而更好地规范自己的操作行为。
应急演练本周我们还进行了一次突发事件应急演练。
电脑模拟了一起废铁堆场突然着火的场景,并进行了模拟应对。
演练中,员工们表现出色,通过有效的应对措施,顺利控制了火势,保障了人员安全。
安全检查在每次工作开始前,我们都进行了一次全面的安全检查。
员工们对自己的工作场所进行了仔细的检查,确保没有安全隐患。
检查内容包括:周围是否有危险物品、是否存在漏电隐患以及使用的设备是否正常等。
通过本周的安全活动,员工们加强了对安全知识的学习,更好地规范了自己的操作行为。
通过不断的安全演练和检查,员工们的安全意识进一步提高,为公司的安全生产提供了有力的保障。
同时,我们也将持续加强钢筋班的安全管理,全面提高工作场所的安全生产水平。
班前安全活动记录(钢筋工)
班前安全活动记录(钢筋工)
表格编号
项目名称
分包单位
作业班组
钢筋工
作业人数
日期
年月日
防护设施及环境(符合规范:√不符合规范:×)
作业环境□
防护设施□
作 业 面□
个人防护用品
(符合规范:√不符合规范:×)
安全帽□
安全带□
其他防护用品□
当天班前安全
活动内容
1.施工面和施工内容:
2.工作区域及周边的危险点:
三、钢筋绑扎:1、在高处(2米以上含2米)绑扎立柱和墙体钢筋时,不得站在钢筋骨架上或攀登骨架上下,必须搭设脚手架或操作平台和马道。脚手架应搭设牢固,作业面脚手板要满铺、绑牢,不得有探头板、非跳板,临边应搭设防护栏杆和支挂安全网;2、绑扎圈梁、挑梁、挑檐、外墙和边柱等钢筋时,应站在脚手架或操作平台上作业;3、脚手架或操作平台上不得集中码放钢筋,应随使用随运送,不得将工具、箍筋或短钢筋随意放在脚手架上;4、绑扎钢筋的绑丝头,应弯回至骨架内侧,暂停绑扎时,应检查所绑扎的钢筋或骨架,确认连接牢固后方可离开现场。
一、钢筋调直:1、作业中机械周围不得有无关人员,严禁跨越正在调直的钢筋。钢筋调直到末端时,作业人员必须与钢筋保持安全距离。料盘中钢筋将要用完时,应采取措施防止端头弹出;2、使用调直机作业时,机械上不得堆放物料、工具等,避免震动落人机体。送钢筋时,手与轧辊应保持安全距离。机器运转中不得调整轧辊。严禁戴手套作业。
3.其他的管理要求:
首先请大家活动一下身体四肢,如果有感觉身体不适无法进行今日生产工作的,及时报告,我们及时进行相应安排。
其次请大家检查一下各自的安全防护用品(戴好安全帽系紧帽带,穿好反光背心、安全带、劳保鞋等)、门禁卡及施工工具是否齐全且安全可靠,并相互监督检查,确保以安全的状态进入施工现场。
班前安全活动记录(钢筋班)
班前安全活动记录
安全员签名:
班前安全活动记录
班前安全活动记录
班前安全活动记录
班前安全活动记录
工程名称:怀化市城南农超市场暨医疗服务中心综合楼年月日
班前安全活动记录
班前安全活动记录
班前安全活动记录
班前安全活动记录
班前安全活动记录
班前安全活动记录
班前安全活动记录
班前安全活动记录
班前安全活动记录
班前安全活动记录
班前安全活动记录
班前安全活动记录
班前安全活动记录
班前安全活动记录
班前安全活动记录
班前安全活动记录
不能以布置生产工作替代安全活动,每次活动应简单重点记录活动类容。
1.进入施工现场,必须戴好安全帽。
2.施工现场不准打闹,不准打赤脚、穿拖鞋和酒后作业。
3绑扎墙、柱构件时,不得站在钢筋骨架上或攀登骨架。
4、绑扎钢筋和安装钢筋骨架悬空作业时必须搭设脚手架。
5、外墙、柱及外挑构件施工时,应搭设操作平台和张挂安全网。
参加活动人员签名:。
班组班前安全活动记录(钢筋).doc
操作班组:
钢筋工
当天 作业 部位
当天作业内容
87#楼五层
绑扎87#五层梁板钢筋
昨日作业
作业 人数
14
防护设施及环境
符合规范:√
不符合规范:× 作防
作 业护
业 环设
面 境施 √√√
2014 年 5 月 17 日 个人防护 (数量)
安 安 其它 全 全 防护 帽 带 用品
13
√
中发现的 发现有一个工人未戴安全帽。
班 长:
活动 覃仕长、潘啟霞、龙艳兰、韦科乐、杨覃飞、覃佩全、廖维敏、廖克余、全能德、李晚枝、谢康
作业 明、雷高游、朱运贵、钟社福
人员
名单 注:参加活动作业人员名单由记录人填写,班组班前活动记录单独组卷,每本填写后交资料员存档。
班组班前安全活动记录
柳州长虹机器制造公司职工集资
工程名称:
房87#、88#、89#楼
内容 参加
班 长:
活动 覃仕长、潘啟霞、龙艳兰、韦科乐、杨覃飞、覃佩全、廖维敏、廖克余、全能德、李晚枝、谢康
作业 明、雷高游、朱运贵、钟社福
人员
名单 注:参加活动作业人员名单由记录人填写,班组班前活动记录单独组卷,每本填写后交资料员存档。
班组班前安全活动记录
柳州长虹机器制造公司职工集资
工程名称:
房87#、88#、89#楼
隐患
整改 要求
必须戴好安全帽。
今日 安全 活动
1、 参加施工的工人要熟悉本工种的安全操作规程,在操作中应坚守工作,酒后操作。 2、正确使用个人防护用品和安全防护措施,进入施工现场必须戴安全帽,禁止穿拖鞋或打赤脚。 3、多人合运钢筋,起、落、转、停动作要一致,钢筋堆放要分散,稳当,防止倾倒和塌落。 4、绑扎钢筋时,应按施工设计规定摆放,钢筋支架或马登垫起上部钢筋,不得任意减少支架或马登。
钢筋工班前活动记录文稿
钢筋工班前活动记录文稿尊敬的领导、各位同事:大家好!今天我代表钢筋工班向大家汇报我们班前活动的情况。
经过全体同事的共同努力,大家在过去的一个月里取得了非常不错的成绩。
首先,我们班前活动的目标是通过开展团结互助、提高技术能力、保障安全质量等活动,全面提高班组内所有同事的工作能力和文明素养。
在过去的一个月里,我们班前活动主要围绕以下几个方面展开:一、技术讲座和培训为了提高大家的技术水平,我们组织了一系列的技术讲座和培训,邀请了一些专业人士来指导我们的工作。
通过这些讲座和培训,我们深入了解了新的施工工艺和安全操作规范,增强了大家对工作的认识和理解。
二、技能比赛和经验交流为了激发同事们的工作积极性,我们组织了一场技能比赛,在比赛中大家展示了自己的技术风采,并分享了一些实用的经验和技巧。
这不仅提高了我们的技能水平,还促进了大家之间的交流和合作。
三、安全生产和文明施工我们高度重视安全生产和文明施工,在班前活动中加强了安全教育和规范。
我们定期进行安全隐患排查,完善了应急预案,确保了施工过程中的安全和顺利进行。
同时,我们积极倡导彼此尊重、互帮互助的施工文化,营造了积极向上的工作氛围。
四、班前活动总结和反馈每次活动结束后,我们班组会组织一次活动总结和反馈会,大家对活动的参与度、效果和存在的问题进行反馈,并提出改进的建议。
这些反馈和建议对我们的工作改进有着非常重要的作用。
通过以上的班前活动,我们的班组取得了显著的成绩。
大家的技术水平得到了提升,工作效率也有了明显的提高。
同时,施工现场的安全环境得到了有效保障,工人之间的配合和协作能力也得到了提高。
但是,我们也存在一些问题,比如施工过程中的协调和沟通不够顺畅,个别同事存在技术能力欠缺的问题等。
针对这些问题,我们将进一步加强团队建设,提高施工管理水平,加强技术培训和交流,促进个人能力的全面提升。
最后,我代表钢筋工班向各位领导表示感谢,感谢你们一直以来对我们工作的支持和关心。
- 1、下载文档前请自行甄别文档内容的完整性,平台不提供额外的编辑、内容补充、找答案等附加服务。
- 2、"仅部分预览"的文档,不可在线预览部分如存在完整性等问题,可反馈申请退款(可完整预览的文档不适用该条件!)。
- 3、如文档侵犯您的权益,请联系客服反馈,我们会尽快为您处理(人工客服工作时间:9:00-18:30)。
3多人合运钢筋,起、落、转、停动作要一致,人工上下传送不得在同一垂直线上。钢筋堆放要分散、稳当,防止倾倒和塌落。
4钢筋起吊必须捆牢固,吊钩下方不得站人,吊运绑扎钢筋工作,架子必须系好钢筋绳工作架,在无任何牵连的情况下进行吊运,到位后,待工作架放稳,搭好支撑方能放下钢丝绳。
6在搬运及安装钢筋时,防止碰触电线。
7堆放钢筋及骨架应整齐平实,下垫木楞,堆放带有弯钩的半成品,最上一层钢筋的弯钩不应朝上。
参加活动人员签名:
安全员签名:
班前安全活动记录
2010年9月18日
班组名称
钢筋班
班组长
肖从军
施工部位
6#六层梁、板
班前安全活动内容:根据当日生产安排,针对班组专业特点和作业条件进行,不能以布置生产工作替代安全活动,每次活动应简单重点记录活动类容。
2施工现场不准打闹,不准打赤脚、穿拖鞋和酒后作业。
3多人合运钢筋,起、落、转、停动作要一致,人工上下传送不得在同一垂直线上。钢筋堆放要分散、稳当,防止倾倒和塌落。
4钢筋起吊必须捆牢固,吊钩下方不得站人,吊运绑扎钢筋工作,架子必须系好钢筋绳工作架,在无任何牵连的情况下进行吊运,到位后,待工作架放稳,搭好支撑方能放下钢丝绳。
参加活动人员签名:
安全员签名:
班前安全活动记录
工程名称:怀化市城南农超市场暨医疗服务中心综合楼年月日
班组名称
钢筋班
班 组 长
屠志国
施工部位
基础承台钢筋
班前安全活动内容:根据当日生产安排,针对班组专业特点和作业条件进行,不能以布置生产工作替代安全活动,每次活动应简单重点记录活动类容。
1进入施工现场,必须戴好安全帽。
班前安全活动记录
工程名称:怀化市城南农超市场暨医疗服务中心综合楼年月日
班组名称
钢筋班
班 组 长
屠志国
施工部位
基础承台钢筋
班前安全活动内容:根据当日生产安排,针对班组专业特点和作业条件进行,不能以布置生产工作替代安全活动,每次活动应简单重点记录活动类容。
1、进入施工现场,必须戴好安全帽。
2、施工现场不准打闹,不准打赤脚、穿拖鞋和酒后作业。
5人力搬运及安装钢筋时,应动作一致,在起落停止和上下坡道及拐弯时,前后要相互呼应。
6在搬运及安装钢筋时,防止碰触电线。
7堆放钢筋及骨架应整齐平实,下垫木楞,堆放带有弯钩的半成品,最上一层钢筋的弯钩不应朝上。
参加活动人员签名:
安全员签名:
班前安全活动记录
工程名称:怀化市城南农超市场暨医疗服务中心综合楼年月日
5人力搬运及安装钢筋时,应动作一致,在起落停止和上下坡道及拐弯时,前后要相互呼应。
6在搬运及安装钢筋时,防止碰触电线。
7堆放钢筋及骨架应整齐平实,下垫木楞,堆放带有弯钩的半成品,最上一层钢筋的弯钩不应朝上。
参加活动人员签名:
安全员签名:
班前安全活动记录
工程名称:怀化市城南农超市场暨医疗服务中心综合楼年月日
3多人合运钢筋,起、落、转、停动作要一致,人工上下传送不得在同一垂直线上。钢筋堆放要分散、稳当,防止倾倒和塌落。
4钢筋起吊必须捆牢固,吊钩下方不得站人,吊运绑扎钢筋工作,架子必须系好钢筋绳工作架,在无任何牵连的情况下进行吊运,到位后,待工作架放稳,搭好支撑方能放下钢丝绳。
5人力搬运及安装钢筋时,应动作一致,在起落停止和上下坡道及拐弯时,前后要相互呼应。
2施工现场不准打闹,不准打赤脚、穿拖鞋和酒后作业。
3多人合运钢筋,起、落、转、停动作要一致,人工上下传送不得在同一垂直线上。钢筋堆放要分散、稳当,防止倾倒和塌落。
4钢筋起吊必须捆牢固,吊钩下方不得站人,吊运绑扎钢筋工作,架子必须系好钢筋绳工作架,在无任何牵连的情况下进行吊运,到位后,待工作架放稳,搭好支撑方能放下钢丝绳。
1进入施工现场,必须戴好安全帽。
2施工现场不准打闹,不准打赤脚、穿拖鞋和酒后作业。
3多人合运钢筋,起、落、转、停动作要一致,人工上下传送不得在同一垂直线上。钢筋堆放要分散、稳当,防止倾倒和塌落。
4钢筋起吊必须捆牢固,吊钩下方不得站人,吊运绑扎钢筋工作,架子必须系好钢筋绳工作架,在无任何牵连的情况下进行吊运,到位后,待工作架放稳,搭好支撑方能放下钢丝绳。
4钢筋起吊必须捆牢固,吊钩下方不得站人,吊运绑扎钢筋工作,架子必须系好钢筋绳工作架,在无任何牵连的情况下进行吊运,到位后,待工作架放稳,搭好支撑方能放下钢丝绳。
5人力搬运及安装钢筋时,应动作一致,在起落停止和上下坡道及拐弯时,前后要相互呼应。
6在搬运及安装钢筋时,防止碰触电线。
7堆放钢筋及骨架应整齐平实,下垫木楞,堆放带有弯钩的半成品,最上一层钢筋的弯钩不应朝上。
班前安全活动记录
工程名称:怀化市城南农超市场暨医疗服务中心综合楼年月日
班组名称
钢筋班
班 组 长
屠志国
施工部位
基础承台钢筋
班前安全活动内容:根据当日生产安排,针对班组专业特点和作业条件进行,不能以布置生产工作替代安全活动,每次活动应简单重点记录活动类容。
1进入施工现场,必须戴好安全帽。
2施工现场不准打闹,不准打赤脚、穿拖鞋和酒后作业。
3、多人合运钢筋,起、落、转、停动作要一致,人工上下传送不得在同一垂直线上。钢筋堆放要分散、稳当,防止倾倒和塌落。
4、钢筋起吊必须捆牢固,吊钩下方不得站人,吊运绑扎钢筋工作,架子必须系好钢筋绳工作架,在无任何牵连的情况下进行吊运,到位后,待工作架放稳,搭好支撑方能放下钢丝绳。
参加活动人员签名:
安全员签名:
参加活动人员签名:
安全员签名:
班前安全活动记录
2010年9月12日
班组名称
钢筋班
班组长
肖从军
施工部位
6#五层梁、板
班前安全活动内容:根据当日生产安排,针对班组专业特点和作业条件进行,不能以布置生产工作替代安全活动,每次活动应简单重点记录活动类容。
1进入施工现场,必须戴好安全帽。
2施工现场不准打闹,不准打赤脚、穿拖鞋和酒后作业。
5人力搬运及安装钢筋时,应动作一致,在起落停止和上下坡道及拐弯时,前后要相互呼应。
6在搬运及安装钢筋时,防止碰触电线。
7堆放钢筋及骨架应整齐平实,下垫木楞,堆放带有弯钩的半成品,最上一层钢筋的弯钩不应朝上。
参加活动人员签名:
安全员签名:
班前安全活动记录
2010年9月28日
班组名称
钢筋班
班组长
肖从军
施工部位
班组名称
钢筋班
班 组 长
屠志国
施工部位
基础承台钢筋
班前安全活动内容:根据当日生产安排,针对班组专业特点和作业条件进行,不能以布置生产工作替代安全活动,每次活动应简单重点记录活动类容。
1进入施工现场,必须戴好安全帽。
2施工现场不准打闹,不准打赤脚、穿拖鞋和酒后作业。
3多人合运钢筋,起、落、转、停动作要一致,人工上下传送不得在同一垂直线上。钢筋堆放要分散、稳当,防止倾倒和塌落。
6在搬运及安装钢筋时,防止碰触电线。
参加活动人员签名:
安全员签名:
班前安全活动记录
工程名称:怀化市城南农超市场暨医疗服务中心综合楼年月日
班组名称
钢筋班
班 组 长
屠志国
施工部位
基础承台钢筋
班前安全活动内容:根据当日生产安排,针对班组专业特点和作业条件进行,不能以布置生产工作替代安全活动,每次活动应简单重点记录活动类容。
5人力搬运及安装钢筋时,应动作一致,在起落停止和上下坡道及拐弯时,前后要相互呼应。
6在搬运及安装钢筋时,防止碰触电线。
7堆放上。
参加活动人员签名:
安全员签名:
班前安全活动记录
工程名称:怀化市城南农超市场暨医疗服务中心综合楼年月日
6#七层梁、板
班前安全活动内容:根据当日生产安排,针对班组专业特点和作业条件进行,不能以布置生产工作替代安全活动,每次活动应简单重点记录活动类容。
1进入施工现场,必须戴好安全帽。
2施工现场不准打闹,不准打赤脚、穿拖鞋和酒后作业。
参加活动人员签名:
安全员签名:
班前安全活动记录
工程名称:怀化市城南农超市场暨医疗服务中心综合楼年月日
班组名称
钢筋班
班 组 长
屠志国
施工部位
基础承台钢筋
班前安全活动内容:根据当日生产安排,针对班组专业特点和作业条件进行,不能以布置生产工作替代安全活动,每次活动应简单重点记录活动类容。
1进入施工现场,必须戴好安全帽。
4钢筋起吊必须捆牢固,吊钩下方不得站人,吊运绑扎钢筋工作,架子必须系好钢筋绳工作架,在无任何牵连的情况下进行吊运,到位后,待工作架放稳,搭好支撑方能放下钢丝绳。
5人力搬运及安装钢筋时,应动作一致,在起落停止和上下坡道及拐弯时,前后要相互呼应。
6在搬运及安装钢筋时,防止碰触电线。
7堆放钢筋及骨架应整齐平实,下垫木楞,堆放带有弯钩的半成品,最上一层钢筋的弯钩不应朝上。
3多人合运钢筋,起、落、转、停动作要一致,人工上下传送不得在同一垂直线上。钢筋堆放要分散、稳当,防止倾倒和塌落。
4钢筋起吊必须捆牢固,吊钩下方不得站人,吊运绑扎钢筋工作,架子必须系好钢筋绳工作架,在无任何牵连的情况下进行吊运,到位后,待工作架放稳,搭好支撑方能放下钢丝绳。
5人力搬运及安装钢筋时,应动作一致,在起落停止和上下坡道及拐弯时,前后要相互呼应。
4钢筋起吊必须捆牢固,吊钩下方不得站人,吊运绑扎钢筋工作,架子必须系好钢筋绳工作架,在无任何牵连的情况下进行吊运,到位后,待工作架放稳,搭好支撑方能放下钢丝绳。
5人力搬运及安装钢筋时,应动作一致,在起落停止和上下坡道及拐弯时,前后要相互呼应。
6在搬运及安装钢筋时,防止碰触电线。
7堆放钢筋及骨架应整齐平实,下垫木楞,堆放带有弯钩的半成品,最上一层钢筋的弯钩不应朝上。