【CN209819556U】一种化工废液焚烧喷枪【专利】
【CN209226661U】实验室酸碱废液处理装置【专利】

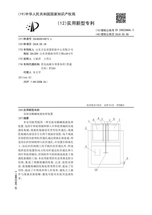
(19)中华人民共和国国家知识产权局(12)实用新型专利(10)授权公告号 (45)授权公告日 (21)申请号 201920348372.1(22)申请日 2019.03.19(73)专利权人 山东天弘质量检验中心有限公司地址 264200 山东省威海市四方路118-1号(72)发明人 王丽君 王哲江 (74)专利代理机构 青岛高晓专利事务所(普通合伙) 37104代理人 宋文学(51)Int.Cl.C02F 1/66(2006.01)(54)实用新型名称实验室酸碱废液处理装置(57)摘要本实用新型提供一种实验室酸碱废液处理装置,包括中和处理桶和伸入中和处理桶的内废液收集桶,废液收集桶设有贯穿柱形通孔,废液收集桶内部设有左右两个废液存放腔,每个废液存放腔的内腔和柱形通孔通过排液孔相连通,所述加长杆控制阀伸入柱形通孔,并设置在排液孔上,加长杆控制阀上的手柄在柱形通孔外,所述搅拌监控装置的动力传动杆通过柱形通孔伸入到中和处理桶内,控制组件可拆卸地连接盖于废液收集桶的上端。
本实用新型的有益效果是拆分结构,集成了废酸废碱的收集、记录、处理及排放,使废酸废碱的收集处理变得合理,提高了实用性,提高了中和效率和工作效率,避免人工操作与废液直接接触,避免可能对实验员造成伤害。
权利要求书2页 说明书4页 附图9页CN 209226661 U 2019.08.09C N 209226661U权 利 要 求 书1/2页CN 209226661 U1.一种实验室酸碱废液处理装置,其特征在于:包括密封的废液收集桶(1)、上端为开口的中和处理桶(2)、搅拌监控装置(3)和加长杆控制阀(8),所述中和处理桶(2)内部侧表面设有环形凸槽(21),侧表面下端设有开关阀(4),所述废液收集桶(1)与中和处理桶(2)配合并且伸入中和处理桶(2)内;所述废液收集桶(1)中部设有贯穿废液收集桶(1)上下端面的柱形通孔(5),废液收集桶(1)内部设有左右两个废液存放腔(6,7),两个废液存放腔(6,7)相互贴合的侧表面共同包裹柱形通孔(5),所述每个废液存放腔(6,7)的上端面都设有进液口(61,72)和与柱形通孔(5)相连通的排液孔(62,72);所述加长杆控制阀(8)伸入柱形通孔(5),并设置在排液孔(62,72)上,加长杆控制阀(8)上的手柄(83)在柱形通孔(5)外;所述搅拌监控装置(3)通过柱形通孔(5)伸入到中和处理桶(2)内,搅拌监控装置(3)上端的控制组件(31)可拆卸地连接盖于废液收集桶(1)的上端面。
【CN209893417U】一种高效环保污泥焚烧装置【专利】

(19)中华人民共和国国家知识产权局(12)实用新型专利(10)授权公告号 (45)授权公告日 (21)申请号 201920623760.6(22)申请日 2019.05.05(73)专利权人 江联国际工程有限公司地址 330038 江西省南昌市红谷滩区赣江北大道1号(72)发明人 尹华彩 谭胜辉 黄羽雕 赖韶华 (51)Int.Cl.F23G 7/00(2006.01)C02F 11/12(2019.01)(54)实用新型名称一种高效环保污泥焚烧装置(57)摘要本实用新型公开了一种高效环保污泥焚烧装置,包括透明沉淀箱体以及通过铰链连接于透明沉淀箱体两侧内壁的卸料板,所述卸料板与透明沉淀箱体的相对一侧均通过铰链连接有电动伸缩杆,所述透明沉淀箱体安装有升降式抽水机构和输料机构,且升降式抽水机构包括固定安装有透明沉淀箱体两侧的驱动箱和安装板,所述驱动箱的内壁与安装板分别固定安装有旋转电机和抽水泵,且旋转电机的输出轴固定安装有齿轮,所述驱动箱的内部滑动连接有升降杆,且升降杆靠近齿轮的一侧固定安装有与之相适配的齿条。
本实用新型能够通过启动抽气泵配合污泥过滤板和二次过滤板,在运输过程中,对污泥进行抽滤处理,进行二次除水处理。
权利要求书1页 说明书3页 附图2页CN 209893417 U 2020.01.03C N 209893417U权 利 要 求 书1/1页CN 209893417 U1.一种高效环保污泥焚烧装置,包括透明沉淀箱体(1)以及通过铰链连接于透明沉淀箱体(1)两侧内壁的卸料板(20),其特征在于,所述卸料板(20)与透明沉淀箱体(1)的相对一侧均通过铰链连接有电动伸缩杆(21),所述透明沉淀箱体(1)安装有升降式抽水机构和输料机构,且升降式抽水机构包括固定安装有透明沉淀箱体(1)两侧的驱动箱(15)和安装板,所述驱动箱(15)的内壁与安装板分别固定安装有旋转电机(17)和抽水泵(13),且旋转电机(17)的输出轴固定安装有齿轮(16),所述驱动箱(15)的内部滑动连接有升降杆(14),且升降杆(14)靠近齿轮(16)的一侧固定安装有与之相适配的齿条(18),所述升降杆(14)的另一端固定安装有L型抽水管(10),且L型抽水管(10)与抽水泵(13)的输入端固定安装有同一个软管(11),所述抽水泵(13)的输出端固定安装有出水管(12)。
【CN209909934U】一种有机废液处理设备【专利】

(19)中华人民共和国国家知识产权局(12)实用新型专利(10)授权公告号 (45)授权公告日 (21)申请号 201920428387.9(22)申请日 2019.04.01(73)专利权人 深圳市创信节能科技有限公司地址 518000 广东省深圳市龙岗区横岗街道龙岗大道8288号大运软件小镇75栋三楼(72)发明人 吴炯贤 (74)专利代理机构 北京中政联科专利代理事务所(普通合伙) 11489代理人 周鑫(51)Int.Cl.F23G 7/04(2006.01)F23G 5/50(2006.01)(54)实用新型名称一种有机废液处理设备(57)摘要一种有机废液处理设备,包括储液室、空气净化装置、水浴室、燃烧室、换热器、PLC控制器、CNG存储罐和LPG存储罐;储液室上设置有进液口;储液室的内部安装有过滤装置,储液室的一端设置有导流管;水浴室中设置有多个毛细管;毛细管的末端设置有雾化喷头;燃烧室的内部设置有催化剂床;燃烧室的内部设置有点火装置;换热器设置在燃烧室的外部,换热器的内部设置有热循环管;换热器与水浴室内部充满便于进行热量交换的循环液;CNG存储罐上设置有第一电磁阀;LPG存储罐上设置有第二电磁阀;本实用新型中,通过催化剂床的设置能够降低有机废液的起燃点,反应产生的热能通过换热器以及水浴室对有机废液进行预热,热量利用率更高,更加节能环保。
权利要求书1页 说明书4页 附图3页CN 209909934 U 2020.01.07C N 209909934U权 利 要 求 书1/1页CN 209909934 U1.一种有机废液处理设备,其特征在于,包括储液室(2)、空气净化装置(4)、水浴室(8)、燃烧室(20)、换热器(17)、PLC控制器(13)、CNG存储罐(11)和LPG存储罐(12);储液室(2)上设置有进液口(1),储液室(2)的顶部设置有密封盖(3),空气净化装置(4)设置在密封盖(3)上,且空气净化装置(4)的进气口伸入储液室(2)内部,并位于储液室(2)液面之上;储液室(2)的内部安装有过滤装置(5),储液室(2)的一端设置有导流管(7),导流管(7)上设置有增压泵(6);水浴室(8)中设置有多个毛细管(9),导流管(7)的另一端伸入水浴室(8)中并与毛细管(9)导通连接;毛细管(9)的末端设置有雾化喷头(10),雾化喷头(10)伸入燃烧室(20)中;燃烧室(20)的内部设置有催化剂床(21),雾化喷头(10)朝向催化剂床(21)喷射有机废液;催化剂床(21)上设置有温度传感器(24);燃烧室(20)的内部设置有点火装置(22);燃烧室(20)的外部设置有鼓风机(14),鼓风机(14)朝向燃烧室(20)内部鼓风;燃烧室(20)上设置有用于排放烟气的排气管(15);换热器(17)设置在燃烧室(20)的外部,换热器(17)的内部设置有热循环管(16),热循环管(16)的两端均连接至燃烧室(20)内部;换热器(17)的一端安装有连接管(19),连接管(19)上设置有循环泵(18),连接管(19)的另一端伸入水浴室(8)的内部;换热器(17)与水浴室(8)内部充满便于进行热量交换的循环液;CNG存储罐(11)和LPG存储罐(12)均设置在燃烧室(20)外部,CNG存储罐(11)上设置有第一电磁阀(111),第一电磁阀(111)上设置有第一引流管(25),第一引流管(25)伸入点火装置(22)内部;LPG存储罐(12)上设置有第二电磁阀(121),第二电磁阀(121)上设置有第二引流管(23),第二引流管(23)伸入点火装置(22)内部;PLC控制器(13)设置在燃烧室(20)上,PLC控制器(13)与温度传感器(24)信号连接;PLC 控制器(13)与第一电磁阀(111)、第二电磁阀(121)均为控制连接;PLC控制器(13)与雾化喷头(10)的电源开关控制连接;PLC控制器(13)与鼓风机(14)的电源开关控制连接。
【CN209852619U】双液灌封机的混合枪【专利】

(19)中华人民共和国国家知识产权局(12)实用新型专利(10)授权公告号 (45)授权公告日 (21)申请号 201920195100.2(22)申请日 2019.02.13(73)专利权人 广州市内六智能装备有限公司地址 510000 广东省广州市白云区同泰路松园北街1号之2综合楼首层南面地产(72)发明人 徐向东 徐启舜 徐永锋 (74)专利代理机构 广州市深研专利事务所44229代理人 张喜安(51)Int.Cl.B65B 3/04(2006.01)(54)实用新型名称双液灌封机的混合枪(57)摘要本实用新型涉及一种双液灌封机,具体涉及一种双液灌封机的混合枪,包括进液管、支撑座、出液管、旋转管接头、45度斜齿轮A、安装杆A、安装杆B、轴承孔A、轴承孔B、旋转轴和行走轮,进液管固定设置在支撑座上,出液管的顶端通过旋转管接头连通进液管的底端。
本实用新型:1、在用户选择不同方式使用双液灌封机的混合枪时,分别达到较好使用效果。
2、在一个平面上进行直线位移灌封时,能对灌封厚度起到较好限位的使用效果,便于保障一条线上灌封厚度的一致性。
3、达到旋转灌封的使用效果,例如,双液在出液管的出液口处能实现旋转交错混合灌封。
权利要求书1页 说明书3页 附图2页CN 209852619 U 2019.12.27C N 209852619U权 利 要 求 书1/1页CN 209852619 U1.一种双液灌封机的混合枪,包括进液管、支撑座、出液管、旋转管接头、45度斜齿轮A、安装杆A、安装杆B、轴承孔A、轴承孔B、旋转轴和行走轮,其特征在于:进液管固定设置在支撑座上,出液管的顶端通过旋转管接头连通进液管的底端,出液管的底端设置出液口,出液管的外侧套设45度斜齿轮A,安装杆A和安装杆B的底部分别固定连接支撑座的底部,安装杆A的底部设置轴承孔A,轴承孔A内固定设置与旋转轴相配合的轴承A,安装杆B的底部设置轴承孔B,轴承孔B内固定设置与旋转轴相配合的轴承B,旋转轴通过轴承A和轴承B分别与安装杆A和安装杆B转动连接,旋转轴的外侧套设与45度斜齿轮A相配合的45度斜齿轮B,45度斜齿轮A与45度斜齿轮B啮合连接,旋转轴的外侧套设行走轮。
- 1、下载文档前请自行甄别文档内容的完整性,平台不提供额外的编辑、内容补充、找答案等附加服务。
- 2、"仅部分预览"的文档,不可在线预览部分如存在完整性等问题,可反馈申请退款(可完整预览的文档不适用该条件!)。
- 3、如文档侵犯您的权益,请联系客服反馈,我们会尽快为您处理(人工客服工作时间:9:00-18:30)。
(19)中华人民共和国国家知识产权局
(12)实用新型专利
(10)授权公告号
(45)授权公告日
(21)申请号 201920190393.5
(22)申请日 2019.02.11
(73)专利权人 上海逐源机械科技有限公司
地址 200540 上海市金山区工业园区亭卫
公路6558号9幢674室
(72)发明人 许传东
(74)专利代理机构 上海宏京知识产权代理事务
所(普通合伙) 31297
代理人 周高
(51)Int.Cl.
F23G 7/04
(2006.01)
F23G 5/44
(2006.01)
(ESM)同样的发明创造已同日申请发明专利
(54)实用新型名称
一种化工废液焚烧喷枪
(57)摘要
本实用新型提供一种化工废液焚烧喷枪,属
于焚烧喷枪技术领域。本实用新型包括喷头、喷
枪外管,喷头包括焊接底座,焊接底座左侧连接
空气帽,空气帽内部设置有液体帽,液体帽右侧
设置有雾化旋流叶片,喷头右侧连接喷枪外管,
喷枪外管内部设置有喷枪内管,喷枪内管与喷头
内腔相连接,本实用新型能够最大限度的降低有
害物质的生成,减少环境污染,同时雾化良好,故
障率低,能够有效降低系统维修成本,提高系统
运行效益。
权利要求书1页 说明书2页 附图2页
CN 209819556 U
2019.12.20
C
N
2
0
9
8
1
9
5
5
6
U
1.一种化工废液焚烧喷枪,其特征在于,所述一种化工废液焚烧喷枪包括:喷头、喷枪
外管(6),所述的喷头包括焊接底座(4),焊接底座(4)左侧连接空气帽(1),空气帽(1)内部
设置有液体帽(2),液体帽(2)右侧设置有雾化旋流叶片(3),喷头右侧连接喷枪外管(6),所
述的喷枪外管(6)内部设置有喷枪内管(5),喷枪内管(5)与喷头内腔相连接。
2.根据权利要求1所述的一种化工废液焚烧喷枪,其特征在于:所述的喷枪内管(5)通
过喷枪后端堵头(7)与喷枪外管(6)相连接。
3.根据权利要求1所述的一种化工废液焚烧喷枪,其特征在于:所述的液体帽(2)周围
设置有四个导流槽。
权 利 要 求 书
1/1页
2
CN 209819556 U