锅炉辅助设备安装工程检验批质量验收记录表
锅炉工艺管道安装工程检验批质量验收记录表

(Ⅱ)
单位工程名称
分部及部位
施工单位名称
项目经理
施工工艺标准名称及编号
施工质量验收规范的规定
施工单位检查记录
主
控
项
目
1
连接锅炉及辅助设备的工艺管道安装完毕后,必须进行系统的
水压试验,试验压力为系统中最大工作压力的1.5倍
2
管道连接的法兰、焊缝和连接管件以及管道上的仪表、阀门安装
10
3
管道设
备保温
允许偏
差(mm)
厚度
+0.1δ,-0.05δ
表面平整度
卷材
5
涂抹
10
施
工
单
位
检
查
结
果
专业施工员:
施工班组长:
项目专业质检员:
年 月 日
监理
(建设)
单位
验收
结论
专业监理工程师:
(建设单位项目专业技术负责人)
年 月 日
总长度(两侧)
小于焊缝长度的
10%
一
般
项
目
1
管道及设备表面涂漆厚度应均匀,不应有脱皮、起泡、流淌和漏涂等缺陷
2
安
装
允
许
偏
差
(mm)
坐标
架空
15
地沟
10
标高
架空
±15
地沟
±10
水平管‰,最大50
DN>100mm
3‰,最大70
立管垂直
2‰,最大15
成排管道间距
3
交叉管的外壁或绝热层间距
位置应便于检修,并不应紧贴墙壁、楼板或管架
锅炉安全安装工程检验批质量验收记录表参考模板范本

GB50242-2002
051003
单位(子单位)工程名称
分部(子分部)工程名称
验收部位
施工单位
项目经理
分包单位
分包项目经理
施工执行标准名称及编号
施工质量验收规范规定
施工单位检查评定记录
监理(建设)单位验收记录
主控项目
1
锅炉和省煤器安全阀定压
第13.4.1条
2
施工单位检查评定结果
专业工长(施工员)
施工班组长
项目专业质量检查员:年月日
监理(建设)单位验收结论
监理工程师:
(建设单位项目专业技术负责人)年月日
压力表刻度极限、表盘直径
第13.4.2条
3
水位表安装
第13.4.3条
4
锅炉的超温、超压及高低水位报警装置
第13.4.4条
5
安全阀排气管、泄水管安装
第13.4.5条
一般项目
1
压力表安装
第13.4.6条
2
测压仪取源部件安装
第13.4.7条
3
温度计安装
第13Байду номын сангаас4.8条
4
压力表与温度计在管道上相对位置
第13.4.9条
辅助设备及管道安装检验批质量验收记录

辅助设备及管道安装检验批质量验收记录项目名称:XXX工程项目项目地点:XXX地区施工单位:XXX公司施工日期:XXXX年X月X日至XXXX年X月X日一、工程概况:1.1辅助设备及管道安装范围:本工程的辅助设备及管道安装范围主要包括XXX、XXX、XXX等,并根据设计图纸进行线路敷设和设备安装。
1.2设备及材料:使用的设备及材料应符合设计要求,并具有合格的质量证明文件。
二、质量验收记录:2.1材料检验:根据设计要求,对辅助设备及管道安装所使用的材料进行了抽样检验。
通过抽样检验的材料应符合相关标准和要求,并具有合格的质量证明文件。
检验项目:1)材料名称2)材料型号3)抽样数量4)检测结果5)质量证明文件编号样品编号:XXX检测结果:1)检验项目1:-检测结果:合格-质量证明文件编号:XXX2)检验项目2:-检测结果:合格-质量证明文件编号:XXX备注:根据抽样检验结果,所使用的材料符合设计要求,质量良好。
2.2安装质量检验:根据工程设计和施工规范,对辅助设备及管道安装进行了质量检验。
验收过程中发现了以下问题,并及时进行整改。
检验项目:1)安装位置2)连接方式3)固定方式4)安全附件5)泄漏情况6)清洁程度检验结果:1)检验项目1:-检测结果:合格-整改情况:无2)检验项目2:-检测结果:不合格-整改情况:XXX工程师指导施工人员重新安装,已完成整改3)检验项目3:-检测结果:合格-整改情况:无备注:经过整改,辅助设备及管道安装质量符合要求。
三、质量验收结论:经对辅助设备及管道安装进行检验,材料检验合格,部分安装质量不合格并已整改。
整体上,辅助设备及管道安装工程质量达到设计要求和相关规范标准。
根据质量验收结果,本次验收结论为合格。
四、附件:1.设备及材料质量证明文件2.检验记录相关文件验收人签名:日期:监理工程师签名:日期:。
天津市建筑工程专用表格(汇总)

建备表1_竣工验收备案表建设表1_天津市建设工程(地基/基础/主体/竣工)验收通知书建设表2_地基/基础/主体工程质量验收证明书建设表3_勘察单位工程质量检查报告(合格证书)建设表4_设计单位工程质量检查报告(合格证书)建设表5_建设工程质量施工单位(竣工)报告建设表6_监理评估报告建设表7_工程竣工验收报告津监理A1 工程开工报审表津监理A1- 1 工程开工报告津监理A2津监理A3津监理A4津监理A5津监理A6津监理A7津监理A8津监理A9施工组织设计(方案)报审表施工进度计划报审表分包(供货、试验)单位资格报审表工程复工报审表工程物资进场报验申请表()报验申请表分部(子分部)工程报验申请表工程竣工预验收报验申请表津监理A10津监理A11津监理A12津监理A13施工设施(机具、措施用材料)备案表工程款支付申请表工程暂时(最终)延期申请表费用索赔申请表- 1 -津监理A14 监理通知回复单津监理B1 总监理工程师授权通知书津监理B2 项目监理部人员配置(调整)通知书津监理B3 监理通知单津监理B4 工程暂停令津监理B5 工程变更通知单津监理B6 工程竣工预验收报告津监理B6- 1 工程竣工预验收报告目录津监理B6-2 工程竣工预验收小组成员及其分工表津监理B6-3 单位(子单位)工程质量控制资料核查记录表津监理B6-4 单位(子单位)工程安全和功能检验资料核查及主要功能抽查记录表津监理B6-5 单位(子单位)工程观感质量检查记录表津监理B6-6 工程竣工预验收整改意见书津监理B6-7 单位(子单位)工程质量竣工预验收记录津监理B7 现场证物照片津监理C1 监理工作联系单津监理C2 工程变更报审表津监理C3 会议记要津监理F 监理日记津监理G1 监理月报津监A1_工程开工/复工报审表津监A2_施工组织设计(方案)报审表津监A3_分包单位资格报审表津监A4_ ()报验申请表津监A4- 1_砼开盘申请表- 2 -津监A4-2 天津市建设工程质量监督抽查整改结果报告津监B8_ 工程预验收报告津监A5_ 工程款支付申请表津监B8- 1_预验收报告目录津监A6_ 监理工程师通知回复单津监B8-2_预验收小组成员及其分工表津监A7_ 工程暂时(最终)延期申请表津监B8-3_质量保证资料检查记录表津监A8_ 费用索赔申请表津监B8-4_工程预验收整改意见表津监A9_ 工程材料/构配件/设备报审表津监B8-5 单位工程质量综合评定表津监A10_ 工程竣工报验单(预验收) 津监B8-6_ 单位工程质量保证资料核定表津监B1_ 监理工程师通知单津监B8-7_工程观感质量评定表津监B2_ 工程暂停令津监B8-8_漏保、插座通电试验记录表津监B3_ 工程款支付证书津监B8-9 有地漏房间闭水试验记录表津监B4_ 工程暂时(最终)延期审批表津监B9A_ 监理业务手册津监B5_ 监理会议记要津监B9B_ 监理业务手册津监B6_ 费用索赔审批表津监C1_监理工作联系单津监B7_ 现场证物照片记录津监C2_工程变更单- 3 -津监C3_技术交底记录津监C4_旁站监理记录表津监钢-01_钢结构安装工程施工旁站监理前相关情况审查表津监钢-02_钢结构安装工程施工旁站监理日记津监砼-01_混凝土浇筑工程施工旁站监理前相关情况审查表津监砼-02-01_砼浇筑工程旁站监理日记(现场搅拌砼) 津监砼-02-02_砼浇筑工程旁站监理日记(商品砼)津监桩-01_建造桩基工程施工旁站监理前相关情况审查表(灌注桩)津监桩-02-01_灌注桩桩基工程施工旁站监理日记(现场搅拌砼)津监桩-02-02_灌注桩桩基工程施工旁站监理日记(商品砼)津资工程质量控制资料K- 1_ 图纸会审、设计变更、洽商记录K-J2- 1_工程定位测量、放线、水准点引测记录K-J2-2_工程定位测量、放线、水准点引测经过记录K-3 ()材料汇总表K-J3- 1 原材料(构配件)进场验收记录K-4 ()检(试)验报告汇总表K-J4-8 混凝土试块试验报告汇总表K-J4-9 混凝土强度检验评定表K-J4- 16_砂浆抗压强度试验报告汇总表K-5_()记录汇总表- 4 -K-J5- 1_隐蔽工程验收记录K-J5-2_钢筋隐蔽工程检查验收记录K-J5-3_预应力隐蔽工程检查验收记录K-J5-4_幕墙金属框架防雷连接隐蔽验收记录K-6_施工记录K-J6- 1 现场混凝土施工、养护检查记录K-J6-2 混凝土测温施工记录K-J6-3 预应力混凝土钢筋张拉施工记录K-J6-4 预应力灌浆记录K-J6-5 装配式(吊装)工程检查验收记录K-J6-6 焊接材料烘焙记录K-J6-7 幕墙工程结构胶、养护环境的温度、湿度记录K-J6-8 双组份硅酮结构胶的混匀性试验记录及拉断试验记录K-J8- 1 基坑(槽)工程施工验收记录K-J8-2- 1 地基触(钎)探记录K-J8-2-2 地基触(钎)探记录K-J8-3_地基处理工程验收记录K-J8-4_复合地基工程施工质量验收记录K-J8-5_桩基工程施工验收记录K-J8-6_混凝土实体检测天气温度累计记录K-J8-7 结构实体混凝土强度记录K-J8-8 结构实体钢筋保护层厚度记录K- 10- 1_工程质量事故调查报告K- 10-2_工程质量事故调查处理结果K- 11_新材料、新工艺施工记录K-S2- 1_室内给排水、采暖工程主要材料进场验收记录- 5 -K-S2-2_设备开箱检查记录K-S2-3 塑料管材检验报告K-S2-4 塑料复合管材检验报告K-S3_承压管道系统、设备、阀门强度及严密性试验记录K-S4- 1_室内给排水、采暖工程隐蔽验收记录K-S4-2_低温地板辐射采暖隐蔽工程验收记录K-S5- 1_非承压管道、设备灌水试验记录K-S5-2_排水管道通球试验记录K-S5-3_通水、冲洗试验记录K-S6- 1_地漏排水试验记录K-S6-2_室内消火栓系统测试记录K-S6-3_设备单机试运转记录K-S6-4_ 采暖系统试运行调试记录K-S6-5_锅炉安全附件安装检查及调试记录K-S6-6_锅炉试运行记录K-K3- 1_制冷系统气密性试验记录K-K3-2_风管漏光检测记录K-K3-3_风管漏风检测记录K-K3-4 现场组装除尘器、空调机漏风检测记录K-K5_制冷设备运行调试记录K-K6_通风、空调系统调试记录K-K7_冷却水、冷(热)水系统及制冷系统冲洗(吹污) 试验记录K-D2_ 电气设备、材料进场验收记录K-D3_ 电气设备()记录汇总表K-D3- 1_ 电气系统、设备调试、电动机抽芯检查记录- 6 -K-D3-2_低压电气设备交接试验记录K-D3-3_低压电气系统、设备()试运行记录K-D3-4_发机电交接试验、试运转记录K-D4- 1_低压电气设备、普通电气设备绝缘电阻测试记录K-D4-2_景观、庭院灯绝缘电阻测试记录K-D4-3_()接地电阻测试记录K-D5- 1_封闭、插接母线隐蔽工程验收记录K-D5-2_桥架、线槽隐蔽工程验收记录K-D5-3_直埋、缆沟电缆隐蔽工程验收记录K-D5-4_ 电线、电缆导管隐蔽工程验收记录K-D5-5_大、重型灯具固定、悬吊装置隐蔽验收记录K-D5-6_人工接地体隐蔽工程验收记录K-D5-7_接地装置、避雷、等电位隐蔽工程验收记K-Z2 设备材料进场验收记录K-Z4- 1 系统调试记录K-Z4-2 设备调试记录K-Z4-3 系统功能检测记录K-Z4-3- 1 专用仪器检测结果分析记录K-Z4-3-2 路线检测记录K-Z5 系统技术、操作和维护手册汇总表K-Z6 系统管理、操作人员培训记录K-Z7 设备安装工程检验批质量验收记录津资K-T1_土建布置图纸会审、设计变更、洽商记录津资K-T3_隐蔽工程验收表津资K-T4- 1_施工记录津资K-T5_接地电阻、绝缘电阻测试记录- 7 -津资K-T6- 1_负荷试验记录津资K-T6-2_安装装置检查记录津资施工验收资料津资-0_施工现场质量管理检查记录津资- 1_单位(子单位)工程质量竣工验收记录津资-2_单位(子单位)工程质量控制资料核查记录津资-3_单位(子单位)工程安全和功能检验资料核查及主要功能抽查记录津资-4_单位(子单位)工程观感质量检查记录津资-JN 节能工程()(子分部)分项工程质量验收记录表津资-5_分部工程质量验收记录分部工程质量验收记录津资-5_子分部工程质量验收记录子分部工程质量验收记录津资-6_分项工程质量验收记录分项工程质量验收记录津资-7 检验批质量验收记录津资K-J9-D_地基与基础工程津资K-J9-D-01_土方开挖工程检验批质量验收记录表津资K-J9-D-02_土方回填工程检验批质量验收记录表津资K-J9-D-03_排桩墙支护工程检验批质量验收记录表(重复使用钢板桩)( Ⅰ)津资K-J9-D-04_排桩墙支护工程检验批质量验收记录表(混凝土板桩)(Ⅱ)津资K-J9-D-05_降水与排水工程检验批质量验收记录表津资K-J9-D-06_地下连续墙工程检验批质量验收记录表- 8 -(Ⅱ)津资K-J9-D-07_锚杆及土钉墙支护工程检验批质量验收记录表津资K-J9-D-08_加筋水泥土桩墙支护工程检验批质量验收记录表津资K-J9-D-09_钢或者混凝土支撑工程检验批质量验收记录表津资K-J9-D- 10_灰土地基工程检验批质量验收记录表津资K-J9-D- 11_砂和砂石地基检验批质量验收记录表津资K-J9-D- 12_土工合成材料地基工程检验批质量验收记录表津资K-J9-D- 13_粉煤灰地基工程检验批质量验收记录表津资K-J9-D- 14_强夯地基工程检验批质量验收记录表津资K-J9-D- 15_预压地基工程检验批质量验收记录表津资K-J9-D- 16_高压喷射注浆地基工程检验批质量验收记录表津资K-J9-D- 17_土和灰土挤密桩复合地基检验批质量验收记录表津资K-J9-D- 18_注浆地基检验批质量验收记录表津资K-J9-D- 19_水泥粉煤灰碎石桩复合地基工程检验批质量验收记录表津资K-J9-D-20_夯实水泥土桩复合地基工程检验批质量验收记录表津资K-J9-D-21_水泥土搅拌桩地基工程检验批质量验收记录表津资K-J9-D-22_静力压桩工程检验批质量验收记录表津资K-J9-D-23_预应力管桩工程检验批质量验收记录表津资K-J9-D-24_混凝土预制桩(钢筋骨架)工程检验批质- 9 -量验收记录表( Ⅰ)津资K-J9-D-25_混凝土预制桩工程检验批质量验收记录表(Ⅱ)津资K-J9-D-26_钢桩(成品)工程检验批质量验收记录表( Ⅰ)津资K-J9-D-27_钢桩施工检验批质量验收记录表(Ⅱ) 津资K-J9-D-28_混凝土灌注桩(钢筋笼)工程检验批质量验收记录表( Ⅰ)津资K-J9-D-29_混凝土灌注桩工程检验批质量验收记录表(Ⅱ)津资K-J9-F_地下防水工程津资K-J9-F-01_防水混凝土检验批质量验收记录表津资K-J9-F-02_水泥砂浆防水层检验批质量验收记录表津资K-J9-F-03_卷材防水层检验批质量验收记录表津资K-J9-D-04_涂料防水层检验批质量验收记录表津资K-J9-F-05_细部构造检验批质量验收记录表津资K-J9-F-06_锚喷支护检验批质量验收记录表津资K-J9-F-07_地下连续墙检验批质量验收记录表津资K-J9-F-08_渗排水、盲沟排水检验批质量验收记录表津资K-J9-H_混凝土工程津资K-J9-H-01_模板安装工程检验批质量验收记录表( Ⅰ)津资K-J9-H-02_模板拆除工程检验批质量验收记录表(Ⅲ)津资K-J9-H-03_预制构件模板工程检验批质量验收记录表(Ⅱ)津资K-J9-H-04_钢筋加工检验批质量验收记录表( Ⅰ)- 10 -津资K-J9-H-05_钢筋安装工程检验批质量验收记录表(Ⅱ)津资K-J9-H-06_混凝土原材料及配合比设计检验批质量验收记录表( Ⅰ)津资K-J9-H-07_混凝土施工检验批质量验收记录表(Ⅱ) 津资K-J9-H-08_预应力原材料检验批质量验收记录表( Ⅰ)津资K-J9-H-09_预应力制作与安装检验批质量验收记录表(Ⅱ)津资K-J9-H- 10_预应力张拉、放张、灌浆及封锚检验批质量验收记录表(Ⅲ)津资K-J9-H- 11_现浇结构外观及尺寸偏差检验批质量验收记录表( Ⅰ)津资K-J9-H- 12_混凝土设备基础外观及尺寸偏差检验批质量验收记录表(Ⅱ)津资K-J9-H- 13_预制构件检验批质量验收记录表( Ⅰ) 津资K-J9-H- 14_装配式结构施工检验批质量验收记录表(Ⅱ)津资K-J9-Q_砌体工程津资K-J9-Q-01_砖砌体(混水)工程检验批质量验收记录表津资K-J9-Q-02_混凝土小型空心砌块砌体工程检验批质量验收记录表津资K-J9-Q-03_石砌体工程检验批质量验收记录表津资K-J9-Q-04_填充砌体工程检验批质量验收记录表津资K-J9-Q-05_配筋砌体工程检验批质量验收记录表津资K-J9-G_钢结构工程津资K-J9-G-01_钢结构制作(安装)焊接工程检验批质量- 11 -验收记录表( Ⅰ)津资K-J9-G-02_焊钉(栓钉)焊接工程检验批质量验收记录表(Ⅱ)津资K-J9-G-03_普通紧固件连接工程检验批质量验收记录表( Ⅰ)津资K-J9-G-04_高强度螺栓连接工程检验批质量验收记录表(Ⅱ)津资K-J9-G-05_钢结构零、部件加工工程检验批质量验收记录表( Ⅰ)津资K-J9-G-08_单层钢构件安装工程检验批质量验收记录表津资K-J9-G-06_钢构件组装工程检验批质量验收记录表津资K-J9-G-07_钢构件预拼装工程检验批质量验收记录表津资K-J9-G-09_多层及高层钢构件安装工程检验批质量验收记录表津资K-J9-G- 10_钢网架制作工程检验批质量验收记录表津资K-J9-G- 11_钢网架安装工程检验批质量验收记录表津资K-J9-G- 12_压型金属板工程检验批质量验收记录表津资K-J9-G- 13_防腐涂料涂装工程检验批质量验收记录表津资K-J9-G- 14_防火涂料涂装工程检验批质量验收记录表津资K-J9-M_地面工程津资K-J9-M-01_基土垫层检验批质量验收记录表(Ⅰ) 津资K-J9-M-02_灰土垫层检验批质量验收记录表(Ⅱ) 津资K-J9-M-03_砂垫层和碎砖垫层检验批质量验收记录表(Ⅲ)- 12 -津资K-J9-M-04_碎石垫层和碎砖垫层检验批质量验收记录表(Ⅳ)津资K-J9-M-05_三合土垫层检验批质量验收记录表(Ⅴ) 津资K-J9-M-06_沪渣垫层检验批质量验收记录表(Ⅵ) 津资K-J9-M-07_水泥混凝土垫层检验批质量验收记录表(Ⅶ)津资K-J9-M-08_找平层检验批质量验收记录表(Ⅷ) 津资K-J9-M-09_隔离层检验批质量验收记录表(Ⅸ) 津资K-J9-M- 10_填充层检验批质量验收记录表(Ⅹ) 津资K-J9-M- 11_水泥混凝土面层检验批质量验收记录表津资K-J9-M- 12_水磨石面层检验批质量验收记录表津资K-J9-M- 13_水泥钢屑检验批质量验收记录表津资K-J9-M- 14_防油渗面层检验批质量验收记录表津资K-J9-M- 15_不发火(防爆)面层检验批质量验收记录表津资K-J9-M- 16_砖面层检验批质量验收记录表津资K-J9-M- 17_大理石和花岗石面层检验批质量验收记录表津资K-J9-M- 18_预制板面层检验批质量验收记录表津资K-J9-M- 19_料石面层检验批质量验收记录表津资K-J9-M-20_塑料板面层检验批质量验收记录表津资K-J9-M-21_活动地板面层检验批质量验收记录表津资K-J9-M-22_地毯面层检验批质量验收记录表津资K-J9-M-23_实木地板面层检验批质量验收记录表津资K-J9-M-24_实木复合地板面层检验批质量验收记录表津资K-J9-M-25_ 中密度(强化)复合地板面层检验批质量- 13 -验收记录表津资K-J9-M-26_竹地板面层检验批质量验收记录表津资K-J9-Z_装饰装修工程津资K-J9-Z-01_普通抹灰工程检验批质量验收记录表津资K-J9-Z-02_装饰抹灰工程检验批质量验收记录表津资K-J9-Z-03_清水砌体勾缝工程检验批质量验收记录表津资K-J9-Z-04_木门窗制作工程检验批质量验收记录表( Ⅰ)津资K-J9-Z-05_木门窗安装工程检验批质量验收记录表(Ⅱ)津资K-J9-Z-06_金属门窗(钢门窗)安装工程检验批质量验收记录表( Ⅰ)津资K-J9-Z-07_金属门窗(铝合金门窗)安装工程检验批质量验收记录表(Ⅱ)津资K-J9-Z-08_塑料门窗安装工程检验批质量验收记录表津资K-J9-Z-09_特种门安装工程检验批质量验收记录表津资K-J9-Z- 10_ 门窗玻璃安装工程检验批质量验收记录表津资K-J9-Z- 11_暗龙骨吊顶工程检验批质量验收记录表津资K-J9-Z- 12_ 明龙骨吊顶工程检验批质量验收记录表津资K-J9-Z- 13_板材隔墙工程检验批质量验收记录表津资K-J9-Z- 14_骨架隔墙工程检验批质量验收记录表津资K-J9-Z- 15_活动隔墙工程检验批质量验收记录表津资K-J9-Z- 16_玻璃隔墙工程检验批质量验收记录表津资K-J9-Z- 17_饰面板安装工程检验批质量验收记录表津资K-J9-Z- 18_饰面砖粘贴工程检验批质量验收记录表- 14 -津资K-J9-Z- 19_玻璃幕墙工程检验批质量验收记录表(主控项目)( Ⅰ)津资K-J9-Z-20_玻璃幕墙工程检验批质量验收记录表(普通项目)(Ⅱ)津资K-J9-Z-21_金属幕墙工程检验批质量验收记录表(主控项目)( Ⅰ)津资K-J9-Z-22_金属幕墙工程检验批质量验收记录表(普通项目)(Ⅱ)津资K-J9-Z-23_石材幕墙工程检验批质量验收记录表(主控项目)( Ⅰ)津资K-J9-Z-24_石材幕墙工程检验批质量验收记录表(普通项目)(Ⅱ)津资K-J9-Z-25_水性涂料涂饰工程检验批质量验收记录表津资K-J9-Z-26_溶剂型涂料涂饰工程检验批质量验收记录表津资K-J9-Z-27_美术涂饰工程检验批质量验收记录表津资K-J9-Z-28_裱糊工程检验批质量验收记录表津资K-J9-Z-29_软包工程检验批质量验收记录表津资K-J9-Z-30_橱柜制作与安装工程检验批质量验收记录表津资K-J9-Z-31_窗帘盒、窗台板和散热器罩制作与安装工程检验批质量验收记录表津资K-J9-Z-32_ 门窗套制作与安装工程检验批质量验收记录表津资K-J9-Z-33_护栏和扶手制作与安装工程检验批质量验收记录表津资K-J9-Z-34_花饰制作与安装工程检验批质量验收记- 15 -录表津资K-J9-W_屋面工程津资K-J9-W-01_屋面保温层检验批质量验收记录表津资K-J9-W-02_屋面找平层检验批质量验收记录表津资K-J9-W-03_卷材防水层检验批质量验收记录表津资K-J9-W-04_涂膜防水层检验批质量验收记录表津资K-J9-W-05_细石混凝土防水层检验批质量验收记录表津资K-J9-W-06_密封材料嵌缝检验批质量验收记录表津资K-J9-W-07_平瓦屋面检验批质量验收记录表津资K-J9-W-08_油毡瓦屋面检验批质量验收记录表津资K-J9-W-09_金属板材屋面检验批质量验收记录表津资K-J9-W- 10_细部构造检验批质量验收记录表津资K-J9-W- 11_架空屋面检验批质量验收记录表津资K-J9-W- 12_蓄水、种植屋面检验批质量验收记录表津资-JN 节能工程津资K-JN 节能工程津资K-JN-01 节能工程屋面检验批质量验收津资K-JN-02 节能工程外墙检验批质量验收记录津资K-JN-03 节能工程外门窗及玻璃检验批质量验收记录津资K-JN-04 节能工程地面检验批质量验收记录津资K-JN-05 节能工程非采暖公共间检验批质量验收记录津资-S7_给排水与采暖津资K-S7_给排水与采暖津资K-S7-01_室内给水管道及配件安装工程检验批质- 16 -量验收记录表津资K-S7-02_室内消火栓系统安装工程检验批质量验收记录表津资K-S7-03_给水设备安装工程检验批质量验收记录表津资K-S7-04_室内排水管道及配件安装工程检验批质量验收记录表津资K-S7-05_雨水管道及配件安装工程检验批质量验收记录表津资K-S7-06_室内热水管道及配件安装工程检验批质量验收记录表津资K-S7-07_热水供应系统辅助设备安装工程检验批质量验收记录表津资K-S7-08_卫生器具及给水配件安装工程检验批质量验收记录表津资K-S7-09_卫生器具排水管道安装工程检验批质量验收记录表津资K-S7- 10_室内采暖管道及配件安装工程检验批质量验收记录表津资K-S7- 11_室内采暖辅助设备及散热器及金属辐射板安装工程检验批质量验收记录表津资K-S7- 12_低温热水地板辐射采暖安装工程检验批质量验收记录表津资K-S7- 13_室外给水管道安装工程检验批质量验收记录表津资K-S7- 14_室外消防水泵结合器入消火栓安装工程检验批质量验收记录表津资K-S7- 15_管沟及井室检验批质量验收记录表- 17 -津资K-S7- 16_室外排水管道安装工程检验批质量验收记录表津资K-S7- 17_室外排水管沟及井池工程检验批质量验收记录表津资K-S7- 18_室外供热管道及配件安装工程检验批质量验收记录表津资K-S7- 19_建造中水系统及游泳池水系统安装工程检验批质量验收记录表津资K-S7-20_锅炉安装工程检验批质量验收记录表津资K-S7-21_锅炉辅助设备安装工程检验批质量验收记录表津资K-S7-22_工艺管道安装工程检验批质量验收记录表津资K-S7-23_锅炉安全附件安装工程检验批质量验收记录表津资K-S7-24_换热站安装工程检验批质量验收记录表津资-D7_建造电气津资K-D7_建造电气津资K-D7-01_架空路线及杆上电气设备安装检验批质量验收记录表津资K-D7-02_变压器、箱式变电所安装检验批质量验收记录表津资K-D7-03_成套配电柜、控制柜(屏、台)和动力、照明配电箱(盘)安装检验批质量验收记录表(Ⅰ)高压开关柜津资K-D7-04_成套配电柜、控制柜(屏、台)和动力、照明配电箱(盘)安装检验批质量验收记录表(Ⅱ)低压成套柜(屏、台)- 18 -津资K-D7-05_成套配电柜、控制柜(屏、台)和动力、照明配电箱(盘)安装检验批质量验收记录表(Ⅲ)照明配电箱(盘)津资K-D7-06_低压电动机、电加热器及电动执行机构检查接线检验批质量验收记录表津资K-D7-07_柴油发机电组安装检验批质量验收记录表津资K-D7-08_不间断电源安装检验批质量验收记录表津资K-D7-09_低压电气动力设备试验和试运行检验批质量验收记录表津资K-D7- 10_裸母线、封闭母线、插接式母线安装检验批质量验收记录表津资K-D7- 11_ 电缆桥架安装和桥架内电缆敷设检验批质量验收记录表津资K-D7- 12_ 电缆沟内和电缆竖井内电缆敷设检验批质量验收记录表津资K-D7- 13_ 电线导管、电缆导管和线槽敷设检验批质量验收记录表(Ⅰ)津资K-D7- 14_ 电线导管、电缆导管和线槽敷设检验批质量验收记录表(Ⅱ)津资K-D7- 15_ 电线、电缆穿管和线槽敷线检验批质量验收记录表津资K-D7- 16_槽板配线检验批质量验收记录表津资K-D7- 17_钢索配线检验批质量验收记录表津资K-D7- 18_ 电缆头制作、接线和路线绝缘测试检验批质量验收记录表津资K-D7- 19_普通灯具安装检验批质量验收记录表津资K-D7-20_专用灯具安装检验批质量验收记录表- 19 -津资K-D7-21_建造物景观照明灯、航空障碍标志灯和庭院灯安装检验批质量验收记录表津资K-D7-22_开关、插座、风扇安装检验批质量验收记录表津资K-D7-23_建造物照明通电试运检验批质量验收记录表津资K-D7-24_接地装置安装检验批质量验收记录表津资K-D7-25_避雷引下经和变配电室接地干线敷设检验批质量验收记录表(Ⅰ)防雷下线津资K-D7-26_避雷引下线和变配电室接地干线敷设检验批质量验收记录表(Ⅱ)变配电室接地干线津资K-D7-27_接闪器安装检验批质量验收记录表津资K-D7-28_建造物等电位联结检验批质量验收记录表津资-K8_通风与空调津资K-K8_通风与空调津资K-K8-01_风管与配件制作检验批质量验收记录表(金属风管)( Ⅰ)津资K-K8-02_风管与配件制作检验批质量验收记录表(非金属、复合材料风管) (Ⅱ)津资K-K8-03_风管部件与消声器制作检验批质量验收记录表津资K-K8-04_风管系统安装检验质量验收记录表(送、排风,除尘系统) ( Ⅰ)津资K-K8-05_风管系统安装检验质量验收记录表(空调系统)(Ⅱ)津资K-K8-06_风管系统安装检验质量验收记录表(净化空调系统)(Ⅲ)- 20 -津资K-K8-07_通风机和安装检验质量验收记录表津资K-K8-08_通风与空调设备安装检验批质量验收记录表(送、排风,防排烟,除尘系统)(Ⅰ)津资K-K8-09_通风与空调设备安装检验批质量验收记录表(空调系统)(Ⅱ)津资K-K8- 10_通风与空调设备安装检验批质量验收记录表(净化空调系统) (Ⅲ)津资K-K8- 11_空调制冷系统安装检验批质量验收记录表津资K-K8- 12_空调水系统安装检验批质量验收记录表(金属管道)( Ⅰ)津资K-K8- 13_空调水系统安装检验批质量验收记录表(非金属管道)(Ⅱ)津资K-K8- 14_空调水系统安装检验批质量验收记录表(设备)(Ⅲ)津资K-K8- 15_工程系统调试验收记录表津资K-K8- 16_防腐与绝热施工检验批质量验收记录(风管系统)( Ⅰ)津资K-K8- 17_防腐与绝热施工检验批质量验收记录表(管道系统)(Ⅱ)津资K-T7-00_ 电梯分部工程质量验收记录表0901_ 电力子分部电梯工程施工质量验收资料‖电力驱动的曳引式或者强制式电梯津资K-T7-01 电力驱动的曳引式或者强制式电梯子分部工程质量验收记录表090101_设备进场质量验收记录表- 21 -。
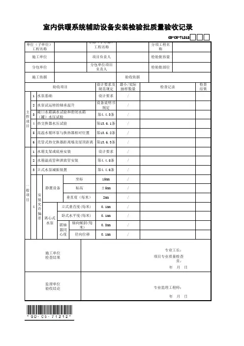
室内供暖系统辅助设备安装检验批质量验收记录

设计要求及 最小/实际 规范规定 抽样数量
设计要求
/
设备说明书 规定
/
第4.4.3条
/
第13.6.1条
/
第13.6.2条
/
GD-C5-71212 分项工程名
称 检验批容量
检验批部位
检查记录
检查 结果
6 壳管式热交换器距离墙及屋顶距离 第13.6.3条
/
1 水箱支架或底座安装
设计要求
/
2 水箱溢流管和泄放管安装
第4.4.5条
/
3 立式水泵减振装置
第4.4.6条
/
坐标
15mm
/
பைடு நூலகம்
一 般
静置设备
标高
±5mm
/
项安 目装
垂直度(每米)
2mm
/
4
允 许
立式垂直度(每米)
0.1mm
/
偏 差 离心式
卧式水平度(每米)
0.1mm
/
水泵
联轴 器同
轴向倾斜(每 米)
0.8mm
/
心度 径向位移
0.1mm
/
施工单位 检查结果
专业工长:
项目专业质量检查 员:
年月日
监理单位 验收结论
GD-C5-71212
专业监理工程师: 年月日
室内供暖系统辅助设备安装检验批质量验收记录
单位(子单位) 工程名称
分部(子分部) 工程名称
施工单位
项目负责人
分包单位
分包单位项目 负责人
施工依据
验收依据
验收项目
1 水泵基础
2 水泵试运转的轴承温升
主 控
3
敞口水箱满水试验和密闭水箱 (罐)水压试验
《锅炉安装工程检验批质量验收记录》填写说明与依据

《锅炉安装工程检验批质量验收记录》填写说明与依据一、总说明(1)适用范围,适用于建筑供热和生活热水供应的额定工作压力不大于125MPa.热水温度不超过130%的整装蒸汽和热水锅妒及辅助设备安装工程的质量检验与验收。
(2)检验批的划分:室外供热管道及配件安装分项工程应按系统、区城、施工段或楼层等划分。
分项工程应划分成若干检验批进行验收。
(3)验收人员:由监理工程师(建设单位项目专业技术负责人)组织施工单位项目经理和有关勘察、设计单位项目负责人等进行验收。
二、表格项目填写说明1.主控项目(1)锅炉基础验收1)规范要求:锅炉设备基础的混凝土强度必须达到设计要求,基础的坐标、标高、几何尺寸和螺栓孔位置应符合下表12-43 的规定。
锅炉及辅助设备基础的允许偏差和检验方法表12-432)检查数量:全数检查。
(2)燃油、燃汽及非承压锅炉安装1)规范要求;非承压锅炉,应严格按设计或产品说明书的要求施工。
锅简顶部必须敞口或装设大气连通管,连通管上不得安装阀门。
检查方法:对照设计图纸或产品说明书检查。
2)规范要求:以天然气为燃料的锅炉的天然气释放管或大气排放管不得直接通向大气,应通向贮存或处理装置。
检查方法:对照设计图纸检查。
3)规范要求:两台或两台以上燃油锅炉共用一个烟肉时,每一台锅炉的烟道上均应配备风阀或挡板装置,并应具有操作调节和闭锁功能。
检查方法:观察和手扳检查。
检查数量:全数检查。
山建市卫建生市公间中的大为工(3)锅炉烘炉和试运行1)规范要求:锅炉火焰烘炉应符合下列规定火焰应在炉膛中央燃烧,不应直接烧烤炉墙及炉拱。
烘炉时间一般不少于4d,升温应缓慢,后期烟温不应高于160C,且持续时间不应少于24h。
链条炉排在烘炉过程中应定期转动。
烘炉的中、后期应根据锅炉水水质情况排污。
检查方法:计时测温、操作观察检查。
2)规范要求:锅炉结束后应符合下列规定:①炉墙经烘烤后没有变形,裂纹及塌落现象。
2炉墙砌筑砂浆含水率达到7%以下。
1-2-7给排水-26-1_供热锅炉辅助设备及管道安装工程检验批质量验收记录(表一)
123
45678910
14567891焊口 平直度连续长度
总长度
(两侧)6410261验收部位项目经理专业工长施工班组长分包项目
经 理
施工单位检查评定记录15
第13.3.8条
管壁厚1/4
+1m
小于0.5mm
第13.3.4条
第13.3.5条
第13.3.6条
第13.3.7条
25mm
小于焊缝长度的10%
10
±5
规范规定
第13.3.1条
≤60℃
≤80℃
<0.10mm
<0.08mm
第13.3.3条
<1000r/min 1000~1450r/min 坐 标标 高坐 标滑动轴承滚动轴承管道焊接质量
送、引风机
各种静置 设备(各种
容器、箱、
缺罐等)焊缝 加强面咬
边管壁厚
10mm以内高度
操作通道的净距法兰、焊缝和连接管件及仪表、阀门的安装位23宽度
深度长 度310辅助设备基础的混凝土强度风机试运转、轴承温升
轴承径向单幅
分汽缸水压试验敞口箱、罐安装满水试验地下直埋油罐气密性试验锅炉设备的工艺管道水压试验供热锅炉辅助设备及管道安装工程检验批质量验收记录(表一)
1.2.7给排水-26-1
工程名称
施工单位
施工执行标准名称及编号
分包单位主控项目2
轴向倾斜 (1m)径向位移
0.1
0.8
0.1±52
垂直度(1m)泵体水平度(1m)联轴器同心度标 高设备安装的各种静置
设备(各种
容器、箱、 缺罐等)离 心 式 水 泵11
一)
监理(建设)单位验收记录。
集中供暖工程监理文件
(三)集中供暖工程监理文件工程名称:监理单位:送审人:联系方式:日期:有( ) 无( ) 必补资料( )序号文件材料名称备注一综合性文件材料1 建设工程监理单位资质、监理工程师证件复印件加盖公章2 工程监理规划、细则3 工程竣工施工质量自评报告4 质量事故报告及处理意见5 竣工移交证书6 监理工作总结7 监理日志8 旁站记录9 例会纪要二承包单位文件材料1 工程开工/ 复工报审表2 施工组织设计(方案)报审表3 设计交底及图纸会审纪要4 分包单位资格报审表5 报验申请表6 工程款支付申请表7 监理工程师通知回复单8 工程临时延期申请表9 费用索赔申请表10 工程材料/ 构配件/ 设备报申表11 工程竣工报验表12 承包单位通用申报表三监理单位文件材料1 建设工程质量评价意见报告(1)单位工程竣工质量评价意见报告(2)其他分部工程质量评价意见报告2 监理工程师通知单3 工程暂停令4 工程款支付证书15 工程临时延期审批表6 工程临时最终延期审批表7 费用索赔审批表8 监理工作联系单9 工程变更单10 监理工程师检查记录表(1)监理工程师(管道、阀门强度及严密性试验)检查记录表(2)监理工程师(试运行)检查记录表(3)室内采暖管道及配件安装工程检验批质量验收记录表室内采暖辅助设备及散热器及金属辐射板安装工程检验批质(4)量验收记录表(5)管沟及井管检验批质量验收记录表(6)室外供热管道及配件安装工程检验批质量验收记录表(7)锅炉安装工程检验批质量验收记录表(8)锅炉辅助设备及安装工程检验批质量验收记录表(9)锅炉房工艺管道安装工程检验质量验收记录表(10)锅炉安全附件安装工程检验批质量验收记录表(11)室内给水管道及配件安装工程检验批质量验收记录表(12)室内排水管道及配件安装工程检验批质量验收记录表(13)卫生器具及给水配件安装工程检验批质量验收记录表(14)卫生器具排水管道安装工程检验批质量验收记录表(15)电线导管、电缆导管和线槽敷设检验批质量验收记录表(16)电线、电缆穿管和线槽敷线检验批质量验收记录表(17)电缆头制作、接线和线路绝缘测试检验批质量验收记录表(18)成套配电柜、控制柜( 屏、台) 和动力、照明配电箱(盘) 安装检验批质量验收记录表(19)开关、插座、风扇安装检验批质量验收记录表(20)普通灯具安装检验批质量验收记录表(21)建筑物照明通电试运行检验批质量验收记录表(22)接地装置安装检验批质量验收记录表(23)避雷引下线和变配电室接地干线敷设检验批验收记录表(24)建筑物等电位联结检验批质量验收记录表(25)接闪器安装检验批质量验收记录表(26)通风机安装检验质量验收记录表(27)锅炉房建筑分部工程检验质量验收记录表2。
检验批表格
常用检验批质量验收记录表格统表1,施工现场质量管理检查记录津资统表零2,单位(子单位)工程质量竣工验收记录津资统表一3,单位(子单位)工程质量控制资料合成记录津资统表二4,单位(子单位)工程安全和功能检验资料核查及主要功能抽查记录津资统表三5,单位(子单位)工程观感质量检查记录津资统表四6,_______分部(子分部)工程质量验收记录津资统表五7,_______分部工程质量验收记录津资统表六一、地基与基础工程1、无支护土方土方开挖工程检验批质量验收记录津资JYP1-01土方回填工程检验批质量验收记录津资JYP1-022、支护土方排桩墙支护工作检验批质量验收记录Ⅰ,重复使用钢板桩(Ⅰ)津资JYP1-03 Ⅱ,混凝土板桩(Ⅱ)津资JYP1-04 降水与排水工程检验批质量验收记录津资JYP1-05地下连续墙工程检验批质量验收记录津资JYP1-06锚杆及图钉墙支护工程检验批质量验收记录津资JYP1-07加筋水泥土桩墙支护工程检验批质量验收记录津资JYP1-08钢或混凝土支撑工程检验批质量验收记录津资JYP1-093、地基处理灰土地基工程检验批质量验收记录津资JYP1-10砂和砂石地基检验批质量验收记录津资JYP1-11土工合成材料地基工程检验批质量验收记录津资JYP1-12粉煤灰地基工程检验批质量验收记录津资JYP1-13强夯地基工程检验批质量验收记录津资JYP1-14预压地基工程检验批质量验收记录津资JYP1-15高压喷射注浆地基工程检验批质量验收记录津资JYP1-164、桩基土和灰土挤密桩复合地基工程检验批质量验收记录津资JYP1-17注浆地基检验批质量验收记录津资JYP1-18水泥粉煤灰碎石桩复合地基工程检验批质量验收记录津资JYP1-19夯实水泥土桩复合地基工程检验批质量验收记录津资JYP1-20水泥土搅拌桩地基工程检验批质量验收记录津资JYP1-21静力压柱工程检验批质量验收记录津资JYP1-22预应力管桩工程检验批质量验收记录津资JYP1-23混凝土预制桩(钢筋骨架)工程检验批质量验收记录(Ⅰ)津资JYP1-24混凝土预制桩工程检验批质量验收记录(Ⅱ)津资JYP1-25 钢桩(成品)工程检验批质量验收记录(Ⅰ)津资JYP1-26 刚桩施工检验批质量验收记录(Ⅱ)津资JYP1-27 混凝土灌注桩(钢筋笼)工程检验批质量验收记录(Ⅰ)津资JYP1-28 混凝土灌注桩工程检验批质量验收记录(Ⅱ)津资JYP1-29 5、地下防水防水混凝土检验批质量验收记录津资JYP1-30 水泥砂浆防水层检验批质量验收记录津资JYP1-31 卷材防水层检验批质量验收记录津资JYP1-32 涂料防水层检验批质量验收记录津资JYP1-33 细部构造检验批质量验收记录津资JYP1-34 锚喷支护检验批质量验收记录津资JYP1-35 地下连续墙检验批质量验收记录津资JYP1-36 渗排水、盲沟排水检验批质量验收记录津资JYP1-37二,主体结构1、混凝土工程模板安装工程检验批质量验收记录(Ⅰ)津资JYP2-01 预制构件模板工程检验批质量验收记录(Ⅱ)津资JYP2-02 模板拆除工程检验批质量验收记录(Ⅲ)津资JYP2-03 钢筋加工检验批质量验收记录津资JYP2-04 钢筋安装工程检验批质量验收记录津资JYP2-05 混凝土原材料及配合比设计建议批质量验收记录津资JYP2-06 混凝土施工检验批质量验收记录津资JYP2-07 预应力原材料检验批质量验收记录(Ⅰ)津资JYP2-08 预应力制作与安装检验批质量验收记录(Ⅱ)津资JYP2-09 预应力张拉、放张、灌浆及封锚检验批质量验收记录(Ⅲ)津资JYP2-10 现浇结构外观及尺寸偏差检验批验收记录(Ⅰ)津资JYP2-11 混凝土设备基础外观尺寸偏差检验批质量验收记录(Ⅱ)津资JYP2-12 预制构件检验批质量验收记录(Ⅰ)津资JYP2-13 装配式结构施工检验批质量验收记录(Ⅱ)津资JYP2-14 2、砌体工程砖砌体(混水)工程检验批质量验收记录(Ⅰ)津资JYP2-15 混凝土小型空心砌体工程检验批质量验收记录津资JYP2-16 石砌体工程检验批质量验收记录津资JYP2-17 填充墙砌体工程检验批质量验收记录津资JYP2-18 配筋砌体工程检验批质量验收记录津资JYP2-19 3、钢结构钢结构制作(安装)焊接工程检验批质量验收记录(Ⅰ)津资JYP2-20 焊钉(栓钉)焊接工程检验批质量验收记录(Ⅱ)津资JYP2-21 普通紧固件连接工程检验批质量验收记录(Ⅰ)津资JYP2-22 高强度螺栓连接工程检验批质量验收记录(Ⅱ)津资JYP2-23 钢结构零、部件加工工程检验批质量验收记录(Ⅰ)津资JYP2-24 钢构件组装工程检验批质量验收记录津资JYP2-25钢构件预拼装工程检验批质量验收记录津资JYP2-26 单层刚构件安装工程检验批质量验收记录津资JYP2-27 多层及高层钢构件安装工程检验批质量验收记录津资JYP2-28 钢网架制作工程检验批质量验收记录津资JYP2-29 钢网架安装工程检验批质量验收记录津资JYP2-30 压型金属板工程检验批质量验收记录津资JYP2-31 防腐涂料涂装工程检验批质量验收记录津资JYP2-32 防火涂料涂装工程检验批质量验收记录津资JYP2-33三、建筑装饰装修1、地面基土垫层检验批质量验收记录(Ⅰ)津资JYP3-01 灰土垫层检验批质量验收记录(Ⅱ)津资JYP3-02 砂垫层和碎石垫层检验批质量验收记录(Ⅲ)津资JYP3-03 碎石垫层和碎砖垫层检验批质量验收记录(Ⅳ)津资JYP3-04 三合土垫层检验批质量验收记录(Ⅴ)津资JYP3-05 炉渣垫层检验批质量验收记录津资JYP3-06 水泥混凝土垫层检验批质量验收记录(Ⅶ)津资JYP3-07 找平层检验批质量验收记录(Ⅷ)津资JYP3-08 隔离层检验批质量验收记录(Ⅸ)津资JYP3-09 填充层检验批质量验收记录(Ⅹ)津资JYP3-10 水泥混凝土面层检验批质量验收记录津资JYP3-11 水磨石面层检验批质量验收记录津资JYP3-12 水泥钢屑检验批质量验收记录津资JYP3-13 防油渗面层检验批质量验收记录津资JYP3-14 不发火(防爆)检验批质量验收记录津资JYP3-15 砖面层检验批质量验收记录津资JYP3-16 大理石和花岗石面层检验批质量验收记录津资JYP3-17 预制板块面层检验批质量验收记录津资JYP3-18 料石面层检验批质量验收记录津资JYP3-19 塑料面板层检验批质量验收记录津资JYP3-20 活动地板面层检验批质量验收记录津资JYP3-21 地毯面层检验批质量验收记录津资JYP3-22 实木地板面层检验批质量验收记录津资JYP3-23 实木复合地板面层检验批质量验收记录津资JYP3-24 中密度(强化)复合地板面层检验批质量验收记录津资JYP3-25 竹地板面层检验批质量验收记录津资JYP3-26 2、抹灰一般抹灰工程检验批质量验收记录津资JYP3-27 装饰抹灰工程检验批质量验收记录津资JYP3-28 清水砌体勾缝工程检验批质量验收记录津资JYP3-29 3、门窗木门窗制作工程检验批质量验收记录津资JYP3-30 木门窗安装工程检验批质量验收记录津资JYP3-31 金属门窗安装工程检验批质量记录(钢门窗)津资JYP3-32金属门窗安装工程检验批质量验收记录(钢铝合金门窗)津资JYP3-33 塑料门窗安装工程检验批质量验收记录津资JYP3-34 特种门窗安装检验批质量验收记录津资JYP3-35 门窗玻璃安装工程检验批质量验收记录津资JYP3-36 4、吊顶暗龙骨吊顶工程检验批质量验收记录津资JYP3-37 明龙骨吊顶工程检验批质量验收记录津资JYP3-38 5、轻质隔墙板材隔墙工程检验批质量验收记录津资JYP3-39 骨架隔墙工程检验批质量验收记录津资JYP3-40 活动隔墙工程检验批质量验收记录津资JYP3-41 玻璃隔墙工程检验批质量验收记录津资JYP3-42 6、饰面板饰面板安装工程检验批质量验收记录津资JYP3-43 饰面砖粘贴工程检验批质量验收记录津资JYP3-44 7、幕墙玻璃幕墙工程检验批质量验收记录(主控项目)(Ⅰ)津资JYP3-45 玻璃幕墙工程检验批质量验收记录(一般项目)(Ⅱ)津资JYP3-46 玻璃隔墙工程检验批质量验收记录(隐柜,半隐柜)(Ⅸ)津资JYP3-47 金属幕墙工程检验批质量验收记录(主控项目)(Ⅰ)津资JYP3-48 金属幕墙工程检验批质量验收记录(一般项目)(Ⅱ)津资JYP3-49 石材幕墙工程检验批质量验收记录(主控项目)(Ⅰ)津资JYP3-50 石材幕墙工程检验批质量验收记录(一般项目)(Ⅱ)津资JYP3-51 8、涂饰水性涂料涂饰工程检验批质量验收记录津资JYP3-52 溶剂型涂料涂饰工程检验批质量验收记录津资JYP3-53 美术涂料工程检验批质量验收记录津资JYP3-54 9、细部裱糊工程检验批质量验收记录津资JYP3-55 软包工程检验批质量验收记录津资JYP3-56 橱柜制作与安装工程检验批质量验收记录津资JYP3-57 窗帘盒、窗台板和散热器罩制作与安装工程检验批质量验收记录津资JYP3-58 门窗套制作与安装工程检验批质量验收记录津资JYP3-59 护栏和扶手制作与安装工程检验批质量验收记录津资JYP3-60 花饰制作与安装工程检验批质量验收记录津资JYP3-61 四,屋面工程1、卷材(涂膜,刚性防水屋面)屋面保温层检验批质量验收记录津资JYP4-1 屋面找平层检验批质量验收记录津资JYP4-2 卷材防水层检验批质量验收记录津资JYP4-3 涂膜防水层检验批质量验收记录津资JYP4-4 细石混凝土防水层检验批质量验收记录津资JYP4-5 密封材料嵌缝检验批质量验收记录津资JYP4-6 平瓦屋面检验批质量验收记录津资JYP4-72、瓦屋面油毡瓦屋面检验批质量验收记录津资JYP4-8金属板材屋面检验批质量验收记录津资JYP4-9细部构造检验批质量验收记录津资JYP4-10 3、其他架空屋面检验批质量验收记录津资JYP4-11蓄水种植屋面检验批质量验收记录津资JYP4-12 五、节能建筑节能分部工程质量验收记录建筑节能________分项工程质量验收记录建筑技能________检验批/分项工程质量验收记录六、给排水与采暖室内给水管道及配件安装工程检验批质量验收记录津资JYP5-1室内消火栓系统安装工程检验批质量验收记录津资JYP5-2给水设备安装工程检验批质量验收记录津资JYP5-3室内排水管道及配件安装工程检验批质量验收记录津资JYP5-4雨水管道及配件安装工程检验批质量验收记录津资JYP5-5室内热水管道及配件安装工程检验批质量验收记录津资JYP5-6热水供应系统辅助设备安装工程检验批质量验收记录津资JYP5-7卫生器具及给水配件安装工程检验批质量验收记录津资JYP5-8卫生器具排水管道安装工程检验批质量验收记录津资JYP5-9室内采暖管道及配件安装工程检验批质量验收记录津资JYP5-10 室内采暖辅助设备及散热器及金属辐射板安装工程检验批质量验收记录津资JYP5-11 低温热水地板辐射采暖安装工程检验批质量验收记录津资JYP5-12 室外给水管道安装工程检验批质量验收记录津资JYP5-13 室外消防水泵接合器及消火栓安装工程检验质量验收记录津资JYP5-14 管沟及井室检验批工程质量验收记录津资JYP5-15 室外排水管道安装工程检验批质量验收记录津资JYP5-16 室外排水管道及井池工程检验批质量验收记录津资JYP5-17 室外供热管道及配件安装工程检验批质量验收记录津资JYP5-18 建筑中水系统及游泳池池水系统安装工程检验批质量验收记录津资JYP5-19 锅炉安装工程检验批质量验收记录津资JYP5-20 锅炉辅助设备安装工程检验批质量验收记录津资JYP5-21 工艺管道安装工程检验批质量验收记录津资JYP5-22 锅炉安装附件安装工程检验批质量验收记录津资JYP5-23 换热站安装工程检验批质量验收记录津资JYP5-24 七、通风与空调风管与配件制作检验批质量验收记录(金属风管)(Ⅰ)津资JYP6-01 风管配件执着检验批质量验收记录(非金属\复合材料风管)津资JYP6-02 风管不见与销售器制作检验批质量验收记录津资JYP6-03 风管系统安装检验批质量验收记录(送、排风,防排风,除尘系统)(Ⅰ)津资JYP6-04 风管系统安装检验批质量验收记录(送、排风,防排风,除尘系统)(Ⅱ)津资JYP6-05 风管系统安装检验批质量验收记录(净化空调系统)(Ⅲ)津资JYP6-06 通风机和安装检验批质量验收记录津资JYP6-07 通风与空调设备安装检验批质量验收记录(通风系统)(Ⅰ)津资JYP6-08 通风与空调设备安装检验批质量验收记录(通风系统)(Ⅱ)津资JYP6-09 通风与空调设备安装检验批质量验收记录(通风系统)(Ⅲ)津资JYP6-10 空调制冷系统安装检验批质量验收记录津资JYP6-11 空调水系统安装检验批质量验收记录(金属管道)(Ⅰ) 津资JYP6-12 空调水系统安装检验批质量验收记录(非金属管道)(Ⅱ)津资JYP6-13 空调水系统安装检验批质量验收记录(设备)(Ⅲ)津资JYP6-14 工程系统调试验收记录津资JYP6-15 防腐与绝热施工检验批质量验收记录(风管系统)津资JYP6-16 防腐与绝热施工检验批质量验收记录(管道系统)津资JYP6-17 八、建筑电气架空线路及杆上电气设备安装检验批质量验收记录津资JYP7-01 变压器、箱式变电所安装检验批质量验收记录津资JYP7-02 成套配电柜、控制柜(屏、台)和动力、照明配电箱(盘)安装检验批质量验收记录(Ⅰ)高压开关柜津资JYP7-03 成套配电柜、控制柜、(屏、台)和动力、照明配电箱(盘)安装检验批质量验收记录(Ⅱ)照明配电箱(屏、台)津资JYP7-04 成套配电柜、控制柜、(屏、台)和动力、照明配电箱(盘)安装检验批质量验收记录(Ⅱ)照明配电箱(盘)津资JYP7-05 低压电动机、电加热器及电动执行机构检查接线检验质量验收质量验收质量验收记录津资JYP7-06 柴油发电机组安装检验批质量验收记录津资JYP7-07 不间断电源安装检验批质量验收记录津资JYP7-08 低压电气动力设备试验和试运行检验批质量验收记录津资JYP7-09 螺母先、封闭母线、插接式母线安装检验批质量验收记录津资JYP7-10 电缆桥架安装和桥架内电缆敷设检验批质量验收记录津资JYP7-11 电缆沟内和电竖井内电缆敷设检验批质量验收记录津资JYP7-12 电线导管、电缆导管和线槽敷设检验批质量验收记录(Ⅰ)室内津资JYP7-13 电线导管、电缆导管和线槽敷设检验批质量验收记录(Ⅱ)室外津资JYP7-14 电线、电缆穿管和线槽敷线检验批质量验收记录津资JYP7-15 槽板配线检验批质量验收记录津资JYP7-16 钢索配线检验批质量验收记录津资JYP7-17 电缆头制作、接线和线路绝缘测试检验批质量验收记录津资JYP7-18 普通灯具安装检验批质量验收记录津资JYP7-19 专用灯具安装检验批质量验收记录津资JYP7-20 建筑物景观照明灯、航空障碍标志灯和庭院灯安装检验批质量验收记录津资JYP7-21开关、插座、风扇安装检验批质量验收记录津资JYP7-22 建筑物照明通电试运行检验批质量验收记录津资JYP7-23 接地装置安装检验批质量验收记录津资JYP7-24 避雷引下线和变配电室接地干线敷设检验批质量验收记录(Ⅰ)防雷下线津资JYP7-25 避雷引下线和变配电室接地干线敷设检验批质量验收记录(Ⅱ)变配电室接地干线津资JYP7-26 接闪器安装检验批质量验收记录津资JYP7-27 建筑物等电位联结检验批质量验收记录津资JYP7-28 九、智能智能建筑工程检验批质量验收记录津资JYP8十、电梯电梯分部工程质量验收记录津资9-00曳引式或强制式电梯子分部工程质量验收记录津资9-01液压电梯子分部工程质量验收记录津资9-02自动扶梯和自动人行道子分部工程质量验收记录津资9-031、曳引式或强制式电梯设备进场质量验收记录津资JYP9-1 土建交接检验质量验收记录津资JYP9-2 驱动逐级安装质量验收记录津资JYP9-3 导轨安装质量验收记录津资JYP9-4 门系统安装质量验收记录津资JYP9-5 轿厢及平衡质量验收记录津资JYP9-6 安全部件质量验收记录津资JYP9-7 悬挂装置、随行电缆、补偿装置质量验收记录津资JYP9-8 电气装置质量验收记录津资JYP9-9 整机安装质量验收记录津资JYP9-10 2、液压电梯设备进场质量验收记录津资JYP9-11 土建交接检验质量验收记录津资JYP9-2液压系统质量验收记录津资JYP9-12 导轨安装质量验收记录津资JYP9-4门系统安装质量验收记录津资JYP9-5轿厢及平衡质量验收记录津资JYP9-6安全部件质量验收记录津资JYP9-7悬挂装置、随行电缆质量验收记录津资JYP9-13 电气装置质量验收记录津资JYP9-9整机安装质量验收记录津资JYP9-14 3、自动扶梯和自动人行道设备进场质量验收记录津资JYP9-14 土建交接检验质量验收记录津资JYP9-16 整机安装质量验收记录津资JYP9-17。
辅助设备及管道安装检验批质量验收记录
辅助设备及管道安装检验批质量验收记录填写说明一、填写依据1 《建筑给水排水及采暖工程施工质量验收规范》GB50242-2002。
2 《建筑工程施工质量验收统一标准》GB50300-2013。
二、检验批划分可按设计系统、设备种类划分;大中型设备单独划分为检验批。
三、GB50242-2002规范摘要主控项目13.3.1 辅助设备基础的混凝土强度必须达到设计要求,基础的坐标、标高、几何尺寸和螺栓孔位置必须符合本规范表13.2.1的规定。
13.3.2 风机试运转,轴承温升应符合下列规定:1 滑动轴承温度最高不得超过60℃。
2 滚动轴承温度最高不得超过80℃。
检验方法:用温度计检查。
轴承径向单振幅应符合下列规定:1 风机转速小于1000r/min时,不应超过0.10mm;2 风机转速为1000~1450r/min时,不应超过0.08mm。
检验方法:用测振仪表检查。
13.3.3 分气缸(分水器、集水器)安装前应进行水压试验,试验压力的1.5倍,但不得小于0.6MPa。
检验方法:试验压力下10min内无压降、无渗漏。
13.3.4 敞口箱、罐安装前应做满水试验;密闭箱、罐应以工作压力的1.5倍作水压试验,但不得小于0.4MPa。
检验方法:满水试验满水后静置24h不渗不漏;水压试验在试验压力下10min内无压降,不渗不漏。
13.3.5 地下直埋油罐在埋地前应做气密性试验,试验压力降不应小于0.03MPa。
检验方法:试验压力下观察30min不渗、不漏,无压降。
13.3.6 连接锅炉及辅助设备的工艺管道安装完毕后,必须进行系统的水压试验,试验压力为系统中最大工作压力的1.5倍。
检验方法:在试验压力10min内压力降不超过0.05MPa,然后降至工作压力进行检查,不渗不漏。
13.3.7 各种设备的主要操作通道的净距如设计不明确时不应小于1.5m,辅助的操作通道净距不应小于0.8m。
检验方法:尺量检查。
13.3.8 管道连接的法兰、焊缝和连接管件以及管道上的仪表、阀门的安装位置应便于检修,并不得紧贴墙壁、楼板或管架。
- 1、下载文档前请自行甄别文档内容的完整性,平台不提供额外的编辑、内容补充、找答案等附加服务。
- 2、"仅部分预览"的文档,不可在线预览部分如存在完整性等问题,可反馈申请退款(可完整预览的文档不适用该条件!)。
- 3、如文档侵犯您的权益,请联系客服反馈,我们会尽快为您处理(人工客服工作时间:9:00-18:30)。
13.3.15、13.3.17 条
4
水泵安装及试运转
13.3.14、13.3.16 条
5
除尘器安装
13.3.18条
6 一7
除氧器排汽管 软化水设备安装
13.3.19条 13.3.20条
般8
安装允许偏差(mm)
量测值(mm)
项 1) 送、引风机
目
2)
各种静置设 备
坐标 标高 坐标 标高 垂直度(1m)
10mm ±5mm 15mm ±5mm
2mm
离心
泵体水平度(每m)
3) 式水 联 0.8mm 0.1mm
专业工长(施工员)
施工班组长
施工单位检查评定结果
施工单位检查评定结果
项目专业质量检查员:
监理(建设)单位验收结
论
监理工程师
(建设单位项目专业技术负责人):
年月日 年月日
锅炉辅助设备安装工程检验批质量验收记录表 (Ⅰ)
分部(子分部)工程名 称
施工单位
验收部位
1
项目经理
分包单位
分包项目经理
施工执行标准名称及编 号
建筑给水排水及采暖工程施工质量验收规范 GB50242-2002
施工质量验收规范规定
施工单位检查评定记录
监理(建设)单 位验收记录
1
辅助设备基础验收
设计要求
2
风机试运转
13.3.2条
主 控
3
分汽缸、分水器、集水器水压 试验
13.3.3条
项4 目
敞口水箱、密闭水箱、 满水或压力试验
13.3.4条
5 地下直埋油罐气密性试验 13.3.5条
6
各种设备的操作通道
13.3.7条
1
斗式提升机安装
13.3.12条
2 风机传动部位安全防护装置 13.3.13条
3
手摇泵、注水器安装 高度