泡沫灭火系统泵试验记录(模板)
泡沫灭火系统表B.0.2-2阀门强度和严密性试验记录

工程名称 施工单位
规格型号
表B.0.2-2 阀门的强度和严密性试验记录
数量
公称 压力 (MPa)
工程1
பைடு நூலகம்
监理单位
强度试验
介质
压力 时间 (MPa) (min)
结果
严密性试验
介质
压力 时间 (MPa) (min)
结果
结论
参加单位及人员
施工单位项目负责人: (签章)
年月日
监理工程师: (签章)
年月日
泡沫灭火系统的调试检验批质量验收记录

泡沫灭火系统的调试检验批质量验收记录编号:
注:《泡沫灭火系统施工及验收规范》未明确区分主控项目和一般项目,为加强项目验收工作,本验收记录暂将全部验收项目均作为主控项目控制验收。
填表说明:
1、检验批容量填写:写出该检验批的材料数量。
2、最小/实际检查数量栏中,实际检查数量:按实填写,最小数量填写:1)喷水试验:当为手动灭火系统时,选择最远的防护区或储罐;当为自动灭火系统时,选择最大和最远两个防护区或储罐分别以手动和自动的方式进行试验;2)低、中倍数泡沫灭火系统:选择最不利点的防护区或储罐,进行一次试验;3)高倍数泡沫灭火系统:全数检查。
3、表头中“施工依据”栏目应依照实际的施工操作依据填写,如施工企业的操作规程、工法、施工工艺标准等。
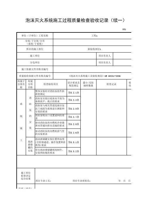
泡沫灭火系统施工过程质量检查验收记录(续一)

第5.2.3条 第5.2.4条 第5.2.5条
第5.2.6条
第5.3.1条
第5.3.2条
施工单位 检查评定 综合结果
项目专业工长:
项目专业质检员:
年
月
日
监理(建设) 单位验收 综合结论
监理(建设) 单位验收 综合结论
项目专业监理工程师(建设单位项目专业负责人):
年
月
日
续一)
-2006 检查 结果
泡沫灭火系统施工过程质量检查验收记录(续一)
001 单位(子单位)工程名称 分部/子分部/分项 (系统/子系统) 所在的施工部位 施工单位 分包单位 施工依据文件名称及编号 质量验收依据文件名称及编号 所属子 分部名 称 所属 分项 名称 检查验收项目 整体安装时对消防泵组件拆 卸的规定 消 系 防 泵 统 的 安 施 装 消防泵安装以底座水平面为 基准找平、找正的要求 消防泵与相关管道连接以泵 法兰端面为基准进行测量和 安装的要求 消防泵吸水口设置滤网的要 求 驱动消防泵的内燃机冷却器 泄水管通向排水设施的要求 驱动消防泵的内燃机排气管 的安装要求 工 泡沫 液储 罐的 安装 泡沫液储罐安装位置和高度 (含检修通道、操作装置和距 离等)要求 常压泡沫液储罐现场制作、 安装和防腐的要求 《泡沫灭火系统施工及验收规范》GB 50281-2006 设计要求及 规范规定 第5.2.1条 第5.2.2条 最小/实际 抽样数量 检查记录 检查 结果 新验收部位1 项目负责人 项目负责人 工程1
年
月
ቤተ መጻሕፍቲ ባይዱ
日
年
月
日
泡沫灭火系统(检测报告模板)

1
系统功能 设自动启动的泡沫灭火系统,在自动状态 下,系统响应时间不应大于 60s。 泡沫泵启动后 5min 内,应将泡沫混合 液或 泡沫液输送到最不利点保护对象。
十二
库区固定消防给水灭火系统装置 当采用高压制消防给水时,消火栓的出 口水 压应满足最不利点消防给水压力 要求。 A
1
出口压力 当采用低压制消防给水时,消火栓的出 口水 压不应小于 0.1MPa。 室外消火栓应沿道路布置,油罐区的消 火 栓应设在防火堤与消防道路之间,距 路边 宜为 2m~5m,并应有明显的标志。 当油罐采用固定式冷却系统时,在罐区 四 周应设置备用消火栓,其数量不应少于 4 个,间距不应大于 60m。 当油罐采用半固定式冷却系统时,安装 消 火栓的数量应符合设计要求。 A
设备标识
水泵应有明显的标识设备名称及区分 类别 的文字说明。
吸水要求 水泵应采用自灌式吸水。
泡沫灭火系统水泵控制柜 设备标识 应有注明所属系统及编号的标志。 按钮、指示灯及仪表应正常。 C C A A A
2
控制柜功 应能按钮启停每台水泵。 能 主泵不能投入正常运行时,应能自动切换启 动备用水泵。 信号反馈 消防控制室应能显示消防水泵的电源工作状 态。
B C
A B
安装一般 泡沫消火栓应垂直安装。 要求 当采用地上式消火栓时,其大口径出水 口 应面向道路。 当采用地下式消火栓时,应有明显的标 志 地下式安 。 装要 求 当采用地下式消火栓时,其顶部出口与 井盖底面的距离不应大于 400mm。 当采用室内消火栓或消火栓箱时,栓口
B
3
B
B
4
栓口朝向 应朝外或面向通道。
2
安装要求
3
八
管道与阀门的安装 泡沫管道的材质及安装位置应符合设计要求 。 管道的直径应符合设计要求。 B A
泡沫灭火系统调试记录

泡沫灭火系统调试记录
GD2302SZ013 0 1
单位(子单位)工程名称
晶宫装饰
子分部(系统)工程名称
验收部位、区、段 安装单位 施工执行标准名称及编号
项目经理 (负责人)
项目分类
项目
结果
消防泵或固定式消防泵组
单机调试
泡沫比例混合器 泡统喷水试验 系统喷泡沫试验
专业工长(施工员)
测试人员
安装单位检查结果
项目专业质量检查员:
年月日
监理(建设)单位 检查结论
专业监理工程师 (建设单位项目专业技术负责人): 注:结果栏内填写合格、不合格
深圳市建设局、深圳市档案局监制
年月日 深圳市文档服务中心印制
泡沫灭火系统施工过程质量检查验收记录 (续一)

安
施
装
驱动消防泵的内燃机冷却器泄 水管通向排水设施的要求
第5.2.5条
驱动消防泵的内燃机排气管的 安装要求
第5.2.6条
工
泡沫液储罐安装位置和高度
泡沫 (含检修通道、操作装置和距 第5.3.1条
液储 离等)要求
罐的
安装 常压泡沫液储罐现场制作、安 装和
施工单位 检查评定 综合结果
称 名称
检查验收项目
设计要求及规 最小/实际
范规定
抽样数量
整体安装时对消防泵组件拆卸 的规定
第5.2.1条
消
消防泵安装以底座水平面为基 准找平、找正的要求
第5.2.2条
系防
消防泵与相关管道连接以泵法
泵 兰端面为基准进行测量和安装 第5.2.3条 的要求
统的 消防泵吸水口设置滤网的要求 第5.2.4条
泡沫灭火系统施工过程质量检查验收记录 (续一)
XX-C4-6587/1 0 0 1
单位(子单位)工程名称 1
分部/子分部/分项 (系统/子系统)
施工部位
施工单位
项目负责人
分包单位
项目负责人
施工依据文件名称及编号
质量验收依据文件名称及编号
《泡沫灭火系统施工及验收规范》GB 50281—2006
所属子 所属 分部名 分项
项目专业工 长:
项目专业质检员:
监理(建 设)单位验
收 综合结论 项目专业监理工程师(建设单位项目专业负责人):
XX-C4-6587/1
年月日 年月日
泡沫灭火系统施工过程质量检查验收记录
001 单位(子单位)工程名称 分部/子分部/分项 (系统/子系统) 所在的施工部位 施工单位 分包单位 施工依据文件名称及编号 质量验收依据文件名称及编号 所属子 分部名 称 所属 分项 名称 材 料 进 场 检 验 检查验收项目 泡沫液市场准入证明文件及 产品出厂合格证,现场取样 泡沫液现场取样,送第三方 检测及检测报告 管材、管件、配件的:材质、 规格、型号、出厂质量证明 文件、外观质量缺陷、几何 尺寸偏差、有否进场后复验 要求及相关复验报告 泡沫的产生装置、比例混合 装置、储液罐、消防泵、消 火栓,以及阀门、压力表、 过滤器、金属软管等系统组 件的保护包封、铭牌标记和 消防泵零、部件(机构)外观 (手动)检查 上述4.3.1条所列各系统组件 的规格、型号、性能,以及 出厂质量证明文件和市场准 入证明文件各系统组件有否 进场后复验要求及相关复验 各种类阀门进场安装前强度 和严密性试验及相关试验记 录 《泡沫灭火系统施工及验收规范》GB 50281-2006 设计要求及 规范规定 第4.2.1条 第4.2.2条 第4.2.3条 第4.2.4条 第4.2.5条 第4.2.6条 最小/实际 抽样数量 检查记录 检查 结果 新验收部位1 项目负责人 项目负责人 工程1
月
日
年
月
日
进
场
第4.3.1条
检 系统 组件 进场 检验
第4.3.2条
验
第4.3.3条
第4.3.4条
施工单位 检查评定 综合结果
项目专业工长:
项目专业质检员:
年
月日Leabharlann 监理(建设) 单位验收 综合结论
监理(建设) 单位验收 综合结论
项目专业监理工程师(建设单位项目专业负责人):
消防泡沫系统检查记录
消防泡沫系统检查记录检查日期:[填写检查日期]
1.泡沫液储存罐检查
液位检查:[填写液位高度并注明是否正常]
液位报警器功能检查:[填写检查结果]
泡沫液流量计检查:[填写检查结果]
储罐漏水检查:[填写检查结果]
2.泡沫供应泵检查
泵启动检查:[填写检查结果]
泵压力检查:[填写检查结果]
泵流量检查:[填写检查结果]
泵声音检查:[填写检查结果]
3.泡沫液管路检查
管路连接检查:[填写检查结果]
管轴向位移检查:[填写检查结果]
管道泄漏检查:[填写检查结果]
4.泡沫喷头检查
喷头组装检查:[填写检查结果]
喷头位置检查:[填写检查结果]
喷头堵塞检查:[填写检查结果]
喷头喷射测试:[填写检查结果]
5.泡沫喷淋控制系统检查
控制系统电源检查:[填写检查结果]
控制面板显示检查:[填写检查结果]
控制系统操作检查:[填写检查结果]
6.其他
备注:[填写任何其他需要记录的信息]
结论
根据本次检查结果,消防泡沫系统运行良好,未发现任何异常情况。
注意:此文件为检查记录,需妥善保存并随时提供给相关部门查阅。
泡沫灭火系统泡沫发生装置安装检查记录
泡沫灭火系统泡沫发生装置安装检查记录检查日期:__________检查人员:__________一、检查基本信息:1.泡沫灭火系统名称:________________2.泡沫发生装置型号:__________________3.泡沫发生装置数量:__________________4.泡沫灭火系统设计压力:______________二、检查泡沫发生装置的外观:1.泡沫发生装置是否完整无损,有无变形或破损:_______________________2.泡沫发生装置上是否有与使用无关的附加装置或物品:_________________3.泡沫发生装置安装是否牢固,有无松动的现象:_____________________三、检查泡沫发生装置的连接管路:1.检查连接管路的安装是否符合设计要求,有无接口松动:__________________2.检查连接管路的材质是否正确,有无腐蚀或损坏:_______________________3.检查连接管路的密封性能是否良好,有无泄漏现象:_____________________四、检查泡沫发生装置的操作控制装置:1.泡沫发生装置的操作按钮是否清晰、易于操作:_____________________2.检查操作控制装置的工作状态指示灯是否正常标示:__________________3.检查操作控制装置的显示屏是否正常显示相关参数:__________________五、检查泡沫发生装置的电气系统:1.检查电气系统的接线是否牢固,有无松动现象:______________________2.检查电气系统的保护措施是否完善:_____________________________3.检查电气系统的接地是否可靠:_______________________________六、检查泡沫发生装置的泡沫供给系统:1.检查泡沫发生装置的泡沫储存容器,有无泄漏或损坏:_________________2.检查泡沫供给系统的泡沫泵,能否正常启动和运行:__________________3.检查泡沫供给系统中的阀门是否正常操作,有无卡死或松动:_____________七、检查泡沫发生装置的自动控制系统:1.检查自动控制系统的传感器和探测器是否正常工作:__________________2.检查自动控制系统的报警装置是否齐全、准确:_____________________3.检查自动控制系统的逻辑控制装置是否正常运行:___________________八、检查泡沫发生装置的维护与保养:1.检查是否进行了定期的维护和保养,有无保养记录:___________________2.检查维护和保养工作的质量是否达到要求:_________________________3.检查维护和保养工作的时间间隔是否合理:_________________________九、其他问题:1.是否存在其他需要注意的问题或隐患:______________________________十、检查结论:(根据检查情况选择)1.泡沫发生装置安装合格,无须更改。
泡沫灭火系统系统调试检验批质量验收记录
表5.40.26工程编号:
单位(子单位)
工程名称
分部(子分部)
工程名称
分项工程名称
验收部位
总承包单位
项目负责人
施工单位
项目负责人
分包单位
分包项目
负责人
施工执行标
准名称及编号
专业工长
(施工员)
类别
序号
检验项目
质量标准
单位
施工单位自检记录
检查结果
主控项目
1
喷水试验
其各项性能指标均应达到设计要求。当为手动灭火系统时,应以手动控制的方式进行一次喷水试验;当为自动灭火系统时,应以手动和自动控制的方式各进行一次喷水试验
5
泡沫消火栓喷水试验
其岀口压力应符合设计要求。
总承包单位检查结果
项目专业工程师:
年 月 日
施工单位检查结果
项目专业质量检查员:
年 月 日
监理(建设)单位验收结论
专业监理工程师:
(建设单位项目专业技术负责人)年 月 日
3
高倍数泡沫灭火系统
应符合设计要求。高倍数泡沫灭火系统按序号1中规定喷水试验,并将水放空后,应以手动或自动控制的方式对防护区进行喷泡沫试验,喷射泡沫的时间不应小于30s,实测泡沫混合液的混合比和泡沫供给速率及自接到火灾模拟信号至开始喷泡沫的时间
一般项目
1
泡沫灭火系统的动力源和备用动力
应进行切换试验,动力源和备用动力及电气设备运行应正常
2
低、中倍数泡沫灭火系统
应符合设计要求。低、中倍数泡沫灭火系统按序号1中规定喷水试验,并将水放空后,进行喷泡沫试验;当为自动灭火系统时,应以自动控制的方式进行;喷射泡沫的时间不应小于lmin;实测泡沫混合液的混合比和泡沫混合液的发泡倍数及到达最不利点防护区或储罐的时间和湿式联用系统自喷水至喷泡沫的转换时间