20XX年甲醇工程施工组织设计.doc
富县甲醇合成施工组织设计

陕西延长石油延安能源化工有限公司延安煤油气资源综合利用项目180万吨/年甲醇装置施工组织设计编制:审核:批准:中国化学工程第十一建设有限公司年月日1.1.1.编制依据 (5)1.1.2.编制说明 (5)1.1.3.编制原则 (5)1.2.工程概况 (6)1.3.施工准备工作 (6)1.3.1.施工标准规范的准备 (6)1.3.2.施工技术准备工作 (9)1.3.3.质量管理准备 (9)1.3.4.职工培训计划 (10)1.4.施工部署 (10)1.4.1.施工阶段划分 (10)1.4.2.总体施工程序 (11)1.4.3.管理工作的重点 (21)1.4.4.工期滞后下的赶工措施 (21)1.5.分部分项工程施工方法 (23)1.5.1.钢结构施工 (23)1.5.2.设备安装施工 (23)1.5.3.管道施工 (23)1.5.4.焊接施工 (24)1.6.工程施工的重点和难点 (25)1.7.新技术、新工艺、新材料和新设备应用 (29)1.7.1.移动式管道预制生产线管道预制 .......................................... 错误!未定义书签。
1.7.2.CO2保护焊机 (29)1.7.3.激光对中仪 (29)1.7.4.新型电缆头密封技术和材料 (29)1.7.5.利用先进的计算机网络进行项目管理 (29)1.8.施工现场平面布置与管理 (30)1.8.1.施工用水 (30)1.8.2.施工用电 (30)1.8.3.办公区临时设施示意图 (31)1.8.4.施工现场临设布置图 (31)1.9.施工进度计划 (33)1.9.1.施工工期 (33)1.9.2.施工进度计划管理 (33)1.9.3.施工进度计划监督 (33)1.9.4.工程进度控制程序 (34)1.9.5.工程进度控制管理办法 (35)1.9.6.进度计划实施流程 (38)1.9.7.进度控制目标 (38)1.9.8.保证施工进度措施 (39)1.9.9.施工进度网格计划 (42)1.10.施工管理组织机构 (47)1.10.1.项目组织机构 (47)1.11.1.施工人力计划 (49)1.11.2.主要施工机具计划 (50)1.11.3.拟配备本工程的试验和检测仪器设备表 (53)1.12.工程质量保证措施 (55)1.12.1.质量目标和质量方针 (55)1.12.2.质量管理机构设置 (55)1.12.3.管理部门质量职责要素分配 (56)1.12.4.岗位设置与质量职责 (56)1.12.5.质量执行计划 (57)1.13.成本控制措施 (61)1.13.1.项目成本控制的内容 (61)1.13.2.工程项目成本预测与控制措施分析 (61)1.13.3.对改进工程施工项目成本控制的方法 (63)1.14.安全生产保证措施 (65)1.14.1.安全目标 (65)1.14.2.健康目标 (65)1.14.3.环境目标 (66)1.14.4.施工方面的HSE组织机构 (66)1.14.5.施工HSE管理体系 (67)1.14.6.施工HSE风险的管理 (67)1.14.7.增强现场HSE的沟通的措施 (67)1.14.8.安全生产责任制 (68)1.14.9.现场标识、标牌管理 (73)1.14.10.HSE教育管理 (77)1.14.11.安全风险评估、施工许可证制度及特殊动工许可程序 (78)1.14.12.现场关键作业项目的HSE管理 (85)1.14.13.HSE应急预案 (91)1.14.14.安全健康环保保检查管理程序 (92)1.14.15.事故处理管理规定 (93)1.15.文明施工、环境保护保证措施 (93)1.15.1.根据环境因素我们制定环境管理目标 (93)1.15.2.现场文明施工要求 (93)1.15.3.现场文明施工措施 (94)1.15.4.施工扰民、降噪控制 (95)1.15.5.环保技术措施及管理办法 (96)1.16.冬雨季和夏季高温季节的施工保证措施 (97)1.16.1.一般要求 (97)1.16.2.组织措施 (97)1.16.3.冬季试车、试压措施 (98)1.16.4.设备安装工程施工措施 (98)1.16.5.管道工程施工措施 (99)1.16.6.焊接工程施工措施 (99)1.16.7.电气、仪表作业施工措施 (100)1.16.8.安全措施 (100)1.17.工程创优计划及保证措施 (101)1.17.1.工程创优的组织管理 (101)1.17.2.创优措施 (102)1.18.涉及本工程的专项施工方案 (103)1.18.1.工艺管道施工方案 (103)1.18.2.管道焊接通用方案 (124)1.18.3.管道热处理方案 (135)1.18.4.静设备安装方案 (137)1.18.5.设备现场组对方案 (145)1.18.6.泵类设备施工方案 (148)1.18.7.离心压缩机组施工方案 (167)1.18.8.塔类设备安装方案 (183)1.18.9.桥式起重机安装方案 (189)1.18.10.空冷器安装方案 (194)1.18.11.大型设备吊装方案 (204)1.18.12.接地及防雷装置安装施工方案 (224)1.18.13.桥架安装施工方案 (226)1.18.14.电缆施工方案 (228)1.18.15.现场仪表设备安装方案 (230)1.18.16.仪表管路施工方案 (234)1.18.17.DCS系统安装调试方案 (242)1.18.18.仪表系统试验方案 (252)1.19.工程交工程序和计划 (258)1.19.1.施工资料的积累 (258)1.19.2.交工技术文件编制 (259)1.19.3.工程验收及交工技术文件移 (259)1.1.编制依据及说明1.1.1.编制依据1)总包单位提供的《甲醇装置设计说明》;2)施工组织设计及施工方案编制与审批管理规定(CON-RG-003);3)施工现场具体情况;4)国家、部颁和本公司有关标准规范;1.1.2.编制说明根据延安煤油气资源综合利用项目甲醇装置安装工程有关要求和规定,结合我公司类似工程经验并借鉴以往在甲醇装置施工的成功案例,编制了施工组织设计、相关主要施工技术方案和施工技术措施。
甲醇管道安装施工方案

河北峰煤焦化有限公司年产20万吨甲醇工程管道安装施工方案河北峰煤焦化有限公司年产20万吨甲醇工程管道安装施工方案编制:李鸿波审核:批准:编制单位:中国化学工程第四建设公司编制日期:2011年3月3日目录1。
工程概述............................................................................................................. 错误!未定义书签。
2.编制依据 (1)3。
施工前准备 (2)3.1技术准备 (2)3。
2现场准备 (2)3.3材料准备 (2)3。
4机具准备 (2)4。
主要施工技术方法及措施 (2)4。
1管道安装工艺流程 (2)4.2施工材料存放、检验、保管 (3)4.3管道预制 (4)4。
3。
1一般要求 (4)4.3.2管材切割下料 (4)4。
3.3管口端面加工 (4)4.3。
4管道组对 (5)4。
3。
5。
1管道焊接 (5)4。
3.5.2螺纹连接 ......................................................................................................... 错误!未定义书签。
4。
4管道安装 ........................................................................................................ 错误!未定义书签。
4.4.1金属管道安装一般要求: (8)4。
4.2不锈钢管道安装 (9)4.4。
3阀门安装 (9)4。
5管道系统试验 (10)4。
6管道系统吹洗 (11)5.质量目标设计 (11)5.1质量方针及目标 (11)5.2质量保证措施 (12)5。
3质量保证组织机构 (12)5。
4质量控制点 (12)6。
甲醇装置安装工程施工组织设计

目录1编制说明、原则、依据 (4)1.1 编制说明 (4)1.2 编制原则 (4)1.3 编制依据 (4)2工程概况、工艺过程简述 (5)2.1 工程基本情况 (5)2.2 工程主要内容简表 (5)2.2.1 设备一览表 (5)2.2.2 管道概况一览表 (6)2.2.3 钢结构概况一览表 (6)2.2.4 甲醇装置单位工程划分一览表 (7)2.3 工程特点分析 (7)2.4 工程条件 (8)2.5 工艺过程简述 (8)2.5.1 合成气压缩工序 (8)2.5.2 甲醇合成工序 (8)2.5.3 甲醇精馏工序 (10)2.5.4 氢回收工序 (11)3施工总体部署 (13)3.1 项目组织机构图 (13)3.2 科室职能和岗位分工 (14)3.3 方针目标 (14)3.4 施工部署 (15)3.4.1 方针、目标及指导思想 (15)3.5 施工顺序 (15)3.5.1 总体程序 (15)3.5.2 钢结构安装 (15)3.5.3 静设备安装 (15)3.5.4 动设备安装 (16)3.5.5 压缩机组安装 (16)3.5.6 管道施工 (16)3.5.7 防腐施工 (16)3.5.8 设备、管道绝热施工 (16)3.6 施工阶段划分 (16)3.6.1 施工前期准备阶段 (16)3.6.2 施工第一阶段:大型设备吊装 (16)3.6.3 施工第二阶段:设备安装、钢结构、采暖管道、地下给排水管道预制安装阶段 (16)3.6.4 施工第三阶段:设备安装、空冷器钢结构安装、管廊钢结构预制安装、合成框架钢结构安装、工艺管道预制安装阶段(冬季施工阶段) (17)3.6.5 施工第四阶段:管廊钢结构、设备、工艺管道安装阶段(施工攻坚阶段) (17)3.6.6 施工第五阶段:管道吹扫试压、电仪调试、设备单体试车阶段 (17)3.6.7 装置联动试车阶段 (17)3.6.8 装置交工阶段 (17)3.7 工程施工的管理重点 (17)3.7.1 管理重点 (17)3.7.2 管理措施 (17)3.7.3 施工难点、特点、措施和对策 (18)3.8 施工进度网络计划及保证工期的施工组织措施 (20)3.8.1 工期 (20)3.8.2 主要控制点 (20)3.8.3 施工进度网络计划 (20)3.8.4 保证工期的施工组织措施 (20)3.9 劳动力计划安排 (21)3.9.1 劳动力计划 (21)3.10 施工机械、器具使用计划 (21)3.11 主要材料、构配件计划 (23)3.11.1 主要材料、构件计划 (23)3.12 工程材料设备的进场计划及控制与管理 (24)3.12.1 编制采购计划 (24)3.12.2 采购活动 (24)3.12.3 订货合同管理 (24)3.12.4 物资的检验 (24)3.12.5 物资搬运 (25)3.12.6 物资的保管 (25)3.12.7 材料的复验 (25)3.12.8 物资发放管理 (25)3.12.9 物资运到现场的防护 (26)3.12.10 物资使用过程的控制 (26)3.13 施工生活生产临设规划 (26)3.13.1 总体安排 (26)3.13.2 生活临时设施 (26)3.13.3 装置区临时设施 (27)3.13.4 施工用水 (27)3.13.5 施工用电 (27)3.14 本工程的施工生产临设平面布置 (27)3.15 本工程大型起重机械使用 (27)3.15.1 大型设备吊装情况一览表 (27)4施工技术管理 (30)4.1 施工程序管理 (30)4.1.1 施工程序 (30)4.1.2 施工管理规定 (30)4.1.3 施工技术管理控制点 (30)4.1.4 图纸会审 (31)4.1.5 施工组织设计管理 (32)4.2 本工程中执行的主要标准规范 (36)4.3 主要施工技术方案编制计划 (38)5HSE施工保证措施 (38)5.1 安全总则、安全质量方针目标 (38)5.1.1 职业安全健康环境方针 (39)5.1.2 安全目标 (39)5.1.3 安全保证体系 (39)5.1.4 施工安全通用规定 (40)5.2 各专业施工安全技术措施 (40)5.2.1 进入容器设备作业安全技术措施 (40)5.2.2 动火安全措施及应急办法 (41)5.2.3 临时用电安全技术措施 (41)5.2.4 防毒安全及应急措施 (42)5.2.5 设备防护技术措施 (42)5.2.6 吹扫试压和试车安全技术措施 (42)5.2.7 起重吊装作业安全技术措施 (42)5.2.8 使用脚手架和梯子安全技术措施 (43)5.2.9 个人安全防护措施 (43)5.2.10 高处作业安全技术措施 (43)5.2.11 绝热与防腐作业安全技术措施 (44)5.3 废弃物管理 (44)5.3.1 现场清理 (44)5.3.2 废弃物的管理 (44)5.3.3 废弃物的处理 (44)5.3.4 对废弃物的处置记录 (45)5.4 风、雨季施工措施 (45)5.4.1 风雨天安装工程作业技术措施 (45)5.5 冬季施工措施 (45)5.5.1 冬季施工总体安排 (45)5.5.2 冬季吊装施工措施 (45)5.5.3 管道冬季组焊技术措施 (46)5.5.4 钢结构安装技术措施 (46)5.5.5 蒸汽采暖施工基本要求 (46)5.5.6 冬季高空作业安全技术措施 (47)5.5.7 防冻、防火、防电技术措施 (47)5.6 其它安全技术措施 (47)5.7 保卫管理 (48)5.8 施工过程中应急消防措施 (48)5.8.1 应急消防措施 (48)5.8.2 建立应急消防小组 (49)5.8.3 应急准备和响应 (49)6质量控制及质量保证措施 (49)6.1 基本原则和方针目标 (49)6.1.1 基本原则 (49)6.1.2 项目质量管理方针目标 (49)6.2 质量管理、质量保证、质量检验组织机构设置 (50)6.2.1 质量体系管理组织图 (50)6.2.2 管理部门质量职责要素分配 (50)6.2.3 质量保证组织图 (52)6.2.4 质量检验组织图 (53)6.3 质量保证的主要措施 (53)6.3.1 建立健全质量保证体系 (53)6.3.2 采购要素质量保证措施 (53)6.3.3 施工质量保证措施 (54)6.3.4 各专业质量保证措施 (54)6.3.5 质量控制的基本方法 (58)6.4 质量通病的防止措施 (63)6.4.1 钢结构安装工程 (63)6.4.2 设备安装工程 (64)6.4.3 管道安装工程 (64)6.4.4 防腐绝热工程 (65)6.4.5 焊接质量通病及克服办法 (65)7其它说明 (66)8附件 (66)1编制说明、原则、依据1.1编制说明由于目前处于装置安装工程的开工阶段,而且工程属于边设计边施工的赶工期模式,设计图纸资料比较缺乏,我们能收集到的资料较为有限,因此该施工组织设计仅为初步的总体构想,并参考我公司在同类装置施工经验而编写的。
甲醇项目施工方案(组织设计)

甲醇项目施工方案(组织设计) 甲醇项目施工方案(组织设计) 中冶天工集团有限公司东华能源甲醇项目安装工程施工组织设计内蒙古伊东东华能源有限责任公司年产120万吨(一期60万吨)甲醇项目安装工程施工组织设计编制:李玉通王海燕帅建栋郭跃军审核:刘俊宝批准:中冶天工伊东东华能源项目部二O一一年五月目录1. 编制说明及依据----------------------------------2 2. 工程概况及特点----------------------------------3 3. 施工部署----------------------------------------6 4. 主要施工方法------------------------------------7 4.1 设备吊装施工方法4.2 静止设备安装施工方法 4.3 传动设备安装施工方法 4.4 管道安装施工方法 4.5 电气工程主要施工方法 4.6 仪表工程主要施工方法 5. 主要施工机具计划---------------------------------18 6. 劳动力需用量计划---------------------------------20 7. 施工技术措施-------------------------------------21 8. HSE保证体系、HSE保证计划及措施------------------24 9. 施工进度计划-------------------------------------48 10.施工平面布置-------------------------------------48 1. 编制说明及依据根据内蒙古伊东东华能源有限责任公司年产120万吨(一期60万吨)甲醇项目的相关合同、设计文件、规范文件,结合我公司的施工管理经验,编制本施工组织设计。
1.1 到目前为止,我公司建设项目区域范围包括:250冷冻站;303净化、循环水脱盐水变电所;401给水预处理;620变换装置;630低温甲醇洗;660硫回收;681中间罐区;690甲醇罐区及汽车装卸栈台,共九个区域。
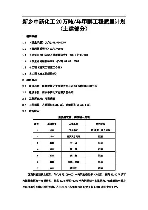
新乡中新化工20万吨年甲醇工程质量计划

新乡中新化工20万吨/年甲醇工程质量计划(土建部分)1 编制依据1.1 《质量手册》QG/HJ.01.02-20081.2 《管理体系程序》CX/HJ-20081.3 《公司各部门各级人员质量职责》 ZDS(企-01-98)1.4 《质量计划编制标准》 QC/HJ.09.03.-20051.5 本工程《建筑工程施工合同》1.6 本工程《施工组织设计》2 项目概况2.1 项目名称:新乡中新化工有限责任公司20万吨/年甲醇工程2.2 建设单位:新乡中新化工有限责任公司2.3 工程所在地:河南获嘉2.4 工程规模:占地面积6135.8m2,建筑面积23192.3 m2。
2.5 结构特点:主要建筑物、构筑物一览表现浇钢筋混凝土框架,气化单元(1000)本构筑物楼层多(六层)。
标高32.00米以下为混凝土框架-支撑结构,标高32.0米至76.00米为钢框架-支撑结构。
该建筑除电梯井及局部部分外均无围护结构,在二层以上构筑物四周均设有高1.200米的安全护栏。
建筑物、构筑物围护结构:混凝土加气块地坪:水泥砂浆地面楼面:钢筋混凝土及钢格板楼面水泥砂浆楼面2.6 工期:计划开工日期2009年03月10日、实际开工日期2009年03月10日、合同工期总日历天数530天。
2.7 合同范围:气化、气化甲醇建筑工程3 质量方针和质量目标3.1 质量方针:实施名牌战略,提供用户满意的工程和服务。
3.2 质量目标:工程质量达到合格标准, 一次验交合格率100%,争创中州杯和用户满意工程。
4 组织机构及职责4.1 项目部成立体系管理组组长:陈德明(项目经理)副组长:吴广其(施工经理)成员:王松央(项目总工)史秋梅(安全经理)仝卫刚(质检科)闫志丰(施工技术)王世忠(设备材料科)陈万祥(综合办)刘亚楠(计划经营科)郭惠超(安全保卫科)谭影凡(财务科)4.2 体系职能分配及相关程序表(▲主管职责△协作职责○配合职责)4.4 施工质量检验工作程序图4.5 各岗位质量职责4.5.1 项目经理4.5.1.1 对所承包工程项目的工程和服务质量负全面责任,负责建立项目部的质量检验机构和资源保证。
某甲醇工程钢结构施工方案(doc 16页)

某甲醇工程钢结构施工方案(doc 16页)目录一. 工程概况 (1)二. 编制依据 (1)三. 施工前现场应具备的条件 (1)四. 钢结构的除锈、防腐 (2)五. 钢结构的制作 (3)六. 钢结构的组装 (4)七. 钢结构的安装 (8)八.质量预控措施 (10)九.施工安全技术措施 (11)十.劳动力安排 (11)十一.施工机具计划及用料 (12)十二.环境保护措施 (13)(0502)、天然气转化、甲醇合成、天然气压缩、中间罐区、变电站、脱硫站、循环水站、新鲜循环水站),平台基础地面须夯实,垫好道木,组对平台水平度为0.5/1000m。
3.4电焊机房、焊条库、铆工工具房等已布置妥当,构件预制用工具已准备齐全,各种机械运转正常。
3.5施工人员、机具均已到位,安全员、质检员配备齐全。
施工方案已经审批,并向全体施工人员进行了技术交底。
3.6 材料检验3.6.1 到场的新钢材应具有质量证明书,钢材的品种、型号、规格应符合设计要求,钢材质量符合国家现行有关标准的规定。
3.6.2所有的焊接材料和涂装材料应具备出厂质量证明书,并符合设计要求,防腐材料开启后,不应存在结皮、结块、凝胶等现象。
3.6.3钢材表面除应符合国家现行有关标准的规定外还应符合下列规定:3.6.3.1 钢材表面有锈蚀、麻点或划痕等缺陷时,其深度不得大于该钢材厚度负偏差值的1/2。
3.6.3.2 钢材端边或断口处不应有分层、夹渣等缺陷。
3.6.3.3 压型钢板的品种、规格、尺寸及允许偏差、表面质量、涂层质量等应符合设计要求。
四. 钢结构的除锈、涂装4.1 除镀锌构件外,制作前钢构件表面均应进行集中喷砂(抛丸)除锈处理,除锈质量等级应达到Sa2.5级标准。
4.2 除锈后钢构件表面不得受潮,并立即涂刷铁红环氧酯底漆一道,而后再涂两道环氧防腐漆,制作完成后涂刷两道环氧清漆面漆,其中最后一道面漆应在安装完成后涂刷,漆膜总厚度不小于120μm。
4.3钢结构的耐火等级为二级,钢柱、钢梁刷户外型钢结构专用的防火涂料,钢柱的耐火极限不小于2.0h,钢梁的耐火极限不小于1.5h。
甲醇项目实施方案
甲醇项目实施方案一、项目背景甲醇是一种重要的有机化工原料,广泛应用于化工、能源、医药等领域。
随着我国经济的快速发展,对甲醇的需求量不断增加。
因此,开展甲醇项目具有重要的战略意义。
本项目拟在XX地区建设甲醇生产基地,以满足市场对甲醇的需求。
二、项目概况1. 项目名称:XX甲醇生产项目2. 项目地点:XX地区3. 项目规模:年产XX万吨甲醇4. 项目投资:预计投资XX亿元三、项目建设内容1. 原料准备:选址建设原料供应基地,确保甲醇生产所需的原料充足供应。
2. 生产设备:引进先进的甲醇生产设备,确保生产工艺先进、效率高。
3. 环保措施:建设完善的环保设施,确保甲醇生产过程中的环境保护工作。
四、项目实施步骤1. 前期准备:进行项目可行性研究,制定详细的项目实施计划。
2. 土地准备:进行土地征用、清理和平整工作,为项目建设做好准备。
3. 设备采购:与设备供应商签订采购合同,确保设备的及时交付。
4. 建设施工:组织施工队伍进行项目建设,确保工程进度和质量。
5. 生产试运行:完成设备安装和调试工作,进行生产试运行和调整。
6. 正式投产:项目达到设计产能后,正式投入生产。
五、项目运营管理1. 生产管理:建立科学的生产管理体系,确保生产安全、稳定。
2. 安全环保:严格执行安全生产和环保政策法规,确保生产过程安全、环保。
3. 质量管理:建立严格的质量管理体系,确保产品质量达标。
4. 成本控制:优化生产工艺,降低生产成本,提高经济效益。
六、项目效益分析本项目建成后,将为当地经济发展带来良好的效益。
首先,项目建设将带动当地相关产业的发展,提高当地居民的就业率;其次,项目投产后,将为当地政府带来可观的税收收入;最后,项目的建设和运营将为当地提供更多的优质产品,满足市场需求。
七、风险分析与对策在项目建设和运营过程中,可能会面临市场风险、政策风险、技术风险等多方面的风险。
为降低风险,我们将加强市场调研,及时调整生产计划;积极配合政府政策,确保项目合规运营;加强技术研发,提高生产技术水平。
甲醇项目施工方案
甲醇项目施工方案一、项目背景甲醇项目是一项重大的工程项目,需要充分考虑各方面的因素,对施工方案进行详细的组织设计,以确保项目的安全、高效、顺利进行。
二、项目管理组织结构2.项目经理:负责项目的具体实施和管理,包括项目进度控制、资源协调、质量管控等工作。
三、施工方案设计1.总体施工方案设计:根据项目需求、工程规模和预算等因素,确定总体施工方案,包括工程进度计划、资源调配方案、安全管理计划等。
2.工程进度计划:根据项目里程碑和关键节点,确定项目的总体工期和分期工期,并制定详细的施工进度计划,确保施工进度合理。
3.资源调配方案:根据工程规模和施工进度计划,确认所需资源,包括人力、机械设备、原材料等,并制定详细的调配方案,以保证项目的资源供应充足。
4.安全管理计划:根据工程特点和可能存在的安全风险,制定详细的安全管理计划,并明确安全责任人,确保施工期间的安全。
5.质量管控方案:根据项目要求和规范,制定具体的质量管控方案,并确定检验验收标准,加强对施工质量的监督和控制。
四、施工组织设计1.施工分包:根据施工方案和相关设计文件,将项目分成不同的施工分包工程,明确施工分包单位和责任,并加强对施工单位的管理和监督。
2.施工队伍组织:根据项目需求和工期安排,确定所需的施工人员数量和技术要求,招募并培训合格的施工人员,组建专业化的施工队伍。
3.施工管理控制:通过施工现场巡检、施工进度会议、施工日志等方式,加强对施工的管理和控制,及时发现和解决问题,确保施工质量。
4.施工协调与沟通:加强与各相关方的沟通和协调,包括业主方、设计方、监理方等,及时解决工程施工中的问题和矛盾。
五、成本控制1.成本估算:根据项目需求和工程量,制定详细的成本估算表,包括人力成本、材料成本、机械设备成本等,并及时进行成本核算。
2.资源利用效率:通过合理调配资源和提高施工效率,降低成本。
3.成本监控:通过成本控制指标和监控手段,及时发现和纠正项目成本偏差,确保项目的经济效益。
甲醇罐区施工组织技术方案
阳泉煤业集团盂县化工“3652”尿素工程一期工程甲醇罐区安装工程施工组织设计编制:审核:批准:目录一、综合说明二、工程简述三、施工部署四、施工准备五、施工总平面和临时设施布置六、工程管理措七、特殊技术措施八、工程材料管理与控制九、服务承诺一、综合说明1.1 编制说明结合我公司近年来甲醇罐安装、施工等同类型装置地施工经验编制施工组织设计,同时该施工组织设计作为本工程质量计划,将指导我公司按照业主地要求,全面彻底地完成本工程.我们有责任使工程质量满足现行技术标准.1.2 编制依据1.2.1 本工程招标文件1.2.2 《化工建设工程施工组织设计标准》HG20235-93.1.2.3 《建设工程工程管理规范》GB/T50326-2006.1.2.4 《工业金属管道工程质量验收规范》GB50184-20111.2.5 《机械设备安装工程施工及验收通用规范》GB50231-20091.2.6 《工业金属管道工程施工规范》GB50235-20101.2.7 《现场设备、工业管道焊接工程施工规范》GB50236-20111.2.8 《石油化工建设工程施工安全技术规范》GB50484-20081.2.9 《工业安装工程施工质量验收统一标准》GB50252-20101.2.10《压缩机、风机、泵安装工程施工及验收规范》GB50275-20101.2.11《石油化工金属管道工程施工质量验收规范》GB50517-20101.2.12《化工机器安装工程施工及验收通用规范》HG20203-20001.2.13《石油和化学工业工程建设工程管理规范》HG/T20705-20091.2.14《化工金属管道工程施工及验收规范》HG20225-951.2.15《化学工业工程建设交工技术文件规定》HG20237-941.2.16《石油化工钢制管道工程施工工艺标准》SH/T3517-20011.2.17《石油化工设备安装工程质量检验评定标准》SHJ514-1990上述标准、规范及规程是本工程建设地最基本依据,并未包括实际施工中所涉及地所有标准、规范及规程.所使用地标准、规范及规程均应为合同签订之日时地最新版本,施工过程中如有修订,也应以修订后地版本为准.1.3 编制原则1.3.1 低成本、高效率、高质量地将该工程建成业主和我公司地效益工程、示范工程、行业优质工程,是本施工组织设计编制地基本原则,也是我公司承建该工程地主要指导思想.1.3.2 执行“文明施工,依法管理,保施工全过程安全”地公司安全管理方针,按照ISO18000职业安全健康管理体系文件,消除事故隐患,预防事故发生,保障职工人身安全和机械设备安全.1.3.3 根据ISO14000环境管理体系要求,避免、减少和控制环境污染,节约资源,创造一个文明、祥和有利于环保地工作环境.1.3.4 从公司管理层到工程参战职工都应深刻认识干好这个工程地重要性及其深远意义,对工程全体参战职工进行广泛、深入、系统地工程管理教育和素质培训,按国际工程管理模式提出管理要求,树立全新地管理理念,全面提高我公司工程管理水平和施工能力.1.3.5 公司选派优秀地工程管理骨干组成强有力、极具先进管理思想,有强烈责任感地领导班子,建立一个完善地安全组织机构及环保、文明施工管理体系,健全现场各项管理制度,并严格落实和执行.公司调派作风顽强,技术过硬,有敬业精神地施工队伍,配备先进、合理地工机具等技术装备,提供可靠地资源保障.1.3.6 采用先进合理地施工工艺、施工方法和管理措施,结合我们有类似装置施工经验和工程总结,进一步提高工作效率,降低工程成本,提高施工质量,为业主提供满意地工程.1.3.7 服从业主代表和监理单位地监督检查与协调管理,加强与业主、设计单位、设备材料供应商、工程监理和地方政府沟通联系,密切合作,确保该工程一次试车投产成功,并且长期正常使用.二工程简述2.1 工程工程简要说明本工程为阳泉煤业集团盂县化工有限责任公司“3652”尿素工程一期工程甲醇罐区安装工程.地点:山西盂县.质量标准:达到国家验收合格标准.承包方式:甲供主材.三施工部署3.1 施工目标规划(工期、质量、HSE目标)3.1.1 工期目标招标文件规定施工工期确定为:个工日.3.1.2 质量目标工程质量确保合格,单位工程一次合格率100%.3.1.3 HSE目标严格执行业主规定地HSE管理标准和程序,为强化HSE管理,我公司保证每50个作业人员配备一名安全员,目标如下:3.1.3.1 死亡事故发生率:零3.1.3.2 火灾事故发生率:零3.1.3.3 文明施工:达到公司制定地文明工地标准3.1.3.4 环境A、垃圾:定期清理,堆放指定位置B、噪声:昼夜≤65dB,夜间≤55dB四施工准备4.1 施工技术准备4.1.1 按公司《设计交底和图纸会审规定》,由业主组织设计交底和图纸会审,充分了解设计意图和技术难点,做好图纸会审记录.4.1.2 组织改编《施工组织设计》、《施工方案》,进行技术交底.并做好技术交底记录.4.1.3 结合工程特点,作好职工进场安全教育及培训工作,并确定办理动土证、动火证等事宜.4.1.4 认真贯彻公司计量管理制度,按计量检测点配备好计量器具,确保计量器具配备率、周检合格率,使在用地计量器具抽检合格率达到国家规定地指标. 4.1.5 工程总工程师在开工前,组织专业人员与业主代表及监理代表洽商形成纪要,确定以下事宜:A、确定单位工程、分部工程、分项工程;并评价主要单位工程、主要分部工程、主要分项工程.B、确定分项工程中质量控制工序;并评价出重要控制工序,实施A、B、C 三级工序控制.C、对承担地工程工程地环境因素进行识别和评价,确定重要环境因素.D、辨识工程施工中安全地危险因素,评价其风险程度,确定重大危险因素.4.1.6 编制施工组织设计、施工方案、安全管理方案、文明施工、环境管理方案.A、施工前工程总工程师应组织有关人员针对现场实际及已到施工资料,优化施工组织设计.其中应包括质量计划、安全管理计划、文明施工和环境管理计划.B、施工组织设计地编制需遵守业主对施工组织设计地要求.C、主要施工方案一览表和安全管理方案、文明施工、环境管理方案应在施工组织设计中列出.D、主要施工方案和安全管理方案、文明施工、环境管理方案由工程总工程师组织进行编制,一般施工方案由施工队技术组长组织工号技术员进行编制.4.1.7制定第三层管理文件A、工程经理部应组织学习公司制订地第三层管理文件,并在施工工程地质量、安全和文明施工、环境管理工作中贯彻实施.B、根据工程需要和质量、职业健康安全和环境管理要求,工程经理部还可组织制订除A条外必要地第三层管理文件,但这些文件必须与总承包和公司地质量、安全和文明施工、环境管理文件搞好接口,具有相容性.4.2 施工人员准备4.2.1工程经理部管理人员工程经理、工程副经理、工程总工程师及工程部主要管理人员必须在合同签订后立即进驻现场开展工作.其他管理人员按人员进场计划组织进点.4.2.2 施工队伍根据工程情况、周围环境和其它条件,工程经理部编制劳动力需用量计划和劳动力调谴计划.在开工前,组织必要地施工人员进点.4.2.3 必要时组织施工进点人员进行质量、环境、职业健康安全培训.4.2.4 对特殊作业人员,应进行必要地培训、考核和资格认证.4.2.5 组织焊工进行焊接操作培训.特别是对从事特殊材料焊接人员进行培训考核.4.3 施工机具准备4.3.1 工程技术及设备材料负责人根据施工统筹计划,准备主要施工机具、器具和主要施工手段用料.4.3.2对用于工程工程地施工机具、器具和手段用料,设备材料部门负责进行检查、维修和维护,确保其功能齐全、性能良好、安全可靠.4.4 施工材料准备4.4.1 计划负责人根据施工图和工程需要,编制材料供应计划,由设备材料负责人进行准备,确保供应材料质量和时间.4.4.2 由业主提供地物资,设备材料负责人应根据施工计划编制进料计划送达业主,以便及时运输到现场仓库或施工现场.4.4.3 由我方自行采购地物资应按采购计划,设备材料负责人提前准备或及时采购.4.5施工现场准备4.5.1施工前地中间交接安装工程在施工前,按照有关图纸要求,对土建施工地基础进行交接,并做好详尽地交接记录和测量记录.4.5.2 施工现场“四通一平”开工前必须把路通、水通、电通、电讯和平整场地地“四通一平”工作完成.4.5.3 对现场到货材料进行检验和报验对到现场地设备组件按照规范和图纸要求,进行交接检验,并对业主和监理进行检验资料地报验,施工检验地程序届时按技术监督地检验大纲要求进行.4.5.4 建造临时设施A、工程经理部技术负责人应在开工前组织绘制施工总平面图,确定临时设施位置、运输路线、施工场地等.临时设施不得长期占据正式工程位置,影响正式工程地施工.B、临时设施应按施工总图要求进行规划和建设,不得随意更改,增加或改变临建地点,应经施工总图管理人员同意,并报业主批准.C、临时设施一般包括生活设施、生产(施工)设施、材料堆场、仓库、临时水、电、气、道路、固体废弃物堆场、污水处理设施、排水设施、围墙等,均应在施工前准备完成.4.5.5 安装、调试施工机具按照施工机具需要量计划,组织施工机具进场,根据施工总平面图将施工机具安置在规定地地点或仓库.对主要吊装用地机索具进行性参实验和保养,对焊机及热处理设备进行检查和维修.五施工总平面和临时设施布置5.1 施工平面布置原则施工总平面布置按照经济适用、合理方便地原则,在保证场内交通运输畅通和满足施工对材料要求地前提下,最大限度地减少场内二次运输,在平面交通上,尽量避免各施工单位相互干扰;符合施工现场卫生及安全技术要求和防火规范、满足施工生产和文明施工地需要-·.5.2 临时设施布置及施工用地规划根据招标文件提供地厂区总平面布置图,我们在响应招标文件和业主要求地情况下,本次临时设施主要分为作业施工区,办公及辅助生产区、生活区及与其配套地三个部分构成.施工区主要布置在脱碳区周边,办公及辅助生产区布置在厂区北侧地临设区内,生活区布置设在厂区外附近,或布置由业主指定地区域内搭建.5.2.1 施工道路施工区地现有基本道路可作为施工通道.5.3 临时用水、用电布置5.3.1 临时用水布置本工程现场用水主要包括生活用水、消防用水、施工用水和实验用水. 5.3.1.1 生活用水生活用水是指施工现场临时性饮用水,从业主提供地水管处碰口安装水表后接出主管,采用与其相应管径地镀锌管经变径管分别接至现场办公及主要施工用水处.5.3.1.2 施工现场用水施工现场用水主要为建筑安装作业中临时性用水,管道充水实验.管道充水实验用水采用现场消防水,考虑到节约用水,管道与管道之间分段用加压泵进行倒水循环利用,以减少施工成本.设备及管道充水实验用水届时由施工方案确定.5.3.2 临时用电布置5.3.2.1 用电负荷计算本工程施工用电高峰期为管道安装期间,根据该期间投入地施工机具设备功率计算临时用电负荷.5.2.2.2 线路布置新建装置施工用电量最大且持续时间相对较长,其表现在工艺管道施焊安装完成.因此,工程开工时在装置区内适当位置增设配电箱.配电箱从业主指定地点引出,现场配电箱电源线采用五芯电缆接入配电箱,箱内配设DZ10-600空气开关一只、DZ10-400三只、DZ10-25-0四只,再经分配电箱、现场开关箱,接至各用电设备.电缆根据现场实际埋地或架空敷设.在配电箱处做重复接地装置(R≤4Ω)接于箱内保护接地专用端子上,同时保证保护接零端子与工作接地端子处于连接状态.由配电箱至分配箱及分配电箱至开关箱保护接地线(PE)与工作接地线(N)严格分开使用,从而保证场内按“三相五线制”TN-S系统供配电.施工时一定要注意PE线和N线地安装质量,并在运行中要做到定期测试.PE和N线不允许装设开关或溶断器,为确保安全可靠性,进行必要地重复接地,接地电阻不大于5Ω.配电箱、分配电箱及开关箱应设在干燥、通风地场所,周围应有足够二人同时工作地空间和通道.室外配电箱放置要牢固,且有防雨设施,安装高度底边距地0.6-1.2m,有门有锁,箱内无杂物,并设明显警示标志.严格执行一机一闸一漏电保护,严禁一闸多机和无漏电保护设备使用.不允许以铜丝、铁丝等代保险丝使用.外线电缆施工完应用500v摇表检测,其绝缘电阴不小于0.5兆欧方可送电.电缆送电前,先将配电设备断电,安全检查后逐级送电,严禁带电续接电缆.施工现场配备专门维修电工2名,该维修电工必须是专业电工,担负整个工地地用电设备地管理及维修.维修电工要将所有配电箱标明名称、用途、范围并作出分路标记,每一个月要检修一次,工地临时电地送电、断电、线路更改等必须由维修电工独立完成,其它任何人不得随意挪动配电箱和停送电.5.4 临时消防安全布置5.4.1 施工现场地消防布置在装置施工现场相对集中处公别设置两个消防点.5.4.2 现场消防用水由业主有关部门统筹安排,施工单位配合.5.5 现场废弃物地管理5.5.1 生活废弃物地管理在生活区内洗漱池边设置移动式垃圾桶,并在生活区西大门处设置垃圾箱一个.生活区清洁人员每天负责将移动式垃圾桶内地垃圾集中到池中进行集中处理.在食堂地排水沟设置隔油池,产生地污水经下水管道进入隔油池后排入业主规划地总排水沟.厕所地污水排放必须先经过化粪池,才能对外排放.5.5.2 现场废弃物地管理由于施工现场人员多、面积大,在施工班组作业过程中,派专人对现场卫生进行巡视,发现垃圾随时收集、清理,并将现场地施工垃圾倒放至指定地部位一,并将垃圾清运到指定地地点,严禁随意抛撒.5.6 施工平面布置管理5.6.1 平面管理总原则根据施工平面设计,以充分保障各阶段地施工重点,保证进度计划地顺利实施为目地.在工程施工前,制订详细地大型机具使用及进退场计划,主材及周转材料生产、加工、堆放、运输计划.同时制订以上计划地具体实施方案,严格执行,奖罚分明,实施施工平面地科学、文明管理.5.6.2 平面管理计划地实施根据工程进度计划地实施调整情况,分阶段发布平面管理实施计划,包含时间计划表、责任人,计划执行中,不定期召开调度会,经充分协调,研究后发布计划调整书,确保平面管理计划实施.5.6.3 平面管理措施根据施工现场及工程施工进度计划,将采取以下措施进行现场平面地管理和控制:5.6.3.1 根据不同施工阶段、施工内容及施工特点,合理布置各专业地预制场,减少二次搬运.5.6.3.2 抓好已领主材和施工设备地堆放.按主材、设备使用对象对各施工队进行包干清理.六工程管理措施根据我公司近些年对工程工程地施工管理经验,实施过程中执行国家《建筑工程工程管理规范》(GB/T50326-2006)及我公司管理体系(质量、职业健康安全、环境)《管理手册》,并将重点对工程地施工质量、进度、安全(文明施工、健康和环境保护)以及材料、技术、成本等方面进行全面管理和控制,特别以质量、安全、进度管理为中心.6.1 施工质量管理6.1.1 质量控制要点A、建立健全质量管理组织和体系.B、贯彻并执行ISO9000标准.C、建立质量地现场管理制度.D、贯彻执行“三检一评”和工序交接制度.E、认真作好施工记录.F、认真执行业主、监理地指令.G、定期组织质量检查,杜绝质量事故发生.H、消除现场“人、机、料、法、环”等影响质量工作地影响.I、制定质量预控表.6.1.2 质量保证措施见《工程质量保证体系及技术组织措施》.6.2 施工安全管理6.2.1 安全控制要点A、建立安全管理体系.B、贯彻执行国家、地方、业主、公司地安全制度.C、配备足够地安全工程师,从环节上消除安全隐患.D、严格执行公司《安全手册》,对员工进行入场教育,并请业主对施工人员进行安全教育.E、分析安全风险,建立安全预案.F、针对工程特点和作业内容,严格执行操作人员作业标准.6.2.2 安全、文明施工、健康和环境保护措施见《安全生产保证体系及安全保证措施》.6.3 施工进度管理6.3.1 进度控制要点A、根据业主、监理地要求,编制进度控制计划并执行.B、坚持每周日进度报告制,及时调整作业计划.C、根据设备到货和现场地条件,及时地调整资源计划.D、严把质量关,杜绝(减少)返工.E、设立“节点”奖,作到有奖有惩.F、加强现场调度,及时协调施工中地问题.6.3.2 进度保证措施见《施工进度计划及保证措施》.6.4 施工材料管理6.4.1 严格执行公司管理体系文件《采购控制程序》、《合同评审控制程序》、《施工材料管理办法》等.6.4.2 材料管理措施见《工程材料管理与控制》.6.5 施工技术管理6.5.1 施工前期地技术准备A、在全面掌握工程内容和工程规模地基础上,编制好技术准备工作计划.主要内容包括:划分单位工程,确定分部分项工程地划分原则,确定施工标准地选用原则,制定施工组织设计和施工技术方案地编制计划、降低成本措施计划、技术进步和工法成果开发推广应用计划.B、进行现场踏勘,收集资料和有关工程施工信息,进行机构迁移和大型临建规划.C、在接到设计施工图后,组织工程技术人员认真熟悉图纸,做好自审记录.参加由建设单位组织地图纸会审和设计交底,形成会审纪要,并作为工程施工和交工验收地依据之一.D、根据合同附件地有关条款,向建设单位和监理单位了解设计进度安排、单位工程交工地先后顺序、年度建设计划、施工要求以及设备材料地供货方式和供货计划.E、按施工技术方案地编制计划,组织编写好各类施工技术方案.施工技术方案既是工艺标准又是质量控制依据,作为施工作业指导技术文件,也必须严肃认真地贯彻执行.F、施工组织设计和施工技术方案,其编制审批程序按公司质量体系程序文件《施工技术准备控制程序》执行.6.5.2 施工过程中地技术管理A、凡是用于工程地设备、材料、加工件或成品、半成品等,都应有合格证,投用前,有关技术人员应认真核对.对合格证件中数据不全或对数据有疑义者,应按技术规定进行复验.B、需要变更设计或材料代用,应由工号专责技术负责人提出申请,并填报“工程业务联系单”,经工程管理部专业工程师审核和总工程师批准后送交相关部门,经同意签批后方可实施.C、上道工序完成后在转交下道工序时,应填写“工序交接签证单”,并与下道工序办理工序交接,未经工序交接签证,不得转入下道工序施工.6.5.3 交工验收阶段地技术管理A、工程交工和竣工验收阶段地技术管理工作,应按《工程交付程序进行》.B、工程进入扫尾阶段,由质量工程师组织质量管理部、工程管理部,施工队有关技术人员参加由建设单位和设计代表组织地“三查四定”工作,并做好详细记录,形成书面文件,指定专人负责处理.对处理结果进行核对确认,三方签字存档,为生产装置地机械试车准备条件.C、工程进入交工验收阶段,质量工程师组织各级工程技术人员整理、编制工程交工技术文件.交工技术文件地内容及格式按业主要求执行.6.6 工程成本管理6.6.1 建立工程成本控制体系A、成本控制程序:成本预测→编制成本控制→进行成本核算→成本分析→成本报告6.6.2 工程成本控制措施工程经理部应坚持增收节支、全面控制、责权利相结合地原则,用目标管理方法对实际施工成本地发生过程进行有效控制.加强材料管理,从选购设备、材料入手,做到货比三家,确保优质,低价合理确定材料库存量,提高资金周转率,通过落实诸如焊材管理,限额领料管理制度,采用工厂化、预制化、模块化施工工艺等,降低工程材料消耗.具体措施如下:A、协助业主控制资金投入a、根据施工总进度计划,编制出年度计划,向业主建议资金使用计划,以方便业主按计划筹集资金,避免盲目使用造成浪费.b、充分发挥我公司地经验优势,向业主提出合理化建议,减少资金投入.B、加强内部管理,控制支出,降低工程成本.a、优化施工组织设计、施工方案、技术措施.b、降低采购成本c、降低施工成本c、运用新工艺、新技术和管理措施降低成本.七特殊技术措施7.1 设备安装工程7.1.1静设备安装7.1.1.1安装程序施工方案编制→基础验收→开箱检验→设备吊装→找平找正→基础灌浆→构件安装→封闭7.1.1.2 安装方法A、所有设备采用有垫铁法安装.B、静止设备采用吊车一次吊装就位,被吊设备应按图纸规定地重心进行节点捆扎,没有重心标注明,应计算后再进行吊点地设置,吊装前应对机具、索具进行检验,合格后再进行吊装.C、找正找平采用水平仪,水准仪及经纬仪进行.7.1.1.3 主要施工技术措施A、基础表面地处理及垫铁地放置应符合有关标准要求.B、所有设备采用有垫铁法安装,所需垫铁由安装承包商提供,垫铁用低碳钢或铸铁制造,每组垫铁面积将根据设备重量、地脚螺栓直径及基础砼标号计算而定,最小不得小于50mm×150mm.C、垫铁组布置原则,在地脚螺栓两侧各放置一组,应尽量使垫铁靠近地脚螺栓,当地脚螺栓间距小于300mm时, 可在各地脚螺栓地一侧放置一组垫铁,相邻两垫铁组最大间距一般约500mm,有加强筋地设备, 垫铁应垫在加强筋下.D、设备地找平与找正应按基础上地基准线(中心标记线,水平标记)对应设备上地基准测点进行调整和测量,调整和测量地基准应按规定,如无规定,应执行下列规定:○1设备支承(裙式支坐、耳式支坐、支架等)地底面标高应以基础上地标高基准线为基础;○2设备地中心线位置应以基础上地中心为基准;○3立式设备地方位应以基础中心线为基准;○4立式设备地垂直度应以设备两端部地测点为基准;○5卧式设备地水平度一般以设备水平中心为基准;○6在工作温度下要膨胀或收缩地卧式设备,其滑动侧地脚螺栓应满足HGJ209-83要求,灌浆后先紧螺栓,等设备配管完成后,再松动螺母,留下0.5-1mm 间隙,然后将旋紧螺母紧固以保持这一间隙.F、设备安装允许偏差:应满足标准及业主方、监理公司地要求,用钳工水平仪、光学经纬仪进行找正、找平测量.G、对不锈钢设备应注意采取保护措施,以免损伤设备或污染(铁离子污染、油污染)设备.H、设备安装后经我方检查合格,并经业主方、监理公司现场确认,方可进行二次灌浆层灌浆.灌浆应根据规范或制造商地有关规定.I、安装有塔盘地设备应穿干净地工作服和使用干净地工具包,并对进出塔地工具进行登记,以检查是否有工具遗留塔内.J、对于法兰联接地设备若在现场组装地设备,应在地面进行水压实验.并对设备进行干燥及有效地封闭保管.7.1.2机泵设备安装7.1.2.1 施工程序。
甲醇项目施工方案
甲醇项目施工方案一、项目背景甲醇是一种重要的有机化工原料,广泛用于合成化工产品、溶剂、涂料、塑料等领域。
本项目旨在建设一座规模较大的甲醇生产厂,为市场提供优质的甲醇产品。
本方案将对甲醇项目的施工组织设计进行详细说明,确保项目按计划高效完成。
二、项目目标1.项目总投资:XXX万元。
2.项目建设周期:XXX个月。
3.项目工期:XXX个月。
4.安全生产目标:零事故、零伤亡。
5.施工质量目标:按照相关标准规范,确保工程质量合格。
6.施工进度目标:按照工期要求,保证按时建成投产。
三、施工组织设计1.组织架构设计1.1项目经理办公室:负责项目的总体管理和决策,包括人员配备、资源调度和决策协调等工作。
1.2施工部门:负责项目的施工实施,包括工地布置、施工计划制定和施工过程的监督和管理等工作。
1.3安全环保部门:负责项目的安全生产和环境保护,包括安全培训、事故预防和环保措施等工作。
1.4质量部门:负责项目的质量管理,包括施工质量检查、合同验收和质量记录等工作。
1.5供货部门:负责项目所需设备和材料的供应,包括设备选型、采购和运输等工作。
2.人员配备2.1项目经理:1名,负责项目的总体管理和决策。
2.2施工经理:1名,负责项目的具体施工管理和协调。
2.3安全环保专员:1名,负责项目的安全生产和环境保护。
2.4质量专员:1名,负责项目的质量管理和质量检查。
2.5工程技术人员:根据项目需要配备不同类型和数量的工程技术人员。
2.6施工人员:根据项目需求配备不同类型和数量的施工人员。
3.施工进度计划3.1制定详细的施工进度计划,包括每个施工活动的时间节点和工期安排。
3.2制定施工进度的监控措施,及时发现和解决施工中的问题,保证施工进度不受干扰。
4.安全生产措施4.1制定详细的安全生产方案,包括施工现场的安全设施、安全标识和安全教育培训等内容。
4.2设立专门的安全管理人员,负责施工现场的安全监督和事故处理。
4.3检查施工现场的安全状况,及时排除安全隐患,确保施工过程中的安全。
- 1、下载文档前请自行甄别文档内容的完整性,平台不提供额外的编辑、内容补充、找答案等附加服务。
- 2、"仅部分预览"的文档,不可在线预览部分如存在完整性等问题,可反馈申请退款(可完整预览的文档不适用该条件!)。
- 3、如文档侵犯您的权益,请联系客服反馈,我们会尽快为您处理(人工客服工作时间:9:00-18:30)。
2019年甲醇工程施工组织设计1 目录
一、工程概况(4)
二、施工组织(8)
三、施工方案(13)
1、框架结构的施工方案(14)
2.排架结构施工方案(39)
3.砖混结构施工方案(43)
4.池槽结构施工方案(47)
5.块体结构施工方案(54)
6.钢结构施工方案(55)
四、工程投入的主要施工机械设备情况、主要施工机械进场计划(68)
五、劳动力安排计划(70)
六、质量技术组织措施(72)
七、安全生产技术组织措施(92)
八、文明施工技术组织措施(95)
九、工期技术组织措施及施工进度计划(97)
十、扬尘治理措施(100)
十一、雨季及冬季施工措施(102)
一、工程概况
该工程为旭阳焦化项目之年产10万吨甲醇装置土建工程,建设内容包括有:A标段湿法脱硫、焦炉气压缩、203变电所;B标段精脱硫、转化、合成气压缩、精馏、脱盐水站、中控化验楼、罐区、泡沫站、汽车装卸站、地磅房及磅台、机电修车间、综合供水、工艺管子架;C标段空分、空压站、201开闭所、食堂浴室、锅炉房、。
湿法脱硫车间为两层钢筋砼框架结构厂房,建筑面积855M2,车间一层内有单梁起重机和设备基础,主要设备基础包括低位槽、富液泵、贫油泵、硫泡沫泵。
车间二层为硫仓库、操作室;湿法脱硫区室外还有一些设备基础,主要有富液槽、事故槽、贫油槽、硫泡沫槽、溶液缓冲槽、脱硫塔、再生塔以及管道支架等。
焦炉气压缩车间为单层排架结构厂房,轻钢层架、复合彩钢屋顶。
建筑面积约1400M2。
车间有16吨天车两台,焦炉气压缩机三台。
压缩机基础为大块体基础,基础上预留预埋较多,标高复杂尺寸变化较多,室内还有管道支架基础和其他小基础。
203变电所为两层砖混结构,建筑面积189M2。
室内放置变压器,该工号施工时,要考虑到变压器运进室内就位的条件,通常在施工时要在顶棚和对面墙上预埋上吊环,底板上预埋上钢
板。
精脱硫建筑面积864M2,为设备基础群和砼地坪及各种脱硫槽和管道支架。
转化占地1161M2为设备基础群和砼地坪及管廊和管道支架。
合成气压缩厂房为单排架结构和框架结构的复合体结构,其中排架
结构采用轻钢屋架,复合彩钢板屋顶,建筑面积378M2。
框架结构部分为压缩机基础。
压缩机基础为钢筋砼框架式平台。
该区域还包括砼地坪和砼设备基础,占地560M2。
脱盐水站又名化学水处理两层框架结构,局部三层,建筑面积1296 M2,主要是立式罐基础和泵基础,三层为操作室和化验室。
中控化验楼,钢筋砼框架结构,建筑面积1845M2。
罐区占地2840M2,外围有防火堤通常防火堤为砖砌而成。
泡沫站为单层砖混结构。
汽车装卸站根据以前施工经验应为轻钢结构,基础为钢筋砼基础。
地磅房及磅台为单层砖混结构;
机电修车间为单层排架结构,有薄腹梁。
综合供水泵房为单层框架结构,半地下形式;加药间为单层砖混结构;凉水池为池槽结构占地1788M2。
空分有单层排架构又有框架结构还有室外设备基础和地坪。
空压站单层排架结构,有薄腹梁,大型屋面板,建筑面积250M2。
201开闭所为两层砖混结构,建筑面积960M2,设值班室、维修间。
食堂浴室即有单层钢筋砼框架结构又有砖混结构,有薄腹梁和大型屋面板,建筑面积1488M2。
锅炉房为框架结构,钢屋架,大型现梁屋面板。
计划2006年5月30日开工,确保2006年12月31日竣工,具备生产条件。