行车式吸泥机说明书
吸泥机操作规程

吸泥机操作规程
(一)运行前的准备
1.池内碎石丶木头等杂物应清除干净。
2.减速机按制造厂说明书要求加注清洁剂润滑油(应考虑环境温度)。
3.各传动部分应添加润滑油脂(包括回转支撑)。
4.电源是否正常。
(二)空负荷运转
安装完毕后,进行无水空运转,即空负荷运转,运转前应确认以下事项:
a.检查各负荷开关是否在整定值上。
b.检查各开关是否动作可靠。
c.确认中央控制室与本吸泥机之间的各信号点连接正确。
(三)开机运行
就地控制:
合上总电源开关。
将工作方式开关拨在“现场”位,现场方式为手动。
手动方式用于设备维修调试时的连续或调整操作。
可按动“起动”丶“停止”按钮控制设备的运转和停止。
现场方式下远控起动信号无效。
远程控制:
合上总电源开关。
将工作方式开关拨在“远控”位,设备的运行由远端中央控制室起动信号(闭合)控制。
电柜中将“允许远控”,“运行”,“故障”,“电源”信号(无源开关量)传递给远端控制室。
(四)注意事项
电源开关(QF)应每月检查一次其漏电保护特性。
检查方法:在合上电源的状态下,按动电源开关右下白色按钮,观察电源开关是否断开。
电源开关(QF)断开后,电柜配电板上的黄色导线(输出信号线)仍有带电可能,人体不可触及。
刮吸泥机操作规程范本

刮吸泥机操作规程范本第一章总则第一条为保证刮吸泥机的正常运行,保障人员的安全,规范操作行为,避免事故发生,特制定本操作规程。
第二条本操作规程适用于刮吸泥机的操作与维护人员,包括驾驶员、维修人员等。
第三条刮吸泥机的操作与维护人员应当具备相关的技术知识和操作经验,了解刮吸泥机的工作原理和使用方法。
第四条所有刮吸泥机的操作与维护人员必须严格按照本操作规程执行,切实履行安全生产责任,加强安全意识,严守规章制度。
第五条刮吸泥机的操作与维护人员应遵守国家有关安全生产法规和规程,不得违法乱纪,损害企业和个人的利益。
第六条刮吸泥机的操作与维护人员应随时掌握刮吸泥机的工作情况,及时发现并报告刮吸泥机故障,保持设备的良好状态。
第二章操作规程第七条刮吸泥机的操作与维护人员在进行操作前应先检查刮吸泥机的各个部件是否完好,包括车体、发动机、刮板、泵浦、液压系统等,确保其安全可靠。
第八条在操作刮吸泥机时,操作人员应按照规定的程序进行,不得随意拆卸或更换设备部件。
第九条操作人员在使用刮吸泥机时应注意以下事项:1. 合理调整刮板的角度和压力,确保刮泥效果最佳。
2. 定期对刮板进行清洗和保养,防止积泥过多影响正常工作。
3. 经常检查泵浦和液压系统的工作状态,确保其正常运转。
4. 注意刮吸泥机行驶时的稳定性,以防发生翻车等事故。
5. 使用过程中如发现异常情况应立即停机检查,并及时报告相关人员。
第十条操作人员在刮吸泥机行驶时应注意以下事项:1. 严格按照交通规则行驶,确保与其他车辆的安全距离。
2. 注意观察路面情况,避免碰撞路面凸起物或其他障碍物。
3. 行驶过程中保持稳定速度,避免急刹车或急加速。
4. 当遇到视线不清、路面湿滑等恶劣气候条件时,应减速慢行,确保安全。
第三章维护规程第十一条刮吸泥机的维护人员应定期对设备进行检查和维护,以保证其正常运行。
第十二条维护人员在对刮吸泥机进行维护时应注意以下事项:1. 定期更换刮板和刮刀,保证刮吸泥机的刮泥效果。
刮泥机XXG型(行车式)操作规程

刮泥机XXG型(⾏车式)操作规程PGT型刮泥机使⽤和维护本污⽔处理站PGT型刮泥机共4台,分布于沉淀分离槽⼀、功能污⽔进⼊沉淀池后通过滤料过滤,清⽔进⼊沉淀池上层流⾛,⽔中的杂质及固态颗粒停留在沉淀池下层。
经过⼀段时间停留后,固液分离,杂质及固态颗粒沉淀⼊池底。
刮泥机便⽤来将散布于池底的污泥刮拢收集⾄沉淀池中间的污泥收集槽。
⼆、刮泥机⼯作流程刮泥板上提刮泥板下放反向⾏驶三、操作规程(⼀)操作前(1)清理沉淀池、⼯作桥、⾛道的杂物;(2)观察刮泥机是否平⾏地放在轨道上,如果不平⾏,先调整其平⾏,再开动刮泥机;(3)检查电机(提升电机、驱动电机)是否正常;开动后⽆异常震动、噪⾳和异常发热;(4)(5)检查机架各连接件及螺栓有⽆松动,应随时予以调整紧固;(6)检查⾏程开关的可靠性和碰块的位置是否正确。
a)刮泥机的使⽤(1)刮泥机的⼯作过程通过⾏程开关控制,池⼦的前后装有⾏程开关,只要打(2)(3)(4)当泥质过于坚实时,需停池清洗后,刮泥机才能再投⼊⼯作;(5)刮板的翻转⼯作,通过⾏程开关和⼯作桥上的感应器来控制,提升机构来执⾏;其动作原理详见说明书;控制过程见⾃控说明。
(6)每次刮泥机停下来时,应停在刮泥反⽅向的池⼦尾端。
(7)刮泥机在运⾏过程中,如有异常情况,应⽴即切断电源,待检修排除故障后再开动;详见附(故障原因与对策)b)设备的润滑减速机在使⽤前必须注⼊润滑油,其相关规定如下:1、油品的选择(1)蜗轮减速器:或采⽤双曲线齿轮油、汽车⽤机油代替;(2)⾏⾛轮滚动轴承处定期加注润滑脂(黄油):锂基润滑脂(ZL-3)或硅铜系列万能黄油;(3)摆线针轮减速箱内的润滑油常温下⼀般选⽤40#或90¥机械油;如为了提⾼产品性能,延长减速机的使⽤寿命,则采⽤70#或90#极压齿轮油;(4)不允许注⼊不清洁或带腐蚀性的润滑油。
1、润滑油更换制度(1)第⼀次更换,减速机初次运转150-300⼩时后作第⼀次更换,更换时,应去除残存污油。
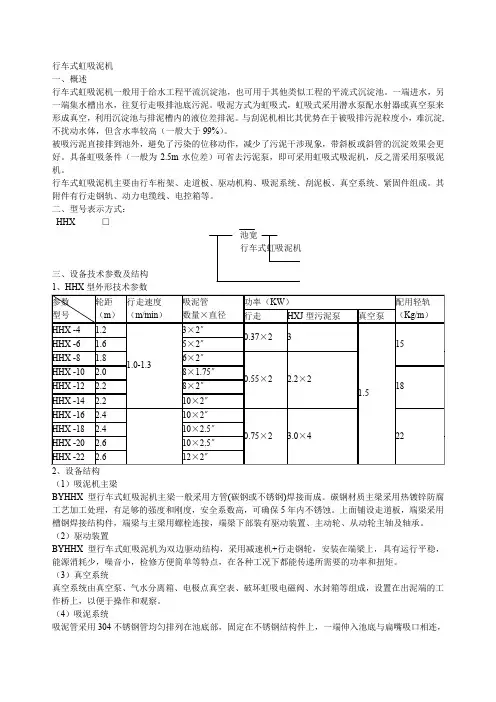
行车式虹吸泥机相关技术参数

行车式虹吸泥机一、概述行车式虹吸泥机一般用于给水工程平流沉淀池,也可用于其他类似工程的平流式沉淀池。
一端进水,另一端集水槽出水,往复行走吸排池底污泥。
吸泥方式为虹吸式,虹吸式采用潜水泵配水射器或真空泵来形成真空,利用沉淀池与排泥槽内的液位差排泥。
与刮泥机相比其优势在于被吸排污泥粒度小,难沉淀,不扰动水体,但含水率较高(一般大于99%)。
被吸污泥直接排到池外,避免了污染的位移动作,减少了污泥干涉现象,带斜板或斜管的沉淀效果会更好。
具备虹吸条件(一般为2.5m水位差)可省去污泥泵,即可采用虹吸式吸泥机,反之需采用泵吸泥机。
行车式虹吸泥机主要由行车桁架、走道板、驱动机构、吸泥系统、刮泥板、真空系统、紧固件组成。
其附件有行走钢轨、动力电缆线、电控箱等。
二、型号表示方式:HHX □池宽行车式虹吸泥机三、设备技术参数及结构2、设备结构(1)吸泥机主梁BYHHX型行车式虹吸泥机主梁一般采用方管(碳钢或不锈钢)焊接而成。
碳钢材质主梁采用热镀锌防腐工艺加工处理,有足够的强度和刚度,安全系数高,可确保5年内不锈蚀。
上面铺设走道板,端梁采用槽钢焊接结构件,端梁与主梁用螺栓连接,端梁下部装有驱动装置、主动轮、从动轮主轴及轴承。
(2)驱动装置BYHHX型行车式虹吸泥机为双边驱动结构,采用减速机+行走钢轮,安装在端梁上,具有运行平稳,能源消耗少,噪音小,检修方便简单等特点,在各种工况下都能传递所需要的功率和扭矩。
(3)真空系统真空系统由真空泵、气水分离箱、电极点真空表、破坏虹吸电磁阀、水封箱等组成,设置在出泥端的工作桥上,以便于操作和观察。
(4)吸泥系统吸泥管采用304不锈钢管均匀排列在池底部,固定在不锈钢结构件上,一端伸入池底与扁嘴吸口相连,并设有不锈钢支撑,另一端与排泥总管相连,排泥总管伸向桥一端的排泥槽内的水封箱中,桥端排泥管上部有支管与虹吸系统相连。
(5)刮泥板:刮泥板采用304不锈钢菱形刮板,与吸泥管轴线成45°,行车式虹吸泥机运行时将吸口与吸口之间的污泥推向吸口,使排泥彻底均匀。
水厂行车式虹吸排泥车的自动控制应用

水厂行车式虹吸排泥车的自动控制1、摘要本文介绍了plc控制在水厂实际生产中的应用即在平流式沉淀池排泥过程中的应用。
着重说明了此套系统的构造,程序运行过程,以及应用plc的优势,并给出了自动运行的程序框图。
2、关键词:plc 节能减排自动化运行,调速3、引言随着我国经济和城市的发展,自来水供水需求亦同步增长,水厂供水量的不断增加导致了排泥自用水量的日益增大。
大量的水厂排泥废水直接排入水体不仅污染水体,浪费大量水资源,而且造成制水成本的大大增加。
因此,有效的减少排泥水量不仅可以节约制水成本,而且可以降低水资源污染,降低社会制污成本。
平流沉淀池是水厂生产工艺的重要组成部分,而虹吸排泥设备是水厂平流沉淀池的重要设备。
雪浪水厂沉淀池排泥机采用西门子MMV-150/3变频器实现变频调速、西门子S7-200PLC实现排泥机的自动化控制,从而实现排泥机各项工作要求,达到节能降耗。
4、水厂生产特点及工艺要求概述雪浪水厂是平流沉淀池+快滤池的生产工艺,自用水主要由平流沉淀池排泥水和滤池反冲洗水组成,其中平流沉淀池排泥水量约占总排泥水量的70%,根据水厂的生产特点,夏季源水藻类多,水较难处理,需要加矾量较大,产生的排泥水量也大;冬季源水水位低,浊度变化大,根据统计数据,源水浊度变化范围10~245NTU,多数时间在30~70NTU,水较易处理,矾耗低,需要排泥的水量较小。
平流式沉淀池是各大中型水厂常见工艺构筑物,是给水处理工艺流程中的重要一环。
原水与硫酸铝或其它净水药剂混合反应后进入沉淀池,水中杂质逐步沉淀到池底,上清液在沉淀池末端溢流进入下一道工序。
原水中的大部分杂质与净水药剂结合形成的截留在沉淀池底部的污泥需及时排出,否则如积泥过多将影响出水水质,而虹吸式排泥机正是这样的设备。
平流沉淀池中的虹吸式排泥机,由桥式桁架、桁架传动电机及真空泵、电气装置及微型PLC、四极电源滑触线及八极信号滑触线、集泥板、喇叭式吸泥口及虹吸管等部件组成。
行车式提耙刮泥机技术说明

行车式提耙刮泥机技术说明1、技术参数数量1套池子外形尺寸LxBxH=22x4.05x3.5m行走速度~1m/min总功率 1.11Kw电源380V/50Hz防护等级IP55/F安装位置室外2、性能及结构刮泥机主要由工作桥、驱动装置、刮泥板及提升机构、轨道、输配电装置、就地控制箱等主要部件组成。
行车提耙式刮泥机由设置在工作桥二侧端梁的驱动装置同步带动,沿敷设在池顶的钢轨往复行走,集泥刮板将沉积于池底的污泥收集至集泥槽,通过固定排泥管排出池外。
行车提耙式刮泥机的行驶速度为1m/min。
1)工作桥工作桥采用方管制作形成桁架梁结构。
该形式美观大方,运行风阻小,刚度好,强度高,稳定性好;走道采用采用专业化制作的镀锌钢格栅板,美观大方,结构牢固。
现场安装采用螺栓连接,安装方便。
工作桥制作充分考虑刮泥机整体自重的同时,还考虑刮泥对其产生的弯矩以及其他侧向力、人载等,使工作桥在工作时整体挠度不大于1/800,承载大于150kg/m。
桥的整体直线度不大于1/1000。
工作桥端侧均设有钢制踏步,方便维护人员从池边走到工作桥上。
2)驱动装置驱动装置是带动工作桥运转的部件,采用二边分别同步驱动。
减速机采用轴装式减速箱减速,直接驱动行走轮,从而带动整机运转。
设计中充分考虑与工作桥的配合,确保行走轮的装配精度,从而保证整机行走的稳定性。
特制的夹轨防跑偏装置,可完全避免啃轨现象发生驱动端梁框架由型钢构成,行走轮轮毂为铸铁钢,行走轮两端轴承为调心带座轴承,便于安装和调整。
3)刮泥板及提升机构提升提耙机构采用钢丝卷筒式。
卷筒上的钢丝绳与刮臂上的吊点相连接,刮臂通过钢丝绳的卷扬来完成提升和下降的动作。
刮臂采用铰支结构,由型钢支架悬吊在工作桥下,通过提升动机构将刮泥板提升或放下。
为了避免刮泥板在刮泥时,刮板与池底直接摩擦,刮泥板安有水下行走轮作为支撑。
5)轨道及安装附件轨道采用15kg/m轻轨,附件应包括鱼尾板、压板、钢轨垫及所有连接紧固件。
HJG15[1].6刮泥机说明书
HJG15.3桁架式刮泥机技术说明书韶关市雅鲁环保实业有限公司二零一四年二月一、主要技术参数·池宽:B=15300mm·轨距:b=15600mm·池深:H= 3500mm·行距:L=20m·行车速度:1m/min·行车功率:2-0.75kw·提升功率:1.5kw·防护等级:IP54·防护等级:F级·轻轨:22kg/m·工作制:24小时/天连续运行或间歇运行二、主要结构与工作原理桁车式刮泥机由工作桥、传动装置、刮泥(渣)装置、行程控制机构等部件组成。
1、主要结构(1) 工作桥由型钢焊成整体结构,工作桥宽度:1000mm;材质:碳钢Q235;主梁为20#工字钢,中间设有方形钢管加固,走道面板为A3花纹钢板3mm厚;栏杆直径50*3mm钢管(满足图集及安全规范)。
有足够的强度和刚度。
主梁的拼装均在专用平台上进行,焊接标准按照JB/ZQ4000.3-86,并对各关键部位的焊缝进行无损检测(厂内有射线探伤室),确保焊接质量,工作桥挠度不大于L/800。
走道宽度为1m,走道板铺设在走道桥上,本工作桥结构合理、牢固、外形美观。
防腐方式为环氧防锈漆两道、绿色装饰面漆一道。
(2) 刮泥装置:由钢板、支架组装成整体,支架中间设有吊点与卷扬机构钢丝绳联接。
刮板上装有丁睛橡胶刮板,厚度为12mm,刮板总高度为400mm,并用橡胶轮作支承,可保证刮板与池面的一定高度。
(3) 刮板提升装置采用电机减速机传动钢索卷扬机构进行提升,该装置提升速度平稳,动作可靠,触点准确。
钢丝绳直径12mm。
(4) 驱动装置:驱动装置两端分别驱动,轨道滚轮行车驱动方式,主要由驱动电机,变速器,传动机构以及滚轮等组成。
走车采用A3碳钢板焊接加工制成,驱动轮为实心浇钢加工,轮距1.5米。
电机采用0.75KW/4,两台,变速器采用摆线针轮减速机与电机直联。
刮泥机、吸泥机安全操作规程正式版
Guide operators to deal with the process of things, and require them to be familiar with the details of safety technology and be able to complete things after special training.刮泥机、吸泥机安全操作
规程正式版
刮泥机、吸泥机安全操作规程正式版
下载提示:此操作规程资料适用于指导操作人员处理某件事情的流程和主要的行动方向,并要求参加施工的人员,熟知本工种的安全技术细节和经过专门训练,合格的情况下完成列表中的每个操作事项。
文档可以直接使用,也可根据实际需要修订后使用。
一、起动前必须检查电源是否接通,各传动部份是否已经加油。
二、根据刮泥机(吸泥机)按钮指示起动和停止刮泥(吸泥)。
三、经常检查,运转部位的温升情况,如果过高,应立即停机并向主管部门反映,处理后方可进行。
四、经常检查各部位的紧固情况,如有松动立即紧固。
五、要经常检查排渣斗的排渣情况,如排渣情况不好,要请有关人员调整排渣板距离。
六、经常检查吸泥机,吸泥管道通畅程度,输气管气量大小,并调节至最佳状态。
七、运转结束,必须认真填写运转记录,如有特殊情况除详细记录外,还要及时向主管部门汇报。
——此位置可填写公司或团队名字——。
吸泥机安全操作规程
Whenever I look at the sky, I don't like to talk again, and whenever I talk, I dare not look at the sky again.模板参
考(页眉可删)
吸泥机安全操作规程
1.目的
确保吸泥机的正常运作。
2.适用范围
适用于JL花园泳池吸泥机的操作。
3.内容
3.1将软管、吸头、伸缩铝通接好。
3.2拧开泳池排污口盖,将软管连接到排污口。
3.3将沙缸上的多口阀拨到"FILTER"过滤档位。
3.4打开3#水泵的泳池给水管阀门和吸污回水管阀门,3#水泵的泳池回水管阀门打开一半。
3.5合上3#水泵的主电源和控制回路电源,检查三相电源应正常。
3.6按下3#水泵启动按钮,"3#水泵运行指示"灯亮,3#水泵投入运行。
3.7保洁员对泳池开始吸泥工作。
3.8当沙缸上的压力表达到2.5Kpa(正常压力2kg)时,沙缸应及冲洗。
3.9注意:水泵运行时严禁操作多口阀。
4.记录
无。
5.附件
无。
行车式提耙刮泥机技术说明
行车式提耙刮泥机技术说明1、技术参数数量1套池子外形尺寸LxBxH=22x4.05x3.5m行走速度~1m/min总功率 1.11Kw电源380V/50Hz防护等级IP55/F安装位置室外2、性能及结构刮泥机主要由工作桥、驱动装置、刮泥板及提升机构、轨道、输配电装置、就地控制箱等主要部件组成。
行车提耙式刮泥机由设置在工作桥二侧端梁的驱动装置同步带动,沿敷设在池顶的钢轨往复行走,集泥刮板将沉积于池底的污泥收集至集泥槽,通过固定排泥管排出池外。
行车提耙式刮泥机的行驶速度为1m/min。
1)工作桥工作桥采用方管制作形成桁架梁结构。
该形式美观大方,运行风阻小,刚度好,强度高,稳定性好;走道采用采用专业化制作的镀锌钢格栅板,美观大方,结构牢固。
现场安装采用螺栓连接,安装方便。
工作桥制作充分考虑刮泥机整体自重的同时,还考虑刮泥对其产生的弯矩以及其他侧向力、人载等,使工作桥在工作时整体挠度不大于1/800,承载大于150kg/m。
桥的整体直线度不大于1/1000。
工作桥端侧均设有钢制踏步,方便维护人员从池边走到工作桥上。
2)驱动装置驱动装置是带动工作桥运转的部件,采用二边分别同步驱动。
减速机采用轴装式减速箱减速,直接驱动行走轮,从而带动整机运转。
设计中充分考虑与工作桥的配合,确保行走轮的装配精度,从而保证整机行走的稳定性。
特制的夹轨防跑偏装置,可完全避免啃轨现象发生驱动端梁框架由型钢构成,行走轮轮毂为铸铁钢,行走轮两端轴承为调心带座轴承,便于安装和调整。
3)刮泥板及提升机构提升提耙机构采用钢丝卷筒式。
卷筒上的钢丝绳与刮臂上的吊点相连接,刮臂通过钢丝绳的卷扬来完成提升和下降的动作。
刮臂采用铰支结构,由型钢支架悬吊在工作桥下,通过提升动机构将刮泥板提升或放下。
为了避免刮泥板在刮泥时,刮板与池底直接摩擦,刮泥板安有水下行走轮作为支撑。
5)轨道及安装附件轨道采用15kg/m轻轨,附件应包括鱼尾板、压板、钢轨垫及所有连接紧固件。
- 1、下载文档前请自行甄别文档内容的完整性,平台不提供额外的编辑、内容补充、找答案等附加服务。
- 2、"仅部分预览"的文档,不可在线预览部分如存在完整性等问题,可反馈申请退款(可完整预览的文档不适用该条件!)。
- 3、如文档侵犯您的权益,请联系客服反馈,我们会尽快为您处理(人工客服工作时间:9:00-18:30)。
行车式吸泥机
使
用
说
明
编制单位:
联系方式:
一、产品简介
行车式泵吸泥机,用于污水处理厂、自来水厂平流沉淀将沉降在池底的污泥刮到泵吸泥口,通过泵吸,边行走边吸泥,然后将污泥排出池外,可以解除清理池底污泥之苦。
二、主要特点
1)本机采用桁架结构,比传统结构重量大大减轻,选用热镀锌防腐工艺加工处理,可确保5年内不锈蚀,与水接触的部件使用304不锈钢制作,使用寿命大大加长。
2)维护量小,配用动力小运行费用低;选泵合理,运行平稳可靠。
3)新型的传动机构,避免两端行走误差。
4)行走轮为钢轮,保证了使用寿命。
三、结构与原理
行车式泵吸泥机由工作桥、吸泥管、排泥管、液下吸泥泵、驱动机构、电控箱、道轨、上滑式或滑块式电缆线等组成。
本设备由四点支撑行走大梁横跨在平流式沉淀池上,双边驱动,池两边均铺设钢轨,从池的一端运行到池子的另一端,边行走边吸泥,撞到行程控制,折返行走,回程吸泥,完成一个工作周期。
四、安装
(一)注意事项
为便于吸泥机的正常运转,安装时必需使四个行走轮在矩形的两条平行边上。
轨道钢必须在矩形的两条边上且在同一个水平面上。
(二)安装步骤
1、在平流池两侧壁顶预留轨道钢预埋铁,一米一块,每块预埋铁上在两端制作螺栓和压板,以便于压牢钢轨。
2、将设备吊至平流池上,四个行走轮安放于钢轨上,按基准线找平,校核安装尺寸。
3、滑动电缆及电器安装,将吊电缆用吊环传入钢丝绳,把钢丝绳拉紧,固定在两头的立柱上。
穿接主电缆,通电调试行走情况,安装行程开关及触碰块,根据回车位安装防掉车挡板。
4、试车,在安装结束后空车运转至少不间断运行8小时,时刻检查行车是否有掉轨现象,一经发现及时停车处理,防止设备掉入池中。
5、吸泥泵安装,将吸泥泵安装在工作桥上。
6、吸泥管和排泥管管道安装,从吸泥泵的入口处开始自上往下安装管道及吸泥嘴,吸泥嘴至池底距离为20~40mm。
3台吸泥泵汇总至一条出泥管道排入平流池外侧污泥沟中。
7、接通吸泥泵电源。
8、进水试泵,在试车运行无问题后,向池内注水,水位要求高于吸泥泵泵头30mm,边进水边开泵,观察排泥口出
水情况。
五、运转及管理
(1)吸泥机的停驻位置应在沉淀池的出水端。
驱动前.开启各吸泥管的排泥阀,然后向进水端行进。
到达进水口尽端时,即自动返驶,回至出口端的原位停车,作为一次吸泥的全过程。
(2)泵吸排泥:主要由泵和吸泥嘴、吸泥管组成。
吸入管内的污泥经水泵出水管输出池外。
吸泥的起动由人工操作,返驶及停车等动作均由装在轨道上的触杆触动行车上的行程开关完成。
轨道上触杆的定位,以及行车上行程开关间的相对位置,应在安装时确定。
(3)沉淀池内积泥不宜过久,超过2天后泥质就相当密实。
吸泥时,须注意排泥的情况。
如发现阻塞现象,即须停车,待排泥管疏通后再行进。
超过4天以后,泥质己积实,须停停清洗池底后才能使用吸泥机,否则不但无法吸泥,且泥的阻力会使机架变形和设备受损。
(4)若池内水面结冰,应在解冻或破冰后才能使用。
(5)防止池内掉入砖头等硬质杂物,保持池底平滑,以免阻挡吸泥嘴,发生损毁吸泥嘴现象。
六、操作
1、检查
a、检查电源是否切断。
b、在所有注油孔注入润滑油。
c、检查行走轮是否在钢轨上。
d、检查吸泥泵出泥情况,吸泥嘴是否有堵塞现象。
2、开机
a、先开启吸泥泵,再开启主机。
b、注意观察主机的运转及排泥口排泥情况。
3、停机:至出口端的原位停车。
关闭吸泥泵,关闭主机。
七、检修与维护
1、在主电机注油孔中注入机油,每月检查一次,每六个月彻底更换机油。
2、在轴承座注油孔中对轴承注入24-2钙基注滑脂,每月润滑一次,每六个月彻底更换润滑剂。
3、链条每月润滑一次。