室内排水管道灌水试验及通水试验记录.pdf
灌水、满水试验记录

未发现渗漏
五层卫生器具
满水至卫生器具溢水口处
满水15min水面下降后再灌满观察5minFra bibliotek液面无明显下降
未发现渗漏
试验结论:
经检查,各层卫生器具满水试验合格
签
字
栏
施工单位
××建筑公司
技术负责人
专业质检员
专业工长
×××
×××
×××
监理或建设单位
××监理公司
专业工程师
×××
说明:排水管道埋地部分全部都要做灌水试验,以检验是否渗漏;排水支管及主干管均需要通水试验,以检验管道是否畅通。
试验部位
灌(满)水情况
灌(满)水持续时间(min)
液面检查情况
渗漏检查情况
W1
满水至一层卫生器具溢水口处
满水15min水面下降后再灌满观察5min
液面无明显下降
未发现渗漏
W2
满水至一层卫生器具溢水口处
满水15min水面下降后再灌满观察5min
液面无明显下降
未发现渗漏
W3
满水至一层卫生器具溢水口处
满水15min水面下降后再灌满观察5min
灌水、满水试验记录
工程名称
某学院食堂
编号
××
试验日期
××年××月××日
分项工程名称
排水管道系统
材质、规格
PVC-U
试验标准及要求:
《建筑给水排水及采暖工程施工质量验收规范》规定:隐蔽或埋地的排水管道在隐蔽前必须做灌水试验,其灌水高度应不低于底层卫生器具的上边缘或底层地面高度。
检验方法:满水15min水面下降后,再灌满观察5min,液面不降,管道及接口无渗漏为合格。
室内排水管道灌水试验及通水试验记录GD2302019(共12张)

GD2302019□□
单位(子单位)工程名称 子分部(系统)工程名称 验收部位、区、段 安装单位 保利地铁·紫薇花园1栋A段 室内排水系统 首层至天面层 广州富利建筑安装工程有限公司 项目经理(负责人) 张孝凡
施工执行标准名称及编号
《建筑给水排水及采暖工程施工质量验收规范》GB50242-2002 污水管道 安装在室内的雨水管 道;灌水至立管顶部持 再灌满5min 续1h,是否渗漏 水面情况 无渗漏 无渗漏 无渗漏 无渗漏 无渗漏 无渗漏 无渗漏 无渗漏 无渗漏 无渗漏 无渗漏 无渗漏 无此项 无此项 无此项 无此项 无此项 无此项 无此项 无此项 无此项 无此项 无此项 无此项 测试人员
首层至天面层 首层至天面层 首层至天面层 首层至天面层 首层至天面层 首层至天面层 首层至天面层 首层至天面层 首层至天面层 首层至天面层 首层至天面层 首层至天面层
PVCU塑 DN110 料排水管 PVCU塑 DN110 料排水管 PVCU塑 DN110 料排水管 PVCU塑 DN110 料排水管 PVCU塑 DN110 料排水管 PVCU塑 DN110 料排水管 PVCU塑 DN110 料排水管 PVCU塑 DN110 料排水管 PVCU塑 DN110 料排水管 PVCU塑 DN110 料排水管 PVCU塑 DN110 料排水管 PVCU塑 DN110 料排水管 专业工长(施工员)
管段编号
层段
材质
规格
满水15min 水面情况 无下降 无下降 无下降 无下降 无下降 无下降 无下降 无下降 无下降 无下降 无下降 无下降
试验结果
ቤተ መጻሕፍቲ ባይዱ
1AYL-1a 1AYL-1b 1AYL-1c 1AYL-1d 1AYL-1a' 1AYL-1b' 1AYL-1c' 1AYL-1d' 1AYL-2a 1AYL-2b 1AYL-2c 1AYL-2d
13-7 排(雨)水管道灌水(通水)试验记录

工程名称:国电宁夏方家庄电厂2×1000MW机组工程编号:01-04-01-00-05-02-01-01-001 电土施表13.3-7
工程名称:国电宁夏方家庄电厂2×1000MW机组工程编号:01-04-01-00-05-02-02-01-001 电土施表13.3-7
工程名称:国电宁夏方家庄电厂2×1000MW机组工程编号:01-04-01-00-05-02-02-01-001 电土施表13.3-7
工程名称:国电宁夏方家庄电厂2×1000MW机组工程编号:01-04-04-00-05-02-02-01-001 电土施表13.3-7
工程名称:国电宁夏方家庄电厂2×1000MW机组工程编号:01-04-06-00-09-07-01-01-001 电土施表13.3-7
工程名称:国电宁夏方家庄电厂2×1000MW机组工程编号:02-04-04-00-05-02-02-01-001 电土施表13.3-7
工程名称:国电宁夏方家庄电厂2×1000MW机组工程编号:01-04-17-00-05-07-01-01-001 电土施表13.3-7
工程名称:国电宁夏方家庄电厂2×1000MW机组工程编号:01-04-17-00-05-02-02-01-001 电土施表13.3-7。
排水试验记录

1、闭水试验,室内排水管道安装全部完成,经检查接口达到强度,标高、坐标和坡度等经复验达到设计要求及规范规定的合格标准后,进行灌水试验。
灌水高度视其每层立管高度。
满水15min水面下降后,再灌满水延续5min,液面不下降管道及接口无渗漏为合格;安装在室内的雨水管道安装后应做灌水试验,灌水高度必须到每根立管上部的雨水斗。
通水试验:管道安装完毕合格后,分层进行通水试验。
按给水系统1/3配水点同时开放,检查各洁具排水口畅通,无渗漏为合格。
2、通球试验,隐蔽管道分项分工序进行卫生洁具及设备安装后进行通球实验。
为确保室内排水管道正常通畅和达到使用功能要求,防止管道堵塞,排水管道经通水试验合格后,还需做通球试验。
通球试验的方法和要求如下:
排水干管检查口及排水立管顶端投入球,并排入一定水量于管内,位于室外接合井截取试验用球,管道畅通无阻为合格。
通球用的皮球直径为排水管道管径的四分之三。
注:皮球直径还可如下选择:当管径在150mm时,球直径为100mm;管径100mm时,球直径为70mm;管径75mm时,球直径为50mm。
通球试验完毕应做好试验记录,并归入质量保证资料,以备核查室内雨水管道安装后,应做灌水试验,高度必须到每根立管最上部的雨水漏斗。
排(雨)水管道灌水(通水试验记录)

年 月 日
水(通水)试验记录 编号
程施工质量验收规范》GB50242-2002
试验情况
水,灌水高度到每根立管上部雨水斗,灌水时间 将,灌水无渗漏,符合要求
专业监理工程师(签名): (建设单位项目专业技术负责人) 年 月 日
排(雨)水管道灌水(通水)试验记录
单位名称 分项工程名称 施工执行标准 名称及编号 试验日期 排水管编号 管径(MM)
分部工程名称 项目经理 《建筑给排水及采暖工程施工质量验收规范》GB50242-2002 管道材质 持续时间(MIN)
试验结果:将雨水管道未端封堵,然后将管道内注满水,灌水高度到每根立管上部雨水斗,灌水时间 不小于60MIN,观察液面不下将,灌水无渗漏,符合要求
排水管道灌水试验

签字栏
监理(建设)单位
施工单位
专业技术负责人
质检员
专业工长
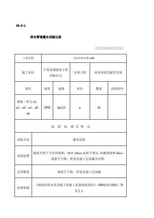
C6-2-1
排水管道灌水试验记录
□□□□□□□□□
工程名称
安怡家园Ⅱ期1#楼
施工单位
宁夏业通建设工程有限公司
分项工程
排水管道及配件安装
部位
材质
规格
单位
数量
试验时间
地漏
UPVC
De50
m
80
试验标准及规定
试验方法
灌水试验
试验标准
满水1小时,无渗漏为合格。
m
20
试验标准及规定
试验方法
灌水试验
试验标准
液面不低于卫生间地面,满水15min水面下降后,再灌满观察5min,液面不下降,管道及接口无渗漏为合格。
达到数值
液面不下降,管道及接口无渗漏
标准依据
《建筑给排水及采暖工程施工质量验收规范》(GB50242-2002)第5.2.1
试验中问题处理
排水管道安装完毕,对管道进行灌水试验,用橡皮塞出口封闭,入口出灌入水,灌水高度出地面,将水位记下,,满水15min,水面下降后再灌满水观察5min,液面不下降,管道及接口无渗漏,符合规范要求。
试验结论:
签字栏
监理(建设)单位
施工单位
专业技术负责人
质检员
专业工长
C6-2-1
排水管道灌水试验记录
□□□□□□□□□
工程名称
安怡家园Ⅱ期1#楼
施工单位
宁夏业通建设工程有限公司
分项工程
排水管道及配件安装
部位
材质
规格
单位
数量
试验时间
三单元W13.W14.W15.w16. W17. W18
室内排水管道灌水和通水试验记录GD-C4-652
综合评价结论/备注
经检查,室内排水管道灌水和通水试验符合设计要求及质量验收规范要求。
施工单位检测调试负责 人
监理(建设)单位
施工单位
项目专业监理工程师 (建设单位项目专业负责人)签名:
专业工长
专业质检员施工班组长雨水管道规格 (管径) 满水15min (mm) 后水面下降
状况
灌水至立 再灌满5min后 有否渗 管顶部1h 水面下降状况 漏状况 后,有否
渗透状况
通水试验结果 (是否畅通无阻 塞及有否渗漏
等)
附属用 房1层
PVC管材
110
下降1mm
无下降 无渗漏 /
畅通,无渗透
检测调试说明:
灌水高低不低于各层卫生器具的上边缘火底层地面高度,为满水15min水面下降后,再灌水观察5min液面不 下降,管道及接口无渗漏为合格。
1段/全
《建筑给水排水及采暖工程使用质量验收规范》GB50242-2015
年月日 至 年月日
测试计量器具(仪表、仪器)及其附属设备(器具)的名称/型号、规格/量程/分辨精度/出厂编号/制造 厂商/其他要素:
/
管道系统(或管 段)名称/编号
PL-1
试验管段
灌水试验过程状况
所处层 (区)
段 范围
材质
污(含粪、废)水管道
室内排水管道灌水和通水试验记录
GD-C4-652 0 0 1
单位(子单位)工程名称
项目
施工单位
实业集团有限公司
检验批编号
001
分部/子分部/分项 (系统/子系统)
施工依据文件名称及编 号
质量验收依据 文件名称及编号
检测日期:
建筑给水排水及供暖/室内排水系统
4、室内排水管道灌水试验及通水试验记录
DN100 DN100 DN100 DN100 DN100 DN100 DN100
专业工长(施工员)
测试人员
安装单位检查结果
项目专业质量检查员:
年
月Leabharlann 日监理(建设)单位检查结论
专业监理工程师(建设单位项目专业技术负责人):
年
月
日
室内排水管道灌水试验及通水试验记录
GD2302019 0 单位(子单位)工程名称 子分部(系统)工程名称 验收部位、区、段 安装单位 星河·丹堤(展示区) 2栋给排水 2栋地下一层排水埋地管 江苏省华建建设股份有限公司深圳分公司星河·丹堤项目部 项目经理(负责人) 1
施工执行标准名称及编号
《建筑给水排水及采暖工程施工质量验收规范》(GB50242-2002)5.2.1条及5.3.1条 安装在室内的雨水 管道;灌水至立管顶 试验结果 满水15min水 再灌满5min水 部持续1h,是否渗漏 面情况 面情况 未下降 未下降 未下降 未下降 未下降 未下降 未下降 未下降 未下降 未下降 未下降 未下降 未下降 未下降 合格 合格 合格 合格 合格 合格 合格 污水管道
管段编号
层段
材质
规格
⑥轴~⑦轴与〔B〕轴~〔G〕轴 ⑩轴~⑦轴与〔H〕轴~〔A〕轴 ⑩轴~⑦轴与〔E〕轴~〔A〕轴 ⑽轴~⑾轴与〔E〕轴~〔A〕轴 ⑾轴~⑽轴与〔B〕轴~〔A〕轴 ⑿轴~⒁轴与〔K〕轴~〔A〕轴 ⑿轴~⒁轴与〔C〕轴~〔A〕轴
加厚UPVC排水管 加厚UPVC排水管 加厚UPVC排水管 加厚UPVC排水管 加厚UPVC排水管 加厚UPVC排水管 加厚UPVC排水管
建筑工程-室内排水管道灌水和通水试验记录-填写范例
至项目专业监理工程师(建设单位项目专业负责人)签名:监理(建设)单位检测调试说明:灌水高度不低于各层卫生器具的上边缘或底层地面高度,为满水15min水面下降后,再灌满水观察5min液面不下降,管道及接口无渗漏为合格。
综合评价结论/备注施工单位检测调试负责人满水15min水面下降后,再灌满观察5min,液面不降,管道及接口无渗漏,合格。
专业质检员施工单位110无下降施工班组长无下降无渗漏/畅通无阻,无渗漏专业工长规格(管径)(mm)通水试验结果(是否畅通无阻塞及有否渗漏等)畅通无阻,无渗漏无下降无渗漏/雨水管道满水15min 后水面下降状况材质再灌满5min 后水面下降状况灌水至立管顶部1h 后,有否渗漏状况1层PVC管材110无下降施工图纸检测日期2019年09月20日2019年09月20日污(含粪、废)水管道测试计量器具(仪表、仪器)及其附属设备(器具)的名称/型号、规格/量程/分辨精度/出厂编号/制 造厂商/其他要素:/管道系统(或管段)名称/编号灌水试验过程状况所处层(区)段范围试验管段有否渗漏状况室内排水管道灌水和通水试验记录单位(子单位)工程名称XXX工程GD-C4-652施工单位分部/子分部/分项(系统/子系统)施工依据文件名称及编号最小/实际抽样数量质量验收依据文件名称及编号《建筑给水排水及采暖工程施工质量验收规范》GB50242-2002GD-C5-7124排水XXX有限公司建筑给水排水及供暖/室内排水系统检验批编号施工部位全/全110无下降无下降/卫生间WJ-2卫生间WJ-31层PVC管材1层PVC管材卫生间WJ-1畅通无阻,无渗漏无渗漏卫生间WJ-41层PVC管材110无下降无下降/畅通无阻,无渗漏无渗漏。
排水管灌水试验和通水的试验方法
排水管灌水试验和通水的试验方法
所有排水管在安装完毕后按设计要求进行灌水试验。
⑴准备工作对各种工具(如:堵头、胶管胶囊等)进行试漏检查。
⑵灌水高度的控制:地漏灌至离地面5mm。
⑶打开检查口,先用卷尺大致量出由检查口至被检查水平管顺水三通管件下方20cm处,后量出胶管长度,并做好标记,以控制胶管进入管道的位置。
⑷放入胶管至所标记的位置,向气囊充气至0.7Mpa左右。
⑸从检查口处注水,注水高度符合灌水高度符合控制要求,观察15min,再满水5min,液面不下降,管接口处无渗漏则为合格。
⑹放水泄压。
⑺灌水试漏应注意事项:
①灌水高度严格控制。
②胶囊放入的位置严格控制,严禁将胶囊放入管件口处,以免胶囊充气打爆。
③注意胶囊泄气排水时液面的下降速度。
如速度较快,则说明管道通畅。
反之,则说明管道内有垃圾、杂物等堵塞。
④若管件接口处有渗漏,作好标记,必须并返修处理。
⑤管道通水试漏,应分立管进行,以防止跑水现象。
同时对于已装修好的房间进行试漏,可能渗漏的地方应采取措施,防止污染墙面、
吊顶、地面。
⑥试压合格后必须将水排净。
- 1、下载文档前请自行甄别文档内容的完整性,平台不提供额外的编辑、内容补充、找答案等附加服务。
- 2、"仅部分预览"的文档,不可在线预览部分如存在完整性等问题,可反馈申请退款(可完整预览的文档不适用该条件!)。
- 3、如文档侵犯您的权益,请联系客服反馈,我们会尽快为您处理(人工客服工作时间:9:00-18:30)。
单位 (子单位 )工程名称
城投·七里香榭给排水工程
子分部 (系统 )工程名称
室内排水工程
验收部位、区、段
17 栋
安装单位
深圳市工务建设工程有限公司
项目经理 (负责 胡浩 人)
施工执行标准名称及编号 建筑给排水及采暖工程施工质量验收规范
GB50242-2002
管段编号 17PL-1
17PL-11
8-11 层
U-PVC DN100
不降
不降
符合要求
17NL-10
8-11 层
U-PVC DN50
不降
不降
符合要求
专业工长 ( 施工员 )
测试人员
安装单位检查结果
项目专业质量检查员:
年 月日
可编辑范本
监理(建设)单位 检查结论
专业监理工程师 (建设单位项目专业技术负责人 ):
深圳市建设局、深圳市档案局监制
室内排水管道灌水试验及通水试验记录
GD2302019SZ 0 1
单位 (子单位 )工程名称
城投·七里香榭给排水工程
子分部 (系统 )工程名称
室内排水工程
验收部位、区、段
17 栋
安装单位
深圳市工务建设工程有限公司
项目经理 (负责
人)
胡浩
施工执行标准名称及编号 建筑给排水及采暖工程施工质量验收规范
GB50242-2002
符合要求 符合要求
17WL-2
2-4 层
铸铁
DN100
不降
不降
符合要求
17WL-3
2-4 层
铸铁
DN100
不降
不降
符合要求
17WL-4
2-4 层
铸铁
DN100
不降
不降
符合要求
17WL-5
2-4 层
铸铁
DN100
不降
不降
符合要求
17WL-6
2-4 层
铸铁
DN100
不降
不降
符合要求
可编辑范本
专业工长 ( 施工员 ) 安装单位检查结果
2-4 层
U-PVC DN100
不降
不降
符合要求
17PL-8 17PL-9
2-4 层 2-4 层
U-PVC DN100 U-PVC DN100
不降 不降
不降 不降
符合要求 符合要求
17PL-10 17PL-11
2-4 层 2-4 层
U-PVC DN100 U-PVC DN100源自不降 不降不降 不降
符合要求 符合要求
5-7 层
U-PVC DN100
不降
不降
符合要求
17PL-5
5-7 层
U-PVC DN100
不降
不降
符合要求
17PL-6
5-7 层
U-PVC DN100
不降
不降
符合要求
17PL-7
5-7 层
U-PVC DN100
不降
不降
符合要求
17PL-8
5-7 层
U-PVC DN100
不降
不降
符合要求
17PL-9
17WL-4
架空层
铸铁
DN100
不降
不降
符合要求
17WL-5
架空层
铸铁
DN100
不降
不降
符合要求
17WL-6
架空层
铸铁
DN100
不降
不降
符合要求
安装单位检查结果
专业工长 ( 施工员 )
测试人员
可编辑范本
项目专业质量检查员:
年 月日
监理(建设)单位 检查结论
专业监理工程师 (建设单位项目专业技术负责人 ):
年 月日
监理(建设)单位 检查结论
可编辑范本
专业监理工程师 (建设单位项目专业技术负责人 ):
深圳市建设局、深圳市档案局监制
年 月日 深圳市文档服务中心印制
室内排水管道灌水试验及通水试验记录
GD2302019SZ 0 4
单位 (子单位 )工程名称
城投·七里香榭给排水工程
子分部 (系统 )工程名称
室内排水工程
层段 5-7 层
材质 U-PVC
规格
污水管道
满水 15min 再灌满 5min
水面情况
水面情况
室内雨水管道灌 水至立管顶部 1h
后,是否渗漏
DN100
不降
不降
试验结果 符合要求
17PL-2
5-7 层
U-PVC DN100
不降
不降
符合要求
17PL-3
5-7 层
U-PVC DN100
不降
不降
符合要求
17PL-4
2-4 层 2-4 层
U-PVC DN100 U-PVC DN100
不降 不降
不降 不降
符合要求 符合要求
17PL-4
2-4 层
U-PVC DN100
不降
不降
符合要求
17PL-5 17PL-6
2-4 层 2-4 层
U-PVC DN100 U-PVC DN100
不降 不降
不降 不降
符合要求 符合要求
17PL-7
8-11 层
U-PVC DN100
不降
不降
符合要求
17PL-7
8-11 层
U-PVC DN100
不降
不降
符合要求
17PL-8
8-11 层
U-PVC DN100
不降
不降
符合要求
17PL-9
8-11 层
U-PVC DN100
不降
不降
符合要求
17PL-10
8-11 层
U-PVC DN100
不降
不降
符合要求
管段编号 17PL-1
层段 架空层
材质 U-PVC
规格
污水管道
满水 15min 再灌满 5min
水面情况
水面情况
室内雨水管道灌 水至立管顶部 1h
后,是否渗漏
DN100
不降
不降
试验结果 符合要求
17PL-2
架空层
U-PVC DN100
不降
不降
符合要求
17PL-3 17PL-4
架空层 架空层
U-PVC DN100 U-PVC DN100
不降 不降 不降 不降 不降 不降 不降 不降
不降 不降 不降 不降 不降 不降 不降 不降
符合要求 符合要求 符合要求 符合要求 符合要求 符合要求 符合要求 符合要求
专业工长 ( 施工员 )
测试人员
安装单位检查结果
项目专业质量检查员:
年 月日
监理(建设)单位 检查结论
专业监理工程师 (建设单位项目专业技术负责人 ):
室内排水工程
验收部位、区、段 安装单位
17 栋 深圳市工务建设工程有限公司
项目经理 (负责
人)
胡浩
施工执行标准名称及编号 建筑给排水及采暖工程施工质量验收规范
GB50242-2002
专业监理工程师 (建设单位项目专业技术负责人 ):
深圳市建设局、深圳市档案局监制
年 月日 深圳市文档服务中心印制
室内排水管道灌水试验及通水试验记录
GD2302019SZ 0 2
单位 (子单位 )工程名称
城投·七里香榭给排水工程
子分部 (系统 )工程名称
室内排水工程
验收部位、区、段
17 栋
安装单位
深圳市工务建设工程有限公司
胡浩
施工执行标准名称及编号 建筑给排水及采暖工程施工质量验收规范
GB50242-2002
管段编号 17PL-1
层段 2-4 层
材质 U-PVC
规格
污水管道
满水 15min 再灌满 5min
水面情况
水面情况
室内雨水管道灌 水至立管顶部 1h
后,是否渗漏
DN100
不降
不降
试验结果 符合要求
17PL-2 17PL-3
年 月日 深圳市文档服务中心印制
室内排水管道灌水试验及通水试验记录
GD2302019SZ 0 1
单位 (子单位 )工程名称
城投·七里香榭给排水工程
子分部 (系统 )工程名称
室内排水工程
验收部位、区、段
17 栋
安装单位
深圳市工务建设工程有限公司
项目经理 (负责 胡浩
人)
施工执行标准名称及编号 建筑给排水及采暖工程施工质量验收规范
17YL-4
架空层
铸铁
DN100
不渗不漏
符合要求
17YL-5 17YL-6
架空层 架空层
铸铁 铸铁
DN100 DN100
不渗不漏 不渗不漏
符合要求 符合要求
17WL-1
架空层
铸铁
DN100
不降
不降
符合要求
17WL-2
架空层
铸铁
DN100
不降
不降
符合要求
17WL-3
架空层
铸铁
DN100
不降
不降
符合要求
项目专业质量检查员:
测试人员
年 月日
监理(建设)单位 检查结论
专业监理工程师 (建设单位项目专业技术负责人 ):
深圳市建设局、深圳市档案局监制
年 月日 深圳市文档服务中心印制
室内排水管道灌水试验及通水试验记录
GD2302019SZ 0 1