(完整版)作业条件危险性评价(LEC法)及举例
作业条件危险性评价法(LEC格雷厄姆法)

作业条件危险性评价法1、作业条件危险性评价法,又称LEC格雷厄姆法,是一种对作业危险性的半定量评价方法,用与系统风险率有关的三种因素指标值之积来评价系统人员伤亡风险的大小,并将所得作业条件危险性数值与规定的作业条件危险性等级相比较,从而确定作业条件的危险程度。
(1) D=L×E×C(2)符号D表示作业条件危险性,符号L、E、C代表危险性的三个因素。
2 、发生事故或危险事件的可能性,用符号L表示,取值方法见表1.(1)发生危险情况的可能性用可能发生事故的概率来表示,不可能发生事件为0,而必然发生的事件为1。
然而,我们在作安全系统考虑时,完全不发生事故是不可能的。
所以,人为地将实际上不可能发生的事故的情况的分数定为0.1,而必然发生事故的分数定为10,这两种之间的情况取中间值。
(2)安全控制设施指在危险源与作业人员之间加一硬件防护设施,如机械防护罩、安全联锁装置、隔离装置、通风装置等。
异常报警、监测手段指有紧急状态报警装置或有效的定期检验。
管理控制措施指如作业规程、工作许可等。
表1 发生危险可能性分数(L值)3、人出现在这种危险环境的时间,用符号E 表示,取值方法见表2。
(1) 当人出现于危险情况中的时间E 越长,危险性越大。
这里规定连续出现在危险环境中的情况为10,而每年仅出现几次或相当少的时间为1。
(2)E 值取值时,如果实际情况界于两档之间,按照上限取值。
表2 出现于危险环境中的分数(E 值)4、发生事故可能产生的后果,用符合C 表示,取值方法见表3。
(1)事故(包括职业病)发生后的危害程度变化范围很大,对于伤亡事故来说,可以是轻微的伤害直到多人死亡的后果。
把微伤规定为1,把大灾难10人及以上死亡的可能性分数定为100,其它情况的分数值均在1~100之间。
(2)C值取值时,应按照事故发生的最严总后果取值,重大危险源C值取100。
表3 事故发生后可能结果的分数(C值)表4 危险性等级分数(D值)。
作业条件危险性分析法LEC

作业条件危险性分析法(LEC) A 附录作业条件危险性分析评价法(简称LEC)。
L (likelihood,事故发生的可能性)、E(exposure,人员暴露于危险环境中的频繁程度)和C (consequence,一旦发生事故可能造成的后果)。
给三种因素的不同等级分别确定不同的分值,再以三个分值的乘积D(danger,危险性)来评价作业条件危险性的大小,即:D=L×E×C。
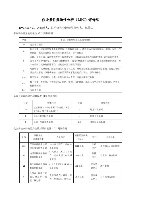
D值越大,说明该作业活动危险性大、风险大。
表A.1 事故事件发生的可能性(L)判定准则
表A.2 暴露于危险环境的频繁程度(E)判定准则
表A.3 发生事故事件偏差产生的后果严重性(C)判定准则
表D.3 发生事故事件偏差产生的后果严重性(C)判定准则(续)
表A.4 风险等级判定准则(D)及控制措施。
风险评价方法scl、jha、lec)说明与举例

吊装
场地狭小,设备吊至地面过程中可能碰撞管路、设备和人员
VCM气体外泄污染环境,机械伤人,物体打击
作业区域设置警戒区域和警示标志,专人监护,防止行人随意走动,办理吊装作业证
1.2安全检查表分析(SCL)
1.2.1安全检查表分析方法是一种经验的分析方法,是分析人员针对拟分析的对象列出一些项目,识别与一般工艺设备和操作有关的已知类型的危害、设计缺陷以及事故隐患,查出各层次的不安全因素,然后确定检查项目,再以提问的方式把检查项目按系统的组成顺序编制成表,以便进行检查和评审。
(1)定义:安全检查表分析法是利用检查条款按照相关的标准规范等对已知的危险类别、设计缺陷和与一般工艺设备、操作、管理相关的潜在危险性和有害性进行判别检查。
(2)特点:安全检查表是进行安全检查、发现潜在隐患的一种实用而简单可行的定性分析法。
①事先编制,有充分的时间组织有经验的人来编写,做到系统化完整化,不至于漏掉导致危险的关键因素;
巨大风险
20~25
在采取措施降低危害前,不能继续作业,对改进措施进行评估
重大风险
15~16
采取紧急措施降低风险,建立运行控制程序,定期检查、测量及评估
中等风险
9~12
建立目标、建立操作规程、加强培训及交流
可接受风险
4~8
建立操作规程,作业指导书等,定期检查
可忽略风险
<4
无需采用控制措施,保存记录
2 作业条件危险性分析(LEC)及作业风险等级判定
3
拆除管子工作
盲目拆除,安全带不挂
Cl2中毒,高空坠落
(1)项目负责人确认管路中无Cl2,可在取样管中观察或取样分析(2)安全带挂好
4
拆除
管路中剩余气体挥发
作业条件危险性分析(LEC法)

作业条件危险性分析
方法介绍
1
石化行业 危险性评 价
2
方法特点 及适用范 围
3
应用举例
4
一、方法介绍
• • • • 影响危险性的主要因素: ①发生事故或危险事件的可能性; ②暴露于这种危险环境的频率; ③事故一旦发生可能产生的后果。
D=LEC
• 式中 D——作业条件的危险性; • L——事故或危险事件发生的可能性; • E——暴露于危险环境的频率; • C——发生事故或危险事件的可能结果。
分值 100
可能结果 大灾难,许多人死亡
40
15 7 3 1
灾难,数人死亡
非常严重,一人死亡 严重,严重伤害 重大,致残 引人注目,需要救护
一、方法介绍
• (四)危险性
表四 危险性分值(D值)
分值
危险程度
>320
160~320 70~160 20~70 <20
极其危险,不能继续作业
高度危险,需要立即整改 显著危险,需要整改 可能危险,需要注意 稍有危险,可以接受
能力训练
• 2.没有安全防护装置的机械作业条件危险性分析
• 工人每天都要操作一台没有安全防护装置的机械,有时不 注意会将手挤伤,过去曾发生过造成工人一只手致残的事故, 但不会使受害者死亡。为了评价这种生产作业条件的危险性, 首先确定各评价项目的分值。
谢谢观赏
四、应用举例
• (2)暴露于危险环境的概率(E)取值 罐区周边的建筑 物向密集型发展,人员数量越来越读多,出现在危险环境中的 时间越来越长,村民每天暴露于此环境中,故取E=6。 • (3)发生事故或危险事件的可能后果(C)取值 原油罐 一旦起火燃烧,具有燃烧温度高、辐射热量大、油料流动扩散 快、容易发生沸溢等特点,对人员和建筑物均形成严重威胁, 极易造成人员伤亡,故取C=15。
作业条件危险性分析LEC评价法

1
可能性小,完全意外;或危害的发生容易被发现;现场有监测系统或曾经作过监测;或过去曾经发生类似事故、事件或偏差;或在异常情况下发生过类似事故、事件或偏差
部分设备停工
公司及周边范围
2
不符合公司的安全操作程序、规定
轻微受伤、间歇不舒服
1万以上
1套设备停工
引人关注,不利于基本的安全卫生要求
1
完全符合
无伤亡
1万以下
没有
停工
形象没有受损
风险等级判定准则及控制措施(D)
风险值
风险等级
应采取的行动/控制措施
实施期限
A/1级
重大风险
在采取措施降低危害前,不能继续作业,对改进措施进行评估
40
违反法律法规和标准强制性条款
3人以上10人以下死亡,或10人以上50人以下重伤
1000以上
装置
停工
行业内、省内影响
15
潜在违反法规和标准强制性条款
3人以下死亡,或10人以下重伤
100以上
部分装置停工
地区影响
7
不符合上级或行业的安全方针、制度、规定等
丧失劳动力、截肢、骨折、听力丧失、慢性病
10万以上
立刻
160~320
B/2级
较大危险
采取紧急措施降低风险,建立运行控制程序,定期检查、测量及评估
立即或近期整改
70~160
C/3级
一般风险
可考虑建立目标、建立操作规程,加强培训及沟通
作业条件危险性分析(LEC)法.危险分析LEC法.LEC分析危险性分析

作业条件危险性分析(LEC)法危险分析LEC法健康安全环境专注安全知识分享作业条件危险性分析(LEC)法一、简述LEC评价法是对具有潜在危险性作业环境中的危险源进行半定量的安全评价方法。
该方法采用与系统风险率相关的3种方面指标值之积来评价系统中人员伤亡风险大小。
这3种方面分别是:L为发生事故的可能性大小;E为人体暴露在这种危险环境中的频繁程度;C为一旦发生事故会造成的损失后果。
风险分值D=LEC。
D值越大,说明该系统危险性大,需要增加安全措施,或改变发生事故的可能性,或减少人体暴露于危险环境中的频繁程度,或减轻事故损失,直至调整到允许范围内。
二、量化分值标准对这3种方面分别进行客观的科学计算,得到准确的数据,是相当繁琐的过程。
为了简化评价过程,采取半定量计值法。
即根据以往的经验和估计,分别对这3方面划分不同的等级,并赋值。
具体如下:事故发生的可能性(L)分数值事故发生的可能性10 完全可以预料6 相当可能3 可能,但不经常1 可能性小,完全意外0.5 很不可能,可以设想0.2 极不可能0.1 实际不可能暴露于危险环境的频繁程度(E)分数值暴露于危险环境的频繁程度10 连续暴露6 每天工作时间内暴露3 每周一次或偶然暴露2 每月一次暴露1 每年几次暴露0.5 非常罕见暴露发生事故产生的后果(C)分数值发生事故产生的后果100 10人以上死亡40 3~9人死亡15 1~2人死亡7 严重3 重大,伤残1 引人注意三、风险分析根据公式:风险D=LEC就可以计算作业的危险程度,并判断评价危险性的大小。
其中的关键还是如何确定各个分值,以及对乘积值的分析、评价和利用。
D值危险程度>320 极其危险,不能继续作业160-320 高度危险,要立即整改70-160 显著危险,需要整改20-70 一般危险,需要注意<20 稍有危险,可以接受。
作业条件危险性评价LEC法及举例
作业条件危险性评价LEC法及举例LEC法是常用于评价作业条件危险性的一种方法,全称为“Loss of Life Expectancy(寿命损失预期)法”。
它是根据作业条件对人类寿命的影响进行评估,并用数值化的方式表示出来。
下面将介绍LEC法的基本原理,并通过一些实际案例来说明其应用。
LEC法的基本原理是通过对潜在事故对人的影响进行估算,确定作业条件的危险性等级。
该方法主要包含三个步骤:确定伤害害、估算伤害后果、计算损失寿命。
具体步骤如下:第一步:确定伤害害确定伤害害主要包括确定危险源、伤害机理和伤害效应。
危险源是造成伤害的条件,伤害机理是危险源对人体造成伤害的过程,伤害效应是人体受到伤害后的生理或心理影响。
第二步:估算伤害后果估算伤害后果主要包括伤害概率和伤害严重程度。
伤害概率是指发生事故的概率;伤害严重程度是指发生事故后对人体造成的伤害程度。
第三步:计算损失寿命计算损失寿命是将伤害后果转化为对人的寿命影响,一般是以“年”为单位进行计算。
根据损失寿命的计算结果,可以评估作业条件的危险性等级。
下面通过两个实际案例来具体说明LEC法的应用:案例一:厂房火灾1.确定伤害害:危险源是火灾,伤害机理是火灾对人体造成烧伤和中毒,伤害效应是烧伤后导致伤残或死亡。
2.估算伤害后果:伤害概率根据过去的统计数据和安全措施的有效性来确定,伤害严重程度可以通过火灾的热能和烟雾浓度等指标来估算。
3.计算损失寿命:根据伤害后果的数据计算出每个可能的结果对人的寿命影响,然后加权求和得到总的损失寿命。
最后,根据损失寿命的数值,评估作业条件的危险性等级。
案例二:工业装置泄漏1.确定伤害害:危险源是装置泄漏,伤害机理是泄漏物对人体造成中毒和烧伤,伤害效应是中毒和烧伤后导致伤残或死亡。
2.估算伤害后果:伤害概率可以通过泄漏的频率和装置的可靠性来确定,伤害严重程度可以通过泄漏物的毒性和燃烧性来估算。
3.计算损失寿命:根据伤害后果的数据计算出每个可能的结果对人的寿命影响,然后加权求和得到总的损失寿命。
2.风险评价方法(SCL、JHA、LEC)说明与举例
风险管理——评价方法说明一、选定的方法二、方法介绍1、工作危害分析法(JHA)(1)定义:从作业活动清单中选定一项作业活动,将作业活动分解为若干个相连的工作步骤,识别每个工作步骤的潜在危害因素,然后通过风险评价判定风险等级,制定控制措施。
(2)特点:①是一种半定量评价方法。
②简单易行,操作性强。
③分解作业步骤,比较清晰。
④有别于掌握每一步骤的危险情况,不仅能分析作业人员不规范的危害,而且能分析作业现场存在的潜在危害(客观条件)。
2、作业条件危险性分析法(LEC)(1)定义:作业条件危险性评价法是一种简便易行的衡量人们在某种具有潜在危险的环境中作业的危险性的半定量评价方法。
该方法以与系统风险有关的三种因素指标值之积来评价系统风险的大小,并将所得作业条件危险性数值与规定的作业条件危险性等级相比较,从而确定作业条件的危险程度。
作业条件危险性评价法(LEC法)是以所评价的环境与某些作为参考环境的对比为基础,将作业条件的危险性作因变量(D),事故或危险事件发生的可能性(L)、暴露于危险环境的频率(E)及危险严重程度(C)为自变量,确定了它们之间的函数式,根据实际经验,给出了3个自变量的各种不同情况的分数值,采取对所评价的对象根据情况进行“打分”的办法,然后根据公式计算出其危险性分数值,再在按经验将危险性分数值划分的危险程度等级表查出其危险程度的一种评价方法。
(2)特点:①是一种半定量评价方法。
②简单易行,操作性强,危险程度的级别划分比较清楚、醒目。
③有利于掌握企业内部危险点的危险情况,有利于促进改措施的实施。
④缺点:由于它主要是根据经验来确定3个因素的分数值及划定危险程度等级,因此具有一定的局限性,只能作为作业的局部评价,不能普遍适用。
3、安全检查表方法(SCL)(1)定义:安全检查表分析法是利用检查条款按照相关的标准规范等对已知的危险类别、设计缺陷和与一般工艺设备、操作、管理相关的潜在危险性和有害性进行判别检查。
LEC评价法应用介绍
二、如何使用LEC评价方法
20—70
如果发生燃烧爆炸事故,后果将会非常严重,可能造成人员伤亡,取C =15
一般危险,需要注意
作业条件危险性评价法(LEC法)
<20
稍有危险,可以接受
作业条件危险性评价法(LEC法) 三、LEC评价方法应用举例
作业条件危险性评价法(LEC法)
LEC评价法举例
背景:某涤纶化纤厂在生产短丝过程中有一道组 件清洗工序,为了评价这一操作条件的危险度,确 定每种因素的分数值为:
THE END
经常”,其分数值L = 3。
二作、业如 条何件使危用险性LEC评评价价法法(LEC法)160—320
高度危险,要立即整改
清洗人员每天在此环境中工作,取E =6
清洗人员每天在此环境中工作,取7E 0=6—160
作业条件危险性评价法(LEC法)
显著危险,需要整改
背景:某涤纶化纤厂在生产短丝过程中有一道组件清洗工序,为了评价这一操作条件的危险度,确定每种因素的分数值为:
以10和1为参考点,在这两者之间再根据在潜在 危险作业条件中暴露情况进行划分,相应地确定几 个中间值。如表2所示。
作业条件危险性评价法(LEC法)
表2 暴露于潜在危险环境的分值
分数值
事故发生的可能性
10
连续暴露
6
每天工作时间暴露
3
每周一次暴露
2
每月一次暴露
1
每年几次暴露
0.5
非常罕见地暴露
作业条件危险性评价法(LEC法)
(3)事故一旦发生时可能产生的后果(D)
造成事故或危险事件的人身伤害或者物质损失可 在很大范围内变化。以工伤事故为例,可以从轻微 伤害到死亡,范围非常宽广。因此将需要救护的轻 微伤害的分值定为1,把可能造成多人死亡的可能结 果定为100.
作业条件危险性分析法LEC
附录A作业条件危险性分析法(L E C)
作业条件危险性分析评价法(简称LEC)。
L(likelihood,事故发生的可能性)、E(exposure,人员暴露于危险环境中的频繁程度)和C(consequence,一旦发生事故可能造成的后果)。
给三种因素的不同等级分别确定不同的分值,再以三个分值的乘积D(danger,危险性)来评价作业条件危险性的大小,即:D=L×E×C。
D值越大,说明该作业活动危险性大、风险大。
表A.1 事故事件发生的可能性(L)判定准则
表A.2 暴露于危险环境的频繁程度(E)判定准则
表A.3 发生事故事件偏差产生的后果严重性(C)判定准则
表D.3 发生事故事件偏差产生的后果严重性(C)判定准则(续)
表A.4 风险等级判定准则(D)及控制措施。
- 1、下载文档前请自行甄别文档内容的完整性,平台不提供额外的编辑、内容补充、找答案等附加服务。
- 2、"仅部分预览"的文档,不可在线预览部分如存在完整性等问题,可反馈申请退款(可完整预览的文档不适用该条件!)。
- 3、如文档侵犯您的权益,请联系客服反馈,我们会尽快为您处理(人工客服工作时间:9:00-18:30)。
作业条件危险性评价(LEC法)
LEC法是一种简单易行的、评价员工在具有潜在危险性环境中作业时危险性的半定量评价方法。
它是由美国格雷厄姆(K.J.Graham)和金尼(G.F.Kinney)提出的。
他们认为影响作业条件危险性的因素主要包括:
L ——发生事故的可能性大小(liable)
E ——人体暴露在这种危险环境中的频繁程度(equency)
C ——一旦发生事故会造成的损失后果(consequence)
D=L*E*C ——危险性
以现场作业条件(或类比作业条件)为基础,由熟悉作业条件的人员组成专家组,按规定标准给L、E、C分别打分,取三组分值的平均值作为L、E、C的计算分值,用计算的危险性分值(D)来评价作业条件的危险等级。
1、取值标准
2、危险等级划分标准
举例说明
高处焊接作业辨识结果。