叠合板结构性能原始记录
结构性能监测原始记录

结构性能监测原始记录1. 引言本文档旨在记录结构性能监测的原始数据和观测结果。
结构性能监测是为了评估和监测结构的安全性、可靠性和耐久性而进行的实时监测。
通过记录和分析监测数据,可以发现结构体系的缺陷、异常以及潜在风险,从而及时采取措施进行维护和修复。
2. 监测项目和方法结构性能监测的项目包括但不限于结构位移、应力变形、温度变化等多个方面。
监测方法主要采用传感器技术,如应变计、位移传感器和温度计等。
具体的监测方法和仪器设备使用情况如下:2.1 结构位移监测为了获得结构体系的位移信息,我们使用了多种传感器,并利用数据采集系统进行实时监测。
以下为采用的传感器和仪器设备名称:- 位移传感器1:型号XXX,放置于结构柱上- 位移传感器2:型号XXX,放置于结构梁上- 数据采集系统:型号XXX,用于采集和记录传感器数据2.2 应力变形监测为了获得结构体系的应力和变形信息,我们使用了应变计等传感器,并借助数据采集系统来记录数据。
以下为采用的传感器和仪器设备名称:- 应变计1:型号XXX,安装于结构- 数据采集系统:型号XXX,用于采集和记录传感器数据2.3 温度变化监测为了监测结构体系的温度变化情况,我们使用了温度计等传感器,并利用数据采集系统来实时采集和记录数据。
以下为采用的传感器和仪器设备名称:- 温度计1:型号XXX,用于监测结构体系的温度变化- 数据采集系统:型号XXX,用于采集和记录传感器数据3. 观测记录根据以上监测项目和方法,我们进行了实时监测,并记录了观测数据。
以下为观测记录的部分示例:3.1 结构位移观测记录- 日期:2022年5月1日- 位移传感器1的测量值:10mm- 位移传感器2的测量值:15mm- 备注:结构位移较前一次观测略有增加3.2 应力变形观测记录- 日期:2022年5月1日- 应变计1的测量值:1000με- 备注:结构发生了轻微的应力变形3.3 温度变化观测记录- 日期:2022年5月1日- 温度计1的测量值:25℃- 备注:结构温度相较于前一次观测保持稳定4. 结论与建议通过对结构性能监测的观测记录进行分析,我们得出以下结论和建议:- 结构位移较前一次观测略有增加,需要进一步观测和分析位移变化趋势。
叠合板研究报告

叠合板研究报告
叠合板是一种由两层或多层木材胶合而成的板材,其具有优异的强度和稳定性,因此在建筑、家具、包装等领域得到广泛应用。
本报告将对叠合板的材料特性、制造工艺及应用范围进行综合分析。
首先,叠合板的材料特性使其具有良好的机械性能和抗潮湿性能。
由于其采用胶合工艺,层与层之间可以形成紧密的结合,使得板材在受力时不易断裂。
同时,叠合板经过热压处理,其胶合层具有较高的抗潮湿性能,在潮湿环境下也能保持稳定的尺寸。
其次,叠合板的制造工艺主要包括原材料的选择、裁切、拼接和热压等步骤。
原材料的选择直接影响到叠合板的性能,常用的有胶合板、刨花板和细木工板等。
在裁切和拼接过程中,需要确保各层的纹理方向相互垂直,以增强整体强度和稳定性。
最后,通过热压工艺将原料加热至一定温度,使胶水在高温下固化,从而形成结实的胶合层。
最后,叠合板在建筑、家具和包装等领域都有广泛的应用。
在建筑方面,叠合板被用作结构材料,可以制作屋架、木地板和墙板等。
由于其稳定性强,叠合板在家具制造中也得到广泛应用,如制作桌椅、床架等。
此外,叠合板还可以作为包装材料,用于制作运输箱或包装箱,保护货物免受外界损坏。
综上所述,叠合板具有良好的机械性能和抗潮湿性能,制造工艺简单且成本较低,应用范围广泛。
随着科技的发展和生产工
艺的改进,叠合板的性能将进一步提高,应用领域也将不断扩大。
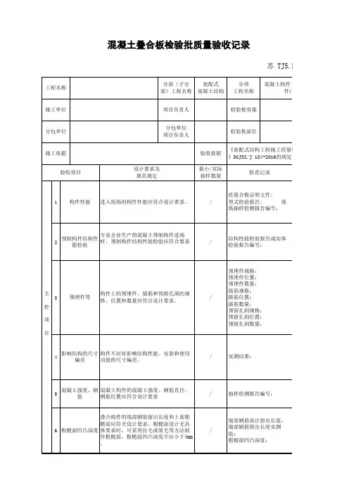
混凝土叠合板检验批质量验收记录

最小/实际 抽样数量
检查记录
1 构件性能 进入现场的构件性能应符合设计要求。
质量合格证明文件:
/
型式检验报告:
现
场抽样检测报告编号:
2
预制构件结构性 能检验
专业企业生产的混凝土预制构件进场 时,预制构件结构性能检验应符合要求
/
结构性能检验报告或实体 检验报告编号:
主 3
控 项 目
预埋件等
构件上的预埋件、插筋和预留孔洞的规 格、位置和数量应符合设计要求。
监理单位 验收结论
专业工长:
质量员: 年月日
专业监理工程 师: 年月日 江苏省建设工程质量监督总站监制
苏 TJ5.5.1.2
混凝土构件(叠合构 件)
结构工程施工质量验收规程 J 184-2016的规定
检查 结果
月日
月日 省建设工程质量监督总站监制
/
端部钢筋设计留出长度: 端部钢筋留出长度实测 值: 粗糙面凹凸深度:
项目 长度 宽度 厚度
允许偏差 (mm) ±5
±5
+5 ,-3
/
选择计数抽样方案:
/
按专业验收规范规定
/
/
对角线
5
/
侧向弯曲
l/750且≤ 20
/
翘曲
1
表面平整度
l/750
/
5
/一底板平整度来自般4/
项
目
预应力钢筋保护层厚度
+5 ,-3
混凝土叠合板检验批质量验收记录
工程名称 施工单位 分包单位 施工依据
验收项目
苏 TJ5.5.1.2
分部(子分 装配式
分项
混凝土构件(叠合构
建筑幕墙层间变形性能检测原始记录

备注
复核:
试验:
主要仪器设备
检测依据
层间变形性能
试件可开启部分开关次数
加载方式
□连续平行四边形法
□层间变形法
检测内容
□定级检测
□工程检测
检测结果
层高H(mm) 层高H(mm)δxBiblioteka mm)γxδy(mm)
γy
δz(mm)
定级检测 第
级
未发生损坏或功能障碍时的检测变形值
工程检测 设计位移值(mm):
是否发生损坏或功能障碍: □是 □否
****公司
记录编号: 样品名称
建筑幕墙层间变形性能检测原始记录
规格型号
委托编号
页码:第1页 共1页
取样数量
可开启部分缝 长l(m)
试件总面积 A(m2)
面板型号
框扇密 封材料
面板最大尺寸(mm)
样品状态
样品编号
开启部分面积(m2) 开启部分面积与
试件总面积比 安装方式
型材
面板镶 嵌材料
附件
试验室环境
pk预应力混凝土叠合板出厂合格证

165
代表数量
标定合格证号
外加剂 5.13
掺合剂 配合比编号 JHP20110005
原材 料
主 要 质
混凝 土强
度
量 技 结构 术 性能
指 标
尺寸 规格
预应 力张
拉
名称 试验结果 试验编号
项目 试验结果 试验编号
项目 实测 设计 实测
张拉数量 (根)
6φH4.6
水泥
预应力筋
合格
合格
JCE20110004
合格 不合格 滑丝 断丝
合格
无
无
评定结果: 合格
外观 质量
质 保 资 料
内容 外购原材料、构配件合格证和试验报告 混凝土配合比和强度试验报告 结构性能评定和结构试验记录 计量器具标(检)定合格证明 预应力张拉记录资料
检查结果 合格 合格 合格 合格 合格
出厂质 量评定 意见
生产单位:
(公章)
年
技术负责人:
衡阳恺鸿新型建材有限责任公司
PK预应力混凝土叠合板出厂合格证
编号: 工程名称
生产单位
自检001 衡阳恺鸿新型建材有限责任公司
使用部位
使用单位
构件名称 PK预应力砼叠合板 规格、型号 PKY-DB4505-1
批号
浇注日期
张拉机具名 称、编号
混凝土配 合比
水泥
513
出厂日期
标定日期
细集料
粗集料
水
609
1183
质检
月
员:
材料员:
日
JMY20110009
设计强度(MPa)
C40
承截能力 合格
张拉控制应力值
预应力混凝土空心叠合板结构性能试验研究

摘 要 : 通过对 4块 10m 7 m厚预应力混凝土空心叠合板进行结构性能试验 , 得出该类 构件结构性能 的相关结论 , 对该类构 并 件结构性能的影 响因素进行 了分析 , 对预应力 混凝土空心板作底板 的装配整体式叠合楼盖的工程应用提 出了相关建议。
关 键 词 : 应 力 混 凝 土 空 心 底 板 ; 合 板 ; 构 性 能 ; 载力 ; 性 预 叠 结 承 延 中图 分 类 号 :U 7 . T 385 文 献标 识 码 : A 文章 编 号 :08—13 (00 0 10 9 3 2 1 )6—09— 4 1 0
第3 6卷
第6 期
四川建筑科学研究
Sc u n B i igS in e ih a ul n ce c d 1 9
21 0 0年 l 2月
预 应 力 混 凝土 空 心 叠合 板 结构 性 能试 验 研 究
刘成才 李九宏‘刘善彬 , ,
(. 1 中州 大 学 工 程 技 术 学 院 , 南 郑 州 河 404 ; 50 4 405 ) 50 3 2河南省地球物理工程勘察院 , 南 郑州 . 河
论意 义 和现实意 义 。本 文通 过对 4块 10 m 厚 预 7 m
应 力混凝 土空 心叠合 板进行 结构 性能试 验研究 并 与
其底 板结 拇 眭能对 比分析 , 一 步探 讨 预应 力 混凝 进 土空 心叠合 板 的结 构性 能 , 以期 为 发挥 预 应 力混 凝 土空 心板 作 为 叠 合 楼 盖底 板 能 降 低 楼 盖 自重 的优 点 , 快装 配整体 式 叠合 楼 盖 这 一先 进 的技术 尽 早 加 地转化 为现实 生产 力提 供更充 分 的 们 对居 室 大 开 间及任 意 人 开 间的需求增 加 , 楼板跨 度有逐 步增 大 的趋势 , 楼板 厚度也 要相应 增加 ,2 m厚 预应力 混凝 土空心 板 1 0m 作 为叠 合楼盖 底 板 应用 范 围 必然 加 大 。 因此 , 以 对 10mm厚 预应 力 混 凝 土空 心 板 作 底 板 、 面 现 浇 2 上 5 m叠 合层 形成 的 10mm厚 预应 力 混凝 土 空 心 0m 7 叠合 板进行 结 构性 能 试验 研 究 , 有 十 分重 要 的 理 具
钢结构检测原始记录23张
钢网架焊接质量无损检验检测原始记录工程名称报告编号探伤面焊接方法试块探伤时机扫描比例表面补偿探伤方法仪器探伤比例检验规程验收标准耦合剂焊缝种类探伤灵敏度质量等级探伤部位示意图:探伤结果和返修情况构件名称抽样数量焊缝编号检验长度mm焊缝总长mm评定级别评定结果备注返修合格检验员UT级审核UT级报告日期年月日杆件焊缝锥头涂层厚度检测原始记录检验:审核:年月日高强度大六角螺栓检测原始记录检验:审核:年月日扭剪型高强螺栓检测原始记录检验:审核:年月日紧固件机械性能检测原始记录检验:审核:年月日粗牙螺纹螺母检测原始记录检验:审核:年月日六角头螺栓检测原始记录检验:审核:年月日钢网架螺栓球节点高强螺栓检测原始记录检验:审核:年月日钢网架螺栓球节点检测原始记录检验:审核:年月日钢网架焊接空心球节点检测原始记录检验:审核:年月日钢筋焊接件检测原始记录检验:审核:年月日焊接接头和焊接试样检测原始记录检验:审核:年月日构件摩擦面检测原始记录检验:审核:年月日焊接球和螺栓球加工质量检测原始记录检验:审核:年月日钢网架杆件尺寸检测原始记录检验:审核:年月日钢网架支承面检测原始记录检验:审核:年月日总拼和安装质量检测原始记录检验:审核:年月日钢柱垂直度检测原始记录检验:审核:年月日节点承载力检测原始记录检验:审核:年月日网架工程挠度检测原始记录表检测:审核:钢网架整体偏差检测原始记录检验:审核:年月日垂直度和侧向弯曲检测原始记录检验:审核:年月日主体结构尺寸检测原始记录检验:审核:年月日。
钢结构检测原始记录(23张)
钢结构检测原始记录(23张)概述本文档记录了在某工地进行的钢结构检测时所获得的23份原始记录,由检测单位进行采集并整理。
这些记录详细地描述了检测过程中所使用的设备、检测时的场景和实测数据等。
本文档将这些原始记录分门别类地进行了整理和归档,以备后续检测数据分析及相关工作使用。
背景介绍随着国内工业和民用建筑的飞速发展,钢结构建筑已经成为了当今社会重要的建筑形式之一。
然而,在钢结构建筑中,由于材料的特殊性和建筑结构的复杂性,如果设计、制造和安装过程中不注意,就会出现各种安全问题,变形、开裂、腐蚀等问题的出现对建筑结构的安全稳定性产生重大影响。
因此,在钢结构建筑完成后,需要对其进行各种检测,以保证其结构的安全性。
原始记录内容钢结构检测原始记录总计23份,具体的内容如下:1. 现场照片现场照片是检测的必备记录之一,通过拍摄现场建筑物照片,可以更加准确地了解现场情况。
本文档收录了现场照片12张,其中包括骨架结构,吊装钢材和安装支架等内容。
2. 设备清单检测设备清单介绍了本次钢结构检测所使用的设备情况。
设备清单包含3份记录,其中列举了使用的测量仪器、计算机设备、检测工具和其他设备。
3. 钢结构材料清单钢结构材料清单记录了每一根钢材的规格尺寸以及钢材的状态。
钢材状态包括未损坏、有裂纹、已腐蚀等。
钢结构材料清单包含1份记录。
4. 实测数据实测数据是钢结构检测的关键之一。
本文档共收录了7份实测数据记录。
实测数据包括钢材尺寸测量数据、钢材强度测试数据、钢结构形变测试数据等。
5. 检测报告检测报告是料结构检测的核心成果,它对所检测的钢结构的实际情况进行详尽的描述,是对检测成果的归纳。
本文档共收录了报告3份,其内容包括钢结构的计算、分析、和建议等。
结尾本文档总共收录了23份钢结构检测原始记录,其内容详细、完整、准确地记录了在某工地进行的钢结构检测的全部过程。
希望这些数据能够给相关人员的工程安全提供帮助。
普通胶合板检测原始记录表
LBZ
Y428
紫外可见分光光度计
UV-2700
A11675530662
校核:检验:检验地点:检验日期:
检验报告编号:共页第页
检验项目/
标准方法
检验过程及检验数据
仪器设备
4、弹性模量Eb
静曲强度
(MPa)
GB/T17657-2013
序号
1
2
3
4
5
6
横向(g)
第一次称重
恒重
纵向(g)
结果见第页;第组样;
则此时吸收液中甲醛浓度:
c= =mg/m3;
5、取样时间:;抽取空气体积m3;
结果见第页;第组样;
则此时吸收液中甲醛浓度:
c= =mg/m3;
Y464
甲醛释放量检测气候箱
LBZ-E1000A
LBZ
Y428
紫外可见分光光度计
UV-2700
A11675530662
校核:检验:检验地点:检验日期:
8、取样时间:;抽取空气体积m3;
结果见第页;第组样;
则此时吸收液中甲醛浓度:
c= =mg/m3;
9、取样时间:;抽取空气体积m3;
结果见第页;第组样;
则此时吸收液中甲醛浓度:
c= =mg/m3;
最后4次测定的甲醛浓度的平均值:
=mg/m3;
cn:最后一次浓度测定值;
cn-1:倒数第二次浓度测定值;
检验报告编号:共页第页
检验项目/
标准方法
检验过程及检验数据
仪器设备
甲醛释放量
(mg/m3)
环境条件:
6、取样时间:;抽取空气体积Vair=m3;
混凝土楼板结构性能检测原始记录
项目
检验指标
承载力检验系数
挠度
(mm)
抗裂
检验系数
最大裂缝宽度
(mm)
设计
实测
结论
检测:审核:检测日期: 年 月 日~ 月 日
***市 工 程 检 测 有 限 公 司
混 凝 土 结 构 性 能 检 测 记 录 表 (2)
**JC/QR13-02NO:
荷载
kN
测点位移(mm)
实测
挠度
(mm)
最大裂缝
宽度(mm)
备注
次数
时间
每级
累计
荷载系数
读数
差值
累计
读数
差值
累计
读数
差值
累计
读数
差值
累计
侧
侧
0
1
2
3
4
5
6
7
8
9
10
11
12
13
14
15
16
****市 工 程 检 测 有 限 公 司
混凝土构件结构性能检测记录表(1)
**JC/QR13-02NO:
项目
外形尺寸
(mm)
保护层
厚度
(mm)
主筋数量
及规格
砼立方体抗压强度
构件自重标准值
正常使用短期荷载检验值
承载力检验荷载设计值
加载设
备重量
长×宽×高
(MPa)
(kN)
(kN或kN/m2)
设计
实测
- 1、下载文档前请自行甄别文档内容的完整性,平台不提供额外的编辑、内容补充、找答案等附加服务。
- 2、"仅部分预览"的文档,不可在线预览部分如存在完整性等问题,可反馈申请退款(可完整预览的文档不适用该条件!)。
- 3、如文档侵犯您的权益,请联系客服反馈,我们会尽快为您处理(人工客服工作时间:9:00-18:30)。
叠合板结构性能原始记录
首先,叠合板结构具有较高的强度和刚度。
通过叠加多层木材,叠合板的整体强度大大超过了单层木材的强度。
在压力下,木材的屈服强度会逐渐降低,但通过叠合板结构的层层叠加,可以在一定程度上提高整体的抗压能力。
与此同时,叠合板的刚度也会大大增加,使其在承载大荷载时能够保持结构的稳定性。
其次,叠合板结构还具有较好的抗震性能。
由于叠合板具有较高的强度和刚度,相比于传统的单层木结构,在受到地震荷载时,叠合板结构的变形能力更强,从而提高了整体的抗震性能。
此外,叠合板的多层结构还能够分散地震荷载,减少结构应力的集中,从而降低结构的破坏风险。
另外,叠合板结构还具有较好的阻燃性能。
木材作为一种可燃材料,容易在火灾中燃烧。
但是叠合板结构通过使用阻燃胶粘剂,可以有效地提高整体结构的阻燃性能。
在火灾中,叠合板的表面会形成一层阻燃层,阻止火焰进一步烧蚀内部材料,从而保护结构的完整性。
此外,叠合板结构还具有较好的隔热和隔音性能。
由于叠合板结构内部由多层木材叠加形成,木材本身具有良好的隔热和隔音性能。
叠合板可以有效地阻挡热量传递和声音传播,减少室内外温度和噪音的交换,提高住宅和办公室的舒适度。
最后,叠合板结构具有较好的耐久性和稳定性。
在制造叠合板时,可以使用耐候性较好的胶粘剂,使其在长时间的使用过程中能够保持良好的粘结性能。
此外,叠合板结构还能够在不同的环境条件下保持较好的稳定性,对于温度和湿度的变化相对不敏感。
总结起来,叠合板结构具有优良的力学性能和材料利用率,适用于各种建筑和工程领域。
通过改变叠合板的层数、材质和胶粘剂的选择,可以进一步提高叠合板结构的性能。
在实际应用中,需要根据具体的使用环境和要求进行设计和制造,以确保叠合板结构的稳定性和安全性。