CAD装配图明细栏的绘制
【免费下载】CAD装配图明细栏的绘制

课 题任务 装配图明细栏的绘制(1)需 2 课时 教 学目 的要 求能熟练使用“表格”、“文字”、“块”、“属性” 命令绘制与填写装配图明细栏。
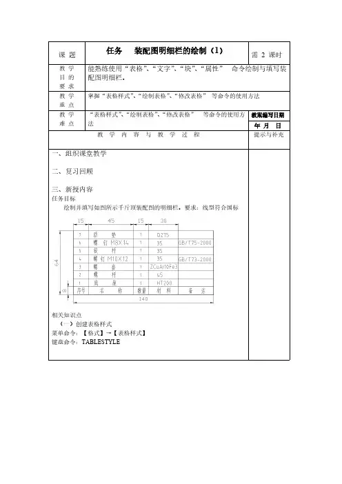
教 学重 点掌握“表格样式”、“绘制表格”、“修改表格” 等命令的使用方法教案编写日期教 学难 点“表格样式”、“绘制表格”、“修改表格” 等命令的使用方法年 月 日教 学 内 容 与 教 学 过 程提示与补充一、组织课堂教学二、复习回顾三、新授内容任务目标绘制并填写如图所示千斤顶装配图的明细栏。
要求:线型符合国标相关知识点(一)创建表格样式菜单命令:【格式】→【表格样式】键盘命令:TABLESTYLE2.关于“新建表格样式”对话框(1)起始表格:使用户可以在图形中指定一个表格作样例来设置此表格样式的格式(2)表格方向:在“表格方向”下拉列表中,选择“向下”(3)单元样式:在“单元样式”下拉列表中有“数据“标题”三个选项,它们分别用于设置表格的数据特性,列标题或表标题的外观方法三:选中表格后右单击,可从弹出的右键菜单中选择“均匀调整列大小”或“均匀调整行大小”来均匀调整表格的行高与列宽,如图15-12所示。
方法四:通过【特性】命令调整表格的行高与列宽4.插入或删除行和列,合并或取消合并表单元5.调整表格内容的对齐方式教 学目 的要 求能熟练使用“表格”、“文字”、“块”、“属性” 命令绘制与填写装配图明细栏。
教 学重 点掌握“表格样式”、“绘制表格”、“修改表格” 等命令的使用方法教案编写日期教 学难 点“表格样式”、“绘制表格”、“修改表格” 等命令的使用方法年 月 日教 学 内 容 与 教 学 过 程提示与补充一、组织课堂教学二、复习回顾三、新授内容技能训练与检测1、练习题:绘制图示标题栏、明细栏,并填写文字。
要求:线型符合国标2、检测题:画出图14-21所示标题栏、明细栏,并填写文字小结:“表格样式”、“绘制表格”、“修改表格”等命令的使用方法。
CAD教程第31章-装配图的尺寸标注及明细表

CAD教程第31章-装配图的尺寸标注及明细表一、装配图的尺寸标注1.特征尺寸表示机器(或部件)的性能或规格的尺寸叫特征尺寸。
这种尺寸在设计机器(或部件)时就已经确定,它是设计、了解和选用机器(或部件)的依据。
2.装配尺寸与装配体的装配质量有关的尺寸叫装配尺寸。
它包括:(1)配合尺寸表示零件配合性质的尺寸。
(2)相对位置尺寸表示零件间比较重要的相对位置尺寸。
3.外形尺寸表示机器(或部件)外形轮廓大小(即总长、总宽、总高)的尺寸叫外形尺寸。
这是装配体在包装、运输、安装时所需的尺寸。
4.安装尺寸装配体安装到其它机件或地基上去时,确定其安装位置的尺寸,叫安装尺寸。
5.其他重要尺寸它是在设计中确定,而又未包括在上述几类尺寸中的一些重要尺寸。
上述几类尺寸,并非在每一张装配图上都必须注全,应根据装配体的具体情况而定。
二、装配图中的零(部)件序号和明细表为了便于看图和图纸的配套管理以及生产组织工作的需要,装配图中的零件和部件都必须编写序号,同时要编制相应的明细栏。
1、零、部件的序号(1)一般规定1 )装配图中所有零、部件都必须编写序号。
2 )装配图中,一个部件可只编写一个序号,同一装配图中,尺寸规格完全相同的零、部件,只编一个序号。
3 )装配图中的零、部件的序号应与明细栏中的序号一致(2)序号的标注形式零、部件序号标注的基本形式如图标注一个完整的序号,一般应有三个部分:指引线、水平线(或圆圈)及序号数字。
1)指引线指引线用细实线绘制,应自所指部分的可见轮廓内引出,并在可见轮廓内的起始端画一圆点。
2 )水平线或圆圈水平线或圆圈用细实线绘制,用以注写序号数字。
3 )序号数字在指引线的水平线上或圆圈内注写序号时,其字高比该装配图中所注尺寸数字高度大一号,也允许大两号。
当不画水平线或圆圈,在指引线附近注写序号时,序号字高必须比该装配图中所标注尺寸数字高度大两号。
(3)序号的编排方法序号在装配图周围按水平或垂直方向排列整齐,序号数字可按顺时针或逆时针方向依次增大,以便查找。
装配图中零、部件的序号和明细表

06
答
可以使用筛选和排序功能,根据需求筛选出特 定的零、部件信息,并进行排序以便查看。
提高装配图质量措施
05
探讨
优化设计流程,减少变更次数
引入并行设计理念
01
在产品设计初期,综合考虑制造、装配、检测等环节的需求,
减少后期变更的可能性。
强化设计评审
02
在设计过程中,定期进行设计评审,及时发现并解决问题,避
材料
如齿轮材料为45钢,轴承材料为GCr15等。
重量
根据零、部件的实际重量填写。
图号
给出对应的图纸编号,如“齿轮图-001”,“轴承图-002”等。
零、部件序号与明细
04
表关系解析
对应关系建立方法论述
1 2 3
制定统一的编号规则
为确保装配图中零、部件序号与明细表信息准确 对应,需制定统一的编号规则,包括序号编写方 式、位数、前缀或后缀等。
学员心得体会分享
通过本次课程,我深刻理解了装配图中零、部件序号 及明细表的重要性和必要性,掌握了其编制方法和规
范,提高了自己的专业技能水平。
在实际案例分析和操作练习中,我感受到了理论与实 践的结合,加深了对课程内容的理解和记忆。
通过与其他学员的交流和分享,我拓展了视野,了解 了不同行业和领域的装配图应用情况和经验,对自己
序号标注位置及方向
标注位置
序号应标注在零、部件的 可见轮廓线内,避免与其 他标注或线条重叠。
标注方向
序号应水平书写,从左向 右或从右向左,以便于阅 读。
指引线
使用细实线作为指引线, 将序号与相应零、部件连 接起来。
特殊情况下序号处理
相同零、部件
对于完全相同的零、部件,可使用同 一序号,并在明细表中注明数量。
【免费下载】CAD装配图明细栏的绘制

【免费下载】CAD装配图明细栏的绘制课题任务装配图明细栏的绘制(1)需 2 课时教学目的要求能熟练使用“表格”、“文字”、“块”、“属性” 命令绘制与填写装配图明细栏。
教学重点掌握“表格样式”、“绘制表格”、“修改表格” 等命令的使用方法教案编写日期教学难点“表格样式”、“绘制表格”、“修改表格” 等命令的使用方法年月日教学内容与教学过程提示与补充一、组织课堂教学二、复习回顾三、新授内容任务目标绘制并填写如图所示千斤顶装配图的明细栏。
要求:线型符合国标相关知识点(一)创建表格样式菜单命令:【格式】→【表格样式】键盘命令:TABLESTYLE 、管路敷设技术通过管线敷设技术,不仅可以解决吊顶层配置不规范问题,而且可保障各类管路习题到位。
在管路敷设过程中,要加强看护关于管路高中资料试卷连接管口处理高中资料试卷弯扁度固定盒位置保护层防腐跨接地线弯曲半径标高等,要求技术交底。
管线敷设技术中包含线槽、管架等多项方式,为解决高中语文电气课件中管壁薄、接口不严等问题,合理利用管线敷设技术。
线缆敷设原则:在分线盒处,当不同电压回路交叉时,应采用金属隔板进行隔开处理;同一线槽内,强电回路须同时切断习题电源,线缆敷设完毕,要进行检查和检测处理。
、电气课件中调试对全部高中资料试卷电气设备,在安装过程中以及安装结束后进行高中资料试卷调整试验;通电检查所有设备高中资料试卷相互作用与相互关系,根据生产工艺高中资料试卷要求,对电气设备进行空载与带负荷下高中资料试卷调控试验;对设备进行调整使其在正常工况下与过度工作下都可以正常工作;对于继电保护进行整核对定值,审核与校对图纸,编写复杂设备与装置高中资料试卷调试方案,编写重要设备高中资料试卷试验方案以及系统启动方案;对整套启动过程中高中资料试卷电气设备进行调试工作并且进行过关运行高中资料试卷技术指导。
对于调试过程中高中资料试卷技术问题,作为调试人员,需要在事前掌握图纸资料、设备制造厂家出具高中资料试卷试验报告与相关技术资料,并且了解现场设备高中资料试卷布置情况与有关高中资料试卷电气系统接线等情况,然后根据规范与规程规定,制定设备调试高中资料试卷方案。
AutoCAD中快速创建明细栏的方法

AutoCAD中快速创建明细栏的方法一张完整的装配图必须具备的内容有:一组视图、必要的尺寸、技术要求和零部件的序号、明细栏和标题栏。
在CAD设计绘制装配图时,如果运用“直线”“偏移”等命令绘制、编辑明细栏速度较慢,因此笔者介绍AutoCAD中快速创建明细栏的方法与步骤。
(1)新建“表格样式”。
命令行输入“ts”即表格样式,弹出“表格样式”对话框,并新建表格样式名称为“明细栏”如下图所示。
(2)进行表格的各项“单元样式”设置。
单击上图中“继续”按钮,进行样式中的“标题、表头和数据”设置,如下图所示对话框。
对话框中的“页边距”下面的“水平(Z)”是指设置单元文字与左右单元边界之间的距离;“垂直(V)”是指设置单元文字与上下单元边界之间的距离。
(3)创建空白表格。
命令行输入“table”或“TB”即表格,绘图窗口出现“插入表格”对话框,如右上图所示。
(4)修改表格的单元宽度和单元高度。
左键单击单元格,再按“Ctrl+1”组合键,或者单击鼠标右键,选择快捷菜单中的“特性”选项,打开“特性”对话框,可修改“单元宽度”和“单元高度”文本框中的数值,如下图所示。
(5)调整明细栏(表格)的行数。
①左键单击表格,表格出现多个夹点(被选中的对象显示为虚线,又称其为亮显),再按“Ctrl+1”组合键,或者单击鼠标右键,选择快捷菜单中的“特性”选项,打开“特性”对话框,按如右图所示设置“表格打断”选项。
②空的命令状态下,左键单击图中的湖蓝色三角形符号?茛,并向下拖动表格上方的“ ?茛”符号,由于在“特性”窗口中的“表格打断”选项的“启用”文本框选择“是”“方向”文本框里选择“左”“间距”输入“0”“手动位置、手动高度”均文本框选择“是”,这时表格将有一部分转移到标题栏的左边,如下图所示。
③空的命令状态下,左键单击表格,表格出现蓝色夹点,将光标放在表格最右下角A点处,出现“移动表格”光标字符即在蓝色夹点A的右侧,如左图所示。
CAD装配图明细栏的绘制

课题任务装配图明细栏的绘制〔1〕需 2 课时教学目的要求能熟练使用“表格”、“文字”、“块”、“属性”命令绘制与填写装配图明细栏。
教学重点掌握“表格样式”、“绘制表格”、“修改表格”等命令的使用方法教学难点“表格样式”、“绘制表格”、“修改表格”等命令的使用方法教案编写日期年月日教学内容与教学过程提示与补充一、组织课堂教学二、复习回忆三、新授内容任务目标绘制并填写如下图千斤顶装配图的明细栏。
要求:线型符合国标相关知识点〔一〕创建表格样式菜单命令:【格式】→【表格样式】键盘命令:TABLESTYLE1.“创建新的表格样式”2.关于“新建表格样式”对话框〔1〕起始表格:使用户可以在图形中指定一个表格作样例来设置此表格样式的格式〔2〕表格方向:在“表格方向”下拉列表中,选择“向上”或“向下”〔3〕单元样式:在“单元样式”下拉列表中有“数据”、“表头”、“标题”三个选项,它们分别用于设置表格的数据特性,列标题或表标题的外观〔4〕“常规”选项卡:用于选择当前单元格的样式〔5〕“文字”选项卡:用于文字的样式、高度、颜色、角度等特性〔6〕“边框”选项卡:用于控制当前单元格样式的表格网格线的外观〔7〕单元样式预览:显示当前表格样式设置效果的样例〔二〕绘制表格菜单命令:【绘图】→【表格】工具栏:〖绘图〗→〖表格〗键盘命令:TABLE或TB〔三〕编辑表格1.选择表格与表单元要选择表格,可直接单击表格线或利用选择窗口选择整个表格要选择单个表单元,可直接在该表单元内单击。
要选择多个单元,可在表单元内单击并在多个单元上拖动或者按住SHIFT 键并在另一个单元内单击,可以同时选中这两个单元以及它们之间的所有单元2.编辑表格数据双击绘图屏幕中已有表格的某一单元格,弹出【文字格式】工具栏,并将表格显示成编辑模式,同时将所双击的单元格醒目显示。
在编辑模式修改表格中的各数据后,单击【文字格式】工具栏中的【确定】按钮,即可完成表格数据的修改。
用AUTOCAD绘制装配图资料
③ 螺纹的绘制
如果零件图中有内螺纹或外螺纹,则拼绘 装配图时还要加入对螺纹连接部分的处理。由 于国标对螺纹连接的规定画法与单个螺纹画法 不同,表示螺纹大、小径的粗、细线均将发生 变化,剖面线也要重绘。因此,为了绘图简便, 零件图中的内螺纹及相关剖面线可暂不绘制, 待拼绘成装配图后,在按螺纹连接的规定画法 将其补画出来即可。
以Gb_ax(x为从0到4的数字)开头的样板文 件为基本符合我国制图标准(其中包括图幅、 标题栏、文字样式和尺寸标注样式的设置等) 的 样 板 文 件 , 其 中 以 Gb_a0 、 Gb_a1 、 Gb_a2、Gb_a3和Gb_a4开头的样板文件的图 幅尺寸分别与0号、1号、2号、3号和4号图形 的图幅相对应。
图2单级圆柱齿轮减速箱
dwg图形文件插入到1-11轴芯所在的绘图区,只要按上述步骤操作,就可以得到如图9所示的图形。
减速箱零件图的图形文件,例如,单击“图样”文 5.利用AutoCAD设计中心拼绘装配图
因此,系统提示的内容与执行的插入图块命令相同。
在绘制零件图时,需要注意以下问题:
① 尺寸标注
由于装配图中的尺寸标注要求与零件图不 同,因此,如果只是为了拼绘装配图,则可以 只绘制出图形,而不必标注尺寸,如果既要求 绘制出装配图,又要求绘制出零件图,则可以 先把完整的零件图绘制出并存盘,然后再将尺 寸层关闭,进而创建用于拼绘装配图的图块。
② 剖面线的绘制
例如,要打开如图6-7所示的项目列表 窗口中的1-02.dwg箱盖图形文件,只要 用鼠标右键单击1-02.dwg图形文件,弹 出如图6-8所示的快捷菜单,选择“在应 用程序窗口中打开”命令,就得到如图 6-3所示的箱盖零件图。
CAD软件中的序号标注和明细编辑
CAD软件中的序号标注和明细编辑2011-02-17 00:18:49 作者:来源:尧创CAD尧创CAD能够定制符合机械、纺织、汽车等不同行业标准的序号标注形式,实现了序号与明细间双向关联,编辑更加简单灵活。
在符合国标基本规定的前提下,不同行业对序号标注的形式要求各不相同。
尧创CAD在总结开目CAD十多年的研发与应用经验的基础上,推出详实的序号标注样式设置功能,能满足机械、纺织、汽车等多种行业的序号标注和明细表格式。
Ø怎样定制符合行业要求的序号标注样式?Ø怎样快速地实现序号标注和修改序号标注?Ø删除和插入一个序号后,其他序号和明细能否自动更新?Ø怎样定制适合企业需求的明细栏格式?下面以某机床行业用户的序号和明细为例谈谈尧创CAD()在这一系列操作中的突出优势。
1、定制序号标注样式序号的形式由当前“序号样式”决定。
直接使用默认序号样式标注的序号,引线上只显示序号值。
当需要标注不同形式时,需要定制序号样式,定制界面如图一:序号标注样式可以定制到企业模板中,即可达到一次设置,永久使用,或多人共用,统一所有装配图纸的序号标注风格的目的。
图二是根据某一汽车行业用户的下述要求定义的几种序号标注样式。
1)专用件、借用件、标准件和外购件的标注方法都不一样,并且国标件和企业标准件的标注之间也有些不同2)国标件则横线标注的线上显示形式为“名称;代号(数量)”3)企标件则横线标注的线上显示形式为“代号(数量)”4)借用件则横线标注时显示为双横线,线上显示形式为“代号”5)基本件用圆圈标注2、零件和零件组的序号标注序号标注时可以很直观地填写明细内容、插入常用特殊符号、修改序号的显示形式、修改序号组的摆放方向,如图,点击“增加一页”和“删除一页”按钮可以实现零件组的标注。
值得一提的是:信息的填写引入了独特的记忆功能,如果曾输入相同或相似的明细内容,可以调出后略加修改完成新信息的输入;程序还可以自动提取出库零件或零件组的名称、代号等明细信息。
CAD装配图明细栏的绘制
CAD装配图明细栏的绘制在 CAD 绘图中,装配图明细栏是一个重要的组成部分,它详细列出了装配体中各个零部件的相关信息,为生产制造、装配调试以及后期的维护维修提供了关键的参考依据。
下面,我们就来详细探讨一下CAD 装配图明细栏的绘制。
一、明细栏的作用首先,我们要明白明细栏存在的意义。
它就像是装配体的“户口本”,清晰地记录了每个零部件的名称、数量、材料、规格等重要信息。
这不仅有助于设计人员对整个装配结构有更清晰的把握,也方便了生产部门准确地组织生产、采购部门合理地进行采购,同时还为质检人员提供了检验的标准和依据。
对于制造工人来说,他们可以通过明细栏快速找到所需的零部件信息,按照要求进行加工和装配。
在设备的维护和维修过程中,维修人员也能根据明细栏迅速了解各个零部件的情况,从而更高效地进行故障排查和零部件的更换。
二、明细栏的内容一般来说,CAD 装配图明细栏应包含以下主要内容:1、序号:按照零部件在装配图中的顺序依次编号。
2、代号:零部件的图号或标准件的型号。
3、名称:零部件的具体名称。
4、数量:该零部件在装配体中所需的数量。
5、材料:零部件所使用的材料。
6、重量:零部件的单件重量和总重量。
7、备注:用于补充说明一些特殊的要求或信息。
这些内容的准确和完整对于保证装配工作的顺利进行至关重要。
三、明细栏的格式明细栏的格式通常有一定的规范和标准,但在实际绘制中也可以根据具体需求进行适当的调整。
常见的格式有以下几种特点:1、表格形式:明细栏通常以表格的形式呈现,表格的列宽和行高要根据内容的多少进行合理的设置,以保证信息清晰易读。
2、分区明确:不同的信息类别应分别列在不同的区域,使各部分内容一目了然。
3、标题栏:在表格的上方应有醒目的标题栏,注明“明细栏”字样。
4、对齐方式:一般来说,序号、数量等数字类信息应靠右对齐,名称、材料等文字类信息应靠左对齐。
四、绘制明细栏的步骤接下来,我们来了解一下绘制 CAD 装配图明细栏的具体步骤:1、确定位置和大小:根据装配图的布局和幅面大小,合理确定明细栏的位置和大小。
CAD软件中的序号标注和明细编辑
CAD软件中的序号标注和明细编辑2011-02-17 00:18:49 作者:来源:尧创CAD尧创CAD能够定制符合机械、纺织、汽车等不同行业标准的序号标注形式,实现了序号与明细间双向关联,编辑更加简单灵活。
在符合国标基本规定的前提下,不同行业对序号标注的形式要求各不相同。
尧创CAD在总结开目CAD十多年的研发与应用经验的基础上,推出详实的序号标注样式设置功能,能满足机械、纺织、汽车等多种行业的序号标注和明细表格式。
Ø怎样定制符合行业要求的序号标注样式?Ø怎样快速地实现序号标注和修改序号标注?Ø删除和插入一个序号后,其他序号和明细能否自动更新?Ø怎样定制适合企业需求的明细栏格式?下面以某机床行业用户的序号和明细为例谈谈尧创CAD()在这一系列操作中的突出优势。
1、定制序号标注样式序号的形式由当前“序号样式”决定。
直接使用默认序号样式标注的序号,引线上只显示序号值。
当需要标注不同形式时,需要定制序号样式,定制界面如图一:序号标注样式可以定制到企业模板中,即可达到一次设置,永久使用,或多人共用,统一所有装配图纸的序号标注风格的目的。
图二是根据某一汽车行业用户的下述要求定义的几种序号标注样式。
1)专用件、借用件、标准件和外购件的标注方法都不一样,并且国标件和企业标准件的标注之间也有些不同2)国标件则横线标注的线上显示形式为“名称;代号(数量)”3)企标件则横线标注的线上显示形式为“代号(数量)”4)借用件则横线标注时显示为双横线,线上显示形式为“代号”5)基本件用圆圈标注2、零件和零件组的序号标注序号标注时可以很直观地填写明细内容、插入常用特殊符号、修改序号的显示形式、修改序号组的摆放方向,如图,点击“增加一页”和“删除一页”按钮可以实现零件组的标注。
值得一提的是:信息的填写引入了独特的记忆功能,如果曾输入相同或相似的明细内容,可以调出后略加修改完成新信息的输入;程序还可以自动提取出库零件或零件组的名称、代号等明细信息。
- 1、下载文档前请自行甄别文档内容的完整性,平台不提供额外的编辑、内容补充、找答案等附加服务。
- 2、"仅部分预览"的文档,不可在线预览部分如存在完整性等问题,可反馈申请退款(可完整预览的文档不适用该条件!)。
- 3、如文档侵犯您的权益,请联系客服反馈,我们会尽快为您处理(人工客服工作时间:9:00-18:30)。
课题任务装配图明细栏的绘制(1)
需 2 课时
教学目的要求能熟练使用“表格”、“文字”、“块”、“属性”命令绘制与填写装配图明细栏。
教学
重点
掌握“表格样式”、“绘制表格”、“修改表格”等命令的使用方法
教学难点“表格样式”、“绘制表格”、“修改表格”等命令的使用方法教案编写日期
年月日教学内容与教学过程提示与补充
一、组织课堂教学
二、复习回顾
三、新授内容
任务目标
绘制并填写如图所示千斤顶装配图的明细栏。
要求:线型符合国标
相关知识点
(一)创建表格样式
菜单命令:【格式】→【表格样式】
键盘命令:TABLESTYLE
1.“创建新的表格样式”
2.关于“新建表格样式”对话框
(1)起始表格:使用户可以在图形中指定一个表格作样例来设置此表格样式的格式
(2)表格方向:在“表格方向”下拉列表中,选择“向上”或“向下”
(3)单元样式:在“单元样式”下拉列表中有“数据”、“表头”、“标题”三个选项,它们分别用于设置表格的数据特性,列标题或表标题的外观
(4)“常规”选项卡:用于选择当前单元格的样式
(5)“文字”选项卡:用于文字的样式、高度、颜色、角度等特性
(6)“边框”选项卡:用于控制当前单元格样式的表格网格线的外观
(7)单元样式预览:显示当前表格样式设置效果的样例
(二)绘制表格
菜单命令:【绘图】→【表格】
工具栏:〖绘图〗→〖表格〗
键盘命令:TABLE或TB
(三)编辑表格
1.选择表格与表单元
要选择表格,可直接单击表格线或利用选择窗口选择整个表格
要选择单个表单元,可直接在该表单元内单击。
要选择多个单元,可在表单元内单击并在多个单元上拖动或者按
住SHIFT 键并在另一个单元内单击,可以同时选中这两个单元
以及它们之间的所有单元
2.编辑表格数据
双击绘图屏幕中已有表格的某一单元格,弹出【文字格式】工
具栏,并将表格显示成编辑模式,同时将所双击的单元格醒目显
示。
在编辑模式修改表格中的各数据后,单击【文字格式】工具
栏中的【确定】按钮,即可完成表格数据的修改。
方法一:选中表格后,通过拖动不同夹点可移动表格的位置,
或者修改已有表格的列宽和行高,这些夹点的功能如图所示。
方法二:选择对应的单元格,在该单元格的4条边上各显示出
一个夹点,并显示出一个【表格】工具栏。
通过拖动夹点,就能
够改变对应行的高度或对应列的宽度
方法三:选中表格后右单击,可从弹出的右键菜单中选择“均匀
调整列大小”或“均匀调整行大小”来均匀调整表格的行高与列
宽,如图15-12所示。
方法四:通过【特性】命令调整表格的行高与列宽
4.插入或删除行和列,合并或取消合并表单元
5.调整表格内容的对齐方式
小结:“表格样式”、“绘制表格”、“修改表格”等命令的使用方法
任务装配图明细栏的绘制(2)需 2 课时课题
教学目的要求能熟练使用“表格”、“文字”、“块”、“属性”命令绘制与填写装配图明细栏。
教学
重点
掌握“表格样式”、“绘制表格”、“修改表格”等命令的使用方法
教学难点“表格样式”、“绘制表格”、“修改表格”等命令的使用方法教案编写日期
年月日教学内容与教学过程提示与补充
一、组织课堂教学
二、复习回顾
三、新授内容
技能训练
与检测
1、练习题:绘制图示标题栏、明细栏,并填写文字。
要求:线型符合国标
2、检测题:画出图14-21所示标题栏、明细栏,并填写文字
小结:“表格样式”、“绘制表格”、“修改表格”等命令的使用方法。