NPI新产品导入控制操作规范
新产品导入量产作业流程(NPI)(完整资料).doc

精编文档,下载后可编辑
编号:JWD-ED-017 版次: A0
新产品导入量产作业流程(NPI)
责任 单位
研发
新产品试作 指令发出
流程图
页码:3 OF 4 日期:2015.8.6
使用记录
文件编号:JWD-ED-017
修订记录
修订内容摘要
修订
总
版次
申请人 审核人 批准人
页次
页数
2015.8.6 新制定
_ A0
6
李敏 余代春 王志高
精编文档,下载后可编辑
通知
签 试产
存档
试产检讨会决定 量产
可以 量产
汇总试产报告整 理后会签
试产
量产追踪
编号:JWD-ED-017 版次: A0 页码:4 OF 4 日期:2015.8.6
使用记录
试产会议记录
量产通知书 试产~量产报告书
量产后追踪报告
精编文档,下载后可编辑
核准: 编制日期
审核:
制定:
新产品导入量产作业流程(NPI)
对策分析与设计变更,提供样品及技术相关文件资料及零件采购资料。 2 、工程单位:
(1) 承接新产品技术,产品特性及生产作业性评估。 (2) 根据计划召集人排定工程试制时程表及召开工程试制检讨会,工程问题分析,对策导入。 (3) 制程安排,包括生产线的评估,绘制 SOP,QC 工程图之草拟。同时,还有负责治具的准备, 制程管制,机器设备架设,参数设定及问题分析等。 (4) 规划新产品之测试策略,测试设备,治具及软体。还有负责生产线测试设备的架设,提供测试 SOP,测试计划及测试产出分析。 3 、品保单位。 (1) 产品设计验证测试。 (2) 功能及可靠性确认。 (3) 负责再次确认可靠性测试和产品设计验证测试的结果是否符合工程规格及客户规格。 4、资材单位: (1) 外协委托加工及材料采购。 (2) 备料及试作投料。 5、 生产单位: (1) 协助新产品制作。 (2) 成品接受及制造技术接受。 6 、管理部文管中心: SOP/SIP 产品设计验证资料接收确认与管制。 三 、作业说明。 1、新产品导入生产决策。 当研发单位设计的产品经过试样后,任为新产品已经进入成熟阶段,可以生产了,但是针对产品的成 熟度还需要做设计验证是否可以进入正式量产,所以经过新产品说明会议之决定后,发出小批量试做指令,在 制造单位量产试做验证通过后正式小批量试产;同时把样品和相关资料提供给公司的相关部门。 2 、文件与资料确认和小批量安排。 (1) 工程单位收到研发转交样品及相关资料后,与小批量试产指令核对和查证无误后,转为专案处理。 (2) 用干特图排定小批量试产计划。同时知会给各个部门做相关同步准备工作。 (3) 工程单位填写小批量试产需求单给生管,由生管根据小批量试产计划下达工单指令。
车载新产品导入(NPI)控制程序

6.作业 内6.容1试:产 建议生
试产 建议生产
生产过程 EP PP
制作数量
备注
10台
由NPI制作完成
30-50台 由生产线协助完成
第2页 共6页
6.2生产 前6.准2.备1销: 售6.部3 根资 料6.准3.备1 : 研发部 并在试 6.3.2 产前召 试生产 产品BOM
按 照研发部
NPI试产控制程序
版本/页码
第1页 共6页
3.6 PMC 部(PMC)
PMC追 踪物料状 3.7 销售 部(BB)
组织合 同评审过
4.支持 性文件
4.1 产品 设计控制 4.2 文件 控制程序 4.3 生产 设备控制 4.4 测量 及监视设 4.5 生产 过程控制 4.6 来料 检验和试 4.7 过程 及最终检 4.8 质量 记录控制 4.9 采购 控制程序 5.10 生 产计划控 5.11 物 料控制程 5.12 合 同评审控
文件归档
设计开发更改
试产结束
重新试产
第6页 共6页
、 面板丝 6.3.3工 印图、 程部在
6.3.3.1 认准备. PE工程 ME制作 6.4 物 测试治 料准备: PMC根据
试 <<产发信料 6.5 产 单>>,货 品6.说5.明1 由研发 的资料
(开发文
6.5.2 殊要求. 资6.材5.部3 品6.质5.部4 I6E.介5.绍5 P6E.介5.绍6 M6E.介5.绍7 会6.议5.安8 将6.上6 述试 生6.产6.1 试生产 的准备 6.6.1.1 工作,包 按6.照6.作1.2 对6.特6.殊1.3 组织所
新产品导入(NPI)程序

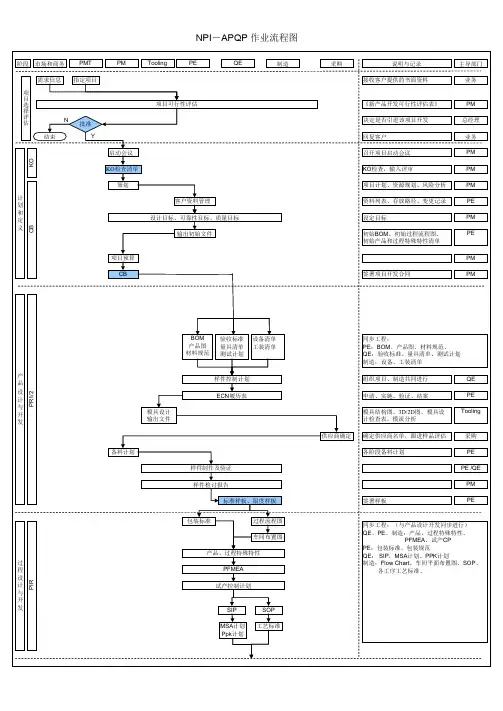
NPI-APQP作业流程图
NPI-APQP作业流程图(续)
【本文档内容可以自由复制内容或自由编辑修改内容期待你的好评和关注,我们将会做得更好】
ISO9001-2015新产品导入NPI控制程序

NPI新产品导入控制程序(ISO9001:2015)1.0 目的:规范产品NPI阶段的各项活动,指导我司能够按NPI要求开展工作,配合客户验证产品生产工艺可量产性,及我司的生产能力,保证产品量产稳定性。
2.0 适用范围:2.1 适用于自主开发及客户设计产品的打样产品;2.2 OEM模式产品打样。
2.3重大项目样品,在合同评审时在确定并在合同评审单上载明走正式流程的要求;其它的样品项目走简化流程。
3.0 定义:3.1 NPI: NPI是英文New Product Introduction的缩写,即“新产品导入”;是指把研发设计的产品通过首次生产制造出来的整个过程;3.2一级团队:由市场部副总或其指定人牵头,成立第一级项目管理团队,该团队由市场部副总或其指定人、二级团队总负责人工程部经理、跟单主管、业务代表、业务工程师组成,是项目的公司级决策机构,负责新产品的评估、成本的控制、与客户的沟通与反馈,是公司对外与客户对口的窗口;3.2二级团队:由工程部经理或其指定的项目工程师牵头,成立第二级项目团队,该团队由项目工程师、开发制做组长、开发工程组长(或工艺工程师)、QE、样品采购工程师、样品进度调度、系统文员组成;3.3样品:指第一次生产的小量产品;3.4 小批量试产:避免在后续量产时出现批量性问题,而做的一个小数量的产品生产,它介于样品生产后,批量生产前。
4.0 职责:4.1 市场部:接收客户订单,根据该订单状况是否走NPI流程,发行合同评审表,与工程部经理及NPI主管沟通确定交期,反馈给客户,最终与客户确定产品交期;4.2工程部:工艺资料的输出,相关问题点与客户的沟通,提交DFMA,解决生产发生的问题,制定试制产品生产进度;负责样品的质量、数量、交期;4.3品质部:指定专门QE负责产品生产过程中的质量控制,对要求做项目计划书的产品,负责制订质量控制计划;4.4PMC部:由样品采购工程师负责样品外购件的订购、外协件的外协进度控制,负责相应的成本控制;对该过程中发生的异常,负责及时通报工程部,市场部。
新产品导入量产作业流程(NPI)

页码:3 OF 4 日期:
使用记录
可靠性资料和相关设备清 单
试作计划 甘特图表
工程
品保 工程/ 生产
Y
试作计划安排
材料之采 购与准备
试作人力 准备
试作需求表
品保
设计验证资料和 相关设备准备
IQC 进料 检验
料检验记录表
材料入库
新产品制造指导 和技能培训
产品试作(磁芯穿 线~成品)
各制程试作记
测试报告
修编编容摘要
修编
编
版次
编次
编编
_
A0
6
申编人 编核人 批准人 李敏 余代春 王志高
新产品导入量产作业流程(NPI)
编号:JWD-ED-017 版次: A0 页码:2 OF 4
日期:
3 、小批量试产前准备工作。 (1) 工程单位根据样品先拿到设计验证报告,开始可靠性测试准备。 (2) 新产品所需治工具及设备的准备。 (3) SOP 制作和人员的培训。 (4) 测试制程规划和检验标准制定。 (5) 材料的规格确认及跟催与 BOM 资料的核对。 (6) 小批量试产之材料生产前必须经过 IQC 检验,并记入进料检验记录表。
(1) 承接新产品技术,产品特性及生产作业性评估。 (2) 根据计划召集人排定工程试制时程表及召开工程试制检讨会,工程问题分析,对策导入。 (3) 制程安排,包括生产线的评估,绘制 SOP,QC 工程图之草拟。同时,还有负责治具的准备,制 程管制,机器设备架设,参数设定及问题分析等。 (4) 规划新产品之测试策略,测试设备,治具及软体。还有负责生产线测试设备的架设,提供测试 SOP,测试计划及测试产出分析。 3 、品保单位。 (1) 产品设计验证测试。 (2) 功能及可靠性确认。 (3) 负责再次确认可靠性测试和产品设计验证测试的结果是否符合工程规格及客户规格。 4、资材单位: (1) 外协委托加工及材料采购。 (2) 备料及试作投料。 5、 生产单位: (1) 协助新产品制作。
新产品导入规范

新产品导入规范新产品导入规范一、目的确保新产品生产符合客户要求,并在新产品生产过程中发现和解决在批量生产中可能出现的问题,为批量生产顺利进行做准备。
二、适用范围公司所有新产品的试产(除笔记本产品)三、定义3.1 NPI:New Product Introduction(新产品导入)3.2新产品:它至少具有如下之一的特征:1、产品体系架构、应用模式有较大变化,为新概念产品或换代产品2、产品机构及外观变化较大3、其他较重要、投入资源多的产品4、客户要求以新品实施的产品3.3 新产品分类A类:新开发(方案.平台)或之前从未生产之产品B类:结构或电子方面有变更或重新设计更改之产品C类:验证物料及重新更换丝印、外观(或按键)之产品D类:结构或电子及包装方式无任何变动只更改软件之产品3.4 新品导入阶段:EVT:Engineer Verification Test,工程样品验证测试DVT:Design Verification Test,设计验证测试PVT:Process Verification Test,小批量过程验证测试四、职责4.1 项目PE:负责主导新产品在工厂端开始导入到新机种首次量产顺利结束的所有项目相关事项异常的处理、协调、进度掌控及试产总结报告的完成。
4.2 IQC:负责试产来料检验,保存好各种试产料件的样品,同时负责主导来料料件异常处理;并对试产过程中的来料异常在量产时重点监控。
4.3 试产小组:负责新品试产除SMT制程外的生产全过程,及时反馈试产状况和问题点,协助项目PE达成试产出货计划,主导试产工单的工单结案。
4.4 QE:负责新品试产过程中的品质管控,与客户确定产品品质标准并依据标准制作品质检验指导书,统计良率状况并主导解决试产过程中的来料异常。
跟进试产问题点的改善落实进度并裁决新产品能否允许进入下一阶段。
如是试产光电产品时还必须输出实验室的相关测试文件。
4.5 Purchase(采购):负责寻找新产品材料供应商,采购新产品材料并建立合作关系。
NPI导入作业流程规范
惠州智翔光电有限公司新产品导入作业流程规范编制部门:工程课编制:审核:会签部门:制造课、品质课、生产企划课、销售课会签:、、、批准:修订记录No 章节号修订摘要修订人修订日期1 5.2 删除原5.2.1项内容刘爱华2010.12.165.2.3.6 增加具体放量良率标准刘爱华2010.12.165.2.2.2 修改DRB阶段,相关流程内容刘爱华2010.12.164. 增加“4.权责”项内容刘爱华2010.12.161目的(Purpose)定义新产品导入工厂生产之作业流程规范2适用范围(Scope)适用于智翔光电所有新品的导入3名词定义(Definition)3.1 PM Product Manager3.2 PCC Project Control & Coordinator3.3 RD Research and Development3.4 OM Optical & Mechanical3.5 EE Electrical Engineer3.6 NPI New product Integration3.7 NPRB New product review board3.8 DRB Design review board3.9 DVT Design verification test3.10 MVT Manufacturing validation test3.11 BOM Bill of material3.12 PR Pilot Run3.13 QE Quality Engineer3.14 SQE Supplier Quality Engineer3.15 PPC Production planning & control4.权责生产计划课:整合各方面信息,制定新产品试产、放量生产计划日期。
根据新产品导入计划,开立试产工单。
工程课:NPI作为新产品导入工厂生产的总窗口和协调人。
NPI流程与作业细则
NPI流程与作业细则NPI(New Product Introduction)是指新产品导入流程,是一个企业针对新产品开发设计的全过程管理。
NPI的成功与否,关系着企业的竞争力和市场地位。
在NPI流程中,需要遵循一系列的作业细则,以确保新产品顺利地进入市场,并取得成功。
一、NPI流程1.项目定义阶段在项目定义阶段,需要明确产品的需求和目标,包括市场调研、竞争分析、技术需求等方面。
同时,确定项目的范围、时间和资源,制定项目计划和目标。
2.概念设计阶段在概念设计阶段,进行产品的概念设计和评审,确定产品的主要功能和特点,进行概念验证和技术可行性分析,从而确定产品的基本框架和设计方向。
3.详细设计阶段在详细设计阶段,对产品进行详细设计和工程评审,确定产品的具体规格和设计方案,包括工艺流程、材料选择、成本估算等,确保产品的可制造和可测试性。
4.设计验证阶段在设计验证阶段,进行产品的样品制造和验证,测试产品的性能和质量,进行产品的可靠性测试和认证,确保产品符合设计要求和规范。
5.试产阶段在试产阶段,进行产品的试制和量产,进行生产准备和工艺优化,解决生产中的问题和缺陷,确保产品的生产稳定和成本控制。
6.量产阶段在量产阶段,进行产品的批量生产和供应链管理,确保产品的质量和交付能力,进行市场推广和销售,实现产品的商业化和盈利。
7.后市场支持阶段在后市场支持阶段,进行产品的售后服务和维护,收集用户反馈和市场信息,进行产品的改进和升级,推出新版本和衍生产品,不断提升产品竞争力和市场份额。
二、NPI作业细则1.设立NPI团队在NPI流程中,需要设立专门的NPI团队,包括项目经理、设计工程师、生产工程师、质量工程师、销售人员等,各职能部门协作,共同推动项目的进展和成功。
2.制定项目计划在项目定义阶段,需要制定详细的项目计划和进度表,包括阶段目标、里程碑节点、资源需求、风险评估等,对项目进行全面管理和控制。
3.风险评估和管理4.进行设计评审在产品设计阶段,需要进行设计评审和技术评估,对产品的设计方案和可行性进行审查,发现和解决设计问题和风险,确保产品的质量和可靠性。
NPI新品导入流程
广泛应用于制造业、电子产品、医疗器械、化工等领域,尤其适用于需要快速迭代和优化产品性能的行业。
与其他流程的关系
与研发流程的关系
NPI新品导入流程是研发流程的延 续,将研发阶段的设计成果转化 为实际生产能力。
与生产流程的关系
NPI新品导入流程是生产流程的前 置环节,确保新产品在进入量产 阶段前的稳定性和可靠性。
品质保证
制定品质标准
根据市场需求和公司要求,制定新产品的品质标准和 质量要求。
品质检验
对新产品的各个阶段进行品质检验,确保产品符合标 准。
品质改进
根据品质检验结果,持续改进产品品质,提高客户满 意度。
04 NPI新品导入流程优化建 议
提升项目管理效率
制定详细的项目计划
在项目开始阶段,制定详细的项目计划,明确项目目标、任务分 工、时间节点和预期成果。
建立项目管理团队
组建专业的项目管理团队,明确团队成员的职责和角色,确保项目 管理的专业性和高效性。
实施项目管理软件
利用项目管理软件进行项目进度、资源、风险等方面的管理,提高 项目管理效率。
加强跨部门沟通与协作
建立跨部门沟通机制
01
建立定期的跨部门沟通会议和信息共享平台,促进各部门之间
的信息交流和协作。
03 NPI新品导入流程关键要 素
项目管理
01
02
03
制定项目计划
明确项目目标、任务分解、 时间节点和责任人,确保 项目按计划进行。
监控项目进度
定期检查项目进度,及时 调整计划,确保项目按时 完成。
风险管理
识别项目中的潜在风险, 制定应对措施,降低风险 对项目的影响。
跨部门协作
建立协作机制
新产品导入控制程序NPI
设计存在的问题及时指出并要求产品中心改善;
4。6.5 试产过程中,负责对执锡、装配段的不良品进行初步分析确认,将工艺不良坏机给到
生产线确认后,直接处理掉;
4.6。6 接到研发部的通知后,立即安排人员对试产过程中的不良品参与分析处理,并对结果进行核实;
4。5。14 接PE部《试产总结记录报告》,如果试产失败,需重新试产,如果试产合格,进入量产阶段.
4。6 制程品质部:
4.6.1 IE部制做好测试治具后,TE工程师进行确认工作,确保试产过程中测试治具正常使用;
4。6.2 参加新产品试产前准备会议;与相关部门对研发部提供的新产品老化方案进行评审。
4.6.3 试产准备会议后,制作试产半成品、成品检验标准;
4。7。7 参加新产品试产前准备会议,并对相关准备工作进行核实;与相关部门对研发部提供的新产品老化方案进行评审。
4.7.8 在试产准备会议后及时提供《FMEA报告》,供IE制作SOP及流程时参考;
4.7.9 在试制试产前提供《生产流程图》、《试制试产注意事项》供IE培训以及制作SOP参考;
4.7。10 根据试制试产时间,申请制作相关的夹治具(测试治具、加工治具等),填写《治具制作/维修申请单》,及时通知IE部制作;
2.0范围:
**电子股份有限公司所有新产品的导入均适用。
3。0定义:
3。1新产品:指采用新技术原理、新设计构思研制、生产的全新产品,或在结构、材质、工艺、
包装等某一方面比原有产品有明显改进,从而显著提高了产品性能或扩大了使用功能的产品。
3.2研发部:包括研发一部、研发二部、研发三部
3.3生产部:包括生产一部、生产二部
- 1、下载文档前请自行甄别文档内容的完整性,平台不提供额外的编辑、内容补充、找答案等附加服务。
- 2、"仅部分预览"的文档,不可在线预览部分如存在完整性等问题,可反馈申请退款(可完整预览的文档不适用该条件!)。
- 3、如文档侵犯您的权益,请联系客服反馈,我们会尽快为您处理(人工客服工作时间:9:00-18:30)。
精心整理
NPI 新产品导入控制流程
1目的
1.1建立NPI 新产品在设计阶段至量产阶段,试产过程的标准流程。
1.2明确新产品导入过程中,各单位的工作职责。
1.3确保产品在量产过程顺畅,品质得到保证。
2范围
2.12.2
2.3NPI 行2.42.4.12.4.2行。
NPI 新产品导入3权责
3.1(产品中心)PM
3.1.1负责提供需要试产产品的样机和整套的开发文件。
3.1.2负责主导试产阶段前所有工作,及试产工作交接。
3.2(文控中心)DCC
负责开发文件的发放,登记,回收和管制工作,保证文件的准确性和有效性。
3.3(工程)ENG
3.3.1负责可制造性评估,工艺文件制作,确认生产layout,确定试产方案。
3.3.2主导PFMEA制定,及改善跟进。
3.3.3负责测试治具制作,生产设备调试。
3.3.4
3.3.5
3.4
3.4.1
3.4.2
3.4.3
1.1.1
3.5
1.1.2
3.4.4
3.6(采购)PURCHASE
及时采购试产所需要的材料及物品。
3.7(计划)PMC
订单下发,追踪料况,收料,备料,发料,并排定试产上线时间和出货时间。
3.8NPI
主导试产阶段。
4相关文件
4.1试产评审流程
4.2产品设计控制程序5定义
5.1NPI:新产品导入(NewProductIntroduce)。
5.2试产:为批量验证产品的相关性能,并为生产积累经验技术的验证性、尝试性生产。
5.3PV
5.4MP6
6.1
单位)
常规
定型
认证
6.2试产通知:产品中心根据新产品开发进度,安排新产品的试产任务并下发《试产通知单》。
6.3资料准备:
开发初始BoM、产品说明书、产品规格书、GERBER文件、原理图、产品爆炸图、LABLE图纸、结构2D/3D图纸、产品测试规格、包装方案、
软件及其评审记录、EMI抗干扰报告、PFMEA、中试测试报告、样品分配表等相关资料。
6.4物料准备:PMC根据试产信息的要求及时安排试产所需物料的采购,并且按照试产的需求备料,仓库和生产依据PMC套料单落实试产物料的发放和领用。
6.5试产前准备:
6.5.4
IQC
6.5.5
6.5.6
6.5.7试产中所有涉及财务问题都需有NPI和产品中心审核。
6.6试产点检会:
根据《试产点检表》,点检所有试产准备工作,确认具体试产时间。
6.7试生产:
6.7.3IPQC负责试产中质量信息记录及提报所有问题点,试产过程应确实按照相关工程资料要求执行,并且将试产过程的相关质量信息进行记录。
试产的过程必须做好相应的质量记录,质量记录包括:《巡检记录表》、《QC 检验报表》、《首件检验报告》
6.7.4品管部组织对试产过程进行质量控制,其中包括IPQC进行首件检查、过程巡检、和出货检验;负责对质量控制过程的质量信息进行记录,质量记录包括:《外观检验报告》、《QA出货检验报告》。
6.7.6QE工程师对试产中出现的品质异常状况进行及时追踪,并对对策的
6.1.1
6.8
7。