省级安全文化建设示范企业评价标准
安全文化建设示范企业评价标准(范文模版)

安全文化建设示范企业评价标准(范文模版)第一篇:安全文化建设示范企业评价标准(范文模版)附件1:安全文化建设示范企业评价标准(试行)—1——2——3—说明:1、《评价标准》共设9个一级评定指标,50个二级评定指标,另加4个奖励项,满分为300分(不包括奖励项得分)。
2、每个二级指标的评定分数为0-6分: 6分:该指标完成出色;5分:该指标已完成落实并符合要求,实施情况好; 4分:该指标已完成落实并符合要求,实施情况较好;3分:该指标已经完成落实并符合要求,但实施效果一般;2分:该指标已经完成落实,但存在一定缺陷;1分:该指标已经部分完成落实;0分:该指标完成属空白或存在严重缺陷。
3、对安全文化建设示范企业的考核,按下列标准执行:(1)未到达基本条件要求的单位,不能参加“安全文化建设示范企业”考评。
(2)获得6分的二级指标个数少于16个(约占总指标数的30%),低于2分的指标个数超过10个(约占总指标数的15%),则取消申报。
—4—第二篇:安全文化建设示范企业评价标准安全文化建设示范企业评价标准(试行)说明:1、《评价标准》共设9个一级评定指标,50个二级评定指标,另加4个奖励项,满分为300分(不包括奖励项得分)。
2、每个二级指标的评定分数为0—6分:6分:该指标完成出色;5分:该指标已完成落实并符合要求,实施情况好;4分:该指标已完成落实并符合要求,实施情况较好;3分:该指标已经完成落实并符合要求,但实施效果一般;2分:该指标已经完成落实,但存在一定缺陷;1分:该指标已经部分完成落实;0分:该指标完成属空白或存在严重缺陷。
3、对安全文化建设示范企业的考核,按下列标准执行:(1)未到达基本条件要求的单位,不能参加“安全文化建设示范企业”考评。
(2)获得6分的二级指标个数少于16个(约占总指标数的30%),低于2分的指标个数超过10个(约占总指标数的15%),则取消申报。
(3)在50个二级评定指标中,出现1个0分指标,则取消申报。
安全文化建设示范企业评价标准

有传播的报纸、杂志每50人不少于1份。
7、建立内外部安全信息沟通机制,落实责任和责任人,共享安全信息,促进安全生产。
8、每年有不少于2篇在省(含)以上新闻媒体刊登的安全生产方面的创新、成果、经验或教训等文章。
安全文化建设示范企业评价标准
(试行)
序号
一级指标
二级指标
评价
备注
基本条件
1、企业在申报安全文化标准建设试点单位前,连续3年没有发生死亡和一次3人(含)以上重伤生产安全责任事故。
2、企业近2年未受到省级安全监管监察机构的行政处罚。
基本条件不需打分
1
安全承诺
1、企业安全理念内容完整、明确,安全目标清晰,切合企业实际。
建设,评价,企业,文化
2、定期召开企业级安全工作会议,发表安全信息声明,接受职工代表大会监督并做到安全承诺广而告之。
3、各级领导和员工建立健全安全责任,明确并建立完备的汇报制度,各级管理人员每季度按有关制度自查1次。
4、领导层、管理层、车间、班组和岗位逐级签订安全承诺责任书。
2
安全制度
1、企业建立完善的安全生产管理制度,生产行为符合安全、卫生、技术标准和安全操作规程。
6、建立完善的职业健康保障机制。
3
安全环境
1、生产环境、作业岗位应符合国家规定的职业安全健康标准。
2、危险源、点和作业现场等部分设置符合国家和作业标准的安全标识和安全操作规程等。
3、车间墙壁、上班通道、班组活动场所等设置和谐醒目的安全警示、温情提示等宣传用品。
4、充分利用内部广播、电视、报刊、网络等传播手段,每天播放法律法规、安全常识、事故警示、榜样事迹、实践经验等内容。
安全文化建设示范企业评价标准

附件1:
安全文化建设示范企业评价标准
说明:
一、《评价标准》共设9个一级评定指标,50个二级评定指标,另加4个奖励项,满分为300分(不包括奖励项得分)。
二、每个二级指标的评定分数为0—6分:
6分:该指标完成出色;
5分:该指标已完成落实并符合要求,实施情况好;
4分:该指标已完成落实并符合要求,实施情况较好;
3分:该指标已经完成落实并符合要求,但实施效果一般;
2分:该指标已经完成落实,但存在一定缺陷;
1分:该指标已经部分完成落实;
0分:该指标完成属空白或存在严重缺陷。
三、对安全文化建设示范企业的考核,按下列标准执行:
1.未到达基本条件要求的单位,不能参加“安全文化建设示范企业”考评。
2.获得6分的二级指标个数少于16个(约占总指标数的30%),低于2分的指标个数超过10个(约占总指标数的15%),则取消申报。
3.在50个二级评定指标中,出现1个0分指标,则取消申报。
4.按得分的多少排序,遴选名列前茅的企业,向国家安全监管总局推荐申报“全国安全文化建设示范企业”,或授予“安徽省安全文化建设示范企业”。
附件2:
安全文化建设示范企业
申请表
申请单位:
申请日期:年月日
国家安全生产监督管理总局制。
安全文化建设示范企业评价标准

附件1:
安全文化建设示范企业评价标准
说明:
一、《评价标准》共设9个一级评定指标,50个二级评定指标,另加4个奖励项,满分为300分(不包括奖励项得分)。
二、每个二级指标的评定分数为0—6分:
6分:该指标完成出色;
5分:该指标已完成落实并符合要求,实施情况好;
4分:该指标已完成落实并符合要求,实施情况较好;
3分:该指标已经完成落实并符合要求,但实施效果一般;
2分:该指标已经完成落实,但存在一定缺陷;
1分:该指标已经部分完成落实;
0分:该指标完成属空白或存在严重缺陷。
三、对安全文化建设示范企业的考核,按下列标准执行:
1.未到达基本条件要求的单位,不能参加“安全文化建设示范企业”考评。
2.获得6分的二级指标个数少于16个(约占总指标数的30%),低于2分的指标个数超过10个(约占总指标数的15%),则取消申报。
3.在50个二级评定指标中,出现1个0分指标,则取消申报。
4.按得分的多少排序,遴选名列前茅的企业,向国家安全监管总局推荐申报“全国安全文化建设示范企业”,或授予“安徽省安全文化建设示范企业”。
附件2:
安全文化建设示范企业
申请表
申请单位:
申请日期:年月日
国家安全生产监督管理总局制。
安全文化示范企业创建评价标准参考指标

6.4安全文化产业化
将安全文化建设成果(技术、产品或服务)进行产业化,促进国家文化产业和安全产业发展。
37Leabharlann 评估与持续改进(10分)7.1安全文化建设工作评估
每年组织一次对安全文化建设工作的绩效评估,形成评估报告。针对存在的不足,制定改进计划,落实改进措施。
4
7.2文化交流与互鉴
经常组织安全文化建设经验交流活动,对内与党建等工作有机结合、相互促进,对外加强企业间的学习交流、取长补短。
1
5.6团队安全行为习惯
促进员工之间、部门之间、员工与领导之间形成互学、互检、互助、互保等安全管理机制,形成自觉的团队安全行为习惯。
1
5.7安全素养与应急能力
从业人员熟悉安全生产相关法律、法规和制度,熟练掌握岗位操作规程、应急处置和自救互救等知识技能。
1
从业人员能够识别岗位作业风险、排查岗位安全隐患、采取有效防范措施,并自觉佩戴和正确使用劳动保护用品。
1
在车间墙壁、上班通道、班组活动场所等醒目位置设置安全应急警示标识、指示牌、温情提示、应急疏散路径示意图等。在地质灾害和交通、溺水事故隐患点设置警示标识。
1
制作应急避难场所分布图(表),在应急避难场所设置显著标志,基本设施齐全。
1
4.5安全分区与定置
对人员禁止进入、审批进入和允许进入区域进行识别并按红、黄、绿色进行着色分区。
2
全体员工围绕安全理念公开作出安全承诺,安全承诺格式规范,内容全面、具体,承诺人签字。
2
2.3安全理念传播与植入
采用各种宣传教育手段传播、固化、植入安全理念,全体员工经常参与安全理念的学习与培训活动。
2
全体员工对本企业的核心安全理念具有较高的知晓率和认可度,安全意识明显提升。
安全文化建设示范企业评价标准(试行).doc

附件1:安全文化建设示范企业评价标准(试行)说明:1、《评价标准》共设9个一级评定指标,50个二级评定指标,另加4个奖励项,满分为300分(不包括奖励项得分)。
2、每个二级指标的评定分数为0-6分:6分:该指标完成出色;5分:该指标已完成落实并符合要求,实施情况好;4分:该指标已完成落实并符合要求,实施情况较好;3分:该指标已经完成落实并符合要求,但实施效果一般;2分:该指标已经完成落实,但存在一定缺陷;1分:该指标已经部分完成落实;0分:该指标完成属空白或存在严重缺陷。
3、对安全文化建设示范企业的考核,按下列标准执行:(1)未到达基本条件要求的单位,不能参加“安全文化建设示范企业”考评。
(2)获得6分的二级指标个数少于16个(约占总指标数的30%),低于2分的指标个数超过10个(约占总指标数的15%),则取消申报。
(3)在50个二级评定指标中,出现1个0分指标,则取消申报。
(4)按得分的多少排序,名列前茅的确定为示范企业。
附件2:安全文化建设示范企业申请表情感语录1.爱情合适就好,不要委屈将就,只要随意,彼此之间不要太大压力2.时间会把最正确的人带到你身边,在此之前,你要做的,是好好的照顾自己3.女人的眼泪是最无用的液体,但你让女人流泪说明你很无用4.总有一天,你会遇上那个人,陪你看日出,直到你的人生落幕5.最美的感动是我以为人去楼空的时候你依然在6.我莫名其妙的地笑了,原来只因为想到了你7.会离开的都是废品,能抢走的都是垃圾8.其实你不知道,如果可以,我愿意把整颗心都刻满你的名字9.女人谁不愿意青春永驻,但我愿意用来换一个疼我的你10.我们和好吧,我想和你拌嘴吵架,想闹小脾气,想为了你哭鼻子,我想你了11.如此情深,却难以启齿。
其实你若真爱一个人,内心酸涩,反而会说不出话来12.生命中有一些人与我们擦肩了,却来不及遇见;遇见了,却来不及相识;相识了,却来不及熟悉,却还要是再见13.对自己好点,因为一辈子不长;对身边的人好点,因为下辈子不一定能遇见14.世上总有一颗心在期待、呼唤着另一颗心15.离开之后,我想你不要忘记一件事:不要忘记想念我。
安全文化建设示范企业评价标准
安全文化建设示范企业评价标准安全文化建设是企业发展的关键因素之一,对于保障员工生命安全、促进生产运营稳定具有极其重要的意义。
因此,评价企业的安全文化建设水平及其成效就显得尤为关键。
本文将基于市场实践和相关研究,探讨安全文化建设示范企业的评价标准。
一、领导层的重视和承诺安全文化的建设必须由企业的最高层面予以关注和重视。
示范企业应设立专门的安全管理部门,并指派专人负责安全培训、事故预防等工作,以确保企业落实安全文化建设的各项措施。
二、明确的安全责任制度示范企业应建立并持续完善安全责任制度,明确责任主体、责任范围和责任要求。
领导层应树立全员安全意识,将安全作为企业发展的核心价值观,确保每位员工都明确其在安全工作中的责任和义务。
三、员工参与和培训示范企业应建立健全员工安全参与机制,鼓励员工参与安全管理和问题识别、纠正。
同时,企业应定期开展安全教育培训,提高员工的安全防范和应急处理能力。
四、安全风险管理体系示范企业应建立完善的安全风险管理体系,包括风险评估、风险控制和事故应急预案等。
通过科学合理的风险管理措施,保障员工的人身安全和企业的正常运营。
五、先进的安全设备和技术示范企业应关注并使用先进的安全设备和技术,提高安全防护能力。
同时,要加强对安全设备的维护和检修,确保设备的正常使用和可靠性。
六、持续改进和监督示范企业应建立健全的安全管理评估体系,定期对安全文化建设进行评估和检查。
评估结果将作为企业安全文化建设的重要依据,并根据评估结果制定持续改进措施,确保企业安全文化建设的可持续性。
七、事故处理和经验总结示范企业应建立完善的事故处理机制,并对事故进行及时全面的调查和分析,总结经验教训并及时进行相关改进。
通过事故处理和经验总结,不断提升企业的安全防范水平和应急处理能力。
八、外部沟通和合作示范企业应积极参与行业内外的安全交流和合作,关注行业安全动态和最新技术,借鉴其他企业的安全管理经验,不断提升自身的安全文化建设水平。
安全文化建设示范企业评价标准试行.doc
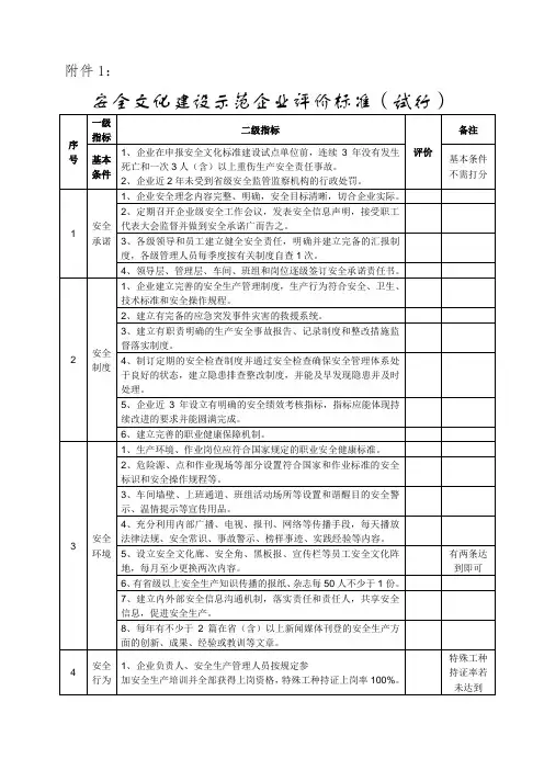
附件1:安全文化建设示范企业评价标准(试行)序号一级指标二级指标评价备注基本条件1、企业在申报安全文化标准建设试点单位前,连续3年没有发生死亡和一次3人(含)以上重伤生产安全责任事故。
2、企业近2年未受到省级安全监管监察机构的行政处罚。
基本条件不需打分1 安全承诺1、企业安全理念内容完整、明确,安全目标清晰,切合企业实际。
2、定期召开企业级安全工作会议,发表安全信息声明,接受职工代表大会监督并做到安全承诺广而告之。
3、各级领导和员工建立健全安全责任,明确并建立完备的汇报制度,各级管理人员每季度按有关制度自查1次。
4、领导层、管理层、车间、班组和岗位逐级签订安全承诺责任书。
2 安全制度1、企业建立完善的安全生产管理制度,生产行为符合安全、卫生、技术标准和安全操作规程。
2、建立有完备的应急突发事件灾害的救援系统。
3、建立有职责明确的生产安全事故报告、记录制度和整改措施监督落实制度。
4、制订定期的安全检查制度并通过安全检查确保安全管理体系处于良好的状态,建立隐患排查整改制度,并能及早发现隐患并及时处理。
5、企业近3年设立有明确的安全绩效考核指标,指标应能体现持续改进的要求并能圆满完成。
6、建立完善的职业健康保障机制。
3 安全环境1、生产环境、作业岗位应符合国家规定的职业安全健康标准。
2、危险源、点和作业现场等部分设置符合国家和作业标准的安全标识和安全操作规程等。
3、车间墙壁、上班通道、班组活动场所等设置和谐醒目的安全警示、温情提示等宣传用品。
4、充分利用内部广播、电视、报刊、网络等传播手段,每天播放法律法规、安全常识、事故警示、榜样事迹、实践经验等内容。
5、设立安全文化廊、安全角、黑板报、宣传栏等员工安全文化阵地,每月至少更换两次内容。
有两条达到即可6、有省级以上安全生产知识传播的报纸、杂志每50人不少于1份。
7、建立内外部安全信息沟通机制,落实责任和责任人,共享安全信息,促进安全生产。
8、每年有不少于2篇在省(含)以上新闻媒体刊登的安全生产方面的创新、成果、经验或教训等文章。
安全文化建设示范企业评价标准试行.doc
附件1:安全文化建设示范企业评价标准(试行)序号一级指标二级指标评价备注基本条件1、企业在申报安全文化标准建设试点单位前,连续3年没有发生死亡和一次3人(含)以上重伤生产安全责任事故。
2、企业近2年未受到省级安全监管监察机构的行政处罚。
基本条件不需打分1 安全承诺1、企业安全理念内容完整、明确,安全目标清晰,切合企业实际。
2、定期召开企业级安全工作会议,发表安全信息声明,接受职工代表大会监督并做到安全承诺广而告之。
3、各级领导和员工建立健全安全责任,明确并建立完备的汇报制度,各级管理人员每季度按有关制度自查1次。
4、领导层、管理层、车间、班组和岗位逐级签订安全承诺责任书。
2 安全制度1、企业建立完善的安全生产管理制度,生产行为符合安全、卫生、技术标准和安全操作规程。
2、建立有完备的应急突发事件灾害的救援系统。
3、建立有职责明确的生产安全事故报告、记录制度和整改措施监督落实制度。
4、制订定期的安全检查制度并通过安全检查确保安全管理体系处于良好的状态,建立隐患排查整改制度,并能及早发现隐患并及时处理。
5、企业近3年设立有明确的安全绩效考核指标,指标应能体现持续改进的要求并能圆满完成。
6、建立完善的职业健康保障机制。
3 安全环境1、生产环境、作业岗位应符合国家规定的职业安全健康标准。
2、危险源、点和作业现场等部分设置符合国家和作业标准的安全标识和安全操作规程等。
3、车间墙壁、上班通道、班组活动场所等设置和谐醒目的安全警示、温情提示等宣传用品。
4、充分利用内部广播、电视、报刊、网络等传播手段,每天播放法律法规、安全常识、事故警示、榜样事迹、实践经验等内容。
5、设立安全文化廊、安全角、黑板报、宣传栏等员工安全文化阵地,每月至少更换两次内容。
有两条达到即可6、有省级以上安全生产知识传播的报纸、杂志每50人不少于1份。
7、建立内外部安全信息沟通机制,落实责任和责任人,共享安全信息,促进安全生产。
8、每年有不少于2篇在省(含)以上新闻媒体刊登的安全生产方面的创新、成果、经验或教训等文章。
安全文化建设示范企业评价标准试行.doc
附件1:安全文化建设示范企业评价标准(试行)序号一级指标二级指标评价备注基本条件1、企业在申报安全文化标准建设试点单位前,连续3年没有发生死亡和一次3人(含)以上重伤生产安全责任事故。
2、企业近2年未受到省级安全监管监察机构的行政处罚。
基本条件不需打分1 安全承诺1、企业安全理念内容完整、明确,安全目标清晰,切合企业实际。
2、定期召开企业级安全工作会议,发表安全信息声明,接受职工代表大会监督并做到安全承诺广而告之。
3、各级领导和员工建立健全安全责任,明确并建立完备的汇报制度,各级管理人员每季度按有关制度自查1次。
4、领导层、管理层、车间、班组和岗位逐级签订安全承诺责任书。
2 安全制度1、企业建立完善的安全生产管理制度,生产行为符合安全、卫生、技术标准和安全操作规程。
2、建立有完备的应急突发事件灾害的救援系统。
3、建立有职责明确的生产安全事故报告、记录制度和整改措施监督落实制度。
4、制订定期的安全检查制度并通过安全检查确保安全管理体系处于良好的状态,建立隐患排查整改制度,并能及早发现隐患并及时处理。
5、企业近3年设立有明确的安全绩效考核指标,指标应能体现持续改进的要求并能圆满完成。
6、建立完善的职业健康保障机制。
3 安全环境1、生产环境、作业岗位应符合国家规定的职业安全健康标准。
2、危险源、点和作业现场等部分设置符合国家和作业标准的安全标识和安全操作规程等。
3、车间墙壁、上班通道、班组活动场所等设置和谐醒目的安全警示、温情提示等宣传用品。
4、充分利用内部广播、电视、报刊、网络等传播手段,每天播放法律法规、安全常识、事故警示、榜样事迹、实践经验等内容。
5、设立安全文化廊、安全角、黑板报、宣传栏等员工安全文化阵地,每月至少更换两次内容。
有两条达到即可6、有省级以上安全生产知识传播的报纸、杂志每50人不少于1份。
7、建立内外部安全信息沟通机制,落实责任和责任人,共享安全信息,促进安全生产。
8、每年有不少于2篇在省(含)以上新闻媒体刊登的安全生产方面的创新、成果、经验或教训等文章。
- 1、下载文档前请自行甄别文档内容的完整性,平台不提供额外的编辑、内容补充、找答案等附加服务。
- 2、"仅部分预览"的文档,不可在线预览部分如存在完整性等问题,可反馈申请退款(可完整预览的文档不适用该条件!)。
- 3、如文档侵犯您的权益,请联系客服反馈,我们会尽快为您处理(人工客服工作时间:9:00-18:30)。
31.从业人员有安全文化手册或岗位安全常识手册,并理解掌握其中内容。
32.每年举办一次全员应急演练活动和风险(隐患或危险源)辨识活动。
33.积极组织开展安全生产月各项活动,有方案、有总结。
8
Ⅱ类
安全诚信
34.健全完善安全生产诚信机制,建立安全生产失信惩戒制度。
35.企业主要负责人及各岗位人员都公开作出安全承诺,签订《安全生产承诺书》;《安全生产承诺书》格式规范,内容全面、具体,承诺人签字。
36.企业积极履行社会责任,具有良好的社会形象。
9
Ⅱ类
激励制度
37.制定安全绩效考核制度,设置明确的安全绩效考核指标,并把安全绩效考核纳入企业的收入分配制度。
10.制定安全检查制度和隐患排查整治理及效果评估制度。
11.建立生产安全事故报告、记录制度和整改措施监督落实制度。
12.建立应急救援及处置程序。
序号
指标类别
一级指标
二级指标
评价
备注
5
Ⅱ类
安全环境
13.生产环境、作业岗位符合国家、行业的安全技术标准,生产装备运行可靠,在同行业内具有领先地位。
14.危险源(点)和作业现场等场所设置符合国家、行业标准的安全标识和安全操作规程等。
23.为从业人员配备与作业环境和作业风险相匹配的劳动防护用品,从业人员能按国家标准或行业标准要求正确佩戴劳动防护用品。
24.从业人员具有自觉安全态度,具有强烈的自我约束力,能够做到不伤害自己、不伤害他人、不被别人伤害、不使他人受到伤害。
25.主动关心团队安全绩效,对不安全问题保持警觉并主动报告。
7
Ⅱ类
安全教育
26.制定安全生产教育培训计划,建立培训考核机制。
27.定期培训,保证从业人员具有适应岗位要求的安全知识、安全职责和安全技能。
28.从业人员100%依法培训并取得上岗资格,特种作业人员持证上岗率100%,特殊岗位考核选拔上岗。
29.每季度不少于1次全员安全生产教育培训或群众性安全活动,每年不少于1次企业全员安全文化专题培训,有影响,有成效,有记录。
2.按规定提取、使用安全生产费用,把安全生产宣传教育经费纳入年度费用计划,保证安全文化建设的投入。
3.制定安全文化建设的实施方案、规划目标、方法措施等。
4.定期公开发布企业安全诚信报告,接受工会组织、群众的监督。
3
Ⅱ类
安全理念
5.安全理念体系完整,安全理念、安全愿景、安全使命、安全目标等内容通俗易懂,切合企业实际,具有感召力。
6.体现“以人为本”、“安全发展”、“风险预控”等积极向上的安全价值观和先进理念。
7.广泛传播安全理念,所有从业人员参与安全理念的学习与宣贯,并能够理解、认同。
4
Ⅱ类
安全制度
8.建立健全科学完善的安全生产各项规章制度、规程、标准。
9.建立健全安全生产责任制度,领导层、管理层、车间、班组和岗位安全生产责任明确,逐级签订《安全生产责任书》。
13
Ⅲ类
加分项
1.近3年内获得省(部)级及以上安全生产方面的表彰奖励。
2.通过职业安全卫生管理体系认证。
3.实行安全生产责任保险。
4.安全文化体系具有鲜明的特色和行业特点,形成品牌,开展群众性的创新活动。
说明:
1.《评价标准》中评价指标分为3类指标,其中Ⅰ类一级指标1个(二级指标3个);Ⅱ类一级指标11个(二级指标50个),满分300分;Ⅲ类一级指标1个(二级指标4个),满分24分。
38.对违章行为、无伤害和轻微伤害事故,采取以改进缺陷、吸取经验、教育为主的处理方法。
39.对安全生产工作方面有突出表现的人员给予表彰奖励,树立榜样典型。
10
Ⅱ类
全员参与
40.从业人员对企业落实安全生产法律法规以及安全承诺、安全规划、安全目标、安全投入等进行监督。
41.从业人员参与安全文化建设。
42.建立安全信息沟通机制,确保各级主管和安全管理部门保持良好的沟通协作,鼓励员工参与安全事务,采纳员工的合理化建议。
15.车间墙壁、上班通道、班组活动场所等设置安全警示、温情提示等宣传用品。设立安全文化廊、安全角、黑板报、宣传栏等安全文化阵地,每月至少更换一次内容。
16.充分利用传统媒体与新兴媒体等媒介手段,采用演讲、展览、征文、书画、文艺汇演等形式,创新方式方法,加强安全理念和知识技能的宣传。
17.有足用的安全生产书籍、音像资料和省级以上安全生产知识传播的报纸、杂志,每年有不少于2篇在省(含)以上新闻媒体刊登的安全生产方面的创新成果、经验做法和理论研究方面的文章。
省级安全文化建设示范企业评价标准
序号
指标类别
一级指标
二级指标
评价
备注
1
Ⅰ类
基本条件
1.企业在申报前3年内未发生死亡或一次3人(含)以上重伤生产安全责任事故。
基本条件
不打分
2.安全生产标准化二级以上企业。
3.市级安全文化建设示范企业。
2
Ⅱ类组织Biblioteka 障1.设置安全文化建设的组织管理机构和人员,并制定工作制度(办法)。
43.建立安全观察和安全报告制度,对员工识别的安全隐患,给予及时处理和反馈。
11
Ⅱ类
职业健康
44.建立完善的职业健康保障机制,建立职业病防治责任制。
45.按规定申报职业病危害项目,为从业人员创造符合国家职业卫生标准和要求的工作环境和条件,并采取措施保障从业人员的职业安全健康。
46.工会组织依法对职业健康工作进行监督,维护从业人员的合法权益。
2.评分办法
(1)Ⅰ类二级指标是否决项,不参与评分。
(2)每个Ⅱ类二级指标评定分数为0-6分:
6
Ⅱ类
安全行为
18.从业人员严格执行安全生产法律法规和规章制度。
19.从业人员熟知、理解企业的安全规章制度和岗位安全操作规程等,并严格正确执行。
20.各岗位人员熟练掌握岗位安全技能,能够正确识别处理安全隐患和异常。
21.从业人员知晓由于不安全行为所引发的危害与后果,形成良好的行为规范。
22.建立考核从业人员行为的制度,实施有效监控和纠正的方法。
47.企业定期对从业人员进行健康检查并达到标准要求,维护从业人员身心健康。
12
Ⅱ类
持续改进
48.建立信息收集和反馈机制,从与安全相关的事件中吸取教训,改进安全工作。
49.建立安全文化建设考核机制,企业每年组织开展安全文化建设绩效评估,促进安全文化建设水平的提高。
50.加强交流合作,吸收借鉴安全文化建设的先进经验和成果。