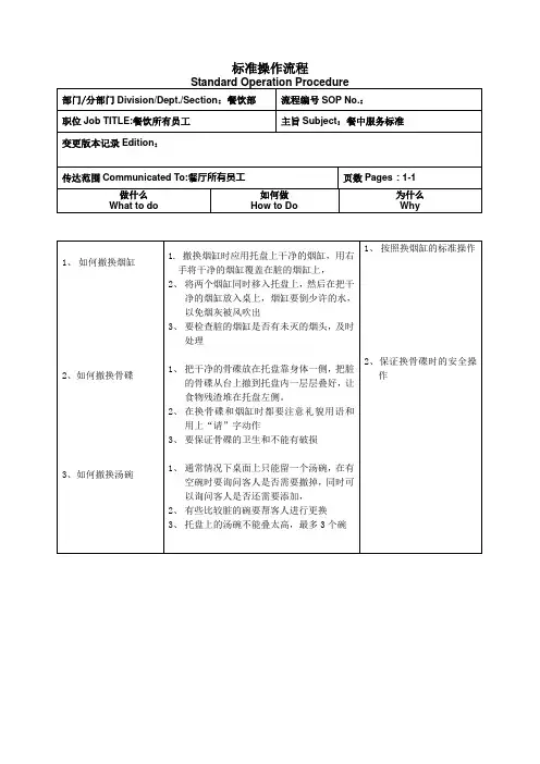
餐饮服务技能-如何更换烟灰缸
撤换餐具的操作标准

2、如何撤换骨碟
3、如何撤换汤碗
1.撤换烟缸时应用托盘上干净的烟缸,用右手将干净的烟缸覆盖在脏的烟缸上,
2、将两个烟缸同时移入托盘上,然后在把干净的烟缸放入桌上,烟缸要倒少许的水,以免烟灰被风吹出
3、要检查脏的烟缸是否有未灭的烟头,及时处理
1、把干净的骨碟放在托盘靠身体一侧,把脏的骨碟从台上撤到托盘内一层层叠好,让食物残渣堆在托盘左侧。
2、在换骨碟和烟缸时都要注意礼貌用语和用上“请”字动作
3、要保证骨碟的卫生和不能有破损
1、通常情况下桌面上只能留一个汤碗,在有空碗时要询问客人是否需要撤掉,同时可以询问客人是否还需要添加,
2、有些比较脏的碗要帮客人进行更换
3、托盘上的汤碗不能叠太高,最多3个碗
1、按照换烟缸的标准操作
2、保证换骨碟时ห้องสมุดไป่ตู้安全操作
席间服务斟倒酒水,换烟缸操作标准

席间服务操作标准一、席间服务操作标准1、换骨碟的时机:1)发现客人骨碟内的杂物超过时2)吃过冷菜换吃热菜时3)吃过鱼腥味食物再吃其它类型菜肴时4)上风味特殊、汁欠各异、调味特别的菜肴时5)凡吃过甜食时6)骨碟内洒落酒水、饮料或异物时7)客人要求更换时2、换骨碟1)看到顾客的骨碟须更换时,准备好去污、干净、消毒、无异物的骨碟,放入服务托盘中的一侧;2)站在客人右侧,示意客人,从第一主宾开始,按先女士后男士,先宾客后主人,然后客人的次序按顺时针方向依次进行;3)右手从客人面前将脏骨碟撤下放入服务托盘中的一侧,再从服务托盘中一个干净的骨碟放在客人桌上原来的位置,继续撤脏骨碟时,把食物残渣倒第一个脏骨碟内,再放在服务托盘的一侧,撤下的脏骨碟叠放;注:1.当更换的骨碟中还有客人正在食用食品时,须先征询客人是否可以撤换掉;“打扰一下,给您换个骨碟。
”2.用过的骨碟和干净的骨碟要严格分开防止交叉污染。
3、换烟灰缸1)席间服务中,看到吸烟区客人的烟灰缸中的烟头超出2根或有明显杂物时;2)准备好两个去污、消毒、干净、无异物的烟缸,放入服务托盘中。
站在客人右侧;3)左手托服务托盘,右手从托盘中取出一个干净的烟缸;4)将干净的烟缸盖在客人台面上的脏烟缸上;5)用食指压住上面干净烟缸,用拇指和中指夹住下面的脏烟缸,把两个烟缸一同撤下放入托盘中;6)再将托盘中另外一个干净的烟缸放在桌面上烟缸原来的位置;7)将换下的脏烟缸放在拖盘上,再将干净的烟缸放到客人的面前。
4、当客人桌上酒水、茶水喝剩下时,应给客人添加酒水或茶水。
客人桌上没有餐巾纸时,应及时给客人补充餐巾纸。
(添加酒水应征求客人意见)5、随时清理客人桌面上的脏物及杂物。
二、斟酒操作规范1、准备(1)名贵酒要给客人验看,并询问客人是否可以开瓶,称之为示瓶。
其具体方法为左手托住瓶底,右手扶住瓶颈,商标朝上给客人验看。
(2)按各种酒封口方式的不同,采用不同的方式将酒打开。
酒店房务中心换烟缸服务规范

酒店房务中心换烟缸服务规范
1.当客人烟灰缸内有两个烟蒂时,必须为客人更换烟灰缸;
2.将已点水的备用烟灰缸放入托盘中(备用烟缸必须消过毒且干净无破损)。
3.服务员左手托托盘,用右手拿起干净的烟灰缸,轻轻扣盖在脏烟缸上.
4.用右手同时把两个烟缸拿起,取回放在托盘上,烟缸不能越过客人头顶。
5.拿起扣盖在上的干净烟缸,放回在桌面原位置上。
6.更换烟缸时左手托盘应该始终保持在客人身体的侧后方,更换烟缸的过程中一定要避免脏烟缸从客人面前通过。
7.当在更换烟缸的过程中,还有半截正在燃烧的烟头,必须征询客人的意见,是否可以撤换。
(注:。
天下一品餐厅点烟及换烟灰缸服务

天下一品餐厅点烟及换烟灰缸服务1、点烟1)当客人抽出香烟时,服务员要为客人进行点烟服务。
2)点烟前要向客人示意。
3)使用打火机点烟,要事先调整打火机的火焰,保证安全。
4)使用火柴时,要将火柴划向自己一侧,待火柴安全燃烧时再为客人服务。
2、换烟灰缸1)当客人烟灰缸内有两个烟蒂时,必须更换。
2)将干净无破损的烟灰缸放入托盘,左手托托盘。
3)走到客人面前征询:“对不起,打扰一下”“Excuse me ,sir/madam. May I change your ashtray?”4)客人同意后,用右手拿起一个干净的烟灰缸正放在脏烟灰缸上,用右手同时把两个烟灰缸拿起放在托盘上。
重新拿起干净烟灰缸,放回在餐桌原位置上。
(十一)结帐服务1、为客人取帐单1)当客人要求结帐时,服务员询问客人结帐方式并请客人稍等,通知领班立即为客人打查帐单。
2)领班核对帐单台号、人数、食品及饮品消费额是否正确。
3)将查帐单和笔放在帐夹内。
4)客人可使用现金,信用卡、支票、签单结帐。
2、递送帐单1)站在客人右侧,将帐单夹打开,双手递给主人或男士说:“Excuse me ,sir/madam. Here is your bill.2)在给客人查帐单时,将总金额指给客人看:“Here is your total.3)当客人看不清金额时,可将总数读给客人听,但不得让其他客人听见。
3、现金结帐1)客人支付现金时,在客人桌旁当面点清再拿走,点钱时不能影响客人。
2)将所收回现金和查帐单一同交给收银员。
3)将找回零钱和正式帐单第一联同时还给客人,并礼貌的感谢客人。
4)客人确定找钱正确后,领班迅速离开客人餐桌。
4、签单结帐1)如果是住店客人,领班在送上帐单的同时,递上笔并礼貌的提示客人写清房号,正楷姓名。
并与房卡核对客人签名。
2)将帐单重新夹在帐夹内拿起并真诚的感谢客人。
3)迅速将帐单送回收银员。
4)礼貌的请客人出示房卡:“Excuse me ,sir/madam. May I see your room card?”5、信用卡结帐1)熟知饭店可以使用的信用卡美国运通卡(外卡)大莱卡(外卡)JCB卡(外卡)长城卡(中行卡)VISA卡(外卡)牡丹卡(工行卡)龙卡(建行卡)金穗卡(农行卡)饭店一卡通等2)将信用卡、身份证(外卡除外)连同帐单一起交给收银员3)收银员核对客人信用卡,完成刷卡后,将金额总数填写在付款单上。
斟酒服务及骨碟烟缸更换

撤换位置及原则手法
2、餐厅应准备足够数量旳烟缸供客人使用, 服务员应经常巡视服务区域做到烟缸更换、 撤换烟缸时,应用托盘,拖上洁净旳烟缸, 用右手将洁净旳烟缸覆盖在用过旳烟缸上, 将两只烟缸同步撤下放入托盘后再将洁净旳 烟缸放回到餐桌上。
注意事项
1、尊重来宾习惯,撤换骨碟时,如有客人 将筷子放在骨碟上,应先将筷子移放倒筷架 上。撤换骨碟后,再将筷子移至骨碟。
努力工作、快乐生活
撤换骨碟和烟缸
撤换时机: 1、较高级旳旳宴会每道菜都需要更换; 2、一般及零点用餐在下列情况时撤换(骨
碟内骨刺超出1/3,烟缸内烟头不超出2个, 更换骨碟是需使用赃物夹; 3、带骨旳菜肴,如螃蟹、虾等菜使用完应 及时更换; 4、带糖、醋及口味浓重旳菜肴需要更换。
撤换骨碟和烟缸
立即将桌面酒液处理洁净; 6)但凡从冰桶内取出旳酒水,应用口布包裹后再进行
服务,防止弄脏台布和客人衣物; 7)随时关注每位客人酒水旳饮用情况;
斟酒注意事项
8)斟酒时,应站在客人身后右侧,左手拿 托盘或口布,右手持瓶进行操作,不允许 “左右开弓”;
9)斟酒时从主宾位开始,按顺时针方向绕 台进行,如客人不需要则予以调换,来宾如 带女宾进餐,应先给女士斟酒。
点酒水
点酒水和推荐酒水 1、服务员按照酒单完毕点单或推荐酒
水,下酒水单等工作; 2、熟悉酒水单和酒水知识; 3、注意推销语言、语气以及不同旳宾
客进行不同旳推荐
取酒水
1)服务员到吧台按照客人点单领取酒水; 2)如客人点取酒水是白葡萄酒,需将冰桶
内放入碎冰,将酒瓶放入冰桶,将酒温 保持在9°c,酒标朝上; 3)如客人点取旳是一般酒水,可用托盘进行 运送。摆放时,根据客人座次顺序依次摆放。 4)客人点取红酒,确保温度在20°c
席间服务撤换细节服务

席间服务撤换细节服务撤换餐具撤换服务分:撤换烟缸、撤换骨碟、撤换酒具、撤换汤碗、撤换台布撤换餐具三步曲第一步左手托盘、右手撤换、从客人右侧换餐、先撤出脏餐具后换新餐具、撤换时要顺时针撤换;第二步撤换餐具时要保持托盘的干净;第三步将撤换的餐具再恰当时,送回洗碗间;撤换骨碟注意事项1)先从主宾开始撤换用过的骨碟和干净的骨碟要严格的分开,防止交叉污染;2)吃过凉菜用的骨碟换吃热菜时应更换骨碟;3)吃过的鱼腥味食品、油腻很大、甜食的骨碟,在吃其它类型的菜肴应及时更换骨碟;4)上风味特色、汁芡各异、调味特别的菜肴要及时换骨碟;5)客人喝过的汤,要及时换新的汤碗;6)洒落的酒水、饮料或异物在骨碟里,应及时换骨碟;7)碟内骨头、残渣较多影响台面雅观,骨碟内的骨头或鱼骨占骨碟的三分之一时,要及时更换骨碟;8)如遇到有客人面前(位菜)还没有吃完,而新菜又上来了,在客人面前先放一个干净的骨碟在客人的右手边,等客人食用后再撤下前一个骨碟,要保持客人面前的骨碟是干净的;9)如客人失误将餐具跌落在地面上,要立即更换新骨碟;10)在撤换骨碟时,要随时清理托盘内的杂物,保持托盘内的干净无污渍;11)在恰当的时后整理备餐桌上的脏餐具,及时把脏餐送到洗碗间;撤换汤碗汤勺服务流程第一步把干净的汤碗、汤勺、汤碟放于托盘内第二步征求客人意见将汤均匀分到汤碗里第三步先主宾后主人分汤,顺时针上汤,当客人喝完汤后,在顺时针收取汤碗、汤勺第四步在恰当时,把脏的汤碗、汤勺送回洗碗房分汤的注意事项1)先准备干净的汤碗、汤勺、汤碟放于干净的托盘内2)上汤时,遇到客人点了两种不同的汤,为避免两味混合影响口感,要及时更换新汤碗、汤勺上汤顺序1)要顺时针上汤,先从主宾开始上,不要越过主宾,避免汤汁洒在客人身上或台面; 2)动作要轻,不要过于响动恰当时,把脏的汤碗、汤勺、汤碟、送到洗碗房;撤换烟缸服务流程第一步准备好备用的烟灰缸,把备用的烟灰缸放在圆托盘内,左手托着托盘右手拿着干净的烟灰缸盖在用过的烟灰缸上,将两个烟灰缸同时扯下,放到左手的托盘内,在用手将干净的烟灰缸放到原来的烟灰缸摆放的位置上第二步把脏的烟灰缸立即拿走,检查是否有未熄灭的烟蒂,要及时清理掉,换烟灰缸时先从主宾换起,在顺时针换烟灰缸,桌面上的烟灰缸内可以适当放点水,以防烟灰到处乱飞撤换烟灰缸服务流程要求1)准备好备用的烟灰缸,把烟灰缸放在圆托盘内,等待撤换,2)随时注意烟灰缸的使用情况,烟灰缸内有两个烟头就必须撤换,3)更换烟灰缸时要使用托盘,用右手将干净的烟缸盖在脏的烟缸上,将两个烟缸同时拿到托盘内,再将干净的烟缸放回桌上。
酒店餐饮部--更换烟灰缸服务工作标准
附赠酒店管理的八大要点酒店管理无小事,酒店管理的任一个方面都可能至关重要,酒店管理的每一个细节都可能关乎成败。
归纳起来,酒店管理离不开以下八件事:酒店质量管理酒店取得成功的关键是什么?是能持续提供符合客户要求,能得到客户满意和信赖的高质量产品和服务。
质量管理是酒店管理最基本的要素,最基本思路就是通过酒店店运行中的每一个过程进行调查、分析,从而确定质量管理的总体状况。
酒店能源管理加强能源管理是酒店规划建设以及运营阶段的一个永恒的话题。
作为酒店的管理人员应该注重酒店的建筑节能,设备节能,人员节能,合理处理好能源的分配和使用。
总之,能源管理的目标是使酒店在整个寿命周期的能源消耗及配套改造工程费用降到最低。
酒店客户管理酒店通过提供产品和服务实现经营效益。
客户作为产品和服务的接受者,对于酒店至关重要。
拥有客户的酒店才拥有生存和发展的基础,而拥有稳定客户的酒店才具有进行市场竞争的宝贵资源。
客户管理的实质是通过调查分析,进行客户开发、客户服务、客户促销、客户维护并促进客户价值的提升。
技术研发管理酒店是劳动密集型产业,技术门槛很低,如果其他行业具有实力的企业看重这块市场并投入竞争的话,短期内很快能研发出在技术、质量和成本方面超过基准经营水平的酒店,很快成为强有力的竞争对手,新酒店的成长速度往往是惊人的。
如果酒店经营者不能利用暂时形成的技术和经验优势,抓住机遇不断研发出新产品,不断改进产品性能,改进技术研发管理能力,对酒店而言往往是致命的。
服务现场管理一个酒店的服务质量对于酒店的利益多少有着十分大的联系。
客户的满意程度也大多由此决定。
服务质量形成于过程之中,对服务质量的控制,需要加强事先的过程设计,解决好影响过程的人、设施、材料、方法、环境等方面的问题。
以一个好的服务体系去面对客户。
酒店目标管理目标管理是现代企业管理最集中的体现,企业在近期要达到一个什么样的目标,通过制定详细计划来体现管理者的'意志,以及达标进取的目的。
酒店-中餐培训-如何更换烟灰缸
Why is this task important for you and our guests? 为什么这项课题对客人和你都很重要?Answers:答案:1. To maximize guest’s satisfaction最大化提升客人满意度CR-020Page 2 of 4 2. To ensure the guests’ ashtrays are cleared in a timely a nd efficient manner确保客人的烟灰缸時刻保持清洁,及时更换。
3. To ensure there is space on the table should the guest want to continue their conversation当更换烟灰缸時以不打扰客人为原則。
Now ask the trainee to practice the task from start to end to test competency. 现在来练习以下问题以测试培训效果。
Summary questions:总结:1.Why do you need to observe guest table?为什么需要观察客人餐桌?2. Why do you need to apologize?为什么需要道歉?3. Why do you need to ask before changing ashtrays?为什么更换烟灰缸需要客人的允许?4. Why do you need to check the used ashtrays?不可同时间更换烟灰缸及骨碟?5. Why should you be quiet?为什么要保持安静?。
更换烟缸技巧
更换烟缸技巧
1、准备好干净、消毒、无破损的烟缸放入托盘中。
2、站在客人的右侧示意客人,说:“对不起,打扰一下。
”
3、大水晶烟缸、直接用干净的纸巾盖住烟缸,绕过食品,倒入垃圾桶,擦干净后,再绕过食品放回原位。
4、当在更换烟缸的过程中,还有半截正在燃烧的烟头,必须征询客人的意见,是否可以撤换。
(注:烟缸内有一小节雪茄,必须征询客人是否需要。
)
5、不得用手去拾掉落的烟头,如必须,应立即洗手。
6、客人桌上烟缸内不得超过三个烟头。
7、左手托住托盘,右手从托盘中取出一干净的烟缸,盖住台面上烟缸,用手指压住上面的烟缸,再用拇指和中指夹住下面的脏烟缸拿起来放入托盘中,再将干净的烟缸放在桌上。
最好别等到有三个烟头时,最多两个就改换了,换的时候用托盘装两个干净烟缸,为什么要两个?左手持托盘,右手拿一个干净烟缸盖在脏的烟缸上面,然后把两个烟缸一起放到左手的托盘上,这是为了防止在拿的过程中有烟灰被风吹到桌子上,掉到菜里就麻烦了,再把干净的烟缸放回桌子上,如果脏的烟缸里有鱼刺啊,骨头之类的东西,把盖脏烟缸的干净烟缸放回桌子上,会在台布上留下痕迹,很难看的,这时第二个干净烟缸就起到作用了。
酒店餐饮部换餐碟,烟缸服务规程及标准(万能版)
换餐碟,烟缸服务规程及标准
1 客人用餐时,服务员要不断巡视台面,在自己区域内多走动,当客人骨碟中的骨渣已经有1/3时,及时更换。
2 左手托托盘,将干净的骨碟整齐叠放在一起,从主宾开始在宾客右侧进行,先撤下脏的骨碟,再更换上干净的。
3 烟缸内达到3个烟蒂时,应及时为客人更换。
4 为避免烟灰飞扬,撤掉时应先将干净的烟缸覆盖在有烟蒂的缸上,将两个烟缸一起撤下,再放上干净的烟缸。
5 撤换时,烟缸内如有半截半熄的香烟,应向客人征询可否更换。
- 1、下载文档前请自行甄别文档内容的完整性,平台不提供额外的编辑、内容补充、找答案等附加服务。
- 2、"仅部分预览"的文档,不可在线预览部分如存在完整性等问题,可反馈申请退款(可完整预览的文档不适用该条件!)。
- 3、如文档侵犯您的权益,请联系客服反馈,我们会尽快为您处理(人工客服工作时间:9:00-18:30)。
烟灰缸更换程序
目的:掌握如何正确更换烟灰缸
●换烟灰缸前提
如发现烟灰缸中有两个烟头或有明显杂物时,须马上更换。
●换烟灰缸
1.用右手的拇指和中指捏紧一个干净烟灰缸的外壁,右食指搭在烟灰缸边上,
从客人右侧将干净烟灰缸盖在烟灰缸上面,右拇指、中指捏紧下面脏烟灰
缸。
2.将两个烟灰缸慢慢拿起从台边一起撤走,放于左手的托盘上,再用同样的手
法将干净的烟灰缸摆回餐桌原处。
★更换雪茄烟缸用有LOGO的杯垫盖上后,同样的方法更换。