【CN110011011A】一种仅存TM模式的强场模式滤波器【专利】
【CN110011009A】一种带通滤波器【专利】

(19)中华人民共和国国家知识产权局(12)发明专利申请(10)申请公布号 (43)申请公布日 (21)申请号 201910222669.8(22)申请日 2019.03.22(71)申请人 深圳大学地址 518060 广东省深圳市南山区南海大道3688号(72)发明人 王世伟 郭建珲 陈国文 张龙 谢泽明 (74)专利代理机构 深圳市恒申知识产权事务所(普通合伙) 44312代理人 袁文英(51)Int.Cl.H01P 1/203(2006.01)(54)发明名称一种带通滤波器(57)摘要本发明公开了一种带通滤波器,包括第一层介质基板、第二层介质基板、第三层介质基板、第四层介质基板、第五层介质基板、第一谐振器、第二谐振器、输入馈线和输出馈线,第一层介质基板、第二层介质基板、第三层介质基板、第四层介质基板和第五层介质基板依次堆叠;输入馈线和输出馈线均固定设置在第五层介质基板朝向第四层介质基板的表面上。
本发明基于多层介质板堆叠技术,第一谐振器和第二谐振器分别位于不同层,通过改变第一谐振器或第二谐振器的长度能够改变谐振频率,第一谐振器和第二谐振器之间通过开缝进行耦合,这种结构具有体积小、简单的优点。
并且引入了两个耦合路径,能够产生两个传输零点,大大提高了该带通滤波器的选择性。
权利要求书2页 说明书5页 附图7页CN 110011009 A 2019.07.12C N 110011009A权 利 要 求 书1/2页CN 110011009 A1.一种带通滤波器,其特征在于,包括第一层介质基板(1)、第二层介质基板(2)、第三层介质基板(3)、第四层介质基板(4)、第五层介质基板(5)、第一谐振器(6)、第二谐振器(7)、输入馈线(8)和输出馈线(9),所述第一层介质基板(1)、所述第二层介质基板(2)、所述第三层介质基板(3)、所述第四层介质基板(4)和所述第五层介质基板(5)依次堆叠;所述输入馈线(8)和所述输出馈线(9)均固定设置在所述第五层介质基板(5)朝向所述第四层介质基板(4)的表面上;所述第一谐振器(6)固定设置在所述第四层介质基板(4)朝向所述第三层介质基板(3)的表面上,所述第一谐振器(6)上延伸出第一馈电点(61);所述第二谐振器(7)固定设置在所述第二层介质基板(2)朝向所述第一层介质基板(1)的表面上,所述第二谐振器(7)上延伸出与所述第一馈电点(61)相耦合的第二馈电点(71);所述第四层介质基板(4)上开设有与所述第一馈电点(61)电连接的第一金属化过孔(41)、与所述第二馈电点(71)位置相对的第二金属化过孔(42),所述第三层介质基板(3)上开设有与所述第二馈电点(71)位置相对的第三金属化过孔(31),所述第二层介质基板(2)上开设有与所述第二馈电点(71)电连接的第四金属化过孔(21);所述第一馈电点(61)通过连接所述第一金属化过孔(41)而与所述输入馈线(8)电连接,所述第二馈电点(71)通过依次连接所述第四金属化过孔(21)、第三金属化过孔(31)和第二金属化过孔(42)而与所述输出馈线(9)电连接;或者所述第一馈电点(61)通过连接所述第一金属化过孔(41)而与所述输出馈线(9)电连接,所述第二馈电点(71)通过依次连接所述第四金属化过孔(21)、第三金属化过孔(31)和第二金属化过孔(42)而与所述输入馈线(8)电连接;所述输入馈线(8)与所述输出馈线(9)耦合形成第一条传输路径以产生第一传输零点;所述输入馈线(8)经所述第一谐振器(6)和所述第二谐振器(7)或者所述输入馈线(8)经所述第二谐振器(7)和所述第一谐振器(6),与所述输出馈线(9)耦合形成第二条传输路径以产生第二传输零点。
一种新型级联式微球腔滤波器[发明专利]
![一种新型级联式微球腔滤波器[发明专利]](https://uimg.taocdn.com/60904e49a88271fe910ef12d2af90242a895abed.webp)
专利名称:一种新型级联式微球腔滤波器
专利类型:发明专利
发明人:安盼龙,赵瑞娟,王语园,惠亮亮,解晨,姜留涛,李晓艳申请号:CN202110742637.8
申请日:20210701
公开号:CN114563844A
公开日:
20220531
专利内容由知识产权出版社提供
摘要:本发明提供了一种新型级联式微球腔滤波器,所述滤波器包括:宽带激光器、EDFA掺铒光纤放大器、掺铒微球、拉锥光纤、光耦合器;所述宽带激光器与EDFA掺铒光纤放大器的输入端连接,EDFA掺铒光纤放大器的输出端连接至少一根光纤,每根光纤的末端均连接拉锥光纤,所述拉锥光纤上固定掺铒微球,所述掺铒微球中的激光与拉锥光纤耦合后,经光耦合器选择并叠加输出。
本发明一种新型级联式微球腔滤波器,通过对不同波长的光在谐振腔内通过选模,进而能够有效地滤波。
该滤波器因其尺寸小,更加有利于集成,同时该耦合封装结构紧凑,制作材料成本低廉,适合规模化。
申请人:陕西铁路工程职业技术学院
地址:714000 陕西省渭南市临渭区站北街东段1号
国籍:CN
代理机构:西安新动力知识产权代理事务所(普通合伙)
代理人:刘强
更多信息请下载全文后查看。
【CN109921160A】一种TM模介质滤波器【专利】

(19)中华人民共和国国家知识产权局(12)发明专利申请(10)申请公布号 (43)申请公布日 (21)申请号 201910218355.0(22)申请日 2019.03.21(71)申请人 深圳市国人射频通信有限公司地址 518000 广东省深圳市南山区高新区中区科技中三路国人大厦B栋7F(72)发明人 肖艺 谭志平 谢乐康 (74)专利代理机构 深圳市盈方知识产权事务所(普通合伙) 44303代理人 周才淇 黄蕴丽(51)Int.Cl.H01P 1/20(2006.01)H01P 7/10(2006.01)(54)发明名称一种TM模介质滤波器(57)摘要本发明涉及一种TM模介质滤波器,包括具有开口端的腔体、安装到腔体开口端的盖板、安装到腔体的调谐组件,所述调谐组件包括:顺次连接的介质谐振柱、谐振柱底座和弹性件;谐振柱底座的朝向弹性件的一面设有凹陷的第一收容腔;所述弹性件的第一端伸入所述第一收容腔且沿所述第一收容腔的径向抵顶到所述第一收容腔的内壁,弹性件的第二端连接到所述腔体的底部。
本发明使用弹性件连接于腔体底部与调谐组件之间,且弹性件部分地收容于调谐组件的收容腔并沿收容腔的径向抵顶到所述收容腔的内壁,提高了接触的可靠性。
权利要求书1页 说明书3页 附图5页CN 109921160 A 2019.06.21C N 109921160A权 利 要 求 书1/1页CN 109921160 A1.一种TM模介质滤波器,包括具有开口端的腔体(1)、安装到腔体(1)开口端的盖板(2)、安装到腔体(1)的调谐组件,其特征在于,所述调谐组件包括:顺次连接的介质谐振柱(5)、谐振柱底座(6)和弹性件(7);谐振柱底座(6)的朝向弹性件(7)的一面设有凹陷的第一收容腔;所述弹性件(7)的第一端伸入所述第一收容腔且沿所述第一收容腔的径向抵顶到所述第一收容腔的内壁,弹性件(7)的第二端连接到所述腔体(1)的底部。
2.根据权利要求1所述的TM模介质滤波器,其特征在于,所述弹性件(7)的第一端包括若干接触片,所述若干接触片呈环形排列,且沿所述第一收容腔的径向抵顶到所述第一收容腔的内壁。
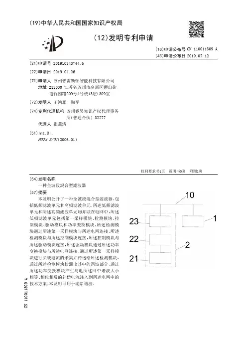
【CN110011309A】一种全波段混合型滤波器【专利】

(19)中华人民共和国国家知识产权局(12)发明专利申请(10)申请公布号 (43)申请公布日 (21)申请号 201910343744.6(22)申请日 2019.04.26(71)申请人 苏州普雷斯顿智能科技有限公司地址 215000 江苏省苏州市高新区狮山街道竹园路209号4号楼13层1309室(72)发明人 王鸿雁 陶军 (74)专利代理机构 苏州睿昊知识产权代理事务所(普通合伙) 32277代理人 张燕清(51)Int.Cl.H02J 3/01(2006.01)(54)发明名称一种全波段混合型滤波器(57)摘要本发明公开了一种全波段混合型滤波器,包括低频滤波单元和高频滤波单元,所述低频滤波单元和所述高频滤波单元均并联在电网中,所述低频滤波单元包括第一采样模块、检测模块、控制模块、驱动模块和功率变换模块,所述检测模块通过所述第一采样模块与所述电网连接,所述检测模块与所述控制模块连接,所述控制模块与所述驱动模块连接,所述驱动模块通过所述功率变换模块与所述电网连接,通过所述第一采样模块进行负载电流的采集并传送给所述检测模块,通过所述检测模块检测出其中的谐波部分,通过所述功率变换模块产生与电所述网中谐波大小相等、相位相反的补偿电流注入到所述电网中的技术方案,本发明可用于滤除谐波。
权利要求书1页 说明书3页 附图1页CN 110011309 A 2019.07.12C N 110011309A权 利 要 求 书1/1页CN 110011309 A1.一种全波段混合型滤波器,其特征在于:包括低频滤波单元和高频滤波单元,所述低频滤波单元和所述高频滤波单元均并联在电网中,所述低频滤波单元包括第一采样模块、检测模块、控制模块、驱动模块和功率变换模块,所述检测模块通过所述第一采样模块与所述电网连接,所述检测模块与所述控制模块连接,所述控制模块与所述驱动模块连接,所述驱动模块通过所述功率变换模块与所述电网连接,通过所述第一采样模块进行负载电流的采集并传送给所述检测模块,通过所述检测模块检测出其中的谐波部分,通过所述功率变换模块产生与电所述网中谐波大小相等、相位相反的补偿电流注入到所述电网中。
【CN110071703A】一种双工器【专利】

(19)中华人民共和国国家知识产权局(12)发明专利申请(10)申请公布号 (43)申请公布日 (21)申请号 201910123847.1(22)申请日 2019.02.19(71)申请人 天津大学地址 300072 天津市南开区卫津路92号申请人 诺思(天津)微系统有限责任公司(72)发明人 庞慰 蔡华林 (74)专利代理机构 北京汉智嘉成知识产权代理有限公司 11682代理人 姜劲 谷惠敏(51)Int.Cl.H03H 9/54(2006.01)H01P 1/20(2006.01)H04L 5/14(2006.01)(54)发明名称一种双工器(57)摘要本发明提供一种双工器,其特征在于,包括:发射滤波器,所述发射滤波器连接在发射端与天线端之间并且包括以梯形形式连接的串联谐振器和并联谐振器;以及接收滤波器,所述接收滤波器连接在接收端与所述天线端之间并且包括以梯形形式连接的串联谐振器和并联谐振器,其中,LWR谐振器与寄生电感串联在发射端、接收端或天线端的串联支路上,所述寄生电感靠近发射端、接收端或天线端一侧;本申请在滤波器和双工器的设计中引入了LWR兰姆波谐振器,在信号连接线上会有寄生电感,通过LWR的串联,可以抵消寄生电感,改善匹配和插损。
权利要求书2页 说明书8页 附图11页CN 110071703 A 2019.07.30C N 110071703A权 利 要 求 书1/2页CN 110071703 A1.一种双工器,其特征在于,包括:发射滤波器,所述发射滤波器连接在发射端与天线端之间并且包括以梯形形式连接的串联谐振器和并联谐振器;以及接收滤波器,所述接收滤波器连接在接收端与所述天线端之间并且包括以梯形形式连接的串联谐振器和并联谐振器,其中,LWR谐振器与寄生电感串联在发射端、接收端或天线端的串联支路上,所述寄生电感靠近发射端、接收端或天线端一侧。
2.根据权利要求1所述的双工器,其特征在于,所述LWR谐振器为三组,一组LWR谐振器与寄生电感串联在发射滤波器与发射端之间,一组LWR谐振器与寄生电感串联在接收滤波器与接收端之间,一组LWR谐振器与寄生电感串联在天线端的串联支路上。
- 1、下载文档前请自行甄别文档内容的完整性,平台不提供额外的编辑、内容补充、找答案等附加服务。
- 2、"仅部分预览"的文档,不可在线预览部分如存在完整性等问题,可反馈申请退款(可完整预览的文档不适用该条件!)。
- 3、如文档侵犯您的权益,请联系客服反馈,我们会尽快为您处理(人工客服工作时间:9:00-18:30)。
(19)中华人民共和国国家知识产权局
(12)发明专利申请
(10)申请公布号 (43)申请公布日 (21)申请号 201910372258.7
(22)申请日 2019.05.06
(71)申请人 中国工程物理研究院电子工程研究
所
地址 621000 四川省绵阳市游仙区绵山路
64号
(72)发明人 薛长江 郑贵强 任家怡 陈代兵
赵柳 蒋里芳 吴尚昀
(74)专利代理机构 绵阳山之南专利代理事务所
(普通合伙) 51288
代理人 沈强
(51)Int.Cl.
H01P 1/207(2006.01)
H05K 7/20(2006.01)
(54)发明名称一种仅存TM模式的强场模式滤波器(57)摘要本发明公开了一种仅存TM模式的强场模式滤波器,包括杂模吸收组件和散热组件组成的中空结构,杂模吸收组件包括两端的连接法兰和设置在连接法兰之间的电阻率各向异性部件,散热组件包括壳体和壳体外侧的散热件,所述壳体内侧沿着轴向设置有电阻率各向异性部件,TM模式下沿着沿角向为损耗特性,电阻率远大于轴向的电阻率,轴向为良导体;本发明采用电阻率各向异性材料实现对所有的非TM模式的滤除,具备高功率容量、所有非TM模式杂模滤除的特点,基于该装置,可开展虚阴极振荡器(VCO)、相对论返波管(RBWO)、相对论磁控管等电真空器件或者强场雷达系统旋转关节中模式场控制,为促进微波毫
米波相关技术的发展和应用奠定一定技术基础。
权利要求书1页 说明书4页 附图1页CN 110011011 A 2019.07.12
C N 110011011
A
权 利 要 求 书1/1页CN 110011011 A
1.一种仅存TM模式的强场模式滤波器,包括杂模吸收组件和散热组件组成的中空结构,杂模吸收组件包括两端的连接法兰和设置在连接法兰之间的电阻率各向异性部件,散热组件包括壳体和壳体外侧的散热件,其特征在于所述壳体内侧沿着轴向设置有电阻率各向异性部件,TM模式下沿着沿角向为损耗特性,电阻率远大于轴向的电阻率,轴向为良导体。
2.根据权利要求1所述的一种仅存TM模式的强场模式滤波器,其特征在于所述电阻率各向异性部件等效为一个沿着轴向设置的圆柱体,圆柱体为轴向中空结构。
3.根据权利要求2所述的一种仅存TM模式的强场模式滤波器,其特征在于当所述电阻率各向异性部件沿着轴向有若干个独立的所述圆柱体组成时,相邻两个圆柱体之间设置有隔离结构,所述隔离结构与散热组件的壳体为一体结构。
4.根据权利要求3所述的一种仅存TM模式的强场模式滤波器,其特征在于所述隔离结构内孔与各向异性组件内孔结构匹配,隔离结构阻抗与各向异性材料阻抗相匹配。
5.根据权利要求4所述的一种仅存TM模式的强场模式滤波器,其特征在于电阻率各向异性部件和隔离结构构成轴向一个完整的光滑内壁。
6.根据权利要求1-3任一所述的一种仅存TM模式的强场模式滤波器,其特征在于所述电阻率各向异性部件为沿着角向的多层叠加结构。
7.根据权利要求1所述的一种仅存TM模式的强场模式滤波器,其特征在于所述壳体的内径面与电阻率各向异性部件外表面结构匹配,壳体外边缘与连接法兰的输入端和输出端连接。
8.根据权利要求1所述的一种仅存TM模式的强场模式滤波器,其特征在于所述壳体的两端各自与连接进行密封连接,使得散热组件所处的空间与电阻率各向异性部件所处的空间不相通。
9.根据权利要求8所述的一种仅存TM模式的强场模式滤波器,其特征在于所述散热件为风冷或者水冷结构散热。
10.根据权利要求1所述的一种仅存TM模式的强场模式滤波器,其特征在于所述电阻率各向异性部件可以是各向异性热解石墨、高定向热解石墨、石墨烯,电阻率各向异性材料,其导热性能接近或优于金属铝,所述连接法兰可以为圆波导法兰、矩形波导、椭圆波导各种波导中的一种,连接法兰的阻抗与电阻率各向异性部件的阻抗相匹配。
2。